S Skypara Откуда Пятигорск 25 Окт 2024 #1 Комплект электростартера, стоял на rotax 503, состояние отличное. Находится в Пятигорске Цена: 50т.р +7(961)442-77-05. Александр
Комплект электростартера, стоял на rotax 503, состояние отличное. Находится в Пятигорске Цена: 50т.р +7(961)442-77-05. Александр
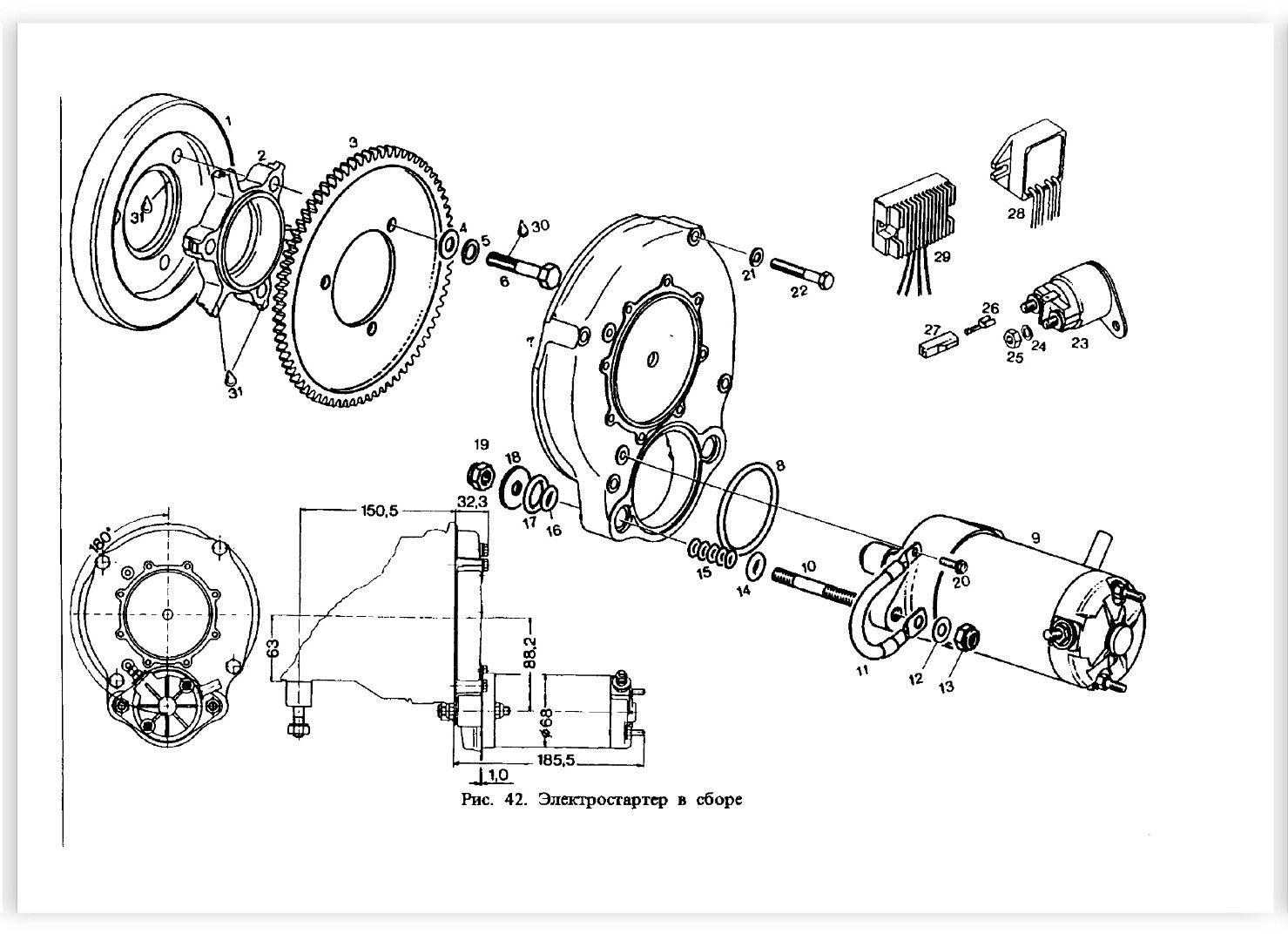
S Skypara Откуда Пятигорск 25 Окт 2024 #3 List сказал(а): На ротакс 582 подайдет ? Нажмите, чтобы раскрыть... Вроде бы да, в инструкции к 582 он описан со схемами и примечаниями
List сказал(а): На ротакс 582 подайдет ? Нажмите, чтобы раскрыть... Вроде бы да, в инструкции к 582 он описан со схемами и примечаниями