Самодельный однорежимный инжектор для авто мотора в экспериментальной авиации

Главный плюс инжектора, о котором все забывают - это автоматическая высотная коррекция, которая реализуется проще чем высотный корректор для карбюратора. Даже ручной.

В моём самодельном однорежимном инжекторе датчик положения коленвала имеет 1 зуб шириною 50 градусов, перекрывающий оптопару на углах от -50 градусов, то ВМТ. Алгоритм максимально прост, если время между соседними срабатываниями больше 17мс (для одного поршня это примерно 1000об/мин), то давать искру по прерыванию сигнала с оптопары, то есть в ВМТ. А при меньших периодах идёт линейный расчёт на отрезках 1-2т, 2-3, 3-4, и 4-5, получается довольно плавная зависимость, быстродействия ардуины достаточно для расчёта за время пока коленвал проходит с -50 до -45 градусов на удвоенной максимальной скорости. Затем, во время после ВМТ отсчитывается время до точки наполнения цилиндра, это где то 1/3 от общего периода, и в этот момент измеряется давление во впускном коллекторе, и по нему производится расчёт количества топлива которое надо впрыснуть. Впрыск нефазированный, после каждого расчёта просто меняется коэффициент заполнения ШИМ сигнала на форсунке. А на низах, до 600об/мин впрыск фазирован так как коэффициент заполнения был бы слишком мал и чтобы предотвратить подачу топлива на остановленном двигателе. Просто выпрыскивается удвоенная порция бензина после ВМТ через примерно 10 градусов, но как показала практика этого не всегда достаточно для чёткой заводки, дополнительно вывел кнопку на прямой открытые форсунки и достаточно где то пол секунды, это грамм бензина, чтобы пошли вспышки и холодный мотор вышел на холостые.

Вылезли следующие проблемы:
1) Дохнут китайские автомобильные датчики абсолютного давления, не понятно почему. Заказал настоящих сенсоров, которые должны стоять в оригинальных датчиках, попробую с ними.
2) Автомобильные коммутаторы работают не по сигналу, а используют сигнал для синхронизации, и по этому на низах часто дают искру невпопад так как рассчитаны на в 4 раза большую частоту и у них наступает переполнение в таймере и при смене скорости вращения угол заметно уходит. Два раза из-за этого бабахнуло при заводке на большом опережении и срезало шпонку на маховике. Второй раз вклинило так жёстко, что пришлось распиливать болгаркой втулку чтобы снять. Каюсь, сам виноват что конус как следует не затянул перед тестами. И искра у автомобильных коммутаторов не очень, с более мощной вспышкой искры можно было бы заводится и на обычной смеси без перелива.
 
Главный плюс инжектора, о котором все забывают - это автоматическая высотная коррекция,

Абсолютно не нужная вещь. Вряд ли вы будете летать на высотах где эта коррекция что ни будь даст.



И искра у автомобильных коммутаторов не очень, с более мощной вспышкой искры можно было бы заводится и на обычной смеси без перелива


Запуска холодного двигателя, +10*С и ниже, на обычной смеси не получится. Часть бензина из этой смеси осядет на холодных поверхностях впускного коллектора, зеркале цилиндра, смесь станет очень бедной и не воспламенится даже от сварочной дуги. Мощная искра нужна для пробоя зазора между электродами свечи в двигателях с высокой, 12 и более степенью сжатия.
 
По катушкам зажигания. У меня катушки F-3050 3 выводные. Мотор хонда K24a.
Исследования показали, что внутри обычный транзисторный ключ с цепями защиты, который может управляться малым сигналом от блока ECU. Я подавал 12 вольт через резистор 2к, и катушка начинала жрать ток более 3 ампер. При снятии упрвляющего сигнала проскакивает искра.
Есть ли там внутри цепи защиты от превышения тока, неизвестно. Мой источник более 3 ампер не дает.
Вопрос, надо ли заморачиваться точной длительностью импульса или катушка сама должна сформировать искру и отключиться до прихода следующего упр. импульса ?
Нужно поосторожнее с этим, хорошо что источник у вас с ограничением, так можно и спалить ее.
Я для себя всегда представляю катушку как двухобмоточный дроссель, с этой точки зрения ее работа напоминает работу обратноходового преобразователя.
Идея состоит в том чтобы приложить напряжение к первичке и ждать пока в ее сердечнике будет нарастать индукция. Ток при этом растет линейно.
В какой-то момент наступит насыщение сердечника, и ток начнет резко увеличиваться, в теории до бесконечности если бы не активная составляющая сопротивления обмотки. Вот до этого момента и нужно отключать транзистор, и далее в результате самоиндукции на вторичке возникнет напряжение и пробой через свечу.
Т.е. время заряда катушки энергией число постоянное и зависит от ее разновидности.
По памяти там единицы мс, больше не нужно.
 
  • Мне нравится!
Reactions: vk8
Вообще говоря о теме, идея годная, так как без содрогания смотреть на это (на фото) невозможно.
В этой мотне решительно невозможно разобраться.
Я пока в тихаря ковыряюсь с мотором, и в какой-то момент решил все отрезать и попробовать SECU-3T.
Думаю это оптимально сейчас и изобретать ничего не надо, проект условно бесплатный.
А делать свой контроллер не так легко, как кажется.

IMG_2228.JPG
 
Вряд ли вы будете летать на высотах где эта коррекция что ни будь даст.

Хочу летать максимально высоко как только получится забраться, а уже на 2км воздух менее плотен на 1/5, на 4км на 1/3 и карбюратор выдаст уже негодную смесь. А ещё дельта температуры в 60 градусов даёт разброс по кислороду на +-10%.
 
Разобрался с датчиками, все проверил еще раз.
Датчики распредвалов обычные датчики холла с открытым коллектором. Датчик коленвала какой-то навороченный, работает как по переднему так и по заднему фронту реперного диска, видимо для исключения дрожания фазы. Можно предположить, что родной ECU измеряет период между импульсами а не число импульсов на оборот. Что дает более точный и быстрый расчет частоты вращения.

CKP.png CMP.png

DISK_CR.png
 
Последнее редактирование:
Датчики аналоговые
Датчик MAP при питании 5.0 вольт дает на выходе от 0.6 вольт, при максимальном разрежении когда сигнал уже не опускается, до 2.6 вольт при нормальном атмосферном давлении.
Датчик дросселя - обычный потенциометр.

MAP.png TPS.png
 
Последнее редактирование:
Катушка зажигания имеет внутри коммутатор. Странно, что там нет никакой схемы ограничения тока. Или есть ?

COIL.png

katushka-.jpg
 
Вылезли следующие проблемы:
1) Дохнут китайские автомобильные датчики абсолютного давления, не понятно почему. Заказал настоящих сенсоров, которые должны стоять в оригинальных датчиках, попробую с ними.
2) Автомобильные коммутаторы работают не по сигналу, а используют сигнал для синхронизации, и по этому на низах часто дают искру невпопад
В автомобильных коллекторах довольно внушительный объем, думаю он сглафживает пульсации вакуума. У вас же двухтактник, и датчик сразу за заслонкой? Могут быть проблемы усталостного разрушения мембраны датчика из-за таких жестких колебаний давления? Может попробовать прикрутить датчик через промежуточный объем...
А что с автомобильными коммутаторами ? Я вот испробовал катушку с внутренним коммутатором, она жрет более 3 ампер а дальше не тянет источник питания. Полагаю, либо не достигнут ток накачки сердечника, когда внутренняя схема даст отсечку, либо там тупо ключ и за сигналом надо внимательно следить и подавать с блока управления импульс нормированной длительности.
 
Родной клапан холостого хода IAC,
Rotary Idle Air Control скорее всего не будет использоваться. Он управляется шим сигналом от блока и обеспечивает подачу воздуха в обход основной заслонки для режима малого газа. А основная заслонка при этом полностью закрыта без зазора. Для основной заслонки нужно будет сделать регулируемый упор, чтобы она не закрывалась до конца.
Работает клапан по принципу гальванометра, поворачивая ось, на которой закреплена заслонка, перекрывающая сечение. В выключенном режиме заслонка перекрывает 50% сечения, при подаче шим поворачивается в сторону закрытия или открытия. На борту имеется собственный усислтель для гальванометра и требуется отдельное питание. Так же внутри стоит подтягивающий резистор на + шину.

IAC_ROTARY.png

Idle-Air-Control-Valve-rotary.jpg
 
Последнее редактирование:
В автомобильных коллекторах довольно внушительный объем, думаю он сглаживает пульсации вакуума. У вас же двухтактник, и датчик сразу за заслонкой? Могут быть проблемы усталостного разрушения мембраны датчика из-за таких жестких колебаний давления? Может попробовать прикрутить датчик через промежуточный объем...
А что с автомобильными коммутаторами ? Я вот испробовал катушку с внутренним коммутатором, она жрет более 3 ампер а дальше не тянет источник питания. Полагаю, либо не достигнут ток накачки сердечника, когда внутренняя схема даст отсечку, либо там тупо ключ и за сигналом надо внимательно следить и подавать с блока управления импульс нормированной длительности.

У меня четырёхтактник. Именно что и хотел мерить не среднее давление, а полный график изменения давления, чтобы точно знать сколько воздуха всосалось через дроссель, но многие автомобилисты жалуются что китайские датчики служат очень недолго в отличие от оригинальных. Это обнадёживает.

Те автомобильные коммутаторы которые пробовал, на низких частотах начинали слишком долго держать ток в катушке, ток потребления возрастал до 4 ампер, коммутатор перегревался и уходил в защиту. А на 20 герцах потребление было уже 0,3а! Осциллограмму при статической частоте бесполезно смотреть, там все ошибке во время первых 1-2х импульсов которые могут быть критичны! Там вся причина такого алгоритма момента искры с предугадыванием - слишком низкое напряжение питания катушки которое не позволяет зарядить индуктивность за приемлимое время, а держать индуктивность под током весь цикл нерационально - слишком большие потери на нагрев. Например для современных сухих катушек это где то 7-10а при падении напряжения 3в - 20-30вт тепловыделения! Однако, если поднять напряжение питания катушки до 30в - время заряда индуктивности до 80% насыщения составляет всего 0,5мс, а при 100в - 0,15мс! Что уже позволяет давать искру "по факту" сигнала не предугадывая его момент и давать быстрые снопы искр сливающиеся в одну дугу. При нескольких искрах возникает ионизация на электродах и если даже не хватило напряжения для пробоя первым импульсом - гарантированно пробьёт 2й-3й. Благодаря этому старинные механические коммутаторы на прерывателе с конденсатором худо-бедно давали искру при намного меньшем напряжении на свече, потому что первичная обмотка с конденсатором образовывали колебательный контур. При 30 вольтах питания и Оковской низкоомной катушкой зажигания удалось получить дугу со средней мощностью 150вт при 280в на первичке (ограничивал варистром чтобы не пробить) и плазменным жгутом на электродах который выдувался на сантиметр. Время накопления получалось 0,15мс, как при одиночной искре от 100в, но амплитуда при серии импульсов получалась такая же. При этом от 30в одиночный импульс в 0,15мс не пробивал искровой зазор при компрессии.

Схема - обычный нижний ключ, без шунтирования индуктивности диодом(чтобы был высоковольтный импульс на первичке), с шунтированием транзистора варистром. Запирание транзистора отрицательным напряжением, для устранения эффекта Миллера. Пробовал полный мост - даёт эффект увеличения напряжения питания в 2 раза, но никакой прибавки в эффективности не заметил, а сложность на много выше. С нижним ключом, сухой низкоомной автомобильной катушкой и 30-100в питания реально получить 0,05-0,1дж одиночную искру, дугу. Потребление при серии одиночных искр 100гц получается всего 6-15вт. Катушка сгорела только после вжаривания 200вт, 100 ещё терпела греясь примерно как в паре с обычным автомобильным коммутатором, но при этом выдавала яркие вспышки дуги на электродах.
 
Есть готовое решение по зажиганию. Вот. Блок МПСЗ SECU-3 Micro USB - МПСЗ SECU-3 / Ignition and fuel injection system Что скажете?
Я выше писал, что решил именно на ней попробовать. Если судить по описанию то штука годная, автор активно поддерживает проект и отвечает на форуме.
Правда есть заморочка, похоже что с хондовским диском дпкв блок работать не сможет. И два ряда свечей не разнести во времени.
Очень хорошо интеграция описана на канале «совжесть« 😆
 
Я почему-то подумал что у вас двухтактник. Это потому, что в теме выкладывали фото дросселя небольших размеров.
Если не получается накопление в индуктивности надо переходить на CDI. Там никакой задержки нет, высокое появляется сразу, как только приходит управляющий импульс на тиристор.
А я не до конца понял зачем предугадывание ? Если время накопления статично на любых режимах, за 2-3 миллисекунды до раcсчитанного момента искрообразования включить коммутатор и выключить.
С катушками вы там плотно загрузились 🙂
Попробовал свои катушки в работе, подавал импульс 1.5 ms, искра есть, думаю до 2 ms можно давать.
Пока длиннее чем 1.5ms нечем подать.
Пиковый ток за эти 2 ms доходит до 2 ампер, а так потребление 0.3 ампера при 100 Гц.
_cr.jpg
2_cr.jpg
 
Последнее редактирование:
Такой драйвер форсунки подойдет ?
Японские форсунки имеют 10 ом сопротивление и индуктивность 18 миллигенри!

draiver_fo.png
 
Ну это совсем не современно.
Лучше интеллектуальный ключ взять у ST
Например вот.
Облеплен защитой, и стабилитрон внутри, и управляется ногой контроллера

Screenshot_6.jpg


Screenshot_7.jpg
 
Такой драйвер форсунки подойдет ?
Японские форсунки имеют 10 ом сопротивление и индуктивность 18 миллигенри!

Посмотреть вложение 438219

Достаточно выходного каскада, если использовать транзистор открывающийся от 5в - то работает и так.

А я не до конца понял зачем предугадывание ? Если время накопления статично на любых режимах, за 2-3 миллисекунды до раcсчитанного момента искрообразования включить коммутатор и выключить.

2мс слишком много... На 6000об/мин период вращения двигателя 10мс, и 2мс будет составлять 72 градуса, что очень много. А на повышенном напряжении время накопления в индуктивности уже 0,1-0,2мс, что уже терпимо. А автомобильный коммутатор предугадывает потому что накапливает ток примерно 10-500мс, причём на низах зачем то именно так долго, непонятно зачем.
 
А, ну да. Если катушка одна в системе и стоит распределитель зажигания.
У меня 4 катушки, каждая должна сработать 1 раз за 4 оборота.

Странное какое-то поведение коммутатора. А это случайно не опережение зажигания в нем так сделано электронно. Метка выставляется на макс опережение и по мере увеличения оборотов задержка падает.
Как хорошо, что на моих катушках ничего такого нет. Сколько подал столько и будет.

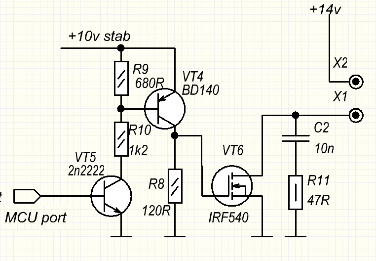
Транзистор, работающий от логического уровня типа IRL ставить не охота, как и вот тот навороченный ключ нового поколения с защитой. По первому - если вынесет транзистор, то может утащить и контроллер. Второй пока недоступен, но идея очень понравилась. Если цель была бы серийное производство, непременно был бы поставлен vnb14nv04.
А так надо собирать из того, что лежит в ящике. Эксперимент есть эксперимент.
Надо еще эмулятор сигналов с дисков сделать, чтоб отлаживать на столе.
 
Компрессор качает воздух в форсунку и смешивает с бензом - для беспилотников рекламируют

 
Назад
Вверх