Yablokov
Я люблю строить самолеты!
Как всегда отличное качество и сроки испонения.Станислав спасибо !!!
Follow along with the video below to see how to install our site as a web app on your home screen.
Примечание: This feature may not be available in some browsers.

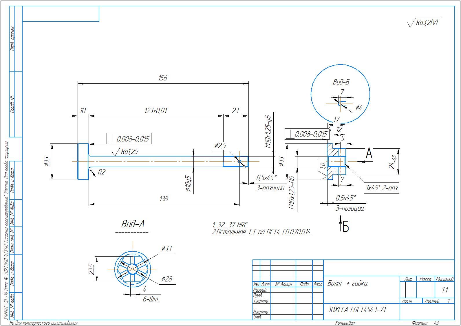
Трубу такую точно не буду делать, найдите лучше готовую.
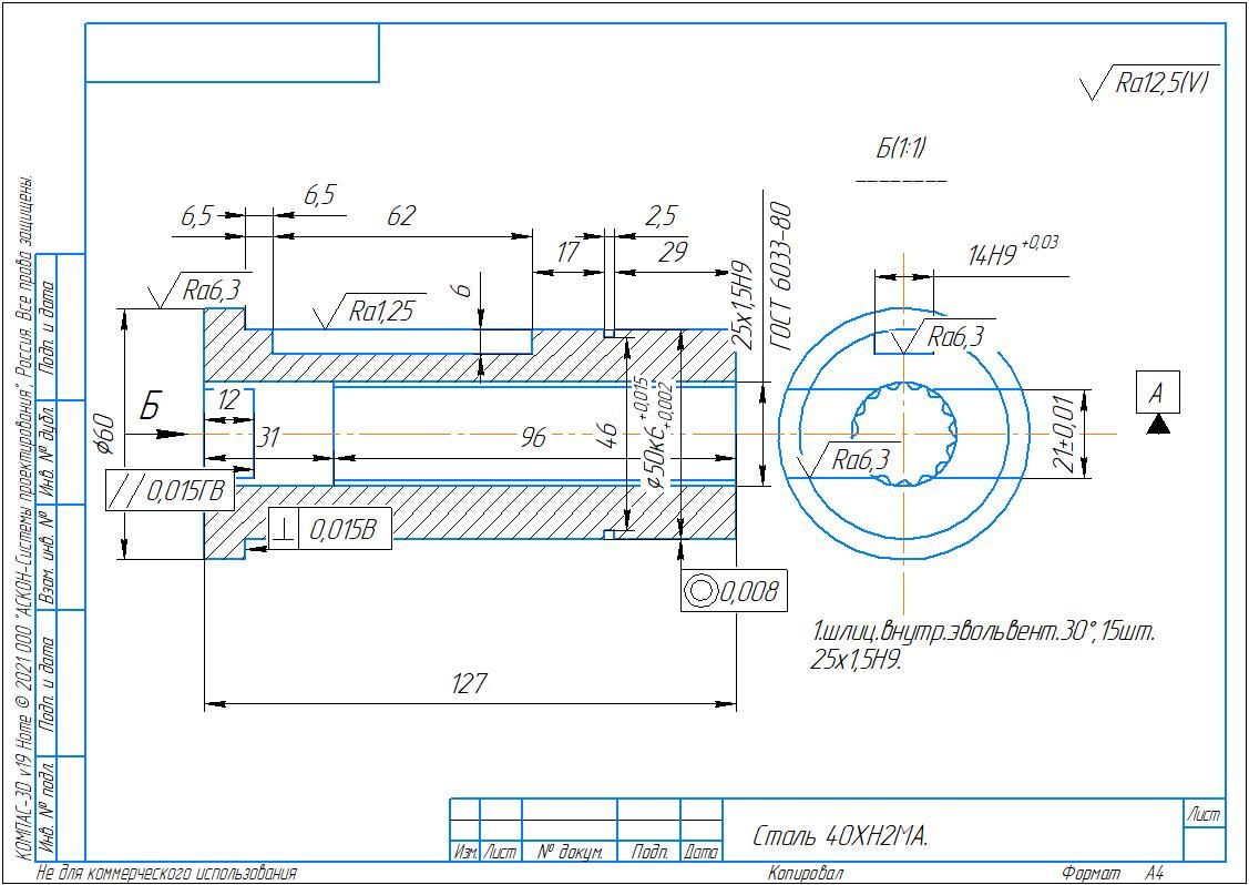
Труба зеркальная нержавеющая AISI 304 30х2 мм - купить в Москве (Сталь-Эксперт)
Труба зеркальная нержавеющая aisi 304 30х2 мм со склада в Москве. Цена указана за метр, тонну, кг. Большой выбор нержавеющих труб AISI 304. Резка в размер, доставка!steel-ex.ru
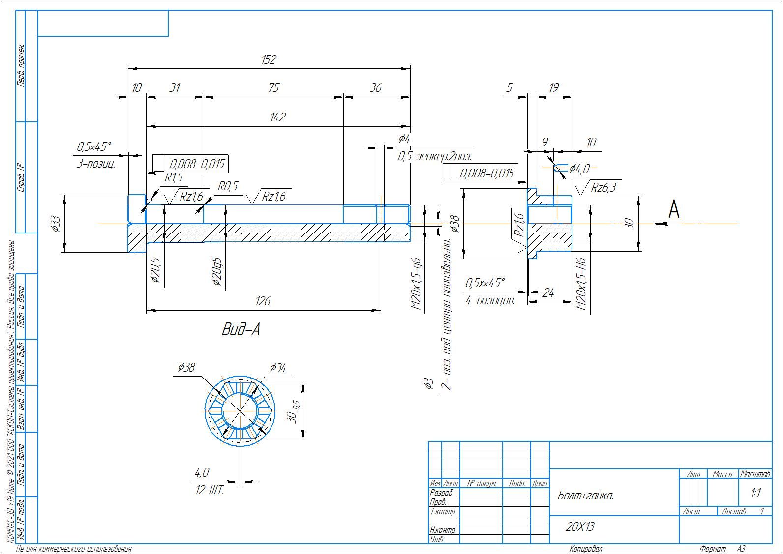
8 шт. Под болт 8мм., Д16тПо шайбам, сколько штук надо?