Токарная,фрезерная обработка,литьё алюминия,оксикарбонитрация

Добрый день! 18-го января отправил заказ, ответа пока нет, возьметесь или нет? Крепление подкоса надо сделать?
 
Так с ходу и не скажешь. Сделайте подробные фото половинок, по отливке несколько вариантов возможны, надо смотреть, выбирать....
вы двигун самопальный хотите сделать или восстановить?
 
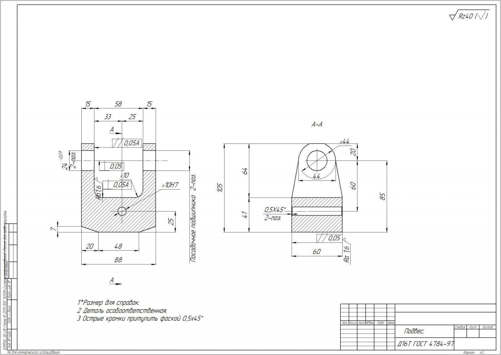
Добрый день! Мне нужно изготопить вот такие хомуты-держатели из Д16т. чертеж прилагаю.
IMG_20200218_111721.jpg
 

Вложения

  • 09.jpg
    09.jpg
    42,2 КБ · Просмотры: 366
  • 009.jpg
    009.jpg
    18,6 КБ · Просмотры: 402
Здравствуйте. Нужно изготоаить деталь из Д16Т. Есть чертеж в Солидвоксе, могу перевезти в Автокад.
Смошите его прочитать? Если да , вышлю. Интересует цена и сроки.
 
Здравствуйте. Сможете ли изготовить палец НГШ на 2Т двигатель. Нар поверхность пальца должна являться беговой дорожкой для роликов. Нар. диам. пальца по всей длинне 22,33. длина его 45мм. Материал обычно идет 12ХН3А или подобное. Цементация на глубину 0,5-0,8 Можно и кучамала азотоцемент. В оригинальном пальце есть внутреннее сквозное отв диам 8. Но! Внутреннее не знаю, делать ли нет. Если при науглероживании и закалке в отв ничего не вставлять(не защищать) то может и практически сплошная закалка пойти. А вдруг хряп случится. Может ну ее нафиг это отв. Но если у вас отработана технология поверхностной закалки а внутри помягче то да. Вобщем это я просто советуюсь, мысливслух, а так то на ваше усмотрение. На крайняк могу попробовать и после твердосплавом попробовать просверлить . Вобщем можно и цельнотелый палец без отв.
 
Приветствую вас. При любых обработках из 13хн3а внутри будет не твердая и вязкая, хряп не должен случиться. Лучше цементацию сделать чтобы на такую глубину... Отверстие не помешает, цементировать внутри ненужно, можно в общем то и потом просверлить и разверткой фигануть чтобы поверхность гладкая была,внутри оне не твердыя будут
 
Да да, по техпроцессу примерно так и предполагал и с вами согласен. Остановимся на варианте без отверстия. Возьметесь ли изготовить?
 
Возьмусь. А еще как бы не лучше из шх15 сделать, как у Дорфмана, на его оппозитнике,заморочек меньше с цементацией и термообрабатывается она прекрасно. Можно и два пальца зговнякать на всяк случай с цементацией и из шх15
 
Возьметесь. Это очень хорошо! Если не возражаете я постучусь в личку штоб не загромождать здесь тонкостями.
 
Назад
Вверх