otto
Я умею их готовить (самолеты!)
- Откуда
- Тверская обл.
Follow along with the video below to see how to install our site as a web app on your home screen.
Примечание: This feature may not be available in some browsers.

Здравствуйте otto, летаю в Крючково около Лихославля, если есть интерес по двс 1krfe то весной можно подъехать и посмотреть,а вот несколько фото.
Добрый день! Сами делали мотораму? Давно в Крючково летаете? Можно ваш номер телефона ( можно в личку)
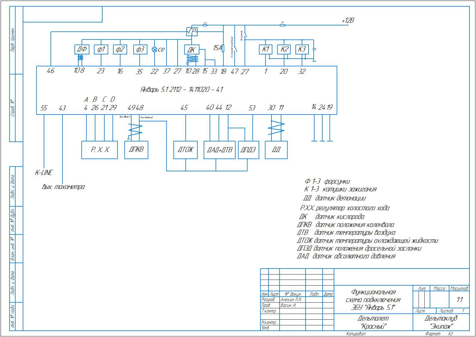
Ну пластик не надо греть, видимо ранее на металлических былоКоллеги! Подскажите. Как все таки обогревается блок дроссельной заслонки на данном двигателе. На моем дв-ле блок др.заслонки из пластика. И входного и выходного патрубка ОЖ я не нашел. Хотя в описании они там есть.
С уважением.
Добрый вечер, не подскажете, вижу впускное отверстие егр заварено?! Как выглядит с другой стороны??? Клапан на месте или заглушки стоят??? Спасибо большое. Я тоже колдую с двигателем))пытаюсь завестиЗдравствуйте otto, летаю в Крючково около Лихославля, если есть интерес по двс 1krfe то весной можно подъехать и посмотреть,а вот несколько фото.Посмотреть вложение 464648Посмотреть вложение 464647Посмотреть вложение 464649