• Вышел новый выпуск программы ФлайтТВ, посвященный современным российским ЮПШ (юношеским планерным школам).
    Видео на Youtube. Ссылки на другие платформы и обсуждение в теме на форуме.

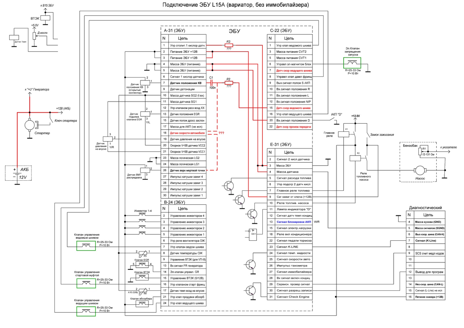
Подключение штатного ЭБУ двигателя Хонда L15A (своими силами)

TPS (ДАТЧИК ПОЛОЖЕНИЯ ДРОССЕЛЬНОЙ ЗАСЛОНКИ):

TPS он же датчик положения дросселя один из основных датчиков для расчета времени впрыска подключен к контакту А-15, провод RED/BLK (красный/черный).
Вот такие показания датчика положения закрытой заслонки для хонды промерили:
1-2 ножки = 0,86 кОм
2-3 ножки = 5,28 кОм

при полностью открытой заслонке:
1-2 ножки = 5,24 кОм
2-3 ножки = 0,86 кОм

Датчик стоит такой JT7H 21128 XEIHIN.

TPS лучше проверять на моторе при вкл зажигании на ножках:
земля,+5 вольт, 0.46-4.4 вольт изменение напряжение должно быть плавным без резких скачков лучше смотреть осциллографом.
Это для инфо.
 
Если у вас есть ответы на вопросы (красным) или я что-то упустил, просьба дополнить/скорректировать.
 
Хорошая информация в одном месте. Спасибо! Для меня правда уже не так актуальна. Тоже пытался обмануть вариатор, вешать резисторы и. т. д. Но очень напрягало большое количество лишних проводов и деталей. А когда подвернулся ЭБУ от механики купил , обманул 1 датчик скорости и всё!
 
Уточнение информации по подключению обманок вариатора:

Ошибка Р1882. Неисправность в цепи электромагнита блокиратора вариатора (инерционный выключатель)
Сопротивление электромагнита блокиратора сопротивление 17-21 Ом
Подключение:
- клемма А4 или А5 разъема РСМ (масса питания) и разъем электромагнита блокиратора вариатора,
- клемма С6 разъема РСМ (управление) и разъем электромагнита блокиратора вариатора.

Ошибка Р1894. Неисправность в цепи клапана управления давлением на ведущем шкиве АКП
Сопротивление клапана равно 3,8−6,8 Ω.
Подключение:
- клемма В24 разъема РСМ и разъем клапана управления давлением на ведущем шкиве АКП,
- клемма С16 разъема РСМ и разъем клапана управления давлением на ведущем шкиве АКП.

Ошибка Р1895. Неисправность в цепи клапана управления давлением шкива CVT
Сопротивление клапана равно 3,8−6,8 Ω.
Подключение:
- клемма В7 разъема РСМ и разъем клапана управления давлением шкива CVT,
- клемма С1 разъема РСМ и разъем клапана управления давлением шкива CVT.
 
Может будет интересна схема подключения, правда обманки на схеме не обозначены. Сделаны в ЭБУ. Но зато видно схема подключения диагностического разьема.

Схема самолета 3.jpeg
 
Схема подключения из книги по авто Fit/Jazz
 

Вложения

  • IMG_2834.jpeg
    IMG_2834.jpeg
    743,7 КБ · Просмотры: 90
Важное уточнение по подключению реле управления топливным насосом (на схеме выше):
Если у вас ЭБУ с иммобизайзером, то контакт Е1
Если у вас ЭБУ без иммобилайзера, то контакт Е10
Вывод управления с открытым коллектором - это значит замыкает на массу при включении.
Второй вывод реле на +12в
 
Подскажите пожалуйста как узнать при покупке блока эбу что он именно от механики и без имобилайзера
 
По маркировке ЭБУ:

ECU 37820-RLC-901
(2206-122185 0117), Хонда "Аирвэйв" без иммобилайзера, вариатор CVT.
ECU 37820-PWC-J74 2004 год с двумя лямбда зондом от вариатора CVT.
Процессор Мобилио ECU 37820-RFA-J54.
Номера ЭБУ от МКПП: 37820-PWC-J01, 37820-PWC-J22.

Значение маркировки:
1) 37820 - номер контроллера на всех ХОНДАх одинаков.
2) P2C, PWC, RLC - тип конструкции контроллера ECU, таких типов у ХОНДЫ пол сотни (50 шт).

3) 901 – номер завода в Японии.
3) J70, J74 - номер зашивки программы контроллера ECU. Программа определяет протокол. обмена с тестером по диагностической шине.
 
Добрый день
Для информации, схема подключения диагностического разъема (выше) проверена на сканере - Delphi DS150e USB+Bluetooth. Все работает, получилось прочитать коды ошибок. Сканер есть в продаже на озоне и авито. Стоит в переделах 4-5 тыс.руб. Но крайне полезен для диагностики.
 
Немного обновил схему:
1. Топливный насос через реле
2. Лампа Drive вторым выводом на массу
3. Управление топливным насосом с Е10

Схема самолета 5.jpeg
 
День добрый .
у меня ЭБУ вот с таким номером. Буду подключать для проверки работоспособности установки. Этот блок с эмобилайзером или нет. Ели с ним то как его обойти?

Screenshot_2025-11-28-08-41-41-426_com.whatsapp.jpg
 
И ещё куда ставить обманки и как.
Я понимаю что нужно их впаять. Но к каким проводам?
В электрике автомобиля не очень сильно разбираюсь. Но хочется научиться.
 
Добрый день
Ваш блок ЭБУ с иммобилайзером.
Иммобилайзер просто блокирует подачу напряжения на топливный насос, это легко обойти, можно запитатть топливный насос напрямую.
Схему подключения обманок нарисую, выложу чуть позже.
 
Двигатель L15 110 ЛС, VTEC
Этот ЭБУ можно на него поставить?
Хочу сделать в авиа двигатель

Screenshot_2025-11-28-08-46-46-573_com.whatsapp.jpg
 
Добрый вечер!
Да, этот двигатель с этим ЭБУ можно сделать.
Выложу результат работы на этих выходных, черновик схемы нарисовал, закончить пока не успел, но многие моменты уже понятны. Например, подключение обманок соленоидов вариатора (выделено зеленым).
По сути осталось разобраться с обманками 4 датчиков скорости.

Схема ЭБУ L15A v2.jpeg
 
Да, можно. Но будет надежнее перепрошить его под механическую коробку передач. Будет сильно меньше лишних деталей и контактов.
 
Добрый вечер
Составил табличку по оборотам и частотам сигналов.
Прямая коммутация разных датчиков вызывает сомнения, так типы датчиков разные и частоты разные.
Возможно работать будет, но не факт что корректно.
В идеале нужно сделать имитацию сигналов нужной частоты.


Датчики скорости ЭБУ на ходу (частоты на скрости 144 км/ч и оборотах 4000 об/мин)
Контакт
Название датчика
Тип датчика
Напряжение сигнала датчика, В
Где стоит датчик
Коэф-т понижения оборотов
Обороты вала, об/мин
Кол-во зубьев на диске, шт
Частота сигнала датчика, Гц
Ошибка ЭБУ при отстутсвиисигнала
А-7
Датчик положения коленвалаХолла (цифровой)
5,0В
Двигатель
1,00
4000
13
867
P0335
А-26
Датчик ВМТ распредвалаИндуктивный
0-5В
Двигатель
2,00
2000
5
167
P0340, P1362
С-7
Датчик скорости ведущего валаИндуктивный
0-5В
АКП (обманка)
1,00
4000
30
2000
P0715
С-15
Датчик скорости ведомого валаИндуктивный
0-5В
АКП (обманка)
0,55
7273
30
3636
P0720
С-22
Датчик промежуточного вала АКПИндуктивный
0-5В
АКП (обманка)
1,32
5510
14
1286
P1730, P1730
А-18
Датчик скорости авто (4000 имп. на 1 км)Холла (цифровой)
5,0В
АКП (обманка)
4,40
1252
8
167
P0500
Скорость авто, КМ/Ч
144
 
Назад
Вверх