Токарная,фрезерная обработка,литьё алюминия,оксикарбонитрация

День добрый. Нужна шайба из оргстекла 2 шт. Нужно вчера. Спасибо.
 

Вложения

  • Steklo_004.jpg
    Steklo_004.jpg
    7,6 КБ · Просмотры: 256
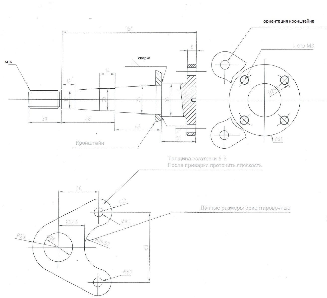
Здравствуйте! Можете изготовить вот такие цапфы (две) с кронштейном тормозного суппорта?
 

Вложения

  • capfa_s2.jpg
    capfa_s2.jpg
    98,6 КБ · Просмотры: 262
Добрый день! Сможете изготовить такую деталь из материала Д16Т (в крайнем случае АМГ)? Внутренний диаметр 60 мм, максимальный размер 90-95 мм. Если сможете, то я перешлю файл в солид-ворксе.
 

Вложения

Нужна нормализация Подкосов моторамы ст.30ХГСА изготовленны сварены.
 
моторама ст.30ХГСА изготовленны сварены. Александр CVM67@yandex.ru
Вехнии подкосы размерами примерно ЯК 52 Н-400, L-600mm, туба 27х1,5
 
Она что плоская? а где третий размер? Давайте поточнее , потому как печь имеет ширину длинну и высоту.
 
Y образное изделие, два луча сварены из труб диам 27мм , длинной 600мм , между лучами на концах 400мм .
Дайте электронку сброшу фото.   
 
Можно ли 2 детальки заказать по десятку из дюраля и прутка нержавейки шестерки, .dwg автокадовские файлы прочитаете? Если да то адрес сбросить файлы пришлите.
 
Назад
Вверх