Авиамеханик№1
Himmel uber alles!
Коленвал от УЗАМ-3318 вполне годится для авиационного двигателя. Нужно только его облегчить., спилив противовесы  Цилиндры брать 100 мм от ГАЗ. Получится оппозит объемом 2,4 л ( 1000х80 мм)
				
			Follow along with the video below to see how to install our site as a web app on your home screen.
Примечание: This feature may not be available in some browsers.
Только не вздумай приглашать сюда г-на Нал..на из Добрянки.Нужно бы сюда подтянуть аэро-лодочников , они тоже хотят иметь недорогую и надёжную ВМУ . Для авиации больше ответственности . Для лодок может кто начнёт делать, наработка будет глядишь и в авиацию перекочует.
 
					
				Позвольте спросить - а чем это он вполне годится, если все равно предлагаете половину спилить?Коленвал от УЗАМ-3318 вполне годится для авиационного двигателя
Простой калькулятор позволяет узнать, что объём будет чуть больше, чем 2,5 литраКоленвал от УЗАМ-3318 вполне годится для авиационного двигателя. Нужно только его облегчить., спилив противовесы Цилиндры брать 100 мм от ГАЗ. Получится оппозит объемом 2,4 л ( 1000х80 мм)
Там же жуткие потери! И наверно невозможность обеспечить высокие обороты. Поэтому гидрообьемная трансмиссия используется только на тяжёлой строительной техникеКто-нить слышал о практическом использования гидродвигателей для привода воздушного винта ?.. Вот тут набрел на ссылку-форум , где это обсуждалось ..
Трансмиссия для привода воздушного винта
Для создания аэроглиссера необходимо подобрать г.мотор и регулируемый г.насос.www.chipmaker.ru
Здесь обзор гидродвигателей..

Гидродвигатели. Типы. Характеристики преимущества и недостатки.
Статья, написанная тех. специалистом на тему гидравлических двигателей. В статье подробно описывается устройство, принцип работы, схемы и типы гидродвигателей.www.rg-gidro.ru
Простой калькулятор позволяет узнать, что объём будет чуть больше, чем 2,5 литра
И мощность около 70 сил на 2800 оборотах. И зачем нам это, когда с коленвалами
с ходом 92 от ВАЗ или УМЗ мы даже с поршнями 100 мм получим около 2,9 литра?
Нам надо без редуктора. А 2800 и ВАЗовский будет вполне надёжно крутить...У ВАЗА слабый коленвал! А у москвичевского обороты будут до 5500 и мощь вовсе не 70 сил, а более 100. Но придется ставить редуктор
P.S.
Стараюсь не терять время зря - прослушал и посмотрел вебинар (семинар через интернет) по двигателю Ротакс 912 на тему срока его службы, очень познавательно было. Оказывается фирма Ротакс проводила конкурс на двигатель с самой большой наработкой без ремонта. Выиграл двигатель с наработкой больше 4000 часов! В качестве приза хозяин получил бесплатно новый двигатель. 😍
Собрался ложиться спать и решил проверить почту еще разок, а там сообщение - паренек и девушка из нашего отделения ЕАА, выигравшие в конкурсе на стипендию для обучения на частного пилота, сдали практический экзамен и получили лицензии частных пилотов. Растет молодая смена! 😀
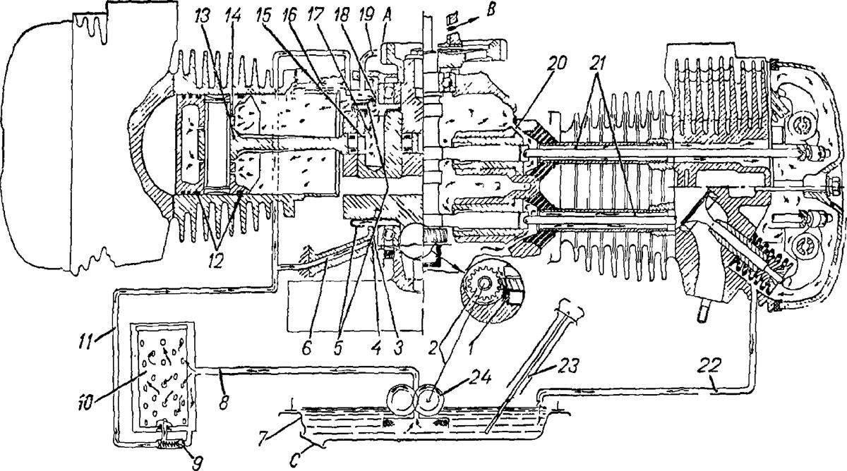
При верхнем распредвале через что стекает масло из головок?Расположение
распредвала как сверху, так и снизу коленвала возможно и может быть
выбрано, исходя из компоновочного решения картера.
Ни высота головок, ни Ваши личные предпочтения значения не имеют 🙂...Мне даже нравиться оребрение 544-го, но третья шпилька оказалась большой помехой...
...Головки цилиндров, хоть и идентичные на вид, различаются по размеру. Нам важнее высота, в данном случае...
Две свечи имеют смысл если одну не получается "засунуть" в середину цилиндра.У головки цилиндра ГАЗ-544 одно отверстие для инжектора,
куда можно установить свечу зажигания.
С противоположенной стороны головки сделать дополнительное отверстие не позволяет
шпилька крепления цилиндра.
С пропеллером полтора метра - это одноместный самолёт. Если двухместный, то только с бетонки. С полей взлетать будет тяжко. Нужны обороты поменьше и винт побольше. Вы же сами знаете.Получаем двигатель 3.5L мощностью 100 л.с. При 2800 об/мин
На головках ГАЗ-542/544 у Вас не будет выбора. Распредвал получется только сверху. Впуск снизу. Автомобильный карб уже не поставишь.Расположение
распредвала как сверху, так и снизу коленвала возможно и может быть
выбрано, исходя из компоновочного решения картера. Мне больше
понравилось расположение снизу, как у Конти.
Наверное из двух горизонтальных половинок?Картер из двух вертикальных половинок
кажется проще в изготовлении. Неудивительно, что две конкурирующие
фирмы пользуются именно таким.
Стекает через маслоканал. Как и на мотоцикле УралПри верхнем распредвале через что стекает масло из головок?
И кстати как подаётся?
У меня в начале 90-х была ВАЗ-21093 с длинноходовым КВ и укороченными поршнями.Здравствуйте ! Очень интересно ! Я себе на свой Святогор поставил спортивный распредвал для "низов" - могу трогаться с места на 2-ой (чего конечно не делаю регулярно, только если застрял в грязи или снегу). Про коленвал с увеличенным ходом слышу впервые ("чайник" же ))). Можно в личку подробнее и делаете ли сию?
На картинке подаётся через кожуха толкателей. Те смазка без давления. Самотёком. Это на ротаксе через толкатели.Стекает через маслоканал. Как и на мотоцикле Урал


Подаётся через толкатели и штанги.
Отвечу, хоть тема и не про Урал. Что Вас интересует, есть в свободном доступе 🤫Слив значит будет через отдельную трубку изрядного сечения с каждой головки. Кому то тут у ротакса- много кишок казалось...
Я в курсе, что у Д-144 и ГАЗ-542/544 таких отверстий нет.Надеюсь поклонники оппозитов про эти отверстия в курсе 😉