Конструкция редукторов, виды в разрезах и сечениях

А она не лопнет по вдоль с такими пропилами ?

шестерня.JPG
 
По первому вопросу.Производить ремкомплекты.Как запустится токарный ЧПУ,немного разгрузка будет по токарке и тогда все возможно.
По пропилам. Здесь без вариантов.Если не менять редукцию.Но цементация не напроход,внутри валик максимум 36единиц.Проверим
 
И я так думаю. Может Вам озаботится над выпуском ремкомплекта?
Ребята, вы чуть не в теме. Саше бы озаботиться совсем другими вещами, чтобы делалось и отправлялось то что заказано. Он перегружен, только я жду около 40 редукторов скоро полтора года. Организовать полный цикл производства на базе старых станков, нехватки кадров, дефицита запчастей к оборудрванию и комплектухи к редукторам, дурной правовой базы, НИЗЗЯААА на каждом шагу - это огромный труд.
 
А она не лопнет по вдоль с такими пропилами ?
Лопнет и вероятно уже при посадке на конус , а если переживёт процесс посадки на конус
тогда развалится на взлёте на максимальном режиме - газ в пол .
 
Лопнет и вероятно уже при посадке на конус
Ну вот можешь ведь умные вещи писать!
Да же если нагреть и на конус закинуть. То все равно лопнет от нагрузки.

А Чернову похоже совсем наплевать, что по его "чертежу" может кто то просто убиться.
И еще я ведь технически безграмотный. Но вот только "двух умных" по имени Александры хочется научить. Что допуск на термообработку 40-42 обычно не ставят. И если это улучшение, то допуск 37-41. А если закаливание, то будет выше 42. И страшновато становится с такими "профи" в изготовлении редукторов.
 
сидит на притертом конусе.

Александр, не последовательны ты человек. Совсем недавно ты очень громко кричал, что притирать конус это полная безграмотность. Картинки красивые в этой ветке выкладывал. Очень грамотным себя выставлял, что это делать нельзя категорически!
Ай а, что вдруг изменилось?
Или это как со шлицем. Ты меня несколько лет в этом выставлял дураком. А тут вдруг сам шлиц делать начал? Когда утомило сломанные штифты менять.
Не постоянный ты человек!
Ну раз ты не отвечаешь на вопросы по поводу как в своей сборке ты умудряешься растачивать корпуса за одну установку.
Понятно, что ответа нет. Это могут сделать только " механические гномики" которые залазят во внутрь и дерут посадки под подшипники😀.
То хоть ответь. Куда пропало стеклышко для контроля масла. Которое ты подсмотрел у меня.
Могу заранее ответить сам. Наверное очень сильно начало протекать!
 
Последнее редактирование:
.Как запустится токарный ЧПУ,немного разгрузка будет
Не будет 🤣 .
У тебя первый станок с системой (ЛИНУКС). А второй (ДОС) по написанию программ. Специалисты совсем не дружат друг с другом.
Кто тебе все это советует?
Я заранее запасаюсь попкорном!
 
Ну раз ты не отвечаешь на вопросы по поводу как в своей сборке ты умудряешься растачивать корпуса за одну установку.
Понятно, что ответа нет. Это могут сделать только " механические гномики" которые залазят во внутрь и дерут посадки под подшипники

Не тупи Кулаго Иваныч - эх , каб ты цёмен ни быу и чертёж паняць мог ?
Весь Корпус элементарно растачивается с одной установки и в сборе .
Выкручивай шуруп из черепа - которым ты в армии фуражку крепил , а то вероятно он
заржавел дауно и замыкает мысль на череп ?
P/S

Иваныч , ты понял ща откуда пошло выражение : Гэты хлопец вааще не Шурупит .
С попкорном подвязывай - америосы кукурузу удобряют отходами из городских канализаций и
так гордятся таким технологическим прорывом , што выставили на дискавери кино по теме этой .

ПрА - то как и што работает намалюю в ближайшее время
Как взрываются корпуса редукторов и выпрыгивают за борт .
 
Последнее редактирование:
О цементации я пишу по поводу валика на фото. Если конкретно о нем говорить,то использована сталь 12ХН3А
Разве на чертеже про цементацию сказано? Для 45й стали достаточно 42 единицы?Сам чертеж выполнен правильно?
 
Скажу даже больше.Для своих шестерен,валов ВСЕ чертежные (свои) стали я могу подтвердить накладными и это гарантирует получение требуемых параметров в термообработке .
Ни Вы,ни любитель иллюминаторов это не сделаете и потому все,что сделано на стороне-не более чем ст3. Докажите обратное
 

Вложения

Александр, а Вы не хотите разделить ветку на РУДУКТОРЫ ЧЕРНОВА и РЕДУКТОРЫ ZLINOVа?
Супер следящие, это сделают с удовольствием, поскольку именно за этой веткой они не смотрят. Или смотрят, с закрытыми глазами.
ИМХУ
 
У Вас разные подходы, разные решения, по всей видимости.
Но, ни у одного нет сайта, чтобы ознакомится с продукцией.
Ошибаюсь?
А нельзя наплевать друг на друга забыть?
 
Разве я на кого-то плюю?Или говорю что-то не по теме?
Я в этом году не стал продлевать оплату официального сайта.Его надо постоянно обновлять,но производство отнимает все время.
Расскажите поподробней про разные подходы? На свои редуктора в торговой палате я получил сертификат производителя на два типа редукторов. там все подробно расписано-штатное расписание,станки,материалы,техпроцесс. Это все подтверждается документами .Все это без привлечения сторонних организаций.
Если я пишу о своей цементации, то указываю и контролирую все-как закладка деталей идет,как обмазка,температура,выдержка,термообработка,отпуск.В ящике присутствует "свидетель" на каждую партию.

Не надо других веток. Пишите в этой,но про себя.И если считаете что ваша нитроцементация самая лучшая-подтвердите не дружбой с начальником цеха, а чем то иным. "Брынза не бывает второй свежести"
 
Разве я на кого-то плюю?Или говорю что-то не по теме?
Так кто же это говорит?
Не надо других веток. Пишите в этой ,но про себя. И если считаете что ваша нитроцементация самая лучшая-подтвердите не дружбой с начальником цеха, а чем то иным. "Брынза не бывает второй свежести"
😀 😀 😀 Александр, так Вам со Zlinovым и еще одним, сам процесс нравится?
Вам почему не нравится история, открыть ветку о своем редукторе?
Zlinov откроет ветку о своем.
Пересекаться не будит.
Срачь, никто читать не будет.
Конструктив будет только по конкретному изделию.
Появится ясность, кто, что и как делает.
Или Вам сам процесс нравится?😀😀😀
Должен отметить, что некоторые м.. раторы, смотрят на это уже 12 лет. я не про модераторов.
 
Уважаемый Маяк! Я не собираюсь вести с Вами полемику на отвлеченную тему.
Вы в ветке спрашиваете
Господа специ по шестерням. Обращаемся к вам..
Редуктор Rotax B 2:58 | REAA
Я дал Вам расширенный ответ,рассказал как проблема решается.
Показал не на словах,а в деталях готовое решение,дал чертеж. Чертеж,в котором конструкторское решение вопроса. Выбирай метал,термообработку,делай. Какой ответ Вам нужен был? Вы советуете мне уйти в другую ветку.
ЗАДАЛ КОНКРЕТНЫЙ ВОПРОС где в чертеже сказано про цементацию? Правильно ли указана твердость ст.45?
конкретный вопрос про различные подходы?ЭТО КАК? Вместо ответа-демагогия.
 
Сдается мне,что там нет цементации. Штамповка плюс термообработка. Слишком затратно для них проводить цементацию.

Шестерни ROTAX твёрдость верхнего слоя HRC 60 + , внутрення часть - твёрдость по HRC плавно уменьшается от поверхности .
Цементация там или АЗОТ - эт энтузиасты могут отдать и проверить в лабораториях .
Если фирма изготавливает шестерни методом горячей штамповки - цементация или азот для них эт вааще не проблема
и затраты азота на одно изделие там вааще мизер от ценника изделия .

Теперь от этой технологии ушли. Мне делают шестерни в другом месте и используют нитроцементацию. Она на порядок лучше .
Да, она дороже. Но и шестерни, что делают мне, с твоими поделками сравнивать да же не стану. У меня точность по 6 му квалитету выполнена. Да, дорогие выходят. Ну так у меня все остальное не дорогое. И площадь своя и оборудование.

Кулаг Иваныч , какая цена редукторов на рынке России остановит и твоё производство -
при ценнике редукторов в 400 $ ты тож на покой пойдёшь или ещё подёргаешься ?
 
Александр, не последовательны ты человек. Совсем недавно ты очень громко кричал, что притирать конус это полная безграмотность. Картинки красивые в этой ветке выкладывал. Очень грамотным себя выставлял, что это делать нельзя категорически!
Ай а, что вдруг изменилось?

Кулаг Иваныч , твой моск опять напутал мягкое с тёплым .
Табе пытались объяснить , что твои конуса в редах проворачивает по простой причине -
ты и ща понятия не имеешь как посадить на конус и чтоб его не провернуло .


Или это как со шлицем. Ты меня несколько лет в этом выставлял дураком. А тут вдруг сам шлиц делать начал? Когда утомило сломанные штифты менять.

Иваныч , да ты самый умный - только шлицами заменили посадку на конус и пальцы они никуда не пропали .
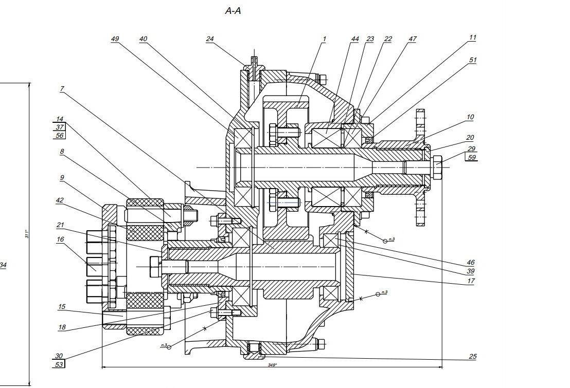
Ты хоть глянь на чертёж перед тем как оперу написать .

P/S
Кулаг Иваныч , я в два клика мыши сделаю любой твой ред по себестоимости как минимум дешевле на 100$

Помогаю недорого - сотка в минуту .
 
Если взять в расчет, что ты не отвечаешь как растачиваешь еще и сам редуктор. А расточка нужна только на проход по обеим осям. В твоей схеме тебе нужно снимать крышку для этого. Но это уже не совсем хорошо. А у меня есть предположение, что ты делаешь расточку с переустановкой.

Кулаго Иваныч , ну , што ВАШ-И нейрон так тупит по жизни .
На чертеже яснА намалёвана и даж же любой прапор из хозвзвода РВСН СССР сразу на чертеже видит ,
што там НАМАЛЁВАНА вставка или дополнительный корпус под подшипник с фланцем под N 11 .
Панял - Нипанял ?


Есть только один вариант в этом случае. Делать все это лично самому. Тогда еще можно, что то пытаться получить. Но в этом случае. Ты просто себя уничтожишь физически. Возраст уже не тот. Да и серийности не получишь. Или можно вложиться в современное оборудование. Переманить к себе настоящих специалистов. И тогда конечно можно добиться результата.
Но первое ОЧЕНЬ дорого стоит. Вторые побояться идти, не пойми куда! Так как там где работают, очень хорошие деньги зарабатывают.

Тут ты Иваныч попал в больную точку с кадровым вопросом - и к тебе тож не идут по такой-же причине .
С кадрами да , реальный напряг и на производствах ВПК им платят за произведённую продукцию - сделка .
Чернов платит тариф за ЧАС работы и по факту чем больше объём работы выполняет рабочий - тем меньше денег он получает с каждой единицы .
Типа рабский вариант капитализма с коммунистической идеологией из СССР .



Я тебе не завидую, Александр! Мне порой тебя просто жалко! Жизнь очень короткая!
Иваныч , а кто тебе сказал , что твоя жизнь короткая ?
Каким грехомеромЪ этот лектор от религии измерял длину взлётки твоих жизней ?
Фото прибора в студию !


корп.jpg
 
Последнее редактирование:
Назад
Вверх