Отказ двигателя ЯК-52 после прогрева

Меня заинтересовало постепенное падение давления топлива. Очень похоже на аэрацию топлива, возможно - в этом причина. Лет сорок назад, у меня был похожий случай. Несколько иные симптомы - но похоже. Тогда только начинали эксплуатировать Як-52е и я долго не мог понять в чём дело, но нашёл. Тогда, внутри компенсационного бачка, по сварному шву, оторвалась трубка. Возможно - Ваш случай. Чудес не бывает. Вашу проблему можно выяснить, только проверяя и исключая, даже самые нелепые предположения. Удачи.
 
Меня заинтересовало постепенное падение давления топлива. Очень похоже на аэрацию топлива, возможно - в этом причина. Лет сорок назад, у меня был похожий случай. Несколько иные симптомы - но похоже. Тогда только начинали эксплуатировать Як-52е и я долго не мог понять в чём дело, но нашёл. Тогда, внутри компенсационного бачка, по сварному шву, оторвалась трубка. Возможно - Ваш случай. Чудес не бывает. Вашу проблему можно выяснить, только проверяя и исключая, даже самые нелепые предположения. Удачи.
Доброго дня. Уточните пожалуйста, как вы вышли на эту трубку? Т.е. каким образом определили повреждение и главное, как расшили бачок? Потом восстановили бачок или просто заменили его? Заранее благодарю за ответ. Я паралельно с Генджали восстанавливаю второй борт который также простоял в ангаре более 25 лет, без должной консервации и конечно, все трудности с которыми сталкивается Генджали, мне интересны т.к. есть вероятность, что я с ними тоже столкнусь.
 
Спасибо за ответ,
но я очень извиняются,
если ДАЖЕ проблема была бы в генераторе или аккумуляторе (которые вы упомянули), то как они могут влиять на отказ двигателя?

Даже если выключить АЗСы аккумулятора и генератора - то САМ ДВИГАТЕЛЬ всё равно должен продолжать работать за счёт выработки тока от магнето - искрообразование на свечах то будет даже БЕЗ акума и генератора.

Проще говоря для работы авиадвигателя типа М-14П, АШ-62 (и им подобных) - после запуска, им генератор и аккумулятор уже НЕ нужны.
(не беря в расчёт работу: укв, спу, паг, сигнализаторы, пт, приборы, арк, гмк и т.д - которые ДА - откажут )

Или я что то путаю?
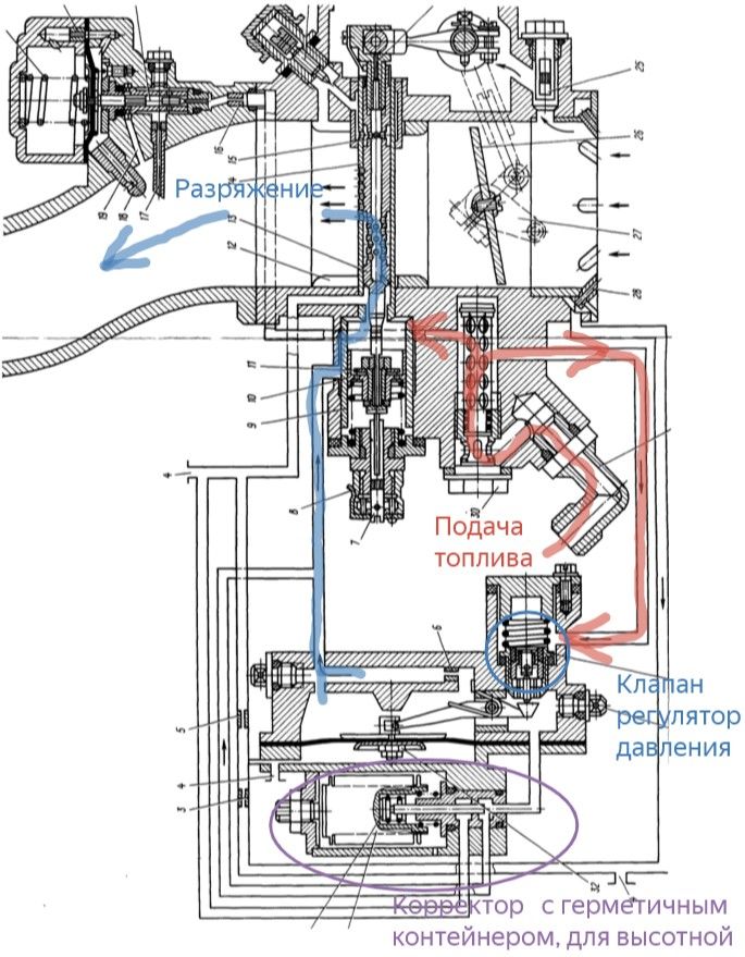
Судя по чертежам, в карбюраторе стоит вакуумный мембранный регулятор давления - должен работать без насоса (самотёк подразумевает кое-никакое, но давление). Возможно помпа приемистости будет работать не штатно при перегазовках, из-за малого давления.

Нет там "Вакуумного мембранного регулятора"
Есть анероидная коробка высотного корректора.
 
Нет там "Вакуумного мембранного регулятора"
Есть анероидная коробка высотного корректора.
Категорически утверждать не буду, но по схеме стоит именно он.
123.jpg
 
Доброго дня. Уточните пожалуйста, как вы вышли на эту трубку? Т.е. каким образом определили повреждение и главное, как расшили бачок? Потом восстановили бачок или просто заменили его? Заранее благодарю за ответ. Я паралельно с Генджали восстанавливаю второй борт который также простоял в ангаре более 25 лет, без должной консервации и конечно, все трудности с которыми сталкивается Генджали, мне интересны т.к. есть вероятность, что я с ними тоже столкнусь.
Очень просто - штуцера выкручиваются, и всё видно. При демонтаже были слышны посторонние звуки внутри.
 
Здравствуйте все! Была такая проблема на Як-52. Долго искали. Поменяли оба магнето и всё заработало без отказов. Вот такие эти магнеты загадочные. Попробуйте. Только ставить нужно исправные магнето а не с хранения.
 
Ну, что случилось? Двигатель списали? Искать - найти!
Всем доброго дня.
Извиняюсь перед всеми, что не отписывался какое то время - не хотел никого вводить в заблуждение или к новым думкам пока не получу подтверждение.

Коротко пока ситуация токая - В прошлую субботу, после очередного отказа двигателя после прогрева, СНЯЛ "топливный фильтр тонкой очистки" и запустил двигатель БЕЗ НЕГО - бензин подавал прямо в бензонасос (запускаться прямо от карбюратора чтобы максимально сузить круг поиска - наш авиатехник в никакую не резрешил ссылаясь на вероятность пожара).
В результате этого: Отказа двигателя НЕ ПРОИЗОШЁЛ - даже при прогрева головок цилиндров УЖЕ до 210 градусов ПО НЕСКОЛЬКО РАЗ.
Выгнали также на поле и погоняли - отказа НЕ произошло (давление бензина ниже отметки 3 (0.3) не опускалось, температура масла 60-65-70, обороты 98% приёмистость отличная, магнето 1, 2, 1+2 работа стабильная, тряски нет, при изменении шага винта - проблем нет, температура наружного воздуха +30/+32.

На аэродроме заниматься бортом могу по субботам - сегодня не получилось перезапустить, сжатый воздух закончился.

Буду запускать ещё раз, также без фильтра тонкой очистки но уже из основных топливных баков, чтобы ещё раз убедиться что без этого фильтра отказы не происходят - и особенно получить подтверждение по другим совокупно связонным подозрениям относительно отказов.

Бог даст убежусь и всё подтвердитсья - попорядку здесь отпишусь. Думаю кое что начинает прояснятся слава Богу.
 
Обратка без пузырей идёт?
Пузыри, на собранной из прозрачного шланга для обратки - множественные промежуточеые сантиметров 5-10 каждая, движутся в правильном направлении - даже незнаю называть ли это пузырями - скорее всего это похоже на испарение или завоздушивание/подсос какой то.
При повторном запуске НО после полного удаления фильтра тонкой очистки - такое не наблюдалось.
 
Вот и ответ. Кипит топливо.
Фильтр тонкой очистки моется в УЗ ванне. Особенно после работы на автомобильном бензине.
 
Мой знакомый достал фильтр, сетка 16 микрон от сушки какой то, поставил на машину. Машина через 30 км встала. Естественно танцы с бубнами, пляска на пол часа. Дошёл до фильма, раскрутил его, а там шуга, мелкие льдинки забили сетку намертво. В общем коварная штука оказалась. Всё бы хорошо, только бензин был левый и погода резко поменялась на -20.
 
Всем доброго дня.
Извиняюсь перед всеми, что не отписывался какое то время - не хотел никого вводить в заблуждение или к новым думкам пока не получу подтверждение.

Коротко пока ситуация токая - В прошлую субботу, после очередного отказа двигателя после прогрева, СНЯЛ "топливный фильтр тонкой очистки" и запустил двигатель БЕЗ НЕГО - бензин подавал прямо в бензонасос (запускаться прямо от карбюратора чтобы максимально сузить круг поиска - наш авиатехник в никакую не резрешил ссылаясь на вероятность пожара).
В результате этого: Отказа двигателя НЕ ПРОИЗОШЁЛ - даже при прогрева головок цилиндров УЖЕ до 210 градусов ПО НЕСКОЛЬКО РАЗ.
Выгнали также на поле и погоняли - отказа НЕ произошло (давление бензина ниже отметки 3 (0.3) не опускалось, температура масла 60-65-70, обороты 98% приёмистость отличная, магнето 1, 2, 1+2 работа стабильная, тряски нет, при изменении шага винта - проблем нет, температура наружного воздуха +30/+32.

На аэродроме заниматься бортом могу по субботам - сегодня не получилось перезапустить, сжатый воздух закончился.

Буду запускать ещё раз, также без фильтра тонкой очистки но уже из основных топливных баков, чтобы ещё раз убедиться что без этого фильтра отказы не происходят - и особенно получить подтверждение по другим совокупно связонным подозрениям относительно отказов.

Бог даст убежусь и всё подтвердитсья - попорядку здесь отпишусь. Думаю кое что начинает прояснятся слава Богу.

Ну Вы даёте... Я думал что полное обслуживание(замена/чистка фильтров и тп) были сделаны до начала запусков, после такого длительного хранения...
 
Сегодня удалось опять поехать на аэродром.

Так как в пршлую субботу после снятия фильтра тонкой очистки отказ двигателя не случился - сегодня решил погонять подолше также без фильтра.

К сожалению опять отказ - даже без фильтра (теперь перед отказом: давление бензина 0.3, давление масла 4, температрура головок 190-200, шприч в магестраль не пустой прокачивает но бессмысленно, обороты рудом до 50-60% далше чихает и пытается заглушится если не вернуть обратно, магнето 2 - падение с 70% на 60%; магнето 1 падение с 70% на 55% ). Авиатехники опят винят наш автобензин.
Менять магнето и пробовать - авиатехники пока не соглашаются.

Пока приостанавливаю что то пытаься делать со своим бортом. Буду ждать когда товарищ запустит свой борт, смотреть и оттуда уже если Бог даст отталкиваться и думать что делать дальше.

Всем большое спасибо за поддержку.
 
Ну Вы даёте... Я думал что полное обслуживание(замена/чистка фильтров и тп) были сделаны до начала запусков, после такого длительного хранения...
Промывали тщательно с планами заменить на новые перед первым полётом - но пака не судьба и дело даже оказалось не в нём.
 
Промывали тщательно с планами заменить на новые перед первым полётом - но пака не судьба и дело даже оказалось не в нём.

Решить бензин это или нет займёт полчаса. Не ужели у вас никак нельзя найти пару канистр авиационного бензина?
 
В фильтре не может быть дело, там клапан специальный есть, если фильтроэлемент забивается и перестает пропускать бензин , то он открывается и бензин напрямую поступать начинает.
 
Решить бензин это или нет займёт полчаса. Не ужели у вас никак нельзя найти пару канистр авиационного бензина?
Авиационного бензина у нас вообще нету, чтобы проверить ярое мнение наших техников.

Я лично сомневаюсь, что проблема напрямую связанно с бензином - бензин для меня пока что это косвенная причина, но не основная. Для меня круг поисков сузился в районе магнето и всё что связанно с ними.

Меня вводит в сомнения теория про бензин, потому что АН-2 с двигателем АШ-62 у нас же летают на нашем же автобензине.
Двигатель там тоже звездообразный, 9 цилиндровый, поршневая, впускная-выпускная система, клапанная система, зажигание - ключевые моменты по устройству двигателя всё почти как на МП-14П Як-52го. Они очень похожи по устройству!!!.
(Одно из серьёзных отличий у АН-2 баки расположены, да, высоко и объём сливаемого топлива намного больше + самотёк сильнее - давка бенза больше. Но, всё же???)

Бог даст, сейчас товарищ запустит свой борт - будет всем ясно.
Если у него проблем не будет - то только так смогу убедить техников что бензин не прямая причём и чтобы они начали заниматься магнето, если не дай Бог у товарища 1в1 будет то с чем я столкнулся - тогда техники будут правы про непригодность нашего автобензина.

Пока только жду - Бог даст скоро проясниться.
 
Назад
Вверх