Радиостанция БРИЗ

Немного поэкспериментировав сетку можно сделать не 25, а 18 кГц.
Ну, наверное не 18, а 8.33  😉. Только вопрос ведь не только в самой частоте. Там полоса значительно уже, слишком многое перестраивать придется. Или будете создавать помехи соседним каналам на передаче и ловить чужое на приеме. Оставьте лучше родные 25  :🙂
 
Да, конечно 8,33, правда не знаю нафик такой шаг нужен - я для примера привел, что можно много чего модернизировать.
 
Здравствуйте.
Подскажите пожалуйста, чем отличается Баклан-5 от Бриз?

Ну, наверное, тем, что это разные станции  😉. А так - Баклан немного больше по габаритам, немного тяжелее, прожорливее и немного мощнее на передачу. Пульт только отдельно - единым блоком, как Бриз, не делались.
 
Ясно.
Но вопрос в другом.
По факту установлена р/с Бриз. В формуляре на планер указана р/с Баклан-5. Записей о замене Баклан-5 на Бриз пока не нашли.
Я хочу переоформить разрешение на бортовые радиостанции. Если в заявке я укажу Баклан-5, а по факту установлен Бриз как к этому отнесётся Росавиация?
 
Ясно.
Но вопрос в другом.
По факту установлена р/с Бриз. В формуляре на планер указана р/с Баклан-5. Записей о замене Баклан-5 на Бриз пока не нашли.
Я хочу переоформить разрешение на бортовые радиостанции. Если в заявке я укажу Баклан-5, а по факту установлен Бриз как к этому отнесётся Росавиация?

А кто мешает просто получить разрешение на Бриз? И вписать его в формуляр?

Ну, или поставить Баклан  🙂. Найти его сейчас несложно. Но оформить бумаги на Бриз проще.

P.S. Планер - это планер самолета? Или реально планер, который безмоторный? Если второе - зачем там Бриз?  😱
 
Для начала проверь цепь тангеты, провод 17, от кнопки до ШР станции и надёжность контакта её с массой. Если эта цепь в порядке, далее уже надо лезти проверять блок питания, описание выше стр.3 листы 028-029, схема стр2 листы 26-27, верх няя цепочка R6, 3-Т3, 3-С3, Т4, R14, Д6, Д7. Здесь уже нужен спец. Я сам тоже туда не лазил. Это стабилизатор 14V и если он не включается и их не выдаёт, то и режима передачи не будет, соответственно и 5V на микрофон тоже не будет. Вообще-то я это напряжение не замерял ни разу, небыло необходимости, но точно помню, что для 04УН040 гарнитуры нужны именно эти 5V, и значит быть они там должны.
Прошу Вас поделится схемой подключения р. станции Бриз.
 
Коллеги, прошу помощи с Бризом.
Станция не слышит микрофон. Гарнитура в порядке.
При нажатии на тангету станция переходит в режим передачи, но в эфире тишина.
ЧТо могло выйти из строя в станции?
 
Думаете так просто ,,отремонтировать,, р/ с по Вашему сообщению?
Досталась с дефектом, поломка при работе,.переполюсовали...?
В ,,Бакланах,, к примеру,танталовые конденсаторы текут, уходят в пробой в блоке модулятора. Смотреть, замерять надо..
 
Отвечаю, по сути, на свой же вопрос в этой же ветке # 252. Может кому-то понадобится!
В р/с Бриз сгорел диод 2А537А на выходе в усилителе мощности.
Спасибо форумчанину с ником: _ApostoL_ !!!
Именно по его наводке я нашёл причину отказа р\с.
Далее, прозвонив простым тестером диод, сопротивление оказалось мегаомы, причём явно через схему.
Нашёл в Казани небольшую мастерскую, ремонтирующую ВСЁ, что связано с рациями, от раций охраны супермаркетов и раций таксистов, до современных ICOM в авиадиапазоне в том числе (исключение, рации военных и ментов, т.к. у них сигнал зашифрован). Разумеется и КСВ и мощность на выходе померить не проблема, что и было сделано. До диода в норме, после почти ничего.
Мастер предложил воспользоваться опытом из ремонта радиостанций других диапазонов, и впаять КД212А, т.к. сгоревший диод работал как переключатель на больших частотах, КД212А работает по схожему принципу.
При формировании сигнала 5-7 сек на передаче нагрев диода незаметен, при передаче без перерыва 25-30 сек, нагрев ощущается, но не критичен. Можно (и, в общем-то, нужно) разместить диод на небольшом радиаторе, но пока не придумал как его вынести, т.к. радиатор--это катод и должен быть по схеме изолирован от всего, в т.ч. и массы.
Испытания показали, связь на 5.
Если раньше выносная антенна на 3 м вверх и самолёт могли связываться не далее 2-3 км (на холодную р\с), а при выруливании в начало ВПП "прямая видимость" из-за изгиба холма между антеннами терялась и связь пропадала даже на дистанции 200-350 м, то сейчас антенна, валяясь на подоконнике в деревянном здании КДП на высоте 1 м над землёй, держала устойчивую связь на дальности 5-7 км ( дальше пока просто не летали) и при "выруливании" за холм, где пропадает прямая видимость между антеннами.
Понимаю, что 10 лет прошло, но хотелось бы уточнить - в усилителе мощности нет диода 2А537А, он всего один в Бризе и находится в "корпусе приемопередатчика". Зато есть 2Д212А - 2 шт.
 
Понимаю, что 10 лет прошло, но хотелось бы уточнить - в усилителе мощности нет диода 2А537А, он всего один в Бризе и находится в "корпусе приемопередатчика".
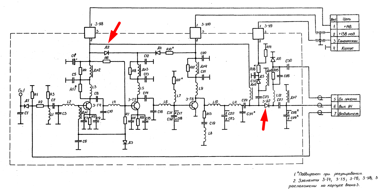
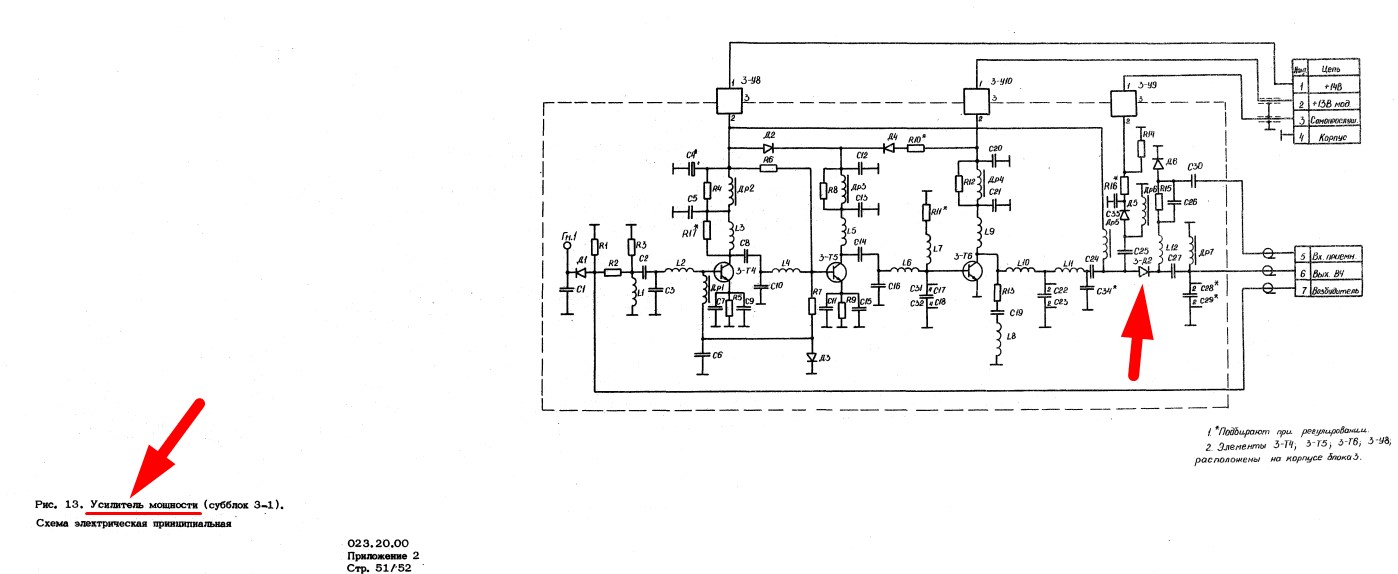
На принципиальной схеме диод 2А537А расположен в усилителе мощности:
Screenshot_1.jpg

На физической схеме тоже ( физически он там и есть я его перепаивал):
1761598430465.png


А в описании он относится к корпусу приёмопередатчика:
1761598834560.png

Так же обратите внимание, что в схеме их как бы два, но обозначены как Д2 и 3-Д2.
Принцип работы хорошо описан на странице 35-36 в том числе какую функцию несёт каждый из диодов.
У меня была проблема именно с 3-Д2.
1761599443303.png
 
Последнее редактирование:
А чем заменили такой диод? ; не частый гость на столе у радиолюбителей.
в итоге на Авито нашёл оригинальные "новые" (не паянные, но 80-х годов) 3 шт. одним лотом продавали, или Москве или Ижевске уже не помню.
 
На принципиальной схеме диод 2А537А расположен в усилителе мощности:
Посмотреть вложение 585583
На физической схеме тоже ( физически он там и есть я его перепаивал):
Посмотреть вложение 585584

А в описании он относится к корпусу приёмопередатчика:
Посмотреть вложение 585585
Так же обратите внимание, что в схеме их как бы два, но обозначены как Д2 и 3-Д2.
Принцип работы хорошо описан на странице 35-36 в том числе какую функцию несёт каждый из диодов.
У меня была проблема именно с 3-Д2.
Посмотреть вложение 585586
Большое спасибо за разъяснение!!!!
 
Назад
Вверх