• Вышел новый выпуск программы ФлайтТВ, посвященный современным российским ЮПШ (юношеским планерным школам).
    Видео на Youtube. Ссылки на другие платформы и обсуждение в теме на форуме.

Токарная,фрезерная обработка,литьё алюминия,оксикарбонитрация

Станислав! А такое крепление сможете изготовить из нержавейки?
 

Вложения

  • ______________1_001.jpg
    ______________1_001.jpg
    89,3 КБ · Просмотры: 248
  • _____________016.jpg
    _____________016.jpg
    38,5 КБ · Просмотры: 244
Щеки шасси на Авиатику увеличенных размеров под больший диаметр колеса
 

Вложения

  • 20170801_102601.jpg
    20170801_102601.jpg
    92,3 КБ · Просмотры: 261
Станислав, пришла деталь, это просто шедевр, дай Вам Бог здоровья. Большое спасибо.
 
Станислав, вот такую втулку для R-912 изготовите? Высота 50 мм. Оба посадочных под 47 мм. Отверстия на диаметре 75 мм. Д16Т.
Возможность болтами из 30ХГСА укомплектовать есть? Высота втулки винта 70-90 мм.

* Подобную втулку Вы уже делали в ноябре 2015 г. Фото взял из соответствующей темы.
 

Вложения

  • Vtulka_-_prostavka_pod_vint_R-912.jpg
    Vtulka_-_prostavka_pod_vint_R-912.jpg
    26,3 КБ · Просмотры: 248
Станислав, посылку получил!
Всё в лучшем виде!

Вот такой тройник и патрубок сделаешь?
 

Вложения

  • detali_sistemy_ohlazhdenija_.jpg
    detali_sistemy_ohlazhdenija_.jpg
    76 КБ · Просмотры: 262
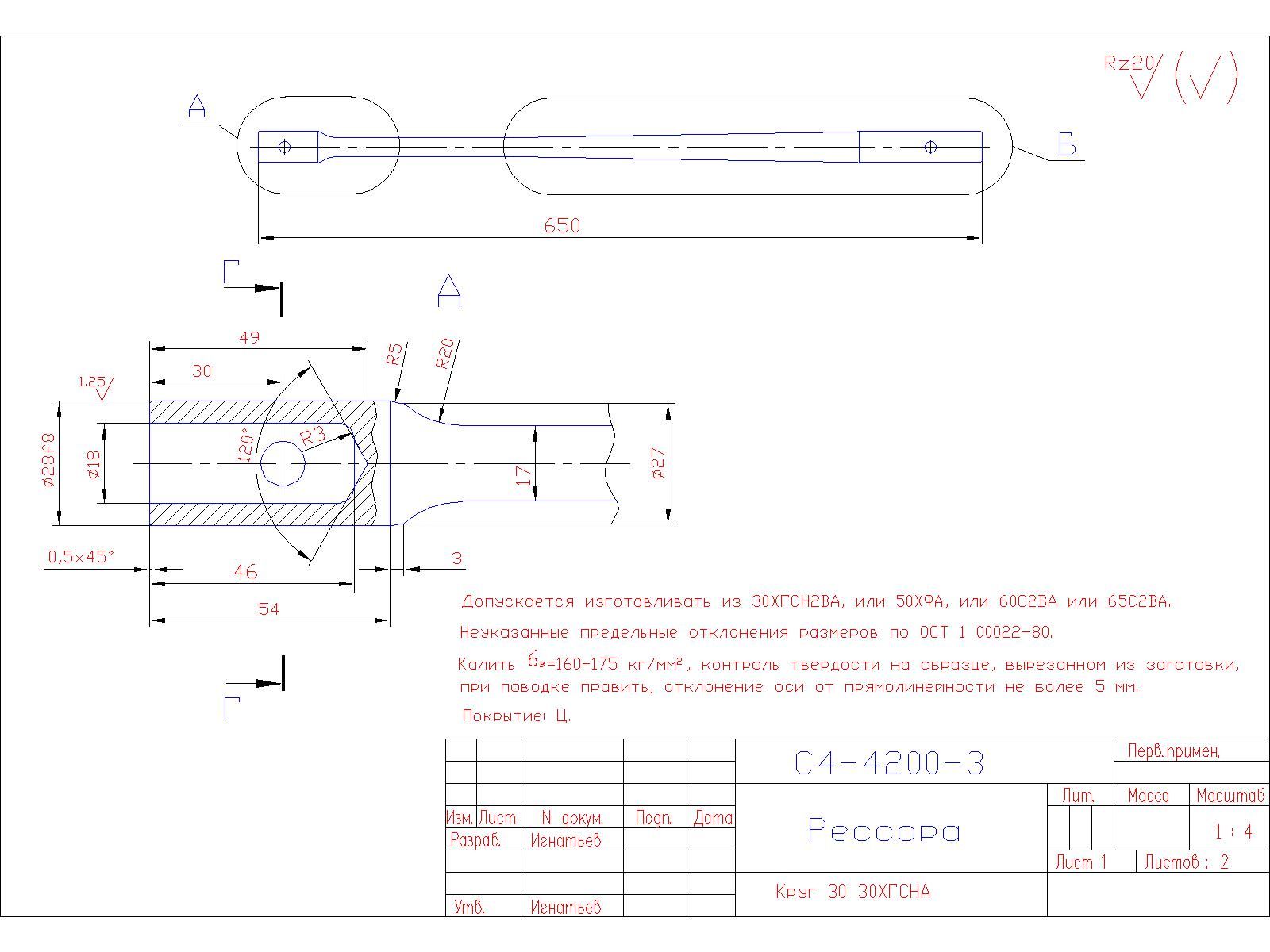
Приветствую! Возможно сделать переднюю рессору-стойку? Здесь главное закалка. Конструктор дает возможность использовать еще и сталь 65Г и твердость 160 кг/кв.мм (внутренние отверстия и внешняя обработка - для облегчения. Отверстия 10 мм - места крепления!!!)
2061496@mail.ru
С уважением ВикторС.
 

Вложения

  • ressora_1_.jpg
    ressora_1_.jpg
    145,6 КБ · Просмотры: 242
  • ressora_2.jpg
    ressora_2.jpg
    127,8 КБ · Просмотры: 252
Приветствую, изготовить деталь можно но вот с термообработкой пока не могу ничего сказать, надо искать на стороне, у меня по длине в печь 450мм только войдет, а тут нужна соляная ванна для качественной термообработки.
 
Приветствую! А может, что то проясниться с термообработкой в ближайшее время?
 
Добрый день. Можете ли Вы восстановить шток и гайку? На штоке испорчена резьба, и на хромированной части "ямки". На гайке сорвана резьба, ее скорее всего надо изготовить заново.
 

Вложения

  • IMG_8467.JPG
    IMG_8467.JPG
    82,8 КБ · Просмотры: 273
  • IMG_8468.JPG
    IMG_8468.JPG
    84,7 КБ · Просмотры: 289
Назад
Вверх