Бесконтактные системы зажигания. Ликбез

Вложения

  • 1440322553856_bulletin.jpg
    1440322553856_bulletin.jpg
    33,8 КБ · Просмотры: 260
Вопрос к знающим: для наземной техники выписал редуктора и другие детали ходовой от япономарок, у них везде встроены вот такие датчики АБС, 1й это от нисан-ноут на передней ступице, железо не примагничивает, но проверял тестером при проведении рядом сверла цифры на тестере меняются, следующий 2,3,4 и 5 с редукторов  ниссан - сима ,  они похожи на ДПКВ ВАЗовского эсуд, и примагничтваются . Можно ли их применить в наших целях. Сделаны надёжно, герметичный, работают то в ходовой а там грязь и химия
 

Вложения

  • 1484492964609-2111204137.jpg
    1484492964609-2111204137.jpg
    94,3 КБ · Просмотры: 280
привет мужики 🙂подскажите пожалста двигатель субару еа 82 с тромблера два провода красныи и желтыи на какои плюс и с какого выход сигнала на катушку   🙁
 
Первый работает по подшипнику - внутренний пыльник специфический, остальные - обычные, работают по гранатам. Принцип у всех кроме первого - такой-же как у ДПКВ, а вот у первого похоже что на эффекте Холла, хотя у меня с таким нЕбыло времени разбираться...
 
4 коммутатора Денсо от тойотовских трамблеров.
Можно на них ссылочку?
Это он?   http://www.farpost.ru/vladivostok/water/accesories/kommutator-denso-38099357.html
Такие как я выше картинку выкладывал находятся внутри трамблеров. У тех-же Тойот к примеру. Размер - меньше спичечного коробка. Поэтому наверное либо на разборках, либо в Экзисте на старые моторы. Типа 4А-FE, 5A-FE, 3S-FE... ну и т.п. в т.ч карбюраторные и инжекторные гОда до 94-го выпуска примерно.
 
Глубокоуважатый Квадратов и ко. Поясните- без фоток к сожалению тк с телефона.
Имеем зажигание "маленький idm" бензопильного типа. "катушка"- блок зажигания- одета на среднюю палочку Ш- образного сердечника. Срабатывание искры происходит при сходе этого сердечника с зазора между магнитами. При такой конструкции имеет ли значение положение катушки той или иной стороной? Если я правильно понимаю средний сердечник это один полюс- а оба боковых- другой и они равноценны (?). В инструкции явно указано направление вращения ротора. А про положение катушек ничего не сказано- нарисовано и все.
Что вы думаете- можно развернуть катушку- немного нее хватает длины провода.
 
зажигание "маленький idm" бензопильного типа

ИМХО лучше удлинить провод (заменить на длиннее и качественнее). Штатный провод, как пишут многие не особо хорош.

This repair replaces the poor quality OEM wire of the IDM ignition coil that is found in most Italian paramotors with a premium quality wire that will last many times longer.  When this repair is completed, pilots will immediately notice an improvement in the high end performance of their engines if there has been sufficient time for the OEM wire to begin its decay process.

Здесь описан процесс.
http://www.southwestairsports.com/p...cenotes/secondarywirereplacement/sec_repl.htm
 

Вложения

  • DSCN1877_01_01.JPG
    DSCN1877_01_01.JPG
    24,6 КБ · Просмотры: 266
  • ignition-wheel-top-80-103205.jpg
    ignition-wheel-top-80-103205.jpg
    27,3 КБ · Просмотры: 317
Кстати узрел одну полезную штуковину имеющую к данной ветке прямое отношение.

http://vkakarting.com/replacing-points-with-ignition-module/

Выпускаются недорогие модули зажигания, ставятся вместо контактов и конденсаторов в старые магнето, как на картинке. В итоге получается запуск на меньших оборотах, чем у современных стандартных бесконтактных систем.

-Rotary “Nova II” module; P/N 8786
-Stens “MegaFire II” module; P/N 440-465
-Oregon “Universal Ignition Module”; P/N 33-053 (or 147-020)

Любопытно что внутри подобных коробочек?

Первыми такие коробочки сделала фирма Атом - патент 4,163,437
http://www.electro-tech-online.com/threads/help-building-a-atom-ignition-module.134967/

This thread is fairly old & have since updated with better transistors for beter reliability. Some ignition systems were causing over heating of the transistor & failure due to HV spikes. I used metal film resistors for reliability. The 2N6045 transistor is too low a voltage rating. I found .47uf was the best value to give a reliable spark. Here is the updated circuit & you are beter using a 2SD1071 or BU931 transistor. & even they needed a 200V Mossorb acros the C/E of the transistor on some ignitions.
 

Вложения

  • 440-465C_2.jpg
    440-465C_2.jpg
    65,9 КБ · Просмотры: 345
  • Oregon-33-053-module-0NKRQ60_3.jpg
    Oregon-33-053-module-0NKRQ60_3.jpg
    27 КБ · Просмотры: 375
  • MOD_0_CIRC.jpg
    MOD_0_CIRC.jpg
    104 КБ · Просмотры: 429
Не нашел ерунды.
Однако, если конструкция симметрична относительно центрального керна, разворот ничего не изменит.
 
если конструкция симметрична относительно центрального керна, разворот ничего не изменит

Думаю что изменит. Когда мы экспериментировали с модулями мотокос штиль при изменении направления вращения маховика энергия искры и угол опережения изменялись. А если при этом и разворачивали сам блок, всё возвращалось.

Не зря же у IDM и других производителей есть 2 разных исполнения маховика под разные направления вращения, а разворот блока аналогичен изменению направления вращения.

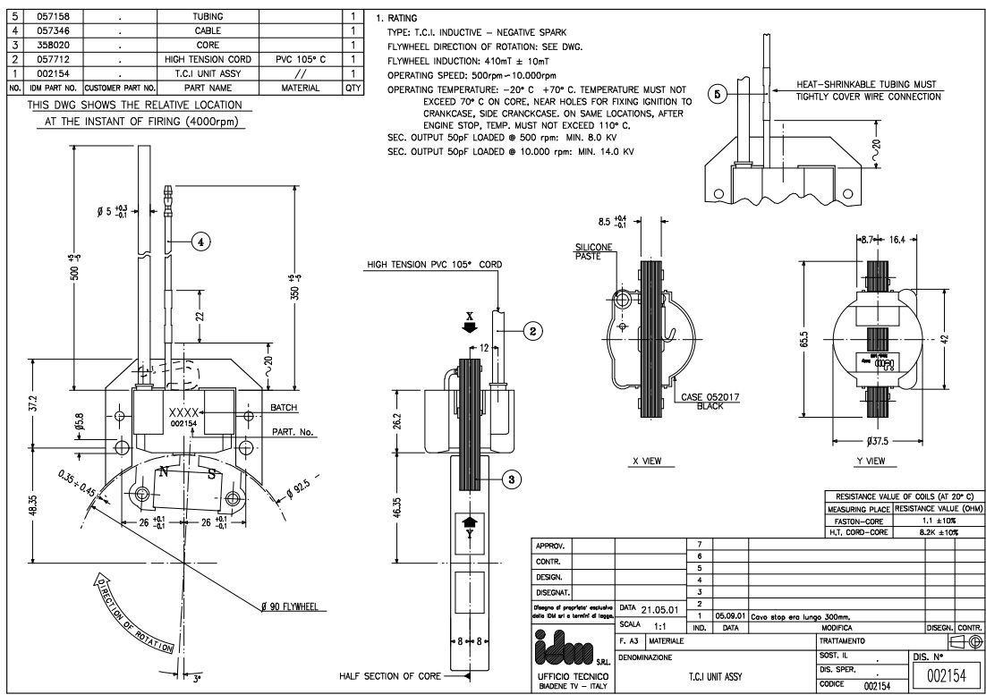
http://www.southwestairsports.com/PPGTechInfo/Top80/HRServiceNotes/ignition-coil/coil_002154-1.pdf
 
Валера читай мое пожелание выше. Изменение направления вращения меняет порядок прохождения полюсов ротора и соответственно полярность импульса. И соответственно имульс нужной для срабатывания схемы полярности возникает гдето на внешних краях магнитных башмаков.
На мой взгляд это сильно не тоже самое что я спрашиваю 😉
 
Но объяснения не найду

Попробую по простому, опять прилагаю картинку. Сначала при прохождении магнитов S-N формируется положительная полуволна напряжения, которая сменяется отрицательной - увеличивается амплитуда. Искра вознекает спустя 3 градуса после прохождения магнитов. При повороте сразу начнётся с отрицательной полуволны со смещением порядка 3 градуса. Вторая искра будет слабее раньше чем нужно на 6 градусов.
 

Вложения

  • Work.jpg
    Work.jpg
    127,9 КБ · Просмотры: 350
Еще раз- про изменение направления вращения я не спрашивал. В этом вопросе у меня есть опыт и мне его достаточно. Я спрашиваю конкретно про разворот катушки.
Да- приведенная выше установочная схема - именно того зажигания которое мы используем
 
конкретно про разворот катушки

Как ещё объяснять... Поворот катушки на 180 градусов аналогичен изменению направления вращения. Эффект тот же самый. Мы повернули на стенде очень похожий блок мотокосы Штиль FS 56 номер 4123 400 1302 на 180 градусов, искра стала слабее и сдвинулась. Поменяли с повёрнутой катушкой направление вращения, опять стало хорошо.
 
Еще раз для танкистов- ротор- не симметричен. катушка на ш-образном сердечнике симметрична. покажите фото именно того блока который вы крутили
 
Назад
Вверх