Двигатель с внешним подводом теплоты

Правильно, лучше промолчать и выглядеть идиотом, чем открыть рот и развеять все сомнения.
Как вмегда аргументов ноль. Только тупые наезды и оскорбления.
Даже самый тупой поймет, если в холодную комнату. занесете очень горячий камень (его где то там нагрели), то от времени нахождения его в комнате. зависит и повышении температуры в комнате. ТОЧКА. Пояснение, уже для младшей группы детского сада. Боюсь вы и этого не поймете.
Посмотрите определение адиабатического процесса, нетупой. Повторите уравнения состояния, разберитесь с ними. Пиво откройте. Похмелитесь. Потом посмотрите, что такое мертвый объем, относят ли к оным различные перепускные каналы(сюрприз!) Почитайте для чего увеличивпют ПОВЕРХНОСТЬ теплообсюмена и тд. Потом рот открывайте. А лучше не открывайте, пока общаться не научитесь. 😡
 
Посмотрите определение адиабатического процесса,
Посмотрите условия процесса. -Мгновенно и бесконечно долго. Когда смысл этого сочетания поймете, тогда и поговорим.
посмотрите, что такое мертвый объем, относят ли к оным различные перепускные каналы(сюрприз!) Почитайте для чего увеличивпют ПОВЕРХНОСТЬ теплообсюмена и тд.
Ну и!!! А объем не пропорционален этим параметром? И.чем больше , тем лучше. А перепускные каналы для регулирования. Въехать вы не можете, потому как не понимаете в отличие от поршневого, роторный теоретечески НЕ ЗАВИСИТ ОТ МЕРТВЫХ ОБЪЕМОВ. Естественно нельзя этим злоупотреблять. Там идет практически равномерное, однонаправленное движение РТ, со сквозным проходом через модули, по замкнутому контуру (установившийся режим). И РТ не "пружинит". И может РТ двигаться метр, два, пять и т.д. естественно газодинамические потери возрастают (хотя по сравнению с потерями в регенераторе это мелочь.) А для поршневого большие мертвые объемы, это смерть. А в маленьком объеме качественный теплообмен (вот и большИе поверхности теплообмена и НЕ появляются) не получится. Вы не можете понять почему мертвые объемы для поршневого (с возвратно-поступательным движением РТ) губительны для КПД.
все хорошо в меру
Бесспорно, и однозначно. А когда. я заявляю, что можно на порядок увеличить продолжительность такта расширения, я указываю только на возможности конструкции. А как надо (насколько), пока не знаю? ОПТИМАЛЬНО рассчитать тяжеловато. так. что лучше опытом определить.
Но то что этим способом, можно "урвать" хоть на пару процентов (опыт покажет) больше преобразования тепла в работу- абсолютно верно. И все, что я хотел сказать. Не понимаю, почему такое утверждение, вызывает такое неприятие. Никакой закон физики не нарушается.
 
Посмотрите условия процесса. -Мгновенно и бесконечно долго. Когда смысл этого сочетания поймете, тогда и поговорим.
Блин. Адиабатический процесс это пооцесс БЕЗ теплообмена с окружающей средой! Результат для "мгновенно" и для "бесконечго долго" будет один. Вы этого не понимаете. И говлрить тут действительно не о чем.

в отличие от поршневого, роторный теоретечески НЕ ЗАВИСИТ ОТ МЕРТВЫХ ОБЪЕМОВ
В мире розовых пони? Возможно.
И РТ не "пружинит
Давно? А то, помнится, Вы мне доказывали как у Вас в S1 РТ СЖИМАЕТСЯ. Впрочем, это очередной круг, не помню уже какой по счету. Вы в саоей голове договориться не можете, а я доджен угадывать, да еще за Вас выстраивать аргументацию. Нафиг.
 
Адиабатический процесс это пооцесс

Основное уравнение термодинамики примет вид
dU = -pdV
Это условие будет выполняться, если скорость хода поршня (протекания процесса в общем случае) будет удовлетворять определённым условиям. С одной стороны, она должна быть достаточно малой, чтобы процесс можно было считать квазистатическим. Иначе при резком изменении хода поршня давление, которое его перемещает, будет отличаться от давления в целом по газу.
С другой стороны, скорость должна быть достаточно большой, чтобы можно было пренебречь обменом тепла с окружающей средой и процесс оставался адиабатическим.
Здесь нет временной привязки.

А теперь посмотрите по ветке (я специально для вас вытягивать не буду), что там за процессы проходят еще (и временной привязкой).
Опять не понимаете о чем речь. Ну абсолютно.
Вы мне доказывали как у Вас в S1 РТ СЖИМАЕТСЯ.
А при чем тут мертвые объемы и функциональный модуль сжатия? Опять мимо цели. В мертвых объемах пружинить нельзя, а это теплообменники (рекуператор. нагреватель и холодильник). И от их величины объемов ((а это пропорционально и площади теплообмена) зависит качество теплообмена (мне объяснять, что это такое? Или сами догадаетесь.
Функциональные модули- НЕ ЕСТЬ МЕРТВЫЕ ОБЪЕМЫ,
До вас еще не дошло? Сожалею.
 
Часть контура от модуля S1 через рекуператор НС к модулю S2 может обладать объемом в зависимости от назначения силовой установки. Это направление и ограничивает объем рекуператора (а встречное, как утверждали ранее, теоретических ограничений не имеет). Если СУ предназначена работать в постоянном режиме (привод генератора), то рекуператор может быть многократно большого объема (но все в рамках здравого смысла), чем условный объем Vg модуля расширения S 3. А, чем больше объем рекуператора, тем лучше качество теплообмена и, в конечном счете будет выше КПД двигателя (неоднократный повтор).

Ну, а если необходимо регулирование и работа на различных режимах, то объем данного контура влияет на скорость реакции системы на управляющее воздействие. И в этом случае, объем рекуператора надо соответственно ужимать и искать компромисс между качеством теплообмена и скоростью реакции двигателя.

Хотя, если дроссели ставить за модулем S2, а то и за модулем расширения S3 (парадокс, но там температура ниже- типа регулирование дросселированием выхлопной трубы-ну как вариант), то объемы теплообменника) НС (рекуператора) в меньшей мере будут влиять на скорость регулирования.

Но, вообще то тема регулирования, требует отдельного рассмотрения.
 
А когда. я заявляю, что можно на порядок увеличить продолжительность такта расширения, я указываю только на возможности конструкции. А как надо (насколько), пока не знаю? ОПТИМАЛЬНО рассчитать тяжеловато. так. что лучше опытом определить.
Но то что этим способом, можно "урвать" хоть на пару процентов (опыт покажет) больше преобразования тепла в работу- абсолютно верно. И все, что я хотел сказать. Не понимаю, почему такое утверждение, вызывает такое неприятие. Никакой закон физики не нарушается.
Предполагаю, может вы сильно преувеличиваете пользу от продолжительности такта расширения? В простых ДВС (цикл Отто) перерасширение горячих газов встречается:
- в турбокомпрессоре;
- режиме неполного дросселя бензинового ДВС, правда при невысокой степени сжатия.
Это не очень большие величины.
 
Предполагаю, может вы сильно преувеличиваете пользу
А прибавка в 4-6 % очень неплохо (а может и больше наскребем). Я же не утверждаю (и не утверждал), про зашкаливающие цифры. Причем технически это осуществить несложно. А продолженное расширение в ДВС, это насилие над рабочим процессом, или извращение над кинематикой.
 
Последнее редактирование:
что все эти прибавки и вообще работа этого двигателя существуют только в ваших фантазиях
Общие фразы в качестве аргументов. только подчеркивают беспомощность вашей позиции. И это после того. как вы признались, что абсолютно не владеете предметом обсуждения. Как там, у Шарикова -"Не согласны мы" И ВСЕ!
Здесь разговор не про гравиталёт, а про уже существующий в природе двигатель. Что бы понять, его недостатки надо прочитать Уокера (есть и другие авторы). Материалоемкость, габариты,сложность механизма преобразования, капризность управления и т.д.-пока оставим. Главный недостаток - сложность повышения КПД.
Повторю.

Возвратно-поступательное «пружинит» РТ в мертвых объемах. А это в первую очередь теплообменники. Возникает массо- потеря. А уменьшение теплообменников- ухудшают качество теплообмена. Компромисс трудно достигнуть.

Незначительный рабочий объем (да и объем цилиндра в целом). И увеличить его нельзя. Иначе сразу поползут в верх мертвые объемы. Даже проблемы с уплотнениями при этом мелочь.

А это значит, мощность двигателя зависит от :

- количества рабочих ходов (обороты или количества цилиндров).

Оборотами(время)-качество теплообмена падает (достаточно на график зависимости КПД от оборотов посмотреть, и водород не поможет).

- повышения среднего давления цикла (но тут надо интенсивность горелок увеличивать и размеры теплообменников-а на это опять табу наложенно).

Необходимость греть РТ перед отправкой в регенератор и холодильник (что раздражало Уокера).

Так. что КПД такого типа двигателя никогда не выдавите до заветных 70% (а так 35 % ну если повезет).
Вы не в курсе .этих проблем, поэтому и не понимаете , как они разрешаются в роторном варианте, ну и в конкретном случае.
И ЗАЧЕМ СПЕШИТЬ С ВЫВОДАМИ?
 
Общие фразы в качестве аргументов. только подчеркивают беспомощность вашей позиции.
а ваша позиция с чего вдруг такая помошная, вы что нибудь сделали разве кроме пустого фантазирования- и с чего вы взяли что вы владеете предметом лучше меня- я тоже что то где то читал, но в железе никогда двпт не видел (поэтому и говорю что не владею предметом), но вы то с чего взяли что чем то владеете- вы много двпт сделали, или хотя бы работали с ними- за вами ведь тоже ничего кроме надувания щечек нет
 
и с чего вы взяли что вы владеете предметом лучше меня-
Потому, что поясняя простые истины касаемо ДВПТ. в вашей аргументации не вижу понимания. рабочего процесса ДВПТ, как такового (даже основ).
я тоже что то где то читал,
Слышал звон.... Заметно. Но зато какие категоричные суждения.
сделали, или хотя бы работали с ними-
Делал, куча железа осталось. Но изменилась концепция, а переделывать времени нет (68 лет).

Вы для начала уясните почему у поршневого ДВПТ при 400 об/мин КПД под 50%., на 1000 об/мин-30%, а на 3000об/мин- до 10%.
Тогда поймете, что такое "резинка".
 
то есть тоже общие слова без конкретики- мечтайте дальше, сидя на куче железа, никто не запрещает
 
Делал, куча железа осталось. Но изменилась концепция
Расскажите, какая мысли были ранее, что получилось, что нет. Что делали в металле. Какие выводы сделали. Интересен, путь изобретателя, даже если, что-то не получается. (не шутка).
 
Расскажите, какая мысли были ранее, что получилось, что нет. Что делали в металле. Какие выводы сделали. Интересен, путь изобретателя, даже если, что-то не получается. (не шутка).
Простите, что влезаю, но, помнится раньше сия конструкция планировалась как ДВС. На данном форуме проходила под названием "двигатель братьев Чантурия" (если правильно помню/написал фамилию). Была одноименная тема. Поищите в архиве, может цела.
Еще раз, пардон.
 
мечтайте дальше
фантазирования
Варан вы заблудились в объективной реальности, и забрели на раздел сайта, где НЕ МЕЧТАТЬ и НЕФАНТАЗИРОВАТЬ есть моветон. Мне жаль, что вы лишены таких качеств, но попытайтесь доказать, что мои мечты есть НЕНАУЧНАЯ фантастика. Мне надоело выслушивать, ваши общефилосовские измышления о несовершенстве бытия. Конкретные претензии будут?
 
Расскажите, какая мысли были ранее, что получилось, что нет.
Слишком долгая история. Но конкретно с ДВПТ, первый подход, (и это воплощал в железе) показан в начале ветки. Несколько переосмыслил, избавился от стереотипов. Ну и второй подход. И переделывать и желания и времени нет (68 лет). Да, сижу на железках.
Интересен, путь изобретателя, даже если, что-то не получается.
Ну это долгая история. вот жду когда бумага подешевеет. напишу мемуары. Ну не на этой ветке. А если есть какие то вопросы, в плане к примеру, патентования, помогу (тут. я все тонкости знаю, но в личку)
 
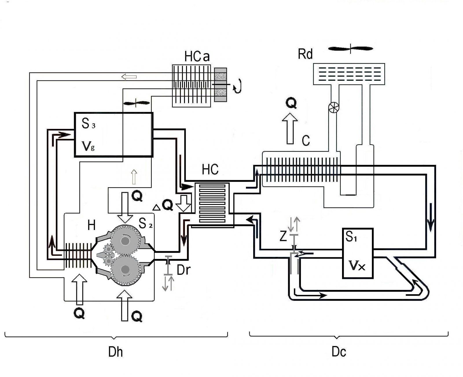
Такты модуля вытеснения S2 особо не отличаются по длительности от такта расширения, но здесь тоже надо учитывать функциональные особенности СУ. Если СУ требует изменение режимов, то длительность тактов уменьшают (увеличивая обороты), ну и, соответственно уменьшая объем данного модуля. А если это не так существенно, желательно подбирать машину как можно проще и надежнее и с возможностью навязать ей, еще и дополнительную функцию. Т.е. с учетом выше сказанного, модули (параметры и типы роторных машин) нужно подбирать в соответствии особенностям тактов цикла и их места в контуре. Модуль вытеснения S 2, как указывали ранее, может быть построен на базе различных механизмов. Таких как:

- малообъемного модуля аналогичного S1(но без полости сжатия);

- роторно-шестеренчатого механизма;

- механизма BARM;

-роторно-винтового механизма.
 
Модуль S 2 , на базе роторно-шестеренчатого механизма в представленном варианте. Он должен в межзубчатом пространстве за оборот двух шестерен, перенести соответствующий объем (около 1,2 литра -исходя от приведенного ранее объема модуля расширения и 3-х кратной степени сжатия) РТ.
Зубья могут быть соответствующего профиля обеспечивающего наиболее плотное зацепление, максимально не допускающие пропуска РТ из отдела выхода опять на вход. И с учетом того, что в смежных впадинах (между зубьев) давление РТ не сильно отличается, то уплотнение с этой стороны обеспечено.


рис-5..JPG


В представленном варианте, имеются еще две шестерни, для улучшения уплотнения в районе зацепления главных зубьев. Они обеспечивают не только дополнительный барьер своим зацеплением с главными «большими» шестернями, но и «вымывают» РТ из области зацепления главных шестерней (резко снижая там давление) на выход вытеснителя. Ну и корпус ( кожух) прикрывающий шестерни имеет значительную поверхность (для нашего случая до 3000 кв.см). Что можно использовать для теплообмена, т.е. совместить функцию вытеснения и нагревателя в данном модуле.
 
Модуль S 2 , на базе роторно-шестеренчатого механизма в представленном варианте.
кпд шестеренчатых насосов , качающих жидкость обычно составляет 0,6-0,75, они имеют самый низкий кпд из всех насосов, поэтому когда переходите от возвышенных мечтоф к реальному проектированию механизма, определиться следует как вы сделаете шестеренчатый насос, качающих горячий газ под давлением, будет ли он вообще выполнять свою функцию и желательно доказать свои вербальные рассуждения практикой, и это применимо к каждому узлу вашей мечты- вот вам конкретная претензия к вашему механизму и попробуйте все же увидеть реальность- а пока есть только вербальные указания деталям механизма и рабочей среде, кто что делать должен- щас они вас так и послушают
 
Назад
Вверх