Двигатель с внешним подводом теплоты

А то, что вы предлагаете предполагает останов РТ (хотя перед расширением, может не так существенно)
С чего бы РТ останавливалось? Перед шестеренками дпаление выше, чем за ними, Вы же отрицаете, что шестеренки работают как насос. А в модуле расширения давление падает, те клапан будет постоянно открыт.

Второе- шестеренчатый механизм является в основном варианте и нагревателем (возможен вариант и с винтовым), А не только отсекателем-дозатором
Оребренная труба с металлической ватой внутри справиться с функцией нагревателя как минимум не хуже. Без всего этого "хайтека"
Имху
 
С чего бы РТ останавливалось?
Вы собираетесь поставить перед модулем расширения жиклер, который будет дозировать проход РТ в соответствии с правилом (при определенном значении давления и температуры в пространстве). Можно, но желательно уменьшить давление на лопатку модуля сжатия. У меня вариант похожий предусмотрен еще с самого начала. см.ниже. Но, как тут отсечку организовать? Вообще согласно формуле можно комбинировать как угодно.
" Двигатель с внешним подводом теплоты составлен из одного, или как комбинация нескольких модулей (на базе роторной машины), с подобранными параметрами для каждого, с определенными зонами нагрева и охлаждения для определенных модулей, и каждый из них реализует определенный такт заданного замкнутого или открытого термодинамического цикла......"
Просто пока следую классическому циклу Стирлинга (а подбор других вариантов можно и в процессе подобрать.).
р 4 укор. цикл схема ЖУРНАЛ.JPG
 
не можете увидеть где у вас какой процесс на самом деле
Там изохора, просто на процесс надо сначала смотреть, а не в конце когда появилась постоянная составляющая.. А согласился я с вами, что бы не толочь воду в ступе.
 
Но, как тут отсечку организовать?
Дык, у Вас и сейчас нет отсечки, а есть просто аналог лепесткового клапана. Отсечка в данном варианте по условию безостановочного движения РТ невозможна. Хотя, изменив текущую версию можно организовать отсечку не нарушая хотелок по непрерыаности. У Вас раньше вроде даже бвл желаемый вариант 😉

Нет там изохоры. Как нет изохоры в ГТД, в котором точно также непрерывно движется РТ на ходу подогреваясь в КС, например. Изохора это не неизменный обьем нагревптеля, это нагрев одной и той же массы газа в неизменном лбьеме. Те впустили порцию РТ в нагреватель, ИЗОЛИРОВАЛИ его в объеме нагревателя(перекрыв впуск и выпуск), подождали пока эта порция РТ нагреется и потом выпустили в работу.
Имху
 
[/QUOTE]
можно организовать отсечку не нарушая хотелок по непрерыаности.
А, я и не утверждал, что отсечка есть. Но лучше пока не нарушать правила. а усложнения для отсечки пока не нужны.
Нет там изохоры.
С шестеренкой-нагревателем два варианта нагрева -
-первый -теплопередача от рекуператора, там как в ГТД
-второй - нагрев от горелок, там изохора. И это разделение предпочтительно, оно разгружает модуль сжатия (давление на лопатку меньше).
И пока рассматриваем его.
Если сравнивать с поршневым, то значительное время теплообмена в рекуператоре и нагревателе, позволяет так улучшить теплообмен, что;
- нет необходимости использовать гелий, и водород заменив его азотом (или неоном -третий элемент по теплопередаче).
- и иметь высокий КПД на больших оборотах.
Что тут мешает подойти к заявленным 70% (ну где то рядом)?
 
значит большой ребенок будет дурачком прикидываться , лишь не признать что он ошибся и изохора у него там где нагрев идет при постоянном давлении, и когда ему рассказывают о том что затраты на привод его паразитных шестерен будут больше чем его механизма выработает, вне зависимости от того ноль там или 0,5 атм или 1 атм хоть с маслом хоть без масла, он будет рассказывать об отсутствии нуля и присутствии масла, закрывая глаза на то о чем ему говорят, как бы он не понимает

так что обсуждать то можно с таким персонажем

тут есть такие непризнанные гении- один все увеличивает момент за счет максимальной силы на максимальном плече, другой с моментом на шатуне носится, ну вот еще один нарисовался- с изохорным феном, в полку здешних гениев прибыло, ура
 
лишь не признать что он ошибся и изохора у него там где нагрев идет при постоянном давлении,
Варан, это несколько сложнее, чем вы думаете. И ваше юношеское перевозбуждение понятно и объяснимо.

Представьте лестницу (эскалатор) на каждой ступени которой размещено РТ массой М, объемом Vi, и температурой Тi (плотность нам не нужна, есть объем). Снизу нам дозировано подводится РТ (ступенька плюс) сверху дозированно отводится РТ (ступенька минус), причем одновременно. И каждая конкретная по номеру ступенька имеет неизменный объем Vi.

И, чем выше номер, тем с более горячая ступенька – за счет телообменника.

Общий объем (количество ступенек неизменно -это объем пространства)

Изначально, надо систему привести в равновесие- нагреть и накачать, до состояния когда входящая масса РТ и выходящая,. будут равны. (тоже кстати отдельный, пусковой процесс).

И тогда на первой ступеньке РТ массой М, будет с температурой Т1 и объемом V1,

на второй ступеньке РТ массой М, будет с температурой Т2 и объемом V2,

…………………………………………………………………………………………………..

на предпоследней ступеньке РТ массой М, будет с температурой Тn-1 и объемом Vn-1,

на последней ступеньке РТ массой М, будет с температурой Тn и объемом Vn,

Давление Р общ.

Дозатор объемом Vn (как на входе так и на выходе).

В определенный момент один дозатор отобрал РТ массой М сверху (с соответствующими параметрами), а второй добавил ту же массу снизу (с соответствующими параметрами).

Все, ранее бывшие ступеньки стали на номер выше (кроме первой которая только вошла, и последней). Объем в системе не изменился (объем на ступеньках тоже), изменилось общее давление (скорость звука много быстрее скорости РТ) и температура (тут надо учитывать перемещение ступенек-изменение номера в соответствии с указанными ранее параметрами).

Подвод тепла компенсирует потери температуры, доведя до уровня присущей каждой ступеньки, и подымет давление до прежнего значения Р.

Так, что небольшое колебание температуры и давления по всему пространству, компенсированным подводом тепла, при неизменном для (каждого уровня) ступеньки объема и есть ИЗОХОРА, и изменение внутренней энергии РТ.

А если вы против, попробуйте изобразить на диаграмме, указанный вами процесс ИЗОБАРНОЕ РАСШИРЕНИЕ В (неизменном объеме) ПРОСТРАНСТВЕ S1 – S2.
 
Думаю, что с процессами в пространстве S1 – S2 разобрались. А если в целом говорить о рекуператоре, то надо учитывать, что противопоток содержит равную массу РТ с большим объемом. Тогда в сечении рекуператора большую площадь будет иметь каналы идущие от модуля расширения S3 к холодильнику. Соблюдается принцип-равная масса «горячего» РТ должно отдать тепло (выровнять температуру) равной массе «холодного» РТ.

Рекуператор самая громоздкая и объемная конструкция в двигателе, и для транспортных средств с ограниченными возможностями иметь соответствующий объем для размещения СУ, придется рекуператор компромиссно уменьшать. Рекуператор значительно уступает по удельным (почти на два порядка) регенератору, но обладает двумя ценными качествами.

Первое, меньшим газодинамическим сопротивлением.

Второе (наиболее ценное), позволяет использовать сухую смазку.
 
Итак, если сравнивать данный роторный ДВПТ с поршневым, то проблема с теплообменом (временем теплообмена) решена почти полностью. А это, залог высокого КПД -однозначно. И поршневой вариант вообще не сравним. Вот главное достоинство ДВПТ, работающего по данной схеме.

По модулю расширения S3, там организовать продолженное расширение не составляет большого труда (что невозможно в поршневом варианте). А это значит возможно в процессе преобразования большую долю подведенной теплоты превратить в работу. А чем выше доля преобразованного тепла в работу, тем значительно подымается КПД двигателя, при одном и том же КПД рекуператора.

И роторный ДВПТ «плавненько» подбирается к теоретическому значению КПД цикла Стирлинга в 70%. Да, в роторном варианте (а точнее -организации однонаправленного движения РТ) несколько более громоздкая пассивная часть, но активная (модули) может быть и проще и меньше, чем в поршневом варианте.

И нет причин мешающих этого не достичь
 
Модуль – S2 ( в варианте без регулирования) может быть на базе шестеренного или роторно-винтового механизма, а с регулированием на базе роторно- винтового (укороченного). И при этом. и там и там будет выполнять роль дозатора (подавать в модуль расширения строго определенное количество РТ, согласно режиму работы).

В первом случае
, они будут еще и нагревателями, что снижает давление в пространстве S1 – S2 (там давление будет зависеть только от энергии переданной рекуператором). Для пуска перед модулем может быть пусковой нагреватель (оребренная труба - по Джону, но без металлической ваты) и дроссель (вентиль), для накачки пространства (а до этого я уже говорил, что необходимы вентили перекрывающие пространство (при останове) и удерживающие там давление.

Во втором случае (при регулировании), роторно-винтовой будет только частично выполнять роль нагревателя (что бы уменьшить время реакции системы, суммарный нагреватель будет меньшего объема, чем в первом случае.

Причем роторно-винтовой модуль (в обоих случаях) должен быть только вытеснителем, а не насосом.

Ну, а чисто нагреватели могут быть до модуля S2 (пусковой для первого случая, и основной для второго), и после (функция форсажа- спорт режим).

НУ, эту часть контура, вроде основательно разобрали.
 
Последнее редактирование:
Противонаправленная (от горячего отдела к холодному) часть рекуператора (от S2 до холодильника С, должно быть большего объема, чем в пространстве S1 - S2. Это обусловлено тем, что условная масса РТ здесь занимает больший объем, с учетом расширения и отъема (накачки) масс РТ в пространство S1 - S2. Как раньше было заявлено, контур от модуля S3 до S1 может быть бесконечно большим (ограничено здравым смыслом), Скорость РТ будет выше (но правило равной скорости прохождения условной массы остается), это позволяет иметь площадь сечения контура отходящего РТ от модуля расширения S3 больше, чем входящего (противонаправленного) к S3. А это позволяет нагревать (и в обратную сторону охлаждать) равную массу РТ в сечении.

А для понимания правила равной скорости условной массы даю пример. Пусть Белаз массой 50 т ,10 м длины, проезжает мост 10 м, со скоростью 1м/с. И состав вагонеток такой же массы 50 т, 100 м длины, тот же мост, со скоростью 10 м/с.

И в том и другом случае равная масса (самосвал и вагонетки) проходит мост за 20 сек. (нос-корма). Это правило исключает массопотери РТ по всему контуру. Что отличает данный тип ДВПТ от поршневого, и создает абсолютное преимущество на существующими образцами.
 
А это отличает данный тип ДВПТ от поршневого, и создает абсолютное преимущество над существующими образцами.
Солидное преимущество. Мои существующие образцы не имеют такого, как ни стараюсь...
 
Открыт закон сохранения массы! В который раз
А. что остается делать? Так и живем. На этом весь эффект и держится. Вот в поршневом ДВПТ, так не получается. И от этого у него все проблемы.
Газ не несжимаемая жидкость, он подлый уплотняется. И гонять, его туда-сюда сложно (ленивый гад), застаивается в мертвых объемах. В результате массопотеря. И чем выше, частота, тем более ленивый газ становится. Вот и приходится уменьшать места , где газ "прячется". А это теплообменники. Ухудшаем теплообмен (время теплообмена), гробим КПД.
Вот и приходится выбирать движок 10 КВт с КПД около 50 % при 400 об/м , или 100 КВт с 10% КПД при 3000 об/м. И в обоих случаях движок объемом с 1м3 и весом 760 кг.
Что выбираем?
Понятное дело-ДВС.
 
Контура вроде рассмотрели, а пространстве от S3 до S1 будет проходить процесс (обратный пространству S1 - S2 ) изохорного охлаждения. Такое же ступенчатое мгновенное изменение объема единичных масс М, и охлаждение в этом неизменном объеме, с последующим повторением на более низком (температурном) уровне.

Теперь касаемо, изменения в плане конструкции, главного модуля расширения S3. Это в первую очередь увеличение опорной площади лопатки. При относительно больших перепадах давлений на разные стороны лопатки, надо повысить, площадь ее опорной части.

На силу трения это не повлияет, но удельные нагрузки упадут (давление на кв.см), а это меньший износ и больший ресурс. При применении нового механизма выдвижного устройства (ВУ) можно увеличить опорную площадь в 3,5 раза (для ротора с одно лопаткой) и 3 раза (из-за выреза), для ротора с двумя лопатками, БОЛЬШЕ относительно площади максимально выдвинутой лопатки. Что и было достигнуто.
 
Есть определенное недоверие к машинам объемного расширения шиберного типа в плане надежности. Но шиберные насосы работают до 7-8 мПа довольно надежно. Да, обычно, это жидкостные насосы. Износ пазов, в следствии перекоса лопатки есть. Но надо понимать, что простая нарезка пазов в роторе, основная причина. Дешевизна и простота изготовления, и относительная надежность в результате.

А если усложнить и лопатку и канал выдвижения? Механизм выдвижения присутствует, простой в исполнении и очень надежный. Это не кулачковый вариант, где лопатка -толкатель, а профильная стенка корпуса -кулачек. И динамическое замыкание в виде пружинки или за счет центробежной силы. У нас все под контролем – выдвижение лопатки. согласовано с углом поворота ротора. И лопатка не является фрезой для профильной стенки.
 
Некоторые опять засомневались о сути процесса в пространстве.

ВАРАН - какие нахрен скачки давления если идет непрерывное поступление холодной массы и непрерывный ее отбор
и объем мгновенно не увеличивается


ОТВЕЧАЮ.

НЕТ. Труба изолирована, в трубу подается и отнимается ( за короткий промежуток времени) ДОЗИРОВАННО равная масса РТ. Это приводит к скачку давления (уменьшение) в следствии сжатия входящей массы. Объемы единичных масс ступенчато увеличиваются, пропорционально и мгновенно. Все, процесс ВСЯКОГО РАСШИРЕНИЯ на этом заканчивается. ТОЧКА.
А далее идет нагрев каждой массы, находящейся в НЕИЗМЕННОМ объеме (который пропорционален температуре этой массы), что ведет к повышению давления до уровня предшествующего подаче холодной массы из модуля сжатия. И это ИЗОХОРА,
Незначительные
изменения давления в пространстве, исключительно только благодаря бОльшей массы РТ в пространстве (как пример маховик приводил)..
 
Повторяю пост 527 от 20 мая.
…………………………………………………….

Изначально, надо систему привести в равновесие- нагреть и накачать, до состояния когда входящая масса РТ и выходящая,. будут равны. (тоже кстати отдельный, пусковой процесс).

И тогда на первой ступеньке РТ массой М, будет с температурой Т1 и объемом V1,

на второй ступеньке РТ массой М, будет с температурой Т2 и объемом V2,

…………………………………………………………………………………………………..

на предпоследней ступеньке РТ массой М, будет с температурой Тn-1 и объемом Vn-1,

на последней ступеньке РТ массой М, будет с температурой Тn и объемом Vn,

Давление Р общ.

Дозатор объемом Vn (как на входе так и на выходе).

В определенный момент один дозатор отобрал РТ массой М сверху (с соответствующими параметрами), а второй добавил ту же массу снизу (с соответствующими параметрами).
НА всем пространстве, каждая масса в отдельности увеличивает свой объем (перемещаясь на ступеньку выше). За счет поджатия входящей холодной массы.


При скорости РТ 10 м/с , ИЗМЕНЕНИЕ ДАВЛЕНИЯ со СКОРОСТЬЮ 300 М/С, можно считать МГНОВЕННОЙ.
 
Вставляю картинку.

Показан момент когда верхний дозатор заканчивает отбор массы горячего РТ, а нижний должен добавить РТ из модуля сжатия.

принцип  ИЗОХОРА.JPG
 
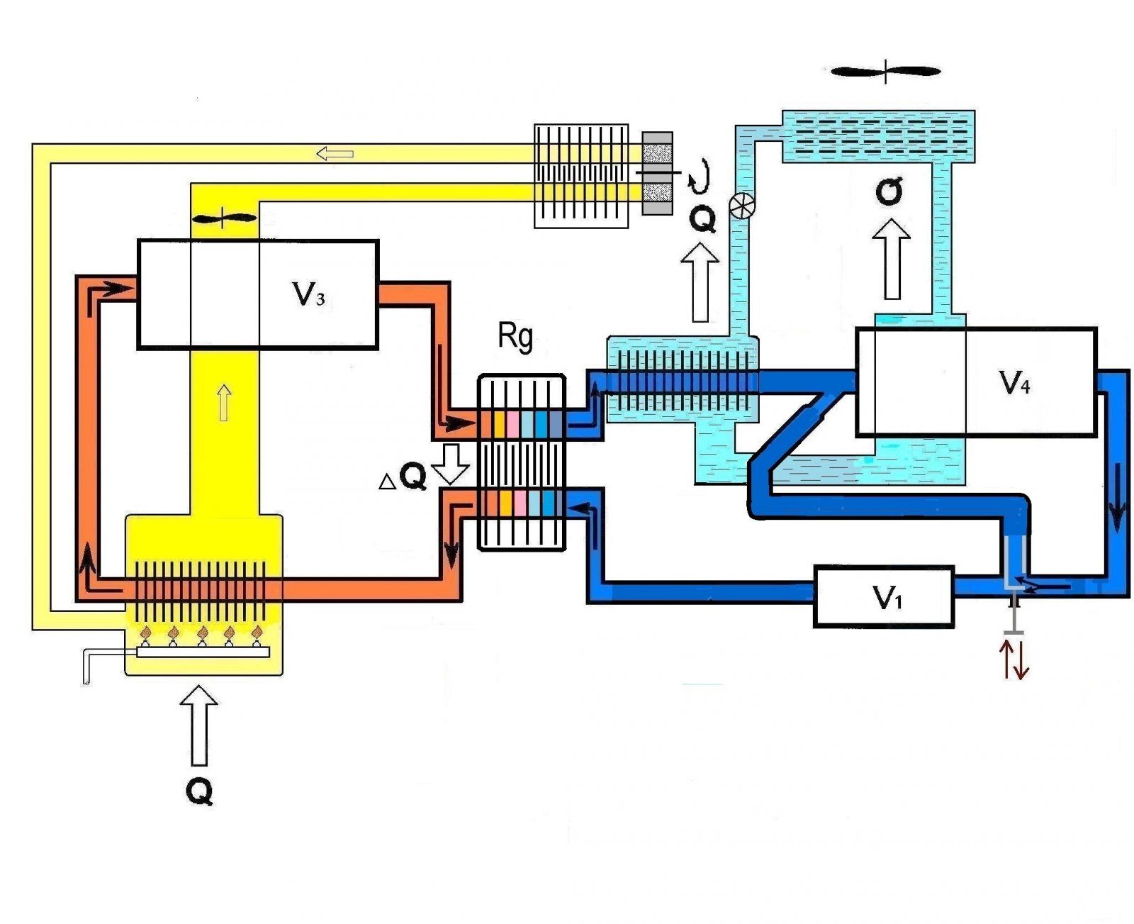
Итак, продолжим (наконец освободился от дел). После того, как разобрались с процессом в пространстве S1 - S2. Рассмотрим модуль S2. В зависимости от функциональной принадлежности роторно-шестеренчатый механизм модуля, будет большим и выполнять еще функцию нагревателя (исходный вариант), или значительно меньшим (но с большими оборотами) для небольших транспортных средств и с возможностью регулирования (частный случай).

Исходный вариант
– шестерни, при незначительной высоте зуба (для как можно более тонкого слоя РТ, что обеспечит более качественный прогрев), должны за оборот в межзубном пространстве протащить условное количество (массу) РТ. Важное значение имеет и опорная поверхность -высота и длинна зуба (площадь где-то втрое меньше средней площади поверхности лопатки модуля расширения). В исходном варианте. Это самый большой модуль, и применятся должен в условиях когда есть возможность иметь большой объем для размещения СУ. Ну и двигатель должен работать в одном определенном режиме (без регулирования).
 
Назад
Вверх