Follow along with the video below to see how to install our site as a web app on your home screen.
Примечание: This feature may not be available in some browsers.

а, тоже от какой то грузовой тележки присобачил с дуру, на траве забивалась, а на асфальте стерлась при первых рулежках, да и маленький диаметр был, рекомендую 120 мм самое малое.
Отлично! Единственно, на фото не очень видно уровень топлива по трубке. Ну и шкалу литража покрасивее нарисовать бы, последний штрих, так сказать.
Виталич,а реально Муху с более легким двигателем загнать в 115 кг?
Не, четыре такта ничем не заменить: ну, 10...15 км/ч в плюсе; разбег и так недлинный, и, судя по фоткам, на местности есть куда сесть и взлететь потом. А скороподъемность при наших высотах, особая и не нужна.А мотор 500-й вполне смог бы носить эту машину с не меньшим успехом, расход правда был бы побольше
Я следил за строительством и многое у Вас можно было упростить и облегчить, но не стал умничать и мешать своими поучениями, у Вас опыта не меньше.А мотор 500-й вполне смог бы носить эту машину с не меньшим успехом, расход правда был бы побольше.
И самое главное 3000об/мин фолькса это музыка.
рассчитываю на вашу помощь
Может. Шунтирующий лучше заменить на нормальный преобразователь, или подключающее-отключющее реле, и дополнительно ввести фильтр из дросселя и конденсатора.
думается, надёжнее стрелочный прибор со старой советской автотракторной техники.
Может. Шунтирующий лучше заменить на нормальный преобразователь, или подключающее-отключющее реле, и дополнительно ввести фильтр из дросселя и конденсатора.
Конечно лучше. Но те схемы, что в интернете мне не по силам.
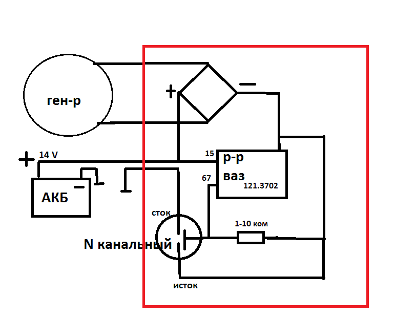
Есть у меня идейка , возможно не правильная, а возможно и рабочая. Если взять готовое Р-Р 121.3702-14в, от жигулей и пусть оно управляет мощным транзистором. Может такая схема работать? Какой транзистор применить? , что скажете?

Будет! Если применить полевой транзистор
Доработал свою схему. Будет работать?