• Вышел новый выпуск программы ФлайтТВ, посвященный современным российским ЮПШ (юношеским планерным школам).
    Видео на Youtube. Ссылки на другие платформы и обсуждение в теме на форуме.

Крыло из поливной трубы + WV = парасоль или-?

Thread moderators: Vitalich
Блошку строим тоже, при его характеристиках компактней не придумаешь. Просто хочу себе на рмз 250. Поворотные крылья нормально заработали при дифференцированном отклонении с ограничением по углу. Основные беды были при срыве поднятой консоли.
 
Потихонечку готовлюсь к новому сезону. Кое что подделываю, кое что инспектирую. Переделал фонарь но опять ошибся в выкройке стекла и наклон увеличился не очень.Снял для инспекции колеса и тормоза,если не снять, не видно изос колодок. Износ колодок едва заметен,подшипники, ступицы ,диски, в полном порядке. Зазоры в креплении рессоры за сезон, более 100 посадок, не изменились. Сейчас занимаюсь генератором и реле регулятором. Собрал стендик и покрутил гену на 3000 об\мин. По переменке выдает   
22 вольта. После Р-Р и конденсатора, без нагрузки 18 в, с нагрузкой 5А. сразу 13.8в. Затем, минут через 10, гена нагревается и напряжение падает до 12.9 в. Сделал вывод: шунтирующая регулировка -это варварство. Генератор натужно гудит и греется,упираясь со всей силы даже при не большой полезной нагрузке. Р-Р тоже греется но не сильно.  Короче нужен не шунтирующий Р-Р, хотя на разных форумах не нашел однозначного мнения по этому вопросу. Попробую собрать схему с жигулевским Р-Р и попробовать.
 

Вложения

  • SAM_0811_002.JPG
    SAM_0811_002.JPG
    54,5 КБ · Просмотры: 260
  • SAM_0808.JPG
    SAM_0808.JPG
    50,5 КБ · Просмотры: 267
  • SAM_0805.JPG
    SAM_0805.JPG
    39,3 КБ · Просмотры: 251
А может  просто  взять  ротаксовский генератор  и  установить  на мотор? Где то  видел фото где так сделано ,  а потом  всё закрыли  диском от  Лады. Вот нашел.........
 

Вложения

  • img087.jpg
    img087.jpg
    121,8 КБ · Просмотры: 326
У ТС с этой стороны винт.
А фонарь и так, даже первый вариант неплохо выглядел. Зачем пытаться сильно  скашивать лоб. Будешь сидеть как в торпеде. Чуть наклонишься и головой в стекло. Вряд ли что то удастся выгадать особо в сопротивлении...
 
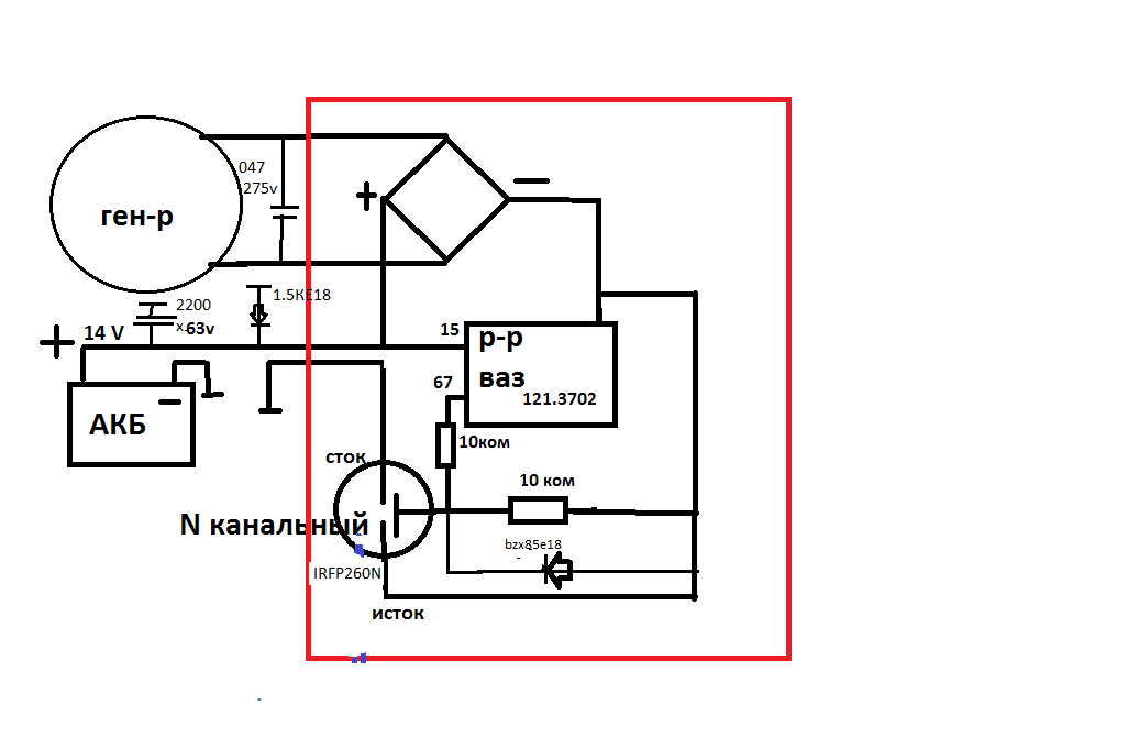
Хочу попробовать свою схему не шунтирующего Р.-Р. Но в электронике я очень слаб. Прошу тех, кто понимает, подсказать какие детали и какого номинала взять?. Может что то надо поправить в схеме? Буду благодарен за любую помощь.
 

Вложения

  • RELE-r.png
    RELE-r.png
    7,9 КБ · Просмотры: 256
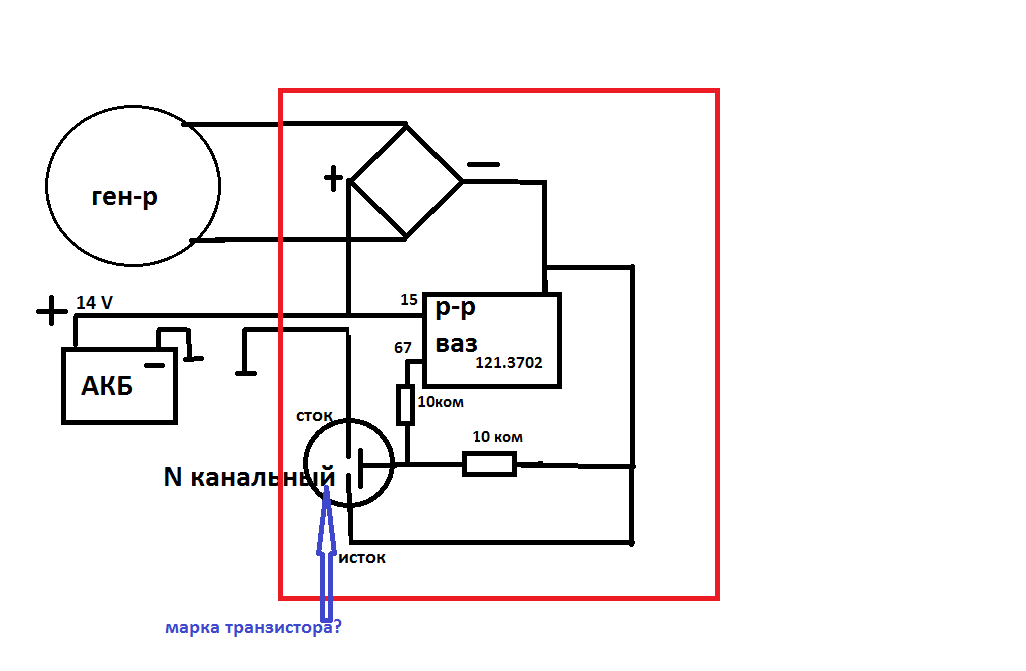
Получив многочисленные рекомендации не равнодушных форумчан ;D,доработал схему. Может что то еще упустил. Гляньте,электронщики,скажите , что ни будь. 🙂
 

Вложения

  • RELE-r_001.png
    RELE-r_001.png
    8,8 КБ · Просмотры: 237
Виталич,  судя по функциональной схеме с 67 вывода Р-Ра идет положительное  управляемое напряжение на щетки ротора генератора . Вы берете это напряжение и посылаете на затвор полевого транзистора ,который управляется положительным напряжением и будет регулировать ток зарядки аккумулятора , все в принципе верно. Но Вы поставили диод  плюсом на затвор, а минусом на исток  , тем самым вы шунтируете переход затвор исток . То есть диод нужно повернуть на 180 гр. Этот диод ставят обычно  чтобы отсечь отрицательные всплески.
 

Вложения

  • 22_182.jpg
    22_182.jpg
    33,9 КБ · Просмотры: 230
Вот поставьте после диодного моста( наберите в алиэкспресс "300 Вт XL4016 DC-DC Макс 9А понижающий преобразователь 5-40 В до 1,2-35"), но такой момент:
Какое напряжение выдает генератор на максимальных оборотах без нагрузки?30-40-50В?
теперь по вашей схеме, работать она скорее всего будет но диод я думаю надо поставить на сток-исток ближе к транзистору, чтоб его не пробило а конденсатор после диодного моста разу
 
работать она скорее всего будет но диод я думаю надо поставить на сток-исток ближе к транзистору, чтоб его не пробило а конденсатор после диодного моста разу
Демпферный диод уже стоит в транзисторе. А кондер я б поставил на напряжение 63в.
 

Вложения

  • 260_001.jpg
    260_001.jpg
    63,5 КБ · Просмотры: 221
Спасибо!  Без нагрузки переменка 22v обороты 3000. Больше 3500 обороты не бывают. Как я понял основной недостаток такого регулирования -это резкое прерывание тока  при наличии индуктивности и из за этого большие скачки напряжения в обмотке генератора? Как можно определить эти скачки?. Осцилографом?


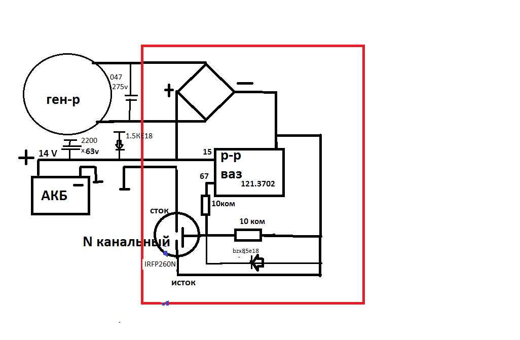
Схему исправил.
 

Вложения

  • RELE-r_001_001.png
    RELE-r_001_001.png
    8,8 КБ · Просмотры: 242
Спасибо!  Без нагрузки переменка 22v обороты 3000. Больше 3500 обороты не бывают. Как я понял основной недостаток такого регулирования -это резкое прерывание тока  при наличии индуктивности и из за этого большие скачки напряжения в обмотке генератора? Как можно определить эти скачки?. Осцилографом?


Схему исправил.
Недостаток данного регулирования в том , что вы  имея ток от генератора , часть его  тратите на полевик в виде тепла.
 
Недостаток данного регулирования в том , что вы  имея ток от генератора , часть его  тратите на полевик в виде тепла.

А почему полевик греется и сколько этого тепла?
сопротивление открытого канала транзистора IRFP260 0,04ома.
При токе 5 ампер  падение напряжение на нем будет 5х0,04=0,2в. Рассеиваемая мощность 0,2Х5 = 1 ватт.
Все зависит от потребляемого при зарядке акб тока.  Оч интересно как будет работать с полевиком.
 
судя по функциональной схеме с 67 вывода Р-Ра идет положительное управляемое напряжение на щетки ротора генератора . Вы берете это напряжение и посылаете на затвор полевого транзистора ,который управляется положительным напряжением и будет регулировать ток зарядки аккумулятора

в электронике я дилетант
пытаюсь разобраться в принципе работы РР, предложенном @ Vitalich
почему это РР считается нешунтируемым? ведь при срабатывании полевого транзистора генератор коротится на "массу"
:-?

@ Vitalich
@ maverick
если есть возможность сообщите пжлст добротную ссылку на тему шунт и нешунт РР для чайника
ну или растолкуйте здесь если объяснение разницы того и другого можно впупыжить в 4-5 предложений
 
Спасибо, Андрей! На недельке закуплю детальки и спаяю.Что получится покажу.
 
почему это РР считается нешунтируемым? ведь при срабатывании полевого транзистора генератор коротится на "массу


Ничего не коротится. Полевик разрывает цепь и все. 

да, не коротит, а разрывает, теперь разобрался...



Vitalich сказал(а):
https://www.xn----ftbeab7aeykeewl3o.xn--p1ai/raznovidnosti
за ссылку благодарю
очень и весьма доходчиво
🙂
 
Назад
Вверх