• Вышел новый выпуск программы ФлайтТВ, посвященный современным российским ЮПШ (юношеским планерным школам).
    Видео на Youtube. Ссылки на другие платформы и обсуждение в теме на форуме.

Крыло из поливной трубы + WV = парасоль или-?

Thread moderators: Vitalich
И у меня сомнения , что генерато не будет так же греться как и от шунтирующего. И там и там нагрузка будет. Если бы вот шунтирующий использовать но с ограничением по току. Или вашу схему, но тоже с ограничением по току. И посмотрите как сделан генератор в соседней ветке " Ещё одна Gazaile 2"
 
И у меня сомнения , что генерато не будет так же греться как и от шунтирующего. 

Мне спорить трудно,в этом вопросе, квалификация у меня низкая.  Рассуждаю так: мой генератор дает 20А тока полной мощности.. Для борт сети надо 5А. При шунтировании,все 20а греют гену и тиристор. При прерывании гену и полевик будут греть только 5А. 
 
При прерывании гену и полевик будут греть только 5А. 
А для чего Вы решили пустить параллельно прерыванию геныча схему с  прерыванием полевика?  Отсечка генератором что не справляется или основная проблема  том ,что прыгает бортовое напряжение и горит оборудование? Если это так ,то можно ограничить незначительное превышение болтового напряжения простым стабилитроном с резистором.
 
А для чего Вы решили пустить параллельно прерыванию геныча схему с  прерыванием полевика?


Не совсем понял. Почему паралельно?. Ведь только полевик  и прерывает цепь при достижении 14V?,а жигулевская релюха только управляет полевиком.
 
https://www.xn----ftbeab7aeykeewl3o.xn--p1ai/raznovidnosti
Это конечно интересно, но там маленькое заблуждение в шунтирующем РР напрежение никогда не превышает 14 В (допустим), а в нешунтирующем он берет от синусойды часть пока она не поднимется до 14 и дальше отключает и представьте что происходит в этот момент? Допустим, почему горят контакты реле? А потому, что размыкание может произойти в любой момент времени и в тот когда какда синусойда на своем пике, напряжение максимально, ток тоже а вы бац и решили разомкнуть контакт. Естественно дуга и прогар. В умных реле это происходит (размыкание) во время перехода нуля. И самое интересное как автор пишет про пилу, и там и там будет та же самая пила, но в нешунтирующем РР становится очень большая вероятность пробоя транзистора от перенапряжения, которое может достигать сотен вольт, вот посмотрите
https://www.youtube.com/watch?v=r8fE65jvWEo
 
На щетки и далее обмотку возбуждения идет дискретное регулирование напряжения с регулятора. Когда геныч стоит идет постонное 12в . С повышением оборотов начиются прерывания .
Полевик влючен параллельно в работу штатной регулеровки.
Вот почитайте с 4 страницы.
https://yadi.sk/i/zOvVYXlFq80wKw
 
Что хотел сказать? Или будет греться гена или регулятор.
Причем, в шунтирующем, регулятор будет грется без нагрузки, а в нешунтирующем, всегда.
Не будет ничего грется . Тут по сути ШИМ( широтно импульсная модуляция) регулируемого сигнала. Длительность импульса амплитутой 12 в то больше то меньше.
 
https://www.xn----ftbeab7aeykeewl3o.xn--p1ai/raznovidnosti
Это конечно интересно, но там маленькое заблуждение в шунтирующем РР напрежение никогда не превышает 14 В (допустим), а в нешунтирующем он берет от синусойды часть пока она не поднимется до 14 и дальше отключает и представьте что происходит в этот момент? Допустим, почему горят контакты реле? А потому, что размыкание может произойти в любой момент времени и в тот когда какда синусойда на своем пике, напряжение максимально, ток тоже а вы бац и решили разомкнуть контакт. Естественно дуга и прогар. В умных реле это происходит (размыкание) во время перехода нуля. И самое интересное как автор пишет про пилу, и там и там будет та же самая пила, но в нешунтирующем РР становится очень большая вероятность пробоя транзистора от перенапряжения, которое может достигать сотен вольт, вот посмотрите
https://www.youtube.com/watch?v=r8fE65jvWEo
Это принцип действия регулирования с отсечкой синусоиды. В этом случае применяют симисторы тиристоры.
Тут немного по другому, прочтите пдф файл выше.
 
На щетки и далее обмотку возбуждения идет дискретное регулирование напряжения с регулятора. Когда геныч стоит идет постонное 12в . 


Какие щетки ? Мой генератор на постоянных магнитах. У него нет обмотки возбуждения.
 
размыкание может произойти в любой момент времени и в тот когда какда синусойда на своем пике, напряжение максимально, ток тоже а вы бац и решили разомкнуть контакт.


Размыкание будет не в любой момент, а не более 14V. Конечно не известна индуктивность обмотки генератора. Посмотрим. Соберу и покручу.
 
На щетки и далее обмотку возбуждения идет дискретное регулирование напряжения с регулятора. Когда геныч стоит идет постонное 12в . 


Какие щетки ? Мой генератор на постоянных магнитах. У него нет обмотки возбуждения.
Понял теперь. Значит полевик к месту.
 
Поговорил еще с одним электронщиком. Его ответ - Дерзайте! Но то что получится, мало вероятно. Можно долго и только с пониманием процесса все сделать, потом выбросить, и поставить шунтирующий.
И я тоже так думаю. Напряжение на генераторе будет около 60 В, мосфет (полевик) нужно будет высоковольтный (Балшуший), плюс чем выше частота шим тем сильнее он будет греться. Схема эта не прокатит. И 60 с чем то градусов для генератора это не температура, на крайний случай у вас пропеллер может обдувать это дело.
Для генератора с постоянными магнитами является нормой работа с шунт.РР.
И вот, что придумал. Ограничьте ток проволочным резистором в коробочке (пусть он греется), поставьте шунтирующий РР после резюка и будет вам счастье.
 
Для этого померьте ток с выхода генератора, допустим если он 20А а напруга 14В то катушка ваша 0,7 Ом. значит добавить 2,1 Ома резюк, чтоб получить 5А на выходе.
0,7Ваша катушка+2,1доп.рез.=2,8 Ом
I=14В/2,8Ом=5А
И мощьность резистора не менее 70 Вт (5А * 14В=70Вт)

Резистор https://ru.aliexpress.com/item/32854529186.html?spm=a2g0o.productlist.0.0.66bb1f3cGC4Aum&algo_pvid=41161f03-2290-4d47-bdf9-c79735346cc3&algo_expid=41161f03-2290-4d47-bdf9-c79735346cc3-0&btsid=202b0029-e071-482e-bcd7-aa9e39cfe321&ws_ab_test=searchweb0_0,searchweb201602_6,searchweb201603_55
 
Можно долго и только с пониманием процесса все сделать, потом выбросить, и поставить шунтирующий.
Коротить фазы шунтом это тоже самое что  одновременно давить на педаль газа и тормоза , где логика уважаемый?
Напряжение на генераторе будет около 60 В, мосфет (полевик) нужно будет высоковольтный
Представленный выше полевик имеет куда большее предельное напряжение стоик исток.
И вот, что придумал. Ограничьте ток проволочным резистором в коробочке (пусть он греется), поставьте шунтирующий РР после резюка и будет вам счастье.
Счастье будет не до долго, до первого скачкаа тока. Так как выходное напряжение будет зависимо от потребляемого тока. А нам нужна стабилизация 14,4 в.
 
Так как выходное напряжение будет зависимо от потребляемого тока. А нам нужна стабилизация 14,4 в.
Вы вообще о чем? Автор же пишет, что ему большой ток не нужен. С добавленным резистором мы снимем нагрузку с генератора в 4 раза, но соответственно и ток потребителя не должен превышать 5 ампер. С повышением нагрузки напряжение начнет падать. Шунтирующий регулятор будет давать те же 14,4 в, что с резистором, что без, только без резистора можно до 20 А снимать с РР, а срезистором максимум 5А.
и не РР а РН (Регулятор Напряжения) наверное правильнее
 
>
>  схемы по
шунтирующему принципу признаны самыми простыми и надёжными,
>
> Если позволит погода , попытаюсь завтра проверить на Мерке , с генератором на
> 40А шунировать с ВТА41...Схема на нешунтирующих "полевиках" продержалась 22
> секунды...
Вот .Схема на нешунтирующих "полевиках" продержалась 22
> секунды...

Я на столе собирал эту,работает,но нужна нагрузка ей.
Вот ссылка https://forum.motolodka.ru/read.php?f=1&i=1789791&t=1789791
 
и на том же форуме
>У неё та же беда, что и у обычного параметрического стабилизатора с транзисторным ключом: неспособность держать высоковольтные входные импульсы, т.е. выбросы.С этой точки зрения шунтирующий стабилизатор предпочтительнее.

Генератор может выдать до 10 тысяч вольт в режиме самоиндукции с ничтожным, но смертельным для полевиков током. Точнее, напряжение пробьет а ток который потом подскочит до десятков ампер, добьет.
 
Вот .Схема на нешунтирующих "полевиках" продержалась 22
> секунды...
Разберитесь что такое ШИМ
На графиках форма сигнала на затворе полевика. Эту форму формирует регулятор- примитивный ШИМ. Так вот  полевик продержится 22 сек в том случае, если форма сигнала будет близка к первому графику. То есть  канал максимально открыт. Если нагрузка не большая, то длительность импульсов будет   гораздо меньше И в таком режиме он проработает сколько угодно.
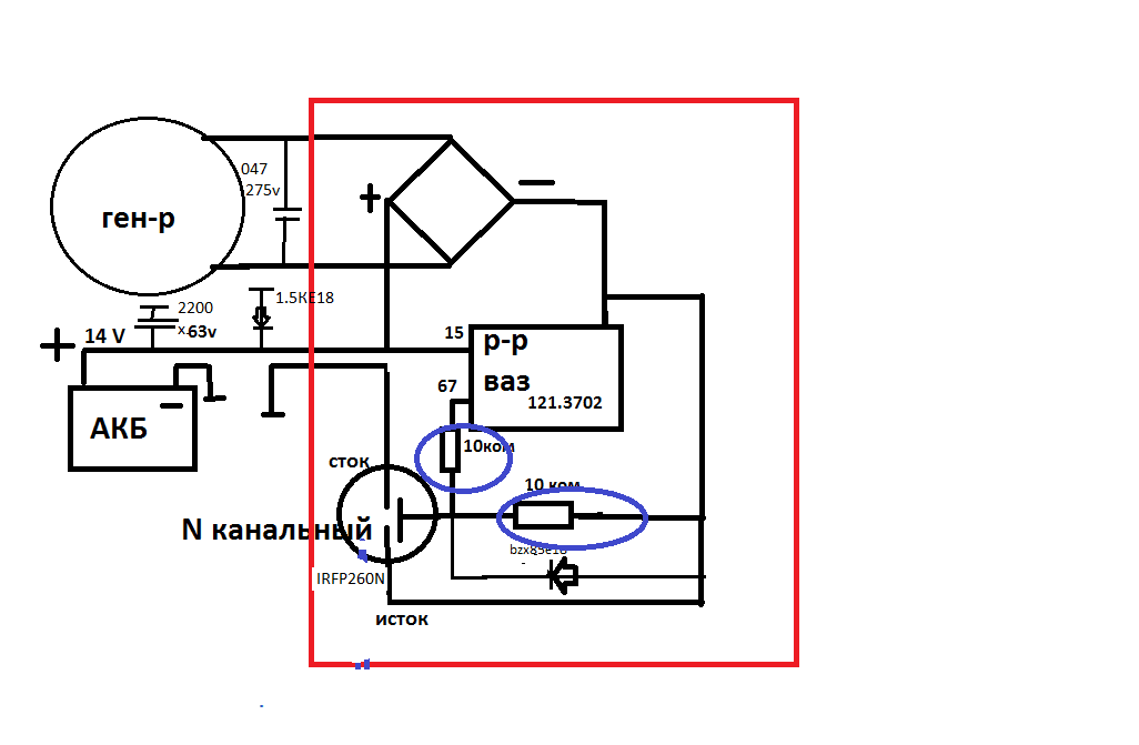
Есть так же мнение  что горел полевик через 22 сек  из-за неправильно выбранного делителя , обвел кружками синими
 

Вложения

  • 111_148.jpg
    111_148.jpg
    24,8 КБ · Просмотры: 327
  • RELE-r_001_001_001.png
    RELE-r_001_001_001.png
    9,3 КБ · Просмотры: 295
Назад
Вверх