• Вышел новый выпуск программы ФлайтТВ, посвященный современным российским ЮПШ (юношеским планерным школам).
    Видео на Youtube. Ссылки на другие платформы и обсуждение в теме на форуме.

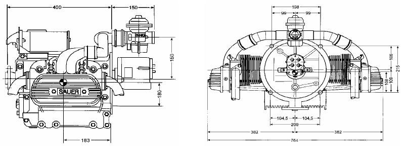
немецкие авиационные двигатели50-125 л.с. и пропеллеры по ценам производителя.

Севолод - а чито на почте у вас никто не работает на письма не отвечает???
Напишу тогда здесь - выше вы упоминали про редуктор ременной 1:2 так вот мну интересуеть именно он, есть ли возможность приобрести : ведущий+ведомый шкив +ремень+валы шкивов с подшипниками (вал ведущего шкива необходимо изготовить по моим чертежам) ????
 
...движки могут быть карбюраторные или инжекторные, есть турбированные. Цены в диапазоне 4500-15000 евро.

...самый дешёвый двигатель, например, S-550 на 50 л.с.
Тот что карбовы очень похож на этот  http://biboxter.de/
 

Вложения

  • Biboxter282CI.jpeg
    Biboxter282CI.jpeg
    38,4 КБ · Просмотры: 157
AeroM
соррри, за нерасторопность некоторых только что задействованых сотрудников, в чьи обязанности входит отвечать на почту. Можете мне дублировать на личный E-mail: sevolod@mail.ru

...для Вас, AeroM, и для всех интересующихся информация по ременным редукторам.
 

Вложения

  • S-23.JPG
    S-23.JPG
    31 КБ · Просмотры: 172
  • _wsb_175x144_S550BC+Getriebe.JPG
    _wsb_175x144_S550BC+Getriebe.JPG
    6,7 КБ · Просмотры: 142
  • Getriebe_S23_001.pdf
    Getriebe_S23_001.pdf
    113,2 КБ · Просмотры: 113
здесь информация по редукторам: цена, вес, с какими двигателями совместимы взависимости от  их мощности.
 

Вложения

  • Pricelist_001.JPG
    Pricelist_001.JPG
    41,8 КБ · Просмотры: 180
Когда ВАЗ делал "восьмерку", двигатель разрабатывали инженеры с "Порша")))) Однако до характеристик "Порша" нашему "ТАЗу"так же далеко как до Марса. 
Не разрабатывали а доводили, потому и результат такой, что предоставленный двигатель позволил то и довели.
 
Нужены четырёхтактные двигатели на 60 и 80 л.с. с редуктором и винтом на крейсер 120-140.
 
для ASAT  примерно ваш двигатель мог бы иметь такие характеристики, но для более детального обсуждения свяжитесь со мной по E-mail  <sevolod@mail.ru>
 

Вложения

  • S_1800.JPG
    S_1800.JPG
    28,4 КБ · Просмотры: 166
  • S_1800_1.JPG
    S_1800_1.JPG
    76,2 КБ · Просмотры: 165
  • S_1800_2.JPG
    S_1800_2.JPG
    46,9 КБ · Просмотры: 157
SeVolod а есть ли 4-х тактный двиг с мощьностью 100-120 л.с. если есть прошу выложить полные ТТХ + цену!!!

По ценам "здесь" тоже интересно. Есть у них еще сертифицированные моторы, но цены естественно выше должны быть.
 

Вложения

  • DatenblattS2400ULneu.jpg
    DatenblattS2400ULneu.jpg
    72,6 КБ · Просмотры: 131
Уважаемый СЕВОЛОД, приведенные вами выше моторы (50 KW и 100 KW) имеют умеренные обороты и используются, думаю, в основном, без редукторов. Есть ли у вас данные по величинам стат. тяги, с какими винтами (диаметр, шаг) на каких оборотах?  Очень интересно. 🙂
 

Вложения

  • S_2400_ult_.JPG
    S_2400_ult_.JPG
    32,5 КБ · Просмотры: 134
  • S_2400_UL.JPG
    S_2400_UL.JPG
    71,1 КБ · Просмотры: 138
...вот цены на 4-х тактные двигатели. (цены производителя, даны без учёта упаковки, доставки и т.д.)
 

Вложения

  • pricelist.JPG
    pricelist.JPG
    113 КБ · Просмотры: 172
@ SeVolod, цены "там" известны. Вы можете назвать цены "тут", включающие в себя стоимость доставки, растаможки, НДС и т.д. Или ваша компания, являсь официальным представителем Sauer, продает эти моторы по ценам, указанным на офф-сайте? Какие обязательства на себя берет компания "Президент-Авиа" по моторам Sauer (сервис, гарантия и т.д.)?
Прошу не искать в моих вопросах подтекста, просто думаю это интересно не только мне.

С уважением,
 
...парни, работа с "Зауер"только началась. Отношения пока выстраиваются. Немцы заинтересованы в российском рынке, поэтому по поводу доставки запасных частей и сервиса двигателей говорить можно с прицелом на скорое будущее. Сейчас идёт этап изучения спроса их продукции в РФ. Мы ставим их двигатели на наши строящиеся самолёты, поэтому естественно, заинтересованы в расширении предложений "Зауер".  Вопросы, которые вы задаёте, ясны. Но не на все я могу дать ответ, поскольку система заказа и доставки из-за малого спроса не отработана до идеала. Каждый заказ требует персональной проработки. Думаю, вы меня поймёте правильно. Одно дело доставлять контейнером целую партию, совсем другое работать под конкретный заказ. Мы имеем свою скидку на продукцию от производителя, поэтому и предлагаем вам всё по их ценам. А НДС, таможенный сбор, стоимость  доставки и прочие возможные расходы вы можете прикинуть сами и даже уменьшить их при желании.

С уважением,
Сергей Володин. 
 
нормально!!!! 18 косарей - за тюнингованый VW.
куда мир катится
 
Вы правы! Цены не детские!

Вот только своих отечественных надёжных двигателей нет! Потому и приходится возить из-за границы.
Кстати, я ничего не имею против ROTAX. У нас самих на одном из самолётов установлены таковые. Работают отменно! Вот только ресурс маловат.
...а теперь по поводу доступного сервиса от ROTAX. Обращались,  но, как выяснилось, не на каждую модель двигателя  можно подобрать нужные запчасти.
Потому и ищем новые возможности. Летать-то охота))))
 
Здравствуйте интересует цена 2х тактного двигателя зауэр  S950 R-C/E  3 ряд, водяного охлаждения  86л/с стандартной комплектации с ременным редуктором 1:1,6  + сколько стоят опции если менять комплектацию.
Доставка в Киев Украина, какая конечная цена.
 
Назад
Вверх