Снова BMW 1200 - проводка, мозги и выхлоп

Добрый день всем!Недавно купил мот Бмв р1200рт,битый в морду,собираюсь собрать СУ.У меня такой вопрос-кто нибудь пробовал оставить родную кпп,в качестве редуктора?Вес у нее около12кг,а у редукторов 7-17кг,качество материалов и сборки-на уровне,и денег 60-80 т.р.можно сэкономить,и времени тоже.И еще,вопросы в ветке задаются правильные и ветка очень актуальная,но ответов мало,наверно они уходят в скайп,в личку.Можно на сайте подробно выложить,как "кастрировать" прводку,какие датчики удалять можно,какие нет?Мне его еще завести надо...,а приборки нет,и правая ручка с газулькой и кнопкой пуска разбита .Посоветуйте,пожалуйста  как правильно его запустить?
 
Завел мотор,работает хорошо,подключил стартер и бензонасос напрямую,-пошло дело,отключил АБС,круиз контроль, разьемы левой ручки-все.Да,и такой вопрос,такой вариант никто не пробовал,винт напрямую,на колено,и сделать чип-тюниг мозгов: крутящий момент сдвинуть на 3500 оборотов и установить ограничение оборотов на 4-4,4т.оборотов.Понятно,что часть мощности потеряю ,но какую??
 
Завел мотор,работает хорошо,подключил стартер и бензонасос напрямую,-пошло дело,отключил АБС,круиз контроль, разьемы левой ручки-все.Да,и такой вопрос,такой вариант никто не пробовал,винт напрямую,на колено,и сделать чип-тюниг мозгов: крутящий момент сдвинуть на 3500 оборотов и установить ограничение оборотов на 4-4,4т.оборотов.Понятно,что часть мощности потеряю ,но какую??

неизвестно как поведут себя вкладыши на такой нагрузке.
и есть ли упорное полукольцо от осевых перемещений. Нагрузка будет же ойойойо какая
Да и мощности не будет мне кажется на этих оборотах.
 
Понятно,что колено не расчитано на осевые и дополнительные  боковые нагрузки,на выходе колена установить подшипниковый разгрузочный узел,а после-ременной редуктор , поднять ось винта примерно на 500 мм.При такой схеме,возможно ли избавиться от демпфера и обгонной муфты?Ремень большой длины должен сглаживать крутильные колебания,или я неправ? Сергею  (Anser) спасибо за помощь по установке его проводки,адаптированной на сла.
 
Ну что народ.Сегодня дошли наконец то руки до второго движка.Кастрировал проводку еще больше.избавился от второго блока.Движка завелась с пол оборота.и что самое интересное даже без датчика положения передачь.будем эксперементировать дальше.Хочется избавиться от проводов по максиму.Надо в меж сезонье на своем тонарге также все повыкидывать.
 
Ну что народ.Сегодня дошли наконец то руки до второго движка.Кастрировал проводку еще больше.избавился от второго блока.Движка завелась с пол оборота.и что самое интересное даже без датчика положения передачь.будем эксперементировать дальше.Хочется избавиться от проводов по максиму.Надо в меж сезонье на своем тонарге также все повыкидывать.
как от блока комфорта удалось избавится? перерпрошивали?
 
Ниего не прошивал.блок штатный.Просто как и предполагал .нашел провод который питает эбу.
 
Преобрел по случаю су БМВ была мыслишка установить на скай Двигатель до меня стоял на аэросанях в свое время как обьяснил хозяин был преобретен в аэромеханике редуктор Тайк_офф. инструкция по эксп. отсутсвует. Хотелось бы уточнить как оределить модель год выпуска данного су .Пробывал запустить завелся с пол ' пинка' но почему-то не становится на малые обороты а так все крутится.Кто-нибудь что-то дельное не посоветует.
 
Что именно интересует.
да все. я пробовал отключать от цифровой линии сам блок комфорта. мотор не заводится. если на работабщем моторе Его отключить от разьема,то мотор продолжает работать. Видимо опрос блока комфорта по цифровой линии идет при первоначальном подключении питания,даьше он не нужен.
Вот и интересно как вы этот опрос обошли.
Запитать-то блок ЭБУ неслжно, схема есть.
Да,мотор 1150 или 1200? 1150-му второй блок не нужен,да  его там и нет кажется
 
Сразу оговорюсь.Отказ от длока комфорта не позволит использовать штатную приборку.но я ее ине ставил изначально.А так во втором шлейфе проводов оставляем только.провода сцеплениа .кнопки пуск .насоса. токовой.масса.имобилайзера.и там есть такой зеленый.На стартер у меня идет своя отдельная цепь.В итоге все завыкается как и раньше .когда на зеленый подаем плюс это будет зажигание.включаем стартер и вуаля. движек затарахтел.Если кто не понял звоните все обьясню.89687353837 Юрий тел мск.
 
простите,но не верю.просто отцепит этот блок не получается. к нему идет опрос при подачи питания на блок ЭБУ.
про все провода которые надо запитывать +12 вольт я в курсе, над схемой мотоцикла всю зиму прокорпел пытаясь понять почему не заводится.
В Ваших словах есть правда если вы описываете проводку 1150-го. там реально можно выкусить три четверти проводки. и как раз на зелененький подаешь напряжение при включении зажигания
 
мож кому надо
 

Вложения

  • bmw_moto_r850_1100_3-1.jpg
    bmw_moto_r850_1100_3-1.jpg
    84,8 КБ · Просмотры: 409
Не к нему а от него идет инфорнация на приборку.Не вериш и не надо))))))Мне то чего.Приезжай посмотри я в Чехове.Вроде не далеко.Заведу и все покажу. мне не жалко.
С уважением Юрий.
 
Не к нему а от него идет инфорнация на приборку.Не вериш и не надо))))))Мне то чего.Приезжай посмотри я в Чехове.Вроде не далеко.Заведу и все покажу. мне не жалко.
С уважением Юрий.
Заеду с удовольствием. этот второй блок нафиг не нужен,а таскать приходится.
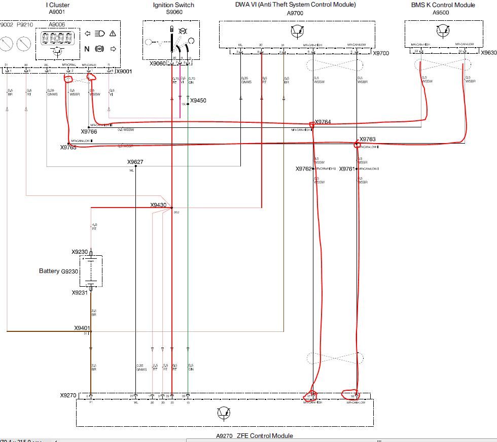
информация на приборку идет по цифровой линии (два витых белых провода) им же и обменивается BMS K и ZFE модули.
 

Вложения

  • Snimok_129.JPG
    Snimok_129.JPG
    87,8 КБ · Просмотры: 401
По этим проводам идет чисто информация на панель приборов. С самой приборки в мозги никакая информация не идет.
 
По этим проводам идет чисто информация на панель приборов. С самой приборки в мозги никакая информация не идет.
бррр. да я не про приборку это и так понятно что приборка счтаывает показания. я про второй блок,блок комфорта который,BMS-K обзывается на схеме. вот его я мечтаю выкинуть.
 
Да и я о нем же.Какоето недопонимания у нас.По витым проводам  блок комфорта передает информацию на приборку.Но и по таким же витым берет информачию с эбу.такую как давление.обороты.уровень масла.температуру.итд и тп.что бы передать ее на приборку.Повторюсь именно пропустить информацию через себя от эбу к приборке.но не наоборот.
Если что звони мне по телефону проще обьяснить .чем клаву топтать.тел выше.Юрий.
 
Привет, друзья.
Нужно покумекать сообща, поскольку пару дней назад у меня двигатель тихо ушел в небытие, короче просто потух в момент руления самолета.  Разбираюсь. BMW R-1200GS 2008 год
На панели при включении зажигания проходит нормальное тестирование, дальше тишина.Топливный насос не включается, питание на стартер не подается, искра на свечу при принудительном вращении стартера не приходит.

Первые мысли, что пришло в голову. Модели "Гуся" этих годов иной раз глючили по причине кольцевой антенны на замке зажигания. Сегодня привез антенну от моего товарища Dim-Ka в результате при тестировании на дисплее высвечивается крупно EWS. Следовательно, антенна не согласуется в отличии от родной. Можно ли считать свою антенну рабочей, если при тестировании ошибки нет?

Далее, проверил тумблер включения зажигания, кнопку запуска, питание на клеммах аккумулят(сам акуммул новый) все рабочее. Минус по цепи в норме.
Для затравки. От плюса зажигания, у меня уходил плюс на прикуриватель. При рассмотрении гнезда последнего обнаружил место искрения на массу, то есть по идее могло иметь место КЗ на провода зажигания. В электрооборудование погружаюсь впервые, схема сделана установщиком двигателя, поэтому прошу понимания. Снял сегодня блок ЭБУ и диагностический разъем с реле для удобства доступа.
Какие у кого мысли?
 

Вложения

  • IMG_3662_003.JPG
    IMG_3662_003.JPG
    128,2 КБ · Просмотры: 456
Назад
Вверх