Статьи по авиации (адаптации и переводы)

Легкий самолет “Peyret”
1687885703549.png

Легкий самолет “Peyret” с двигателем Sergeant мощностью 16 л.с.
Flight 1923-10

1687885171725.png

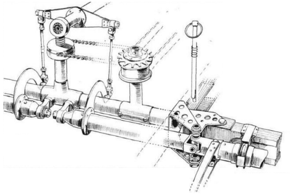
На рисунке показано крепление крыла моноплана Peyret с подробностями. Представляется вероятным, что именно это крепление вышло из строя и, таким образом, привело к поломке крыльев.
Flight 1923-10

1687885217541.png

На верхней фотографии машина показана сбоку, с M. Louis Peyret, конструктором, в кабине пилота, готовящимся к испытанию двигателя Sergant. Внизу машина видна во время транспортного испытания, в то время как на вставке она изображена в полете.
Flight 1923-10
 
Моноплан Sayers-Handley Page
1687886399985.png

Легкий самолет Sayers-Handley Page с двигателем A.B.C. объемом 398 см3.
Flight 1923-10

1687886433019.png

Крепление крыла на моноплане Sayers-Handley Page. Люк запирается с помощью показанного хитроумного устройства.
Flight 1923-10

1687886452456.png

Кабина пилота в моноплане Сэйерс-Хэндли Пейдж (№ 25) полностью закрыта, пилот смотрит через два небольших отверстия в крыше. Позднее прибытие в Лимпне и неисправный двигатель помешали провести тщательные испытания этой машины.
Flight 1923-10

1687886472899.png

Моноплан Sayers-Handley Page, № 26: Эта машина оснащена двигателем Blackburne. Очень маленькое крыло моноплана снабжено передней щнлью, щелевыми элеронами и механизмом регулирования кривизны крыла(variable camber gear -?). Нагрузка на крыло составляет около 8 фунтов/кв. Фут (3,6 кг/м2).
Flight 1923-10

1687886670032.png

Машина в полете. Обратите внимание на небольшое отверстие в крыше, через которое должен смотреть пилот. По-видимому, необходимо добавить перископ к оборудованию этой машины.
Flight 1923-10
 
Продолжаем разговор.

Легкий самолет Parnall "Pixie"
1687966916224.png

Легкий самолет Parnall "Pixie" I и II с двигателем Douglas мощностью 500 и 750 л.с.
Flight 1923-10

1687966962923.png

На рисунке показано соединение стоек с лонжеронами каркаса фюзеляжа на Parnall "Pixie".
Flight 1923-10

1687967032883.png

Система регулировки угла установки стабилизатора на Parnall "Pixie"
Flight 1923-10

1687967063925.png

Аккуратный конец подкоса крыла с регулировкой Parnall "Pixie"
Flight 1923-10

1687967107961.png

Элерон на Parnall "Pixie"; задний лонжерон направлен вперед и стыкуется с передним лонжероном на законцовке крыла; элероны имеют дифференциальное управление.
Flight 1923-10

1687967175075.png

Вид на кабину Parnall "Pixie" . Обратите внимание на индикатор уровня бензина.
Flight 1923-10

1687967203661.png

№ 9, Parnall "Pixie I" в Лимпне, проезжающий через ворота во время транспортного испытания. Справа - капитан. Макмиллан, пилот " Pixie". Вставка: машина заходит на посадку.
Flight 1923-10
 
Моноплан Belgian “Poncelet"
1687968528678.png

"Poncelet " в Лимпне, лейтенант. Simonet в кабине своей машины " Castar ". Вставка, машина в полете.
Flight 1923-10

1687968566905.png

Хвостовое оперение Poncelet;
Flight 1923-10

1687968629348.png

Бензобак на монопланах Poncelet образует обтекатель за головой пилота.
Flight 1923-10

1687968686235.png

В монопланах Poncelet зазор между элероном и задним лонжероном крыла закрыт полоской целлулоида.
Flight 1923-10

1687968734663.png

При запуске в полет в Лимпне легкий самолет Poncelet "Vivette" был подхвачен порывом ветра под одно крыло, в результате чего его сдуло на кончик крыла, погнуло левое колесо и перевернуло на спину. Пилот не пострадал. На фотографии большего размера изображены добровольные помощники, которые возвращают машину колесами вверх, в старом добром стиле 1910-11 годов. На вставке видна машина в момент удара.
Flight 1923-10

1687968819672.png

№ 16, Бельгийский легкий самолет Poncelet В ЛИМПНЕ: виды спереди и сзади в три четверти, а внизу - машина с крылом, уложенным поверх фюзеляжа, готовая к транспортировке.
"Виветт", как называется номер 16, оснащен четырехцилиндровым двигателем Sergant.
Flight 1923-10
 
Вот что писал по этому поводу журнал "Вестник Воздушного Флота" в те годы:
ВВФ
Эту статью мне удалось скопировать в те давние времена, когда все ксероксы и сканеры были на учете в КГБ, но, зато существовал "Межбиблиотечный абонемент" и литературу из государственных библиотек (ГПНТБ, например) можно было получать на руки. 😉
 
Случайно натолкнулся.

Capt. W. H. Sayers (конструктор самолета Handley Page-Sayers Motor Gliders, No 26 (см выше)) сконструировал и построил в 1922 году планёр.

S.C.W. планёр моноплан
Планер –моноплан Sayers, Courtney и Wright
Построен Central Aircraft Company

1688057928371.png

Flight 1922-10

Несмотря на внешнее сходство со знаменитым планером Hannover "Vampyr", планер-моноплан, разработанный капитаном W. H. Sayers в сотрудничестве с мистером F. Courtney и Maj. Wright, построенный компанией Central Aircraft Company в Килберне, отличается от немецкой машины во многих отношениях, особенно в плане деталей конструкции. Аэродинамически "S.C.W." также демонстрирует характеристики, которые расходятся с характеристиками " Vampyr ". Во-первых, используемый профиль крыла сильно отличается от Gottingen No. 441, который, как говорят, применен на Vampyr. В планере-моноплане "S.C.W." профиль крыла является одним из профмлей воздушного винта, T.62, как мы полагаем; то есть в той мере, в какой можно говорить о какой-либо конкретном сечении крыла, которое сужается по толщине и хорде от основания до законцовки. Что Sayers сделал на самом деле, как мы полагаем, увеличил ординаты исходного профиля в центральной части крыла, постепенно уменьшая его, пока фактический профиль не будет получен на некотором расстоянии от оси вдоль размаха, а затем ординаты профиля постепенно уменьшаются к кончику.

Еще одним отличием моноплана "S.C.W." от "Vampyr" является удлинение крыла: у первой машины хорда значительно больше, и, следовательно, удлинение крыла меньше. Как это изменение повлияет на характеристики машины, еще предстоит выяснить.

Как уже упоминалось, конструкция моноплана "S.C.W." сильно отличается от конструкции "Vampyr". Фюзеляж, который по внешней форме очень напоминает "Vampyr", выполнен без проволочных расчалок и, за исключением лонжеронов крыла, без каких-либо металлических деталей. Четыре еловых лонжерона имеют квадратное сечение со стороной 3/4 дюйма (19 мм), в носовой части, уменьшающееся к хвосту примерно до квадрата со стороной 5/8 дюйма (16 мм). Стойки имеют одинаковые размеры и изготовлены из того же материала, а жесткость достигается за счет диагональных еловых укосин, скрепленных с лонжеронами и стойкам с помощью фанерных книц.

Там, где этого необходимо, поперечные панели в фюзеляже выполнены в форме "ромба", заключенного в прямоугольник, углы которого прикреплены к центрам сторон прямоугольника. Обшивка фюзеляжа выполнена из ткани, за исключением тех мест, где возможны локальные нагрузки, например, вблизи хвоста и по низу передней части, где используется фанера.

Крыло состоит из двух половин, соединенных по осевой линии раздвоенными стальными фитингами. Лонжероны крыла имеют сборную конструкцию с фанерными стенками толщиной 3/8 дюйма (9,5 мм) и полками из ели с двух сторон, скрепленными друг с другом через фанерную стенку. Между полками лонжероны усилены вкладышами из ели, которые придают двутавровому сечению прямоугольную форму.

Нервюры имеют очень легкую и аккуратную конструкцию, что хорошо проиллюстрировано на одном из наших эскизов. Легкие квадратные полки нервюр со стороной 1/4 дюйма (6 мм) выполнены из ели, а стенки образованы каркасной конструкцией, состоящей из двойных фанерных полосок. Наконец, к внешней стороне полок и концам полотняных полос прикрепляются узкие фанерные кницы.

Передняя кромка крыла покрыта тонким листом фанеры от передней кромки до верхней части переднего лонжерона. Фанерные полоски, на полках нервюр, заканчиваются на краю листа обшивки носовой части, образуя, таким образом, гладкую поверхность. Следует отметить, что задний край трехслойного листа прикреплен гвоздями к планке, прикрепленной к верхней поверхности лонжерона, так обшивка поддерживается также вдоль размаха, а не только крепится на нервюрах.

Крылья крепятся к фюзеляжу с помощью очень прочных фитингов, раздвоенных на верхних лонжеронах и имеющих в них боковые пазы для лонжеронов. Открутив несколько болтов, крыло можно разобрать либо целиком, либо, открутив трубчатые болты крепления основания лонжерона, на две половины. Эти болты выполнены в виде коротких трубок довольно большого диаметра, что обеспечивает большую площадь опоры, и просто закрепляются шайбой и разъемным штифтом.

Шасси выполнено в виде двух рессор, шарнирно прикрепленных передними концами к нижним лонжеронам и размещенных в задней части таким образом, чтобы они могли свободно скользить вперёд и назад в продольном направлении, поскольку нагрузка на салазки вызывает их деформацию.

Управление по крену осуществляется с помощью элеронов треугольной формы, а органы управления обычного типа, за исключением того, что качалки и тяги заменяют тросы, проходящие через шкивы.

Общая конструкция планера кажется очень хорошей, а качество изготовления, как и следовало ожидать от Central Aircraft Company, превосходным. Представляется вероятным, что, если машина хорошо зарекомендует себя на соревнованиях, C.A.C. может стандартизировать ее и выставить на рынок по разумной цене.

1688058053628.png

ПЛАНЕР-МОНОПЛАН "S.C.W.". Некоторые конструктивные детали:
1. Металлические фитинги, крепящие лонжерон к верхнему лонжерону, а также крепление корневых частей лонжерона.
2. Конструкция законцовки крыла.
3. Детали руля высоты.
4. Эскиз, показывающий конструкцию лонжерона и нервюры.
5 и 6. Детали нервюр.
7. Типичное соединение фюзеляжа фанерными кницами.
Flight 1922-10

1688058087248.png

Набросок S.C.W. (Sayers) Планер в полете.
Flight 1922-10
 
Ну и в продолжение темы.
Оригинальный аппарат.

Munich Monoplane 1921
1688141171733.png

Munich Monoplane 1921
Flight 1922-10

ПЛАНЕРИЗМ В ГЕРМАНИИ
Соревнование на Роне
Машины
Munich monoplane, над которым Koller проделал такую хорошую работу, казалось бы, является воплощением простоты. В планере есть три необходимых элемента: крыло, хвостовое оперение и сиденье пилота. Эти три элемента имеют максимально простую форму и соединены несколькими стойками, обеспечивающими идеальные треугольники. Особенностью машины является то, что в ней нет руля высоты. Хвостовое оперение состоит из неподвижного стабилизатора и руля направления. Вся задняя кромка крыльев закреплена на шарнирах, перемещение ручки управления из стороны в сторону обеспечивает дифференциальное перемещение двух половин задней кромки для управления по крену, в то время как движение вперед и назад опускает или поднимает заднюю кромку обоих консолей крыла, заставляя ее выполнять функцию управления по тангажу. Система, по-видимому, работает хорошо, и в целом этот планер очень привлекает своей почти грубой элементарной простотой.
1688141227278.png

Соревнования по парению в Роне: Munich monoplane, который преодолел расстояние более 2,5 мили (4 км) и оставался в воздухе более пяти минут.
Flight 1921-09
 
Не мог пройти мимо.
Фирма Де Хавилэнд - рулит!
Планер De Havilland D.H.52
НОВЫЙ ПЛАНЕР "ДЕ ХЭВИЛЛЕНД"
Расчалочный моноплан-парасоль.
1688147149047.png

Планер De Havilland
Flight 1922-10

Первый из двух планеров-монопланов, которые строятся на заводе Stag Lane компании de Havilland Aircraft Co., будет завершен на этой неделе, и есть надежда, что некоторые предварительные испытательные полеты могут быть выполнены в течение следующей недели или около того. В понедельник мы посетили мастерскую D.H. works, где был смонтирован планер, были установлены крепежные тросы крыльев и нанесены последние штрихи на различные мелкие детали. В настоящее время машина оснащена V-образными стойками шасси, но, вероятно, позже, когда пилот привыкнет к машине, шасси будет модифицировано и установлено внутри фюзеляжа, заменив существующие трубчатые V-образные опоры, чтобы снизить сопротивление.

Из прилагаемых чертежей в масштабе видно, что планер de Havilland характеризуется крылом-монопланом типа "парасоль" с очень высоким удлинением (11 к 1) и что, несмотря на то, что крыло имеет внешние проволочные расчалки, внешний вид очень чистый. На крыле применен профиль - R.A.F. 15, но было сделано небольшое отклонение от него путем небольшого уменьшения координат верхней поверхности.

Это было сделано для того, чтобы уменьшить вес лонжерона, поскольку было обнаружено, что при использовании фрезерованного лонжерона двутаврового сечения по высоте данного профиля привело бы к слишком большому его весу.

Как передний, так и задний лонжероны изготовлены из ели, а нервюры выполнены из еловых реек толщиной примерно 1/4 дюйма (6 мм) квадратного сечения. форма которого сохраняется с помощью перемычек или распорных элементов.

Внутреннее крепление выполнено тонкой рояльной проволокой, а использования проволочных крестов удалось избежать за счет использования U-образных болтов, проходящих горизонтально через лонжероны. Однако система крепления отличается от той, что использовалась в старых Блерио, поскольку в смежных отсеках тяговые тросы крепятся к обычным монтажным пластинам.

Таким образом, настройка геометрии уже не совсем то искусство, каким оно обязано было быть для старинных Блерио.

Крыло моноплана очень просто крепится к фюзеляжу двумя рым-болтами, входящими в зацепление с соответствующими раздвоенными концевыми болтами на вершинах двух опалубок или переборок, поднимающихся от верхних лонжеронов собственно фюзеляжа. Таким образом, крыло опирается на фюзеляж только в двух точках по центральной оси. Таким образом, крепление используется для поддержания крыла в его надлежащем положении относительно фюзеляжа.

Что касается распределения нагрузок по крылу, лонжероны можно рассматривать как цельные балки, поскольку две концевые секции соединены безшарнирно с центропланом большого размаха. Попутно можно упомянуть, что эти соединения в лонжеронах происходят в точке, где изгибающий момент равен нулю. Так что не требуется большой прочности.

Крепление крыла выполнено в виде цельной фортепианной проволоки, все нижние расчалки дублируются, в то время как верхние - все одинарные. Лонжероны закреплены в двух точках между центральным креплением и концами, так что, несмотря на большой размах, расстояние между креплениями невелико. Нижние расчалки прикреплены к креплению на нижнем лонжероне фюзеляжа, и на том же креплении имеется выступающий вниз и немного назад крюк, который должен служить креплением для стартовой веревки.

Обшивка крыла выполнена из белого батиста, обработанного новым составом Cellon glider dope.

Верхние расчалки прикреплены к плавнику (или пилону), установленному над крылом.

Управление по крену осуществляется элеронами, и в связи с этим можно упомянуть, что используется «дифференциальный» тип, запатентованный компанией de Havilland. При таком расположении элерон, который движется вверх, отклоняется на больший угол, чем при движении вниз. Опыт работы с самолетами показал, что этот тип управления элеронами очень эффективен, и, поскольку достаточный контроль является большим преимуществом для планера, его предпочли обычному типу.

Фюзеляж, что касается его основной части, состоит из четырех тонких еловых лонжеронов, соединенных стойками и покрытых тонкой (1 мм) фанерой. Распорки проходят по диагонали по большей части фюзеляжа, но кое-где, где этого требуют местные соображения, диагональные распорки усилены легкими переборками. Следует отметить, что эти распорки просто крепятся к лонжеронам и не прикрепляются к ним иначе, как с помощью обшивки из фанеры, причем распорки предназначены для придания жесткости обшивке, а не в качестве элементов крепления, сама обшивка выполняет функцию крепления.

Сам фюзеляж очень неглубокий, и для того, чтобы прикрепить к нему крыло, к его верху была пристроена вспомогательная конструкция, состоящая из легких рамок. Можно возразить, что более легкая конструкция была бы получена в результате придания самой конструкции фюзеляжа требуемой глубины, но, хотя теоретически это могло бы показаться таковым, на практике было установлено, что для достижения необходимого снижения веса лонжероны и многослойная древесина должны были бы иметь такие малые размеры, которые были бы трудно осуществимыми. Следовательно, для части, устойчивой к нагрузкам, была выбрана неглубокая коробка, а остальная часть была выполнена в максимально легкой форме. Ребро втоль верхней части фюзеляжа образован проволокой, идущей от задней переборки крыла к хвостовой части, и поверх образованной таким образом вершины треугольного сечения натянута тканевая обшивка.

Хвостовое оперение, рули высоты, киль и руль направления действительно очень легкой конструкции и покрыты, как и крылья, тканью. Петли руля высоты имеют форму кожаных ремней, подобных тем, которые используются на ветрозащитных экранах, вешалках для белья и т. д., и представляют собой самую легкую и эффективную форму петли из возможных. Угол, на который можно перемещать рули высоты, очень велик (т. е. 90° в каждую сторону), а зазор между оперением и лонжеронами руля высоты всегда остается закрытым. Хвостовое оперение установлено на небольшой поперечной переборке высотой около 5 дюймов (127 мм) над плоской верхней частью фюзеляжа и крепится к ней двумя рым-болтами. Задний лонжерон хвостового оперения крепится болтами к килевой стойке. Между прочим, можно отметить, что изогнутая передняя кромка хвостового оперения образована несколькими полосками из ели, конструкция которых очень прочная и имеет то преимущество, что изогнутые элементы могут быть сформированы без обработки паром.

Элементы управления обычного типа, как ножная перекладина, так и "джойстик" сделаны из стальной трубки. Троса управления проходят к хвостовой части снаружи фюзеляжа, в то время как те, что ведут к элеронам, тянутся вверх вдоль переборки позади пилота, вокруг шкивов, через переднюю часть крыла к качалкам управления внутри крыла.

Кабина пилота находится непосредственно перед передней кромкой крыла, и здесь, как и в кормовой части, необходимая глубина фюзеляжа обеспечивается легкой надстройкой. Отсутствие "гаджетов" в кабине пилота заставляет желать, чтобы подобная простота была достижима и в самолетах, где пилот обычно настолько окружен приборами, что часто удивляешься, как у него вообще остается время для пилотирования. Единственным прибором, установленным в настоящее время, является индикатор воздушной скорости. Это один из новых приборов, только что выпущенных на рынок компанией Smith and Sons, и предназначен для получения показаний от 10 миль в час (16 км/ч) и выше. Кроме того, "задержка" показаний была сведена к минимуму, так что прибор должен быть ценным приобретением на планере, который должен летать практически с постоянной скоростью.

Как уже упоминалось, планер de Havilland в настоящее время оснащен V-образными стойками шасси, но позже может быть установлен модифицированный тип, частично размещенный в нижней части фюзеляжа. У нынешнего есть V-образные опоры из стальной трубы с маленькими колесами от самоката, закрепленными на оси, подвешенной на резиновых шнурах снизу опор.

Костыль, изготовленный из нескольких слоев дерева, крепится на выступающей вниз стойке киля и крепится свободным концом к кожаному ремню, привинченному к нижним лонжеронам фюзеляжа.

На момент нашего визита на завод де Хэвилленд планер еще не был взвешен, но ожидалось, что вес пустого планера составит около 250 фунтов (113 кг), в этом случае полетный вес составит приблизительно 400 фунтов (181 кг), или нагрузка на крыло составит менее 2 фунтов на кв.фут (9,8 кг/м2).

Планер выполнен в черно-белом цвете, крылья и хвостовое оперение сохранили первоначальный цвет ткани, в то время как фюзеляж и нижняя часть кузова окрашены в черный цвет. На данный момент планер не был заявлен на участие в конкурсе Daily Mail, но мы надеемся, что он будет заявлен до даты закрытия, 7 октября.

1688147228296.png

НЕКОТОРЫЕ КОНСТРУКТИВНЫЕ ДЕТАЛИ ПЛАНЕРА DE HAVILLAND:
1. Передняя часть фюзеляжа с V-образным шасси.
2. Переборки или рамки, к вершинам которых крепится крыло.
3. Детали верхней части задней переборки, показывающие крепление проволоки, которая образует выступ треугольной верхней части фюзеляжа.
4. Конструкция надстройки над кабиной пилота,
5. Некоторые более мелкие детали.
6. Одна половина руля высоты с разрезанной задней кромкой, чтобы показать многослойную конструкцию.
7. Кожаные петли руля высоты.
8. U-образные болты и внутренние распорки лонжеронов крыла в месте крепления расчалок.
9. Переборка, на которой установлена передняя кромка хвостового оперения.
Flight 1922-10

1688147500440.png

Основной вариант шасси.
Flight 1922-10

1688147576103.png

Планер De Havilland Glider "Sibylla" готовится к полету.
Flight 1922-10

1688147694562.png

Планер D.H.52 на Stag Lane в октябре 1922 года. Обратите внимание на шасси с распорками, которое не было установлено, когда позже в том же месяце он принимал участие в соревнованиях по планеризму в Митфорде.
Aeroplane Monthly 1982-05
 
На следующий 1924 год в Лимпне уже соревновались 2-хместные самолеты с прицелом на учебную машину.
Вот отчет NACA:
NACA TM №289
1688282047716.png

На этот раз при переводе я добавил информацию из периодики по конструкции сразу в текст, но выделил этот текст курсивом, чтобы не было путаницы.
 
Итак.
НАЦИОНАЛЬНЫЙ КОНСУЛЬТАТИВНЫЙ КОМИТЕТ ПО АВИАЦИИ

ТЕХНИЧЕСКИЙ МЕМОРАНДУМ № 289

1924 г.

ЛЕГКИЕ ДВУХМЕСТНЫЕ САМОЛЕТЫ​

Которые участвовали в конкурсе, проходившем в Лимпне, Англия, неделя с 29 сентября по 4 октября 1924 г.
Составлено NACA из «Flight» от 25 сентября, 2 и 9 октября и из «Aeroplane» от 24 сентября, 1, 8 и 15 октября 1924 г.

Целью этого конкурса было создание самолета, подходящего для обучения.
Различные призы были присуждены по следующим зачетам:

Вступительные требования
Вначале самолет должен был быть представлен официальным лицам в полностью собранном виде. Затем он должен был быть разобран или сложен таким образом, чтобы его можно было комплектно перевезти за одну поездку на расстояние не более 75 футов (23 м) и поместить в ангар шириной 10 футов (3 м). Затем самолет должен был быть извлечен из ангара и снова собран силами только двух человек за два часа.
Затем была быть проведена возможность двойного управления. Пилот должен был совершить два полета, по одному с каждого места, по схеме восьмерка в пределах аэродрома.

Диапазон скоростей
За эту квалификацию была присуждена большая часть призов, которая определялась по следующей формуле:
1688282433996.png

Vmax не должна была быть менее 60 миль/ч (96,5 км/ч)), а Vmin не должна превышать 45 миль/ч (72,4 км/ч).

Взлетная дистанция
Это испытание требовало, чтобы у самолета взлетная дистанция с места и до преодоления барьера высотой 25 футов (7,6 м) была как можно меньше. Причем за каждый ярд (0,9 м), на который расстояние было меньше 450 ярдов (411,5 м), присуждалось одна награда.

Посадочная дистанция
В этом испытании самолет должен был при посадке пересечь барьер высотой 6 футов (1,83 м) и остановиться на кратчайшем расстоянии от барьера, при этом за каждый ярд (0,9 м), на который расстояние было меньше 150 ярдов (46 м) присуждалась одна награда.

Надежность
Награды в этом испытании присуждались самолетам, совершившим наибольшее количество кругов за период соревнований, с общим пройденным расстоянием не менее 400 миль (644 км). Еще одно условие требовало, чтобы самолет налетал не менее 10 часов за этот период.

Максимальная и минимальная скорость
Испытания на максимальную скорость проводились на треугольной трассе длиной 12,5 миль (20 км) за два отдельных полета по 75 миль (120 км) каждый или 6 кругов. Между двумя полетами был разрешен перерыв только для заправки бензином и маслом.
Испытание на минимальную скорость проводилось на прямой трассе длиной около 500 ярдов (457 м) и шириной 25 ярдов (23 м) между установленными с интервалами красными флажками с обеих сторон. Нужно было пройти дистанцию дважды в обоих направлениях на постоянной высоте не более 20 футов (6 м). Результатом принималось среднее значение скорости для четырех полетов.

С аэродинамической и конструктивной точки зрения большинство самолетов были достаточно удачными, большинство отказов было связано с двигателем, поэтому, с должным вниманием, в этом меморандуме приводятся данные, касающиеся всех самолетов, которые произвели благоприятное впечатление с точки зрения конструкции, а также летных данных.
Требования к разработанному двигателю были довольно суровыми, и «Cherub» (Херувим) был единственным, кто прошел изнурительные испытания более-менее удовлетворительно. Однако прогнозируется, что еще через год разработок будет выпущен двигатель, который, как можно надеяться, будет соответствовать требованиям, предъявляемым для применения на двухместном легком самолете.

Официальные данные об успехах представленных самолетов для целей предварительной подготовки или обучения приводятся отдельно перед описанием конструкции самолета.

Готовится еще один технический меморандум по маломощным или легким самолетам других европейских стран.
 
Моноплан «Wee Bee I» («Пчелка-1»)

Легкий самолет "Wee Bee I" (двухместный высокоплан), разработанный г-ном W. S. Shackleton, после присоединения к W. Beardmore & Coo, Ltd., вполне естественно подобен монопланам ANEC, также разработанным им. Однако есть некоторые особенности, которые обеспечивают очень чистую конструкцию, при этом были предприняты все усилия, чтобы свести к минимуму выступающие части, которые могли неблагоприятно повлиять на его летные характеристики.

Габаритные чертежи, размеры, площади и рабочий объем двигателя показаны на рис. 1.
1688282606392.png

Характеристики этого самолета, указанные в официальном заявлении:

Максимальная скорость
70,11 MPH​
112,8 км/ч​
Минимальная скорость
39,66 MPH​
63,8 км/ч​
Диапазон скоростей
76.77%​
Взлетная дистанция
235 yards​
215 м​
Посадочная дистанция
124 yards​
113 м​
Общее пройденное расстояние
737,5 miles​
1187 км​
Общее время полетов
11 hours​
11 ч​

Он имеет удивительно неплохие летные характеристики для двухместного аппарата с двигателем рабочим объемом 1096 см3 (66,88 куб. дюймов). Кроме того, его конструкция проста, надежна и сравнительно недорога.

Это не строго свободнонесущий моноплан, поскольку крыло состоит из двух консолей, при этом каждая консоль подкреплена двумя параллельными подкосами, идущими от нижних лонжеронов фюзеляжа. Кроме их других внешних подкосов нет, ни в хвостовом оперении, ни в шасси.

Поперечное сечение фюзеляжа было ужато до минимума, и в целом была предпринята очень эффективная попытка достичь высокого аэродинамического качества.

Каркас фюзеляжа образован шестью еловыми лонжеронами со шпангоутами или переборками из ели и трехслойной фанеры, обшит трехслойной березовой фанерой толщиной 1/16 дюйма (1,6 мм). Гаргрот в поперечном сечении примерно соответствует форме головы и плеч человека. Органы управления и приборы обычного типа и пилотировать самолет можно с любого места.
1688282799042.png

Передняя обшивка кокпита Beardmore "Wee Bee I". Передняя кромка и верхняя крышка откидываются на петлях для входа в кокпит и выхода из него.
Flight 1924-10

1688282815389.png

"Офис" Beardmore "Wee Bee I" можно увидеть, откинув центральную часть передней кромки, как показано на этой фотографии.
Flight 1924-10

1688282858293.png

Вид спереди на заднюю кабину Beardmore "Wee Bee I", показывающий крепление лонжерона к верхней части фюзеляжа. Эта кабина закрыта откидным окном из целлулоида.
Flight 1924-10
 
Крылья классической конструкции имеют по два коробчатых лонжерона с трехслойными фанерными стенками. Здесь нет ни внутренних, ни внешних силовых элементов обычного типа. Жесткость крыла обеспечивает фанерная обшивка носка крыла до заднего лонжерона в районе от фюзеляжа до крепления подкосов, а от узлов крепления подкосов до законцовки крыла обшивка носка доходит только до переднего лонжерона.
1688282935775.png

Эта фотография дает хорошее представление о конструкции крыла Beardmore "Wee Bee".
Flight 1924-09

Элероны имеют большое удлинение и шарнирно закреплены на дополнительной стенке или стрингере. Проводка управления элеронами тросовая к Т-образным качалкам, от которых к элеронам идет жесткая тяга. Элерон шарнирно закреплен на нижней кромке и приводится в действие непосредственно с верхней кромки с помощью жесткой тяги. Ролики в управлении не используются.
1688282975878.png

Качалка элерона с жесткой тягой.
Flight 1924-09

1688283001790.png

Щель между элеронами и крылом "Wee Bee I" закрыта алюминиевыми полосками.
Flight 1924-10

Руль высоты неразрезной, подвешенный на шарнирах у его верхнего края. Центральная часть его нижней поверхности имеет такую форму, чтобы продолжать обтекаемую форму фюзеляжа в этой точке. Еще одним преимуществом этой конструкции является то, что рулем высоты можно управлять без обычной внешней качалки, поскольку в хвостовой части фюзеляжа имеется промежуточный вал с качалкой, от одного конца которой проходит тяга к нижнему краю руля высоты. Тросовая проводка от этой качалки на промежуточном валу тянется к органам управления в кабине. Треугольный зазор между рулем высоты и фюзеляжем закрыт дюралюминиевым обтекателем, делающим нижнюю поверхность горизонтального оперения продолжением фюзеляжа.

Шасси имеет простейшую конструкцию. Ось изготовлена из хромоникелевой стали и обладает достаточной гибкостью, чтобы поглощать удары при посадке. Она поддерживается цапфами, которые позволяют ей свободно изгибаться. Одна цапфа жестко закреплена на оси, чтобы выдерживать крутящие нагрузки и воспринимать боковую нагрузку. Другая цапфа воспринимает нагрузки только «Вверх» и позволяет оси скользить вбок, тем самым обеспечивая необходимую свободу при её деформации.

Крепление двигателя весьма интересно. Верхняя опора состоит из пирамидальной выступающей рамы из листового дюралюминия, а нижняя опора состоит из двух продольных дюралюминиевых стоек, от которых к нижним углам моторного отсека идут диагональные раскосы из стальных труб. Двигатель можно снять, открутив четыре болта и отсоединив топливные и масляные трубопроводы.
1688283050149.png

Эскиз, показывающий очень лаконичную мотораму.
Flight 1924-09

1688283091764.png

Двигательная установка Bristol "Cherub" под капотом.
Flight 1924-09

1688283129517.png

Beardmore W.B.XXIV Week Bee I G-EBJJ был построен для участия в испытаниях легких самолета в Лимпне в 1924 году и получил главный приз из рук M. Pearcy. Весивший всего 840 фунтов (381 кг) с двумя пассажирами, Wee Bee развивал максимальную скорость 87 миль в час (140 км/ч) на 32-сильном Bristol Cherub.
Aeroplane Monthly 1978-02
 
Моноплан “Brownie” («Домовой»)

Легкий самолет «Brownie» (двухместный моноплан с низкорасположенным крылом) был разработан капитаном F.S. Barnwell, и два из них, известные как №1 и №2, были представлены компанией Bristol Airplane Company, Ltd.
1688283417465.png

Вид спереди три четверти.
Flight 1924-09

На рис. 2 приведены габаритные чертежи с размерами, площадями и рабочим объемом двигателя.
1688283441569.png

Каркас фюзеляжа самолета №1 выполнен из металла, а крылья обычной деревянной конструкции.
Самолет №2 – первый легкий самолет имеющий цельнометаллический каркас.

В этом меморандуме подробно рассмотрена конструкция самолета №2, являющаяся отклонением от обычной практики, и, возможно, немного более интересная на данный момент.

Однако самолет № 1 с обычной конструкцией из дерева и ткани оказался более удачным, его характеристики, согласно официальному заявлению, были следующими:

Максимальная скорость
65,19 MPH​
105 км/ч​
Минимальная скорость
38,73 MPH​
62 км/ч​
Диапазон скоростей
68.33%​
Взлетная дистанция
215 yards​
197 м​
Посадочная дистанция
102,6 yards​
94 м​
Общее пройденное расстояние
512,5 miles​
825 км​
Общее время полетов
10 hrs. 23 min. 40 sec.​
10ч. 23м. 40с.​

Он имеет неплохие летные характеристики. Его взлетно-посадочные характеристики позволяют эксплуатацию с очень небольшого поля.

Лонжероны и стойки каркаса фюзеляжа выполнены из стальных труб, скрепленных расчалками из рояльной проволоки с тандерами. Простые втулки привариваются к лонжеронам и просверливаются насквозь для установки винтов крепления торцов стоек. Причем этими винтами также крепятся проушины для расчалок.
1688283534251.png

Типовое соединение стоек с лонжеронами фюзеляжа.
Flight 1924-09

Сиденья имеют оригинальную конструкцию. Лист дюралюминия, гофрированный с боков, подвешен - как гамак - между противоположными сторонами прямоугольной рамы из легких стальных труб. Эта рама устанавливается в наклонном положении, одна из противоположных сторон приподнята, образуя спинку. Конструкция сиденья держит форму благодаря опорам из трехслойной фанеры на еловым каркасе. Рифленое сиденье оснащено воздушной подушкой.

В месте крепления крыльев используются деревянные шпангоуты, состоящие из фанерных стенок, установленных на раме, с простым штифтовым соединением внизу и регулируемым соединением вверху каждого лонжерона. Болт с вильчатой головкой последнего ввинчивается в зубчатую гайку, которая, в свою очередь, ввинчивается в толстый стальной фитинг. Резьба гайки обеспечивает очень точную регулировку угла поперечного “V” крыла.
1688283585984.png

Место крепление крыла к фюзеляжу. В этом месте встроен деревянный шпангоут, хотя фюзеляж выполнен из стальных труб.
Flight 1924-09

Крылья самолета №1 изготовлены из еловых и фанерных коробчатых лонжеронов с еловыми нервюрами балочного типа. Силовые «распорные» нервюры усилены стойками, расположенными горизонтально и вертикально. Двойные крестовые расчалки имеются в каждом отсеке крыла сверху и снизу лонжеронов.

Крылья самолета №2 имеют стальные лонжероны и дюралюминиевые нервюры. Полки лонжеронов имеют однородное поперечное сечение из 2х склепанных элементов по всей основной части размаха.
1688283649277.png

Детали конструкции металлического лонжерона.
Flight 1924-09

Ближе к концу крыла, где высота лонжерона становится меньше, зигзагообразное полотно не продолжается, и остается только П-образный профиль

«Стенка» лонжерона состоит из непрерывной стальной трубы (диаметром около 1 ¾ дюйма (ф 44,5 мм)), согнутой в виде фермы и сплющенной на изгибах, где она приклепана к полкам.
1688283762332.png

Корневая часть левого крыла. Обращает внимание очень оригинальная конструкция «стенки» лонжерона.
Flight 1924-09

Нервюры представляют собой очень простую ферменную балку, изготовленную из дюралюминиевых швеллеров.
1688283781770.png

Детали крепления нервюр к передней кромке крыла.
Flight 1924-09

В качестве обшивки на обоих самолетах используется ткань.

Вместо обычного троса управления сверху элероны удерживаются резиновыми шнурами с надлежащим натяжением, цель состоит в том, чтобы получить автоматический регулируемый изгиб дужки профиля, который будет приближаться и, наконец, совпадать с нормальным изгибом дужки профиля по мере увеличения воздушной скорости.

Стабилизатор, руль высоты, киль и руль направления имеют металлический каркас классической конструкции. Руль высоты соединен с промежуточной качалкой, кривошипы которого видны над палубой фюзеляжа. Тросы руля направления расположены под прямым углом к его оси, что позволяет избежать дополнительных косых нагрузок на руль.

Двигатель установлен на четырех стальных стойках, выступающих из передней переборки фюзеляжа. Эти стойки не имеют соединения друг с другом, а их незначительная жесткость защищает фюзеляж от вибраций двигателя. К двигателю обеспечен хороший доступ, и он легко снимается.
1688283830780.png

Крепление двигателя "Cherub" на четырех трубчатых консольных стойках без подкрепления. Эти стойки прочно прикреплены болтами к двигателю и крепятся к противопожарной переборке с помощью накидных гаек.
Flight 1924-09

Бензиновые и масляные баки установлены над передней переборкой и за ней, обеспечивая достаточный напор для подачи самотеком.

1688283863468.png

Основные стойки шасси.
Flight 1924-10

1688283888295.png

Хвостовая опора Bristol представляет собой листовую рессору.
Flight 1924-10
 
Биплан Hawker «Cygnet» (Лебедь)
1688284023541.png

“Cygnet”, оснащенный двигателем A.B.C. "Scorpion" .
Flight 1926-02

Габаритные чертежи, размеры, площади и мощность двигателя приведены на рис. 3.
1688284064711.png

Два легких самолета Cygnet (двухместные бипланы), обозначеные номерами 1 и 2, были построены и представлены компанией H.G. Hawker Engineerig Co., Ltd. и были встречены с большим интересом. Их характеристики, согласно официальным данным, с использованием лучшего результата, достигнутого каждым самолетом, были:

Минимальная скорость
37,42 MPH​
60,2 км/ч​
Взлетная дистанция
250 yards​
229 м​
Посадочная дистанция
56,7 yards​
52 м​
Общее пройденное расстояние
475 miles​
1199 км​
Общее время полетов
10 hrs. 24 min. 40 sec.​
10ч 24м 40с​
По неофициальным данным, номер 2 имеет максимальную скорость 75 миль/ч (120,7км/ч).

Взлетно-посадочные характеристики были, пожалуй, лучшими. Эффективность органов управления была превосходной, как показала демонстрация «сумасшедшего» полета, а время как избыточная мощность была очевидна.

При проектировании и постройке этих самолетов были приложены все усилия для достижения предельно низкой массы. Буквально в конструкции не осталось ни грамма лишнего веса, и в результате они стали самыми легкими из всех представленных самолетов.

Вес пустого, то есть в комплекте с двигателем, но без пилота, пассажира, бензина и масла, составляет всего 373 фунта (169 кг). Без двигателя конструкция весит около 270 фунтов (122,5 кг). Общий вес в снаряженном состоянии составляет всего 730 фунтов (331 кг).

Каркас фюзеляжа ферменной конструкции, состоящий из четырех лонжеронов Х-образного сечения и скрепленных в виде фермы Уоррена диагональными стойками такого же поперечного сечения. Стойки крепятся к лонжеронам вместо обычной металлической арматуры фанерными косынками, частично приклепываемыми, а частично привинчиваемыми. Эта конструкция устраняет коробление и не требует регулировок.

Гаргрот состоит из тонких стрингеров клиновидного сечения, поддерживаемых легким каркасом арочной формы из трехслойной фанеры. Обшивка гаргрота из ткани.
1688284181983.png

Конструкция фюзеляжа с использованием фрезерованных лонжеронов Х-образного сечения и стоек, соединенных фанерными накладками
Flight 1924-09

Каркасы крыльев имеют коробчатые лонжероны обычной конструкции с еловыми нервюрами, причем последние представляют собой ферменную конструкцию Уоррена, аналогичную фюзеляжу, за исключением того, что полки и стойки имеют квадратное, а не Х-образное поперечное сечение. Крылья обклеены тканью.

1688284232620.png

Детали конструкции крыла
Flight 1924-09

Центроплан верхнего крыла опирается на четыре стальные стойки с деревянными обтекателями, в то время как нижние меньшие крылья крепятся корневыми частями в нижней части фюзеляжа.
1688284254176.png

Узлы крепления стоек центроплана к лонжерону фюзеляжа.
Flight 1924-09

В соответствии с положениями, предусматривающими складывание крыльев, между передними лонжеронами верхнего и нижнего крыльев устанавливается легкая временная распорка.

Стойки бипланной коробки выполнены из ели и имеют I-образную форму. Они установлены под значительным наклоном, что видно на виде спереди.

Для достижения низкой посадочной скорости используется закрылки. Элероны расположенные по всему размаху верхнего крыла могут одновременно опускаться вниз, при этом сохраняя дифференциальное отклонение. Это достигается за счет перемещения продольного вала ручек управления, при этом передняя опора вала шарнирно закреплена, а задняя опора, установленная сверху червячного механизма, может подниматься или опускаться.
При подъеме нижние тросы управления элеронами укорачиваются, а верхние вытягиваются и элероны одновременно опускаются.

Шасси простой V-образной конструкции с резино-шнуровой амортизацией.

Хвостовое оперение состоит из стабилизатора, руля высоты и руля направления с аэродинамической компенсацией.

Двигатель установлен на очень легких опорах, выступающих из переборки, установленной примерно в футе (0,3 м) позади носовой части обтекаемого капота.

Бензиновый и масляный баки установлены перед кабиной в обтекателе сразу за моторным отсеком.

Качество исполнения, продемонстрированное в этом самолете, находится на очень высоком уровне.
1688284320395.png

Hawker "Cygnet" во время испытаний на складывание, помещения в ангар и повторную сборку.
Flight 1926-09

НЕКОТОРЫЕ КОНСТРУКТИВНЫЕ ДЕТАЛИ ЛЕГКОГО ДВУХМЕСТНОГО БИПЛАНА HAWKER:

1688284351012.png

Типичный узел крепления нижнего переднего лонжерона к нижнему лонжерону.

Flight 1924-09

1688284370127.png

Узлы крепления консоли крыла и зализа в нижней части фюзеляжа. Обратите внимание на шарнир на заднем лонжероне для складывания крыла.
Flight 1924-09

1688284388236.png

Стык нижней плоскости крыла с фюзеляжем. Зализы крыльев из алюминия.
Flight 1924-10

1688284405461.png

Составной кронштейн из изогнутых пластин, охватывающих нижние пояса фермы хвостовой части фюзеляжа
Flight 1924-09
 
1688284474748.png

МЕЖДУНАРОДНЫЙ ГАНДИКАП: Довольные " Hawkers"! Слева направо: мистер Sidney Camm, конструктор "Cygnet", мистер H. K. Jones, тогдашний коммерческий менеджер и продавец за рубежом "Hawker Co." и старший лейтенант “George” Bulman, пилот "Cygnet". У самолета Hawker Cygnet G-EBMB, 1925 год.
Aeroplane Monthly 1992-01
 
Биплан AVRO “Avis” (тип 562)

1688284614680.png

Вид спереди три четверти.
Flight 1926-09

Легкий самолет “Avis” (двухместный биплан), представленный А.В. Roe & Co., Ltd., как два отдельных самолета, на самом деле был одним самолетом, рассчитанным либо на оппозитные двигатели “Cherub”, либо на “Blackburn”. Стиль Avro в целом очевиден, хотя встречается много новых и интересных особенностей, особенно в конструкции стоек бипланной коробки.

Габаритные чертежи, размеры, площади и мощность двигателя приведены на рис. 4.
1688284631187.png

Что касается его характеристик, единственная доступная цифра относится к гонке на 100 миль (161 км), когда, как говорят, он достиг скорости 65 миль/ч (104,6 км/ч).

По конструкции и характеристикам он, вероятно, похож на Cygnet. Его маневренность, несомненно, хороша, и мало кто сомневается в его практической полезности, если он имеет достаточно мощный двигатель.

Конструкция фюзеляжа аналогична конструкции прошлогоднего Avro, лонжероны имеют квадратное сечение с раскосами Уоррена, закрепленными фанерными косынками. Эта форма конструкции, похоже, становится все более популярной для легких самолетов, поскольку позволяет избежать необходимости регулировки после интенсивного использования. Гаргрот выполнен из фанеры, а весь фюзеляж обтянут тканью.

Крылья имеют тонкий профиль и состоят из двутавровых фрезерованных лонжеронов и ферменных нервюр.
1688284674381.png

Конструкция нервюры и ее крепление к трубчатой передней кромке,
Flight 1924-09

Расчалки выполнены из рояльной проволоки, но в этой схеме есть необычная особенность крепления I– образной стойки бипланной коробки. Примерно от центра стойки, а точнее от специальной нервюры под основанием стойки, в плоскости крыла установлены диагональные раскосы, как к переднему, так и к заднему лонжеронам. Там, где раскосы стыкуются с лонжеронами, установлена поперечная расчалка. Там, где обычно в двухлонжеронных крыльях устанавливают распорку, работающую на сжатие. Усилия равномерно передаются на передний и задний лонжероны, что обеспечивает дополнительную жесткость конструкции.

1688284693818.png

Конструкция основания межплоскостной I-образной стойки. Обратите внимание на необычное крепление - распорки, идущие по диагонали к лонжеронам, и трос от переднего к заднему лонжерону.
Flight 1924-09

Подъемные расчалки крепятся к фюзеляжу в точке между креплениями лонжерона. Внутреннее нервюра также прикрепляется в этой точке, таким образом обеспечивая три опоры нервюры вместо двух. Расчалки в двух экземплярах расположены очень близко друг к другу. Специфическое расположение стоек, хотя и немного затрудняет складывание из-за дополнительной поддерживающей расчалки, необходимой при сложенном положении крыльев, должно снизить значительное лобовое сопротивление, и, кроме монопланной или свободнонесущей конструкции крыльев, было бы трудно представить себе более аэродинамически чистую конструкцию.
Центроплан верхнего крыла имеет трубчатые лонжероны и стойки, а также обычные деревянные нервюры. Для обеспечения доступа в переднюю кабину подкосы расположены в виде двух V-образных фигур, как показано на рисунке.

Элероны расположенные по всей длине крыльев и имеют большую дюралюминиевую трубу на передней кромке, которая служит торсионной трубой, приводимой в действие качалками на внутреннем её конце.

1688284763270.png

Элерон и его крепление к дюралюминиевой трубе, передающей крутящий момент.
Flight 1924-09

Для элеронов предусмотрено дифференциальное отклонение с дополнительной функцией одновременного опускания всех элеронов (зависание) в качестве закрылков. Дифференциальное действие при этом сохраняется.

1688284786179.png

Очень красиво выполненный механизм зависания элеронов. Вращение червячной передачи поднимает продольный вал ручек управления самолетом, а вместе с ним и качалку, соединенную с двумя качалками закрылков. В результате элероны опускаются, сохраняя возможность управления по крену. Валы и т.д. установлены в шарикоподшипниках.
Flight 1924-09

Элероны верхнего крыла соединены тягами с нижними элеронами.
Червячный механизм приводится в движение звездочкой из кабины.

Органы управления по курсу обычного типа, но из-за большого угла, под которым должна работать перекладина ножного управления в узком фюзеляже, механизм педали удерживает её под прямым углом к центральной линии фюзеляжа.

1688284816893.png

Педалям перекладины ножного управления обеспечивается параллельное движение.
Flight 1924-09

Шасси обеспечивает достаточный ход, а передние диагональные стойки действуют как качающиеся стержни. Боковой раскос имеется только между этими стойками.

НЕКОТОРЫЕ КОНСТРУКТИВНЫЕ ДЕТАЛИ ЛЕГКОГО ДВУХМЕСТНОГО БИПЛАНА AVRO:
1688284841753.png

Моторама под двигатель Bristol Cherub на Avro "Avis"

Flight 1924-10

1688284859937.png

Шарнирное крепление руля направления и рулей высоты. Зазор между рулями высоты закрывается тканевой лентой.
Flight 1924-10

1688284879166.png

Трубчатая хвостовая опора
Flight 1924-10
 
1688284909155.png

Это не перетягивание каната между конкурентами в сфере транспорта, а одна из особенностей Транспортного парада, проводимого в связи с Манчестерской гражданской неделей. Легкий самолет Avro "Avis", буксируемый автомобилем Кроссли с шестицилиндровым двигателем мощностью 18-50 л.с. вызвал большой интерес.
Flight 1926-10

1688284930551.png

Типичный представитель "сверхлегкой" эры до 1926 года: Avro Avis (38 л.с., 3-цилиндровый. Blackburne Thrush)
Flight 1936-04

1688284957081.png

Avro "Avis".во время испытания на складывание, размещение в корпусе и повторную сборку.
Flight 1926-09

1688284978424.png

Легкий 2-местный биплан Avro "Avis"
Flight 1924-09
 
Назад
Вверх