Всем кто строит, или будет строить вертолёт

По шаровой втулке многие спрашивают, как изготовить сам шар?
Все шаровые и сферические элементы проще всего изготовить с использованием
делительной головки и расточного патрона. Предварительно обработанная втулка
закрепляется в патроне, или цанге делительной головки и затем вращая её с помощью
ручки к ней под углом подводится резец описывающий окружность вокруг шара.
За несколько проходов, шару придаётся абсолютно правильная геометрическая форма
с нужным размером.
 

Вложения

  • Obrabotka_vtulki_sharovoj.gif
    Obrabotka_vtulki_sharovoj.gif
    13,8 КБ · Просмотры: 223
Если шаровая втулка не будет вращаться с валом, то в кинематике
механизма конечно ничего не изменится, но ресурс и надёжность
снизятся катастрофически.
Мне видится, что проворот вала внутри шаровой втулки практически невозможен . Ведь втулка поджата внутри вращающейся (верхней) половины АП двумя обкладками, которые помимо трения в бронзовых втулках внутри шаровой втулки создают пару трения по наружному диаметру шара. Даже если предположить усиленное трение (заклинивание) в обеих парах трения, то сама шаровая втулка всё равно будет вращаться синхронно с валом, поскольку для проворачивания вала внутри втулки или внутри верхней половины АП нужно чтобы вал и верхняя половина АП вращались несинхронно. Иными словами, рассинхронизация вращения вала и втулки возможна только в случае торможения вала относительно вращающейся (верхней) части АП или наоборот, а это невозможно конструктивно. Следовательно, проворот вала внутри втулки нереален. Единственный случай когда это может произойти - заклинивание подшипника АП.
 
Мне видится, что проворот вала внутри шаровой втулки практически невозможен



Вполне возможно, что вы правы, мне даже хотелось бы, что бы это
так и было, но в любом случае без практической проверки подобного
техническоко решения всё равно не обойтись.
 
в любом случае без практической проверки подобноготехническоко решения всё равно не обойтись.
Так это уже проверено и опробовано в тысячах моделей вертолётов с ротором от 300мм до 2000мм
 
Так то так, но думаю вы и сами понимаете, что модель и полноразмерный
аппарат это не одно и то же. Создать рабочую модель в которой
подшипники качения будут полностью заменены подшипниками
скольжения довольно просто, а вот реальный аппарат на тех же
условиях, создать практически невозможно. Силы и моменты нельзя
пропорционально переносить с модели на реальный аппарат, их
величины часто изменяются в алгебраической, либо в геометрической
пропорции. Тот же махолёт в виде модели существует наверное
уже более столетия, но машина с пилотом, так и не создана.
 
Не стоит так обобщать. Я говорил о конкретном узле и привел в пример работу этого узла в моделях. Речь шла об определённого рода перемещениях деталей друг относительно друга и, приводя пример, я лишь проиллюстрировал свои доводы о неподвижности шаровой втулки относительно вала. Продолжаю настаивать на том, что вал относительно втулки не вращается, втулка лишь скользит по нему в  осевом направлении и дополнительные меры для фиксации втулки относительно вала являются ЛИШНИМИ.
 
Разговор как то незаметно перешел в область теоретических
рассуждений, может быть имеются какие то более конкретные
материалы в виде фото, схем, или чертежей с помощью которых
можно было бы воочию убедиться в том, о чём мы рассуждаем.
У меня имеются чертежи модели вертолёта, но у него отсутствует
возможность изменять общий шаг и ориентироваться на него нельзя,
так как автомат перекоса не перемещается по валу и шар жестко на
нём закреплён.
 
Вот картинка  разобранного АП модели вертолёта с общим шагом и управлением при помощи трёх сервоприводов (ССРМ):
 

Вложения

  • ek1-0522-big.jpg
    ek1-0522-big.jpg
    13,3 КБ · Просмотры: 217
Вот с картинкой всё гораздо нагляднее.
Сегодня не поленился снял с автомата перекоса кольцевой поводок
и посмотрел, как ведёт себя шаровая втулка при работе без принудительного
привода. Докладываю, вращение есть, но очень медленное, скорость его
зависит от угла наклона тарелки автомата перекоса. При нейтральном положении
вращение отсутствует, но как только тарелка отклоняется появляется медленное
вращение, при рабочих оборотах несущего винта и максимальном угле отклонения,
скорость вращения примерно 10-15 об/мин.
Делаем вывод, установить шаровую втулку без принудительного привода вполне
возможно, необходимо лишь защитить места выхода вала гофрированными чехлами
для предотвращения попадания пыли, для более надёжной работы.
 
Вопрос братве вертолётчикам. Лопасти от ка 26 на самодельный вертолёт обрезаны по 4 метра.Как понадёжнее заделать комли лопасти.
Фото своей самоделки представлю позже скажу только, что на базе Вальтера-четвёрки.
 
Вопрос братве вертолётчикам. Лопасти от ка 26 на самодельный вертолёт обрезаны по 4 метра.Как понадёжнее заделать комли лопасти.
Фото своей самоделки представлю позже скажу только, что на базе Вальтера-четвёрки.

А "обрезки", интересно, не выбросили? :-?
 
Зачищаете, обезжириваете лонжерон, обклеиваете его вокруг стеклотканью, направление основы-вдоль лопасти.Лучше под вакуумом  или хотя бы поролоном прижать.В длину 150-200мм от узла лопасти сходит клином на нет. Фрезеруете площадку под узел. Чистовая толщина добавки не менее толщины полки лонжерона.Внутрь, в районе болтов - вставыш из дельтадревесины или деревянный, с обклейкой стеклотканью  для водостойкости. Узел лопасти ступенчатый типа Ка-26 на 6 штук болтов М8 насквозь. Все - на эпоксидке.
 
Лопасти от ка 26 на самодельный вертолёт обрезаны по 4 метра.


А интересно, как именно обрезаны, со стороны комля, или с концевой части?
 
Спасибо за совет хотя  ничего нового неузнал  Извиняйте за
почерк  Периый раз вжизни пишу в интер Все железки да же
лезки Обрезание было конечно со стороны крепления к втулке
чтобы сохранить  триммеры А обрезок непутевый А кому известно что такие лопасти хорошо летали на смовертеле
кроме Свербиля и Демидова  И еще вопросик кспецам  Как
стыкуется мотор смалым шкивом на Р22  на Швейцере и на
Саньке  Да отличный был Хлопец Запышный А  Пусть земля ему
будет небом Благодарю кто это читает Ваш Петрович
 
Как стыкуется мотор с малым шкивом на Р22, на Швейцере и на
Саньке?


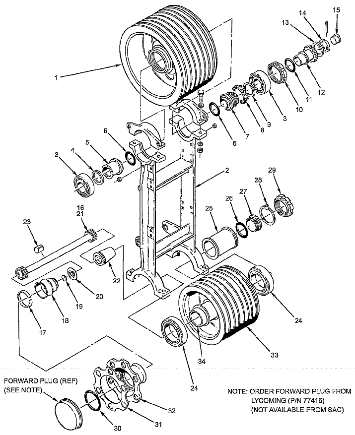
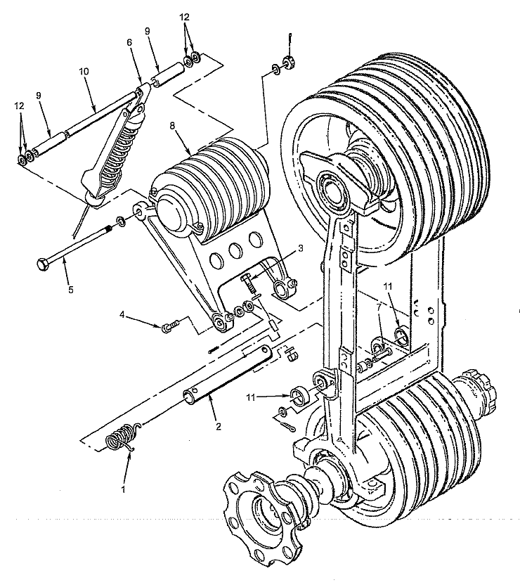
Вот две картинки из каталога, на них видны все детали от вертолёта schweizer model 269C.
 

Вложения

  • 210.gif
    210.gif
    61,2 КБ · Просмотры: 300
  • 211.gif
    211.gif
    56,2 КБ · Просмотры: 276
А тут показано соединение на вертолёте Робинсон R-22 и
АК-1-3
На Робинсоне шкив судя по всему закреплён прямо на валу двигателя.
 

Вложения

  • origina66.jpg
    origina66.jpg
    101 КБ · Просмотры: 291
  • Cross_of_transmision_287.jpg
    Cross_of_transmision_287.jpg
    178,7 КБ · Просмотры: 261
Огромное Мерси за фотки но меня не это интересовало
Между фланцем шкива ифланцем мотора что Ведь мотор тря
сется ашкив стоит  По  идеи там должен быть шрус или элас
тичное соединение  У меня так редуктор соеденен с мотором
жестко а на выходе  еластичная муфта Между главным редук
тором
 
Прошу прощения лопасти мне достались уже с  обрезаными
комлями А зачем вам обрезки
 
Назад
Вверх