ddn
Я люблю строить вертолёты!
- Откуда
- Россия Тольятти
Димыч я не понял из крайней твоей записи это как камень в мой огород али как?
Ты меня насмешил, наоборот в твою поддержку настрочил. ;D
По шарнирам от Ка-26 не понял, ты их задом наперёд поставил что ли? За гребёнки лопасти вроде крепятся.
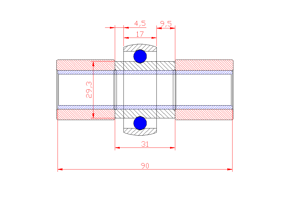
Подшипники у меня стоят корпусные UC-204, как на вертолёте Helicycle, от обычных отличаются тем, что наружная
обойма выполнена сферической и помещается в сферический штампованный корпус. Корпуса бывают разной формы
ромбовидные, круглые, треугольные и даже квадратные. Такому подшипнику не грозят перекосы, он занимает нужное
положение как шарнир. Используют их если вал проходит сверху балки, либо к нему есть свободный доступ.
Приобретал я их через интернет, сейчас многие ими торгуют.
Ты меня насмешил, наоборот в твою поддержку настрочил. ;D
По шарнирам от Ка-26 не понял, ты их задом наперёд поставил что ли? За гребёнки лопасти вроде крепятся.
Подшипники у меня стоят корпусные UC-204, как на вертолёте Helicycle, от обычных отличаются тем, что наружная
обойма выполнена сферической и помещается в сферический штампованный корпус. Корпуса бывают разной формы
ромбовидные, круглые, треугольные и даже квадратные. Такому подшипнику не грозят перекосы, он занимает нужное
положение как шарнир. Используют их если вал проходит сверху балки, либо к нему есть свободный доступ.
Приобретал я их через интернет, сейчас многие ими торгуют.
