Всем кто строит, или будет строить вертолёт

Угол сделал +8 градусов, а руководствовался прежде всего тем, что сферические подшипники в стандартном
исполнении отклоняются всего на 12-13 градусов. Исходные данные по углам отклонения взяты
с вертолёта Exec, его лопасти отклоняются +24 и -8 градусов, то есть общий угол равен 32 градусам.
После небольшой доработки удалось довести углы отклонения покупных сферических подшипников
до 16 градусов и получить желаемые 32 градуса отклонения в двух направлениях, но так как +24 всё равно
не получается, то лопасть крепится с предварительным углом +8 градусов. Если её повернуть на 16 градусов
получим нужные 24, а поворот в обратном направлении даёт нужные -8
Этот приём позволяет так же уменьшить ширину втулки, так как максимальные углы поворота комля уменьшаются.
В торсионных втулках это уменьшает угол закручивания торсиона и соответственно повышает его ресурс и надёжность.
В качестве примера посмотри крепление лопастей вертолёта АК- 1-3, или того же RotorFly
Полезно использование этого приёма и в эластомерных втулках, позволяя уменьшить количество слоёв эластомера, а
соответственно габариты и массу.
 

Вложения

  • P1010220G.jpg
    P1010220G.jpg
    80,6 КБ · Просмотры: 219
  • IMG_5401_001.JPG
    IMG_5401_001.JPG
    57,3 КБ · Просмотры: 206
Здравствуй Дима Ну спасибочки что проработал эту тем до меня Тебе впору бы уже вести кур
сы по строительству маленьких вертолетов  А твой обязательно должен взлететь  . По всем тво
им умозаключениям видна серьезная теоретическая подготовка Чего увы у меня да и у многих
маловато Хотя практика и интуиция тоже немаловажны
        У меня есть втулка ХВ от МИ 2 и я сегодня обратил внимание  что торсионы в осевых шарнирах закреплены в плюсе  Ну да ладно теперь с твоей подсказкой разберемся
                Еще раз благодарю И у Андрея я заметил тоже под углом
                          Пока .Суважением     Петрович .А
 
Прошу прощения за бестолковость, но я не пойму где стоит ШС, который на верхнем фото? Это на тягах от слайдера к лопастям РВ?
 
На тягах стоят обычные шарнирные головки с наружной резьбой М8, а сферический
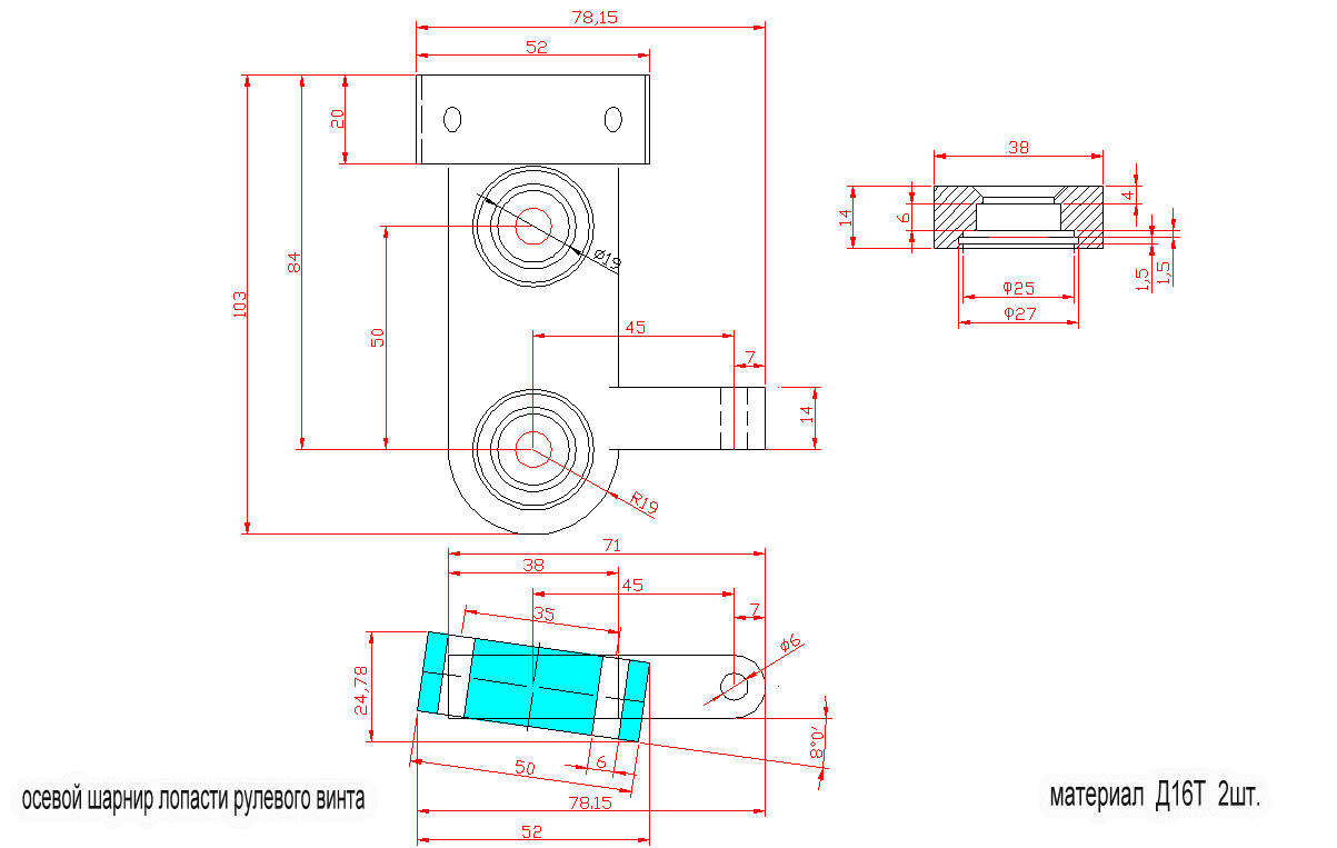
подшипник установлен в осевом шарнире лопасти рулевого винта.
На последнем рисунке схема его установки в гнёзда дюралюминиевого корпуса.
 

Вложения

  • SG204523G.jpg
    SG204523G.jpg
    95 КБ · Просмотры: 273
  • SG201512G.jpg
    SG201512G.jpg
    64,5 КБ · Просмотры: 266
  • 0_4a1e5_2a1462f8_orig.gif
    0_4a1e5_2a1462f8_orig.gif
    21 КБ · Просмотры: 242
Дима привет иДоброго здоровья Наверное задолбали тебя Вертостроители  И я туда же скажи
Будь любезен щечки втулки ХВ считал на разрыв или единтифицировал с Робинсом
    Толщина ....... и материал Д16Т. У меня толщина щечек 12 мм. А ступица ХВ титан ВТ01.
Что скажеш по этой теме  Вот только щечки у меня симметричны  а ТЫ их сдвинул от оси против
  вращения На Екзеке  ведь втулка ХВ тоже симметрична Почему отошел от этого варианта.
   Будет свободная минутка  черкани пару слов по этой теме
           С Благодарностью Петрович А.
 
Дмитрий, а не могли бы набросать чертежи по РВ вместе с редуктором. был бы премного благодарен.
 
Будь любезен щечки втулки ХВ считал на разрыв или единтифицировал с Робинсом?


Считал по минимальному сечению, это на самом краю в районе первого отверстия.
При толщине пластины 7мм. общее сечение составило 280мм в квадрате, для двух пластин.
Предел прочности на растяжение взял 20кг./мм. с запасом на усталость материала от циклических
нагрузок и в результате получаем 4800кг. разрывного усилия, что почти в пять раз превышает
нагрузку от центробежной силы, которая равна 860кг. Учитывая, что реально в пластине работают и другие
сечения, думаю усилие на разрыв составит не менее 6000кг. и толщину пластин вполне можно уменьшить до 6мм.
Но здесь надо учитывать вес самих лопастей, у меня лопасть весит 380 гр. и в сборе с осевым шарниром даёт нагрузку
от центробежной силы 860кг. с изменением массы лопасти будет меняться и нагрузка, программку для расчёта я сбрасывал в начале своей темы.
На Exec тоже идёт замена рулевых винтов старого образца на новые, сейчас уже есть в продаже комплект для замены,
с карбоновыми лопастями и втулкой на сферических подшипниках, а несимметричной форма пластин получается в результате освобождения от неработающего материала, я так думаю.
 

Вложения

  • p000169G8.jpg
    p000169G8.jpg
    44 КБ · Просмотры: 190
Дмитрий, а не могли бы набросать чертежи по РВ вместе с редуктором. был бы премного благодарен.


Сейчас выложу то что есть, а остальные детали по мере доработки чертежей, поскольку они
не очень пригодны для работы человека который " не в теме"
При изготовлении необходимо заранее определиться с направлением вращения винта и
соответственно распологать детали так, что бы при взмахе лопасти происходило уменьшение
углов её установки, (так называемый компенсатор взмаха)
Я сам на это напоролся и пришлось переделывать валик привода втулки.
 

Вложения

  • SHHjochki_vtulki.gif
    SHHjochki_vtulki.gif
    19,5 КБ · Просмотры: 273
  • Osevoj_sharnir_lopasti_rulevogo_vinta.gif
    Osevoj_sharnir_lopasti_rulevogo_vinta.gif
    23,1 КБ · Просмотры: 272
  • Stupica_vtulki.gif
    Stupica_vtulki.gif
    21 КБ · Просмотры: 255
ДИМ.Дима чтоб Ты был всегда здоров Искренне. А я 12.мм толщина во какой запас прочности ну и
пропорционально конечно вес Завтра на станке проточу щечки Вот и опять я у тебя в долгу  .И

хотя у меня хвостовая балка труба в нашем деле лишние КГ никчему  Ах. был бы Ты поближе.
У меня есть труба дюралевая от поливальной установки диаметр 130мм Может и пошла бы тебе
на хвостовую балку вместо фермы .А то у тебя Сафари номер2                                                 
  Но ничего Ты акомулятор пристрой где нибудь под ногами и центровка будет окей                      
              Ладно уже поздно пошел спать  Спасибо и до свзи
                                   Петрович .А
        Посмотрел Автоатлас. До Тольятти от меня больше тыщи км.
 
У меня есть труба дюралевая от поливальной установки диаметр 130мм.


Петрович, спасибо!
Трубу я уже приобрёл 115*3 , успел даже выточить к ней фланец крепления углового редуктора,
но это на второй вариант вертолёта, а этот буду заканчивать как есть.
Сегодня вот грунтовал раму, потом буду красить и собирать потихоньку.
 

Вложения

  • Foto0428.jpg
    Foto0428.jpg
    125,6 КБ · Просмотры: 200
  • Foto0424.jpg
    Foto0424.jpg
    128 КБ · Просмотры: 212
  • Foto0433_001.jpg
    Foto0433_001.jpg
    101,3 КБ · Просмотры: 203
Привет Димыч Дааааа. Ну Ты и молодец Какие руки держат деталь.КАРТИНКА. А окружение ЧПУ
  токарные фрезерные. Да при таких возможностях не то что вертолет Тольятти. АПАЧ сварганить
можно Была бы голова толковая и руки умелые . И это я не из лести к тебе говорю А для общей
пользы ФОРУМУ  Потому что я сам через это прошел  Сколько было бутылок поставлено токарям
сколько денег уплочено только лиш за один автомат перекоса А были ведь и переделки Ужас и
какое терпение. целеустремленность Пока не приобрел захудалую КАШКУ  Научился точить и
приспособился еще и кое что фрезеровать .И внутрение и наружные сферы Да что хвалится       
       Просто теперь нужен результат  А труд конечно Титанический . но интересный.
   Дим .а щечки у меня немного больше и по длине и по ширине и главное отверстия под пдшип
ники уже просверлены Так что в твои размеры не вкладываюсь Общий вес втулки конечно будет тяжелее Спасибо за эскизы Может кто и повторит
  А Ты вот что скажи .Эти ШС  расчитаны  легко скользить при такой радиальной нагрузке или
будет тяжело жать на педали Я где то читал что для таких условий сферу покрывают ТЕФЛОНОМ Или я не так понял информацию
          Пока Доброй ночи. С уважением Петрович .А
 
А на катушке каркас кресла стоит?


Да, это на кресло.
Он изготовлен достаточно мощным, так как планирую по результатам испытаний на привязи,
передвинуть его более чем на полметра вперёд, для нужной центровки и каркас станет частью силовой схемы.
 
Да при таких возможностях не то что вертолет Тольятти,  АПАЧ сварганить можно.


Если бы это оборудование стояло у меня в гараже, тогда да возможности были бы, а так ведь это всё на заводе.
Изготовив деталь ещё нужно найти возможность её доставить за забор, что не всегда получается.
На эскизы которыя я выкладываю не стоит молиться как на библию, я их даю лишь для примера, что бы другие
могли на что то ориентироваться с своей работе, то что выложено, далеко не первый вариант и думаю не последний.
Сферические подшипники выпускают трёх видов, отличаются они материалом трения, самый дешевый вариант это сталь
по стали, сталь по бронзе более дорогие и трение у них меньше и самые дорогие это сталь по PTFE.
Материал этот представляет из себя очень тонкую и плотную сетку из бронзового сплава которая залита фторопластом.
Коэффициент трения у неё очень низкий, при испытании трансмиссии я раскручивал рулевой винт до 2000 об/мин.
и изменял углы атаки перемещая педали руками, при этом какого то особого усилия на педалях я не заметил, при том, что
лопасти стояли более тяжёлые чем теперь. Как пример можно привести конструкцию Артемчука, где лопасти просто
вворачивались на резьбе М24 в бронзовую резьбовую втулку и смазывались маслом.
 
     Привет Дмитрий.Ответ принят .понятно. Про Артемчука.молчу.  Он  при мне упал в Чернигове
где то с 3 или 4 метров Я в это время снимал его на кинокамеру .Дааа. это были первые...
   Демидов Николай .Василий Артемчук Все было ново .захватывающе и интересно А потом более
серьезный и хорошо детающий апарат с турбодвигателем Яковенко Владимира .Видел как летал.
   Вот только не поддержало его руководство .а потом инсульт И вперед вырвался Запышный
Вот такой росклад Я в это время добывал медноникелевую руду под наблюдением Потанина и
Прохорова в гор.Норильске 35 лет в мерзлоте. И собирал железяки и моторы с мечтой о верто
лете  .Опять ударился в лирику .Извините.
      Скоро из Харькова привезут ШСы буду растачивать посадочные места  в корпусе осевого
шарнира Я потом обязательно выставлю фотки только все будет собраными узлами.А пока вот
так только на словах да на пальцах.Надо еще купить для этого фотоапарат.
  Дима если не секрет дюраль тебе дорогой ценой обходится или так себе Ведь видно такие
болванки одни шкивы чего стоят. Я там на севере отливал болванки для шкивов .А потом ото
шол от ремней и сделал на переднюю часть Вальтера двухступенчатый редуктор С двигателем
еще не крутил Крутл только эл .мотором Потом расскажу что получилось
               Ладно .Пока 
     С уважением Петрович .А
 
Привет Дмитрий. А что если взять просверлить отверстие в шарике от подшипника и вставить
его в сферический корпус ШСа  предварительно сделав лыски как на родном .Если получится то
и угол отклонения оси ШСа увеличется Шарик там диаметром 16мм. Шарики такие есть
    Что думаеш по этому поводу,
        Привет Всем Жаждущим
                                                      Петрович.А
 
Правильно говорят: идея витает в воздухе... 🙂
Я думал об этом и даже изготовил сферические элементы для разных шарниров, но
после того как стало возможно приобрести готовые изделия, я от этой идеи отказался.
Просверлить шарики не получится, я делал сначала лыски на шлифовальном станке, а
затем на электроэрозионном выжигал с помощью медной трубки отверстия с припуском
0,5мм. и уже окончательно шлифовал в размер на круглошлифовальном в приспособлении.
По поводу дюраля ты спрашивал, достать не сложно, сейчас на Вазе расформировывают все
вспомогательные производства и в металлолом идёт всё что копилось десятилетиями на складах и
в заначках, сложнее доставить за забор, но я ведь уже четвёртый десяток лет здесь работаю и
имею много знакомых из бывших мастеров, начальников цехов и т.д. Так что с этим особых проблем
нет, чаще всего удаётся приобрести по цене металлолома.
 

Вложения

  • SG206310G.jpg
    SG206310G.jpg
    97,9 КБ · Просмотры: 211
Спасибо Дима .усек .что с этого роя не получится нифига У меня возможности в плане обработки
метала ограничены. Тем более такой твердости Два резца с эльбором и  те  надломлены .
   Вобщем буду что то придумывать. Из Харькова поШСам результата пока нет Подожду.
  Кроме этого работы еще хватает.
        Пока всего доброго и удачи.....
                                                              Петрович.А.
 
сферический
подшипник установлен в осевом шарнире лопасти рулевого винта.
Как сложно то, однако! А зачем лопасти РВ иметь возможность делать маховые движения? Вроде обе лопасти изменяют угол атаки синхронно и смысл в дополнительной степени свободы мне не ясен. Извиняюсь, конечно, если что не так сказал.
Если уж хочется непременно иметь ГШ на РВ, то можно сделать просто Т-образную головку РВ и в ней перпендикулярно оси вала РВ отверстие, в которое вставляется мет. стержень с кольцами-демпферами - это ось. На ось с двух сторон надеваются держатели лопастей РВ с радиальными и упорными подшипниками. И всё. По этому принципу сконструировано большинство втулок НВ у моделей вертолётов с диаметром НВ от 0,4м до 2м. РВ на моделях вообще не имеет ГШ.
 
У меня была мысль избавиться от горизонтального шарнира, хотя причина его присутствия на втулке рулевого винта
понятна, это разница подъёмных сил на наступающей и отступающей лопасти и хотя силы эти существенно меньше
чем на несущем винте, тем не менее они приводят к усталостным разрушениям. Широкое использование бесшарнирных
винтов на моделях так же понятно, там действующие силы довольно малы, а теоретически возможное разрушение
не будет иметь столь серьёзных последствий, как на реальном аппарате.
Однако развитие не стоит на месте и с тех пор, когда проводились все эти исследования промышленность
и наука шагнули далеко вперёд и в результате уже появились машины с жёсткими втулками и гибкими несущими
винтами. Так что вполне вероятно, что с использованием современных композитных материалов можно изготовить
рулевой винт на сверхлёгкий вертолёт без горизонтального шарнира с гибкими лопастями, нужно лишь
заняться этой проблемой. 🙂
 
Назад
Вверх