3-х цилиндровый ДВС Тойота 1KR

кто нибудь проверял что ограничивает работу двигателя при отказах при уходе в ограничение оборотов ??? топливо или все вместе ???
 
кто нибудь проверял что ограничивает работу двигателя при отказах при уходе в ограничение оборотов ??? топливо или все вместе ???
Это разве что то меняет? Мозг отключает топливоподачу, это во всех мозгах так.
 
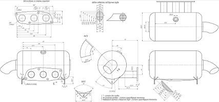
Подскажите, каким макаром лучше подкосить глушитель?
И можно ли для этих целей использовать дюралевые (алюминиевые) трубчатые подкосы?
 

Вложения

  • Vypusk_001.JPG
    Vypusk_001.JPG
    14 КБ · Просмотры: 219
  • P1011277.JPG
    P1011277.JPG
    53,6 КБ · Просмотры: 220
Я думаю что и одного подкоса по центру вполне достаточно. А так оба варианта хороши.
можно ли для этих целей использовать дюралевые (алюминиевые) трубчатые подкосы?
А почему же нет.
 
Подскажите, каким макаром лучше подкосить глушитель?
И можно ли для этих целей использовать дюралевые (алюминиевые) трубчатые подкосы?
а можно чертежик по крупней и фото установки ??мне только предстоит все это делать .
 
кстати для тех кто KR перевел на карбы я попробовал подключить зажигание без всяких коммутаторов просто датчик хола и родная катушка и все работает . можно не лепить 09е  коммутаторы и бабины !!!!
 
а можно чертежик по крупней и фото установки ??мне только предстоит все это делать .
28 страница этой темы. У Евгения был еще один экземпляр.

зажигание без всяких коммутаторов просто датчик хола и родная катушка и все работает . можно не лепить 09е  коммутаторы и бабины !!!!
Все новое - хорошо забытое старое 🙂
 
А почему же нет.

До какой примерно температуры нагреваются такие бочки?
Напрягает большой коэффициент теплового расширения, как самой бочки, так и подкосов...



Еще вопрос по расширительному бачку. У многих установлен на пилоне и шланги идут через весь мотор. У меня хорошо компонуется сзади, кронштейн простенький получается. До плоскости винта 120 мм. Поток в этой зоне ламинарный или пульсирует? Бачек не отмотает?
 

Вложения

  • P1011290.JPG
    P1011290.JPG
    109,1 КБ · Просмотры: 268
  • P1011292.JPG
    P1011292.JPG
    98,1 КБ · Просмотры: 260
А почему же нет.

До какой примерно температуры нагреваются такие бочки?
Напрягает большой коэффициент теплового расширения, как самой бочки, так и подкосов...



Еще вопрос по расширительному бачку. У многих установлен на пилоне и шланги идут через весь мотор. У меня хорошо компонуется сзади, кронштейн простенький получается. До плоскости винта 120 мм. Поток в этой зоне ламинарный или пульсирует? Бачек не отмотает?
красиво смотрится установка .а плита у вас и редуктор чьего производств ???мотор уже работает в смысли заводили ???на каком мозге ?
 
Плита и редуктор - А. Чернова, г. Минск.
Мозги - январь. Заводили. Надо вешать на стенд, и нагружать на всех режимах.
 
А почему же нет.

До какой примерно температуры нагреваются такие бочки?
Напрягает большой коэффициент теплового расширения, как самой бочки, так и подкосов...

Бачек прамо к двигателю крепить собираетесь? В нем веса до килограмма по мере заполнения может быть. Надежное крепление кронштейна к алюминиевой башке сложновато будет изобрести.
На автомобилях крепится как достаточно жестким крепежом к блоку (та-же Тойота например 2 коротких стальных кронштейна в нижней части катоколлектора), так и штампованным из достаточно тонкого листа кронштейном, как на всех ПП ВАЗах. Вродь не ломает ни то, ни другое. Кронштейнов выхлопа из алюминиевых сплавов на автомобилях не припомню.

Расширительный в заполненном состоянии почти до килограмма веса будет. Мне кажется сложновато будет изобрести надежное крепление кронштейна бачка к алюминиевой башке.
 
сложновато будет изобрести надежное крепление кронштейна бачка к алюминиевой башке
Из дюрали двоечки. Пожалуй забабахаю с троечки, с отверстиями для облегчения в ненужных местах.
 

Вложения

  • bachok.JPG
    bachok.JPG
    123,3 КБ · Просмотры: 212
сложновато будет изобрести надежное крепление кронштейна бачка к алюминиевой башке
Из дюрали двоечки. Пожалуй забабахаю с троечки, с отверстиями для облегчения в ненужных местах.
Не в этом дело. На головке просто нет достаточно прочных точек для крепежа кронштейна, на который безпроблемно можно было-бы подвесить такой груз, да еще и на достаточно большом плече-консоли. Головка алюминиевая. И на самом бачке может уши оттрясти от вибрации. Все ИМХО конечно, но тем не менее в автомобилях не зря бачек на кузов вешают.
 
Не было материала - с бачком чуть подзатянулось. Все-таки 2-ка, конструкция немного изменена.
1,5*4G держит. Дальше будем поглядеть.
 

Вложения

  • IMG_20151214_213521.jpg
    IMG_20151214_213521.jpg
    81,2 КБ · Просмотры: 217
  • P1011294.JPG
    P1011294.JPG
    155,8 КБ · Просмотры: 197
сегодня гонял мотор с охлаждением на альтернотивных японских мозгах все работает вылетает на 6000 легко на холостых работает четко ровно . не вижу проблем использовать не родной мозг .
 
сегодня гонял мотор с охлаждением на альтернотивных японских мозгах все работает вылетает на 6000 легко на холостых работает четко ровно . не вижу проблем использовать не родной мозг .
На каких мозгах именно?
 
а поподробней можно? если не секрет. от чего мозги, где взять,сколько стоят и видео работы двигателя если есть. заранее спасибо от всех владельцев 1кr.
 
мозги от 1g-fe . купить можно хоть где стоят примерно 500р .
с установкой уже по сложнее нужно переделывать маркер и клапан хх нужен другой . но для меня это все равно намного лучше и намного дешевле чем лепить январь и ли еще что то .видео сделаю .
 
мозги от 1g-fe . купить можно хоть где стоят примерно 500р .
с установкой уже по сложнее нужно переделывать маркер и клапан хх нужен другой . но для меня это все равно намного лучше и намного дешевле чем лепить январь и ли еще что то .видео сделаю .
Ну вот и отлично!!! Добился значит своего! Поздравляю!
 
Назад
Вверх