Follow along with the video below to see how to install our site as a web app on your home screen.
Примечание: This feature may not be available in some browsers.

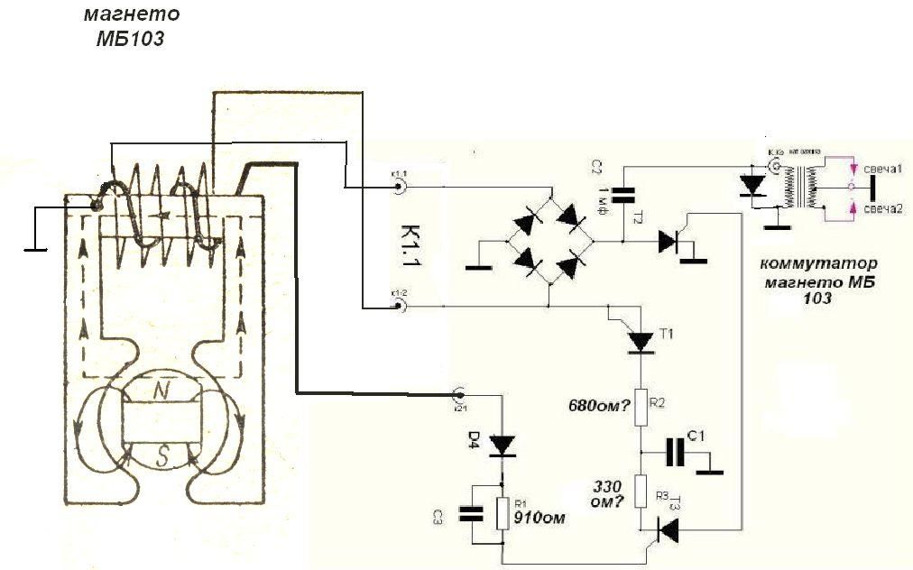
Кто подскажет схему этого блока зажигания МБ103
Вне Форума
Я люблю строить самолеты!
Сообщений: 2144
Москва
Пол: male
Re: Бесконтактные системы зажигания. Ликбез.
Ответ #245 - 25.05.12 :: 19:46:00 Жалоба! | Отметить & Цитировать | Цитировать
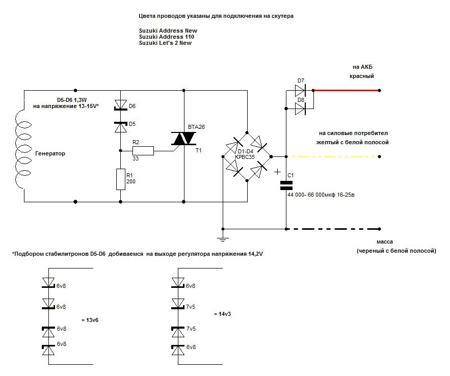
ГенераторысвнешнимдатчикомиспользовалифирмыХонда , Ямахаимногиедругие...НакрайнихвыпускахскутеровиСудзукиперходитнаприменениевнешнихдатчиков.Этопозволяетприменитьмаховикисчисломмагнитовболее4-тоестьувеличитьэлектрическуюмощностьгенератора.Крометогосвнешнимдатчикомлегчеполучитьболеекачественныймоментискрообразования.
....Подскажите пожалуйста как выйти из этого положения....





kvadratov,спасибо за совет,по поводу замены ротора на родной.В конце концов после нескольких неудавшихся попыток по разному перемотать статор,я пришел к такому же заключению и купил родной ротор от Ямахи Джег. У меня скутер-Ямаха Белуга,на котором стоял ротор с 4 магнитами и статор как показано у Вас на фото,с внутренним датчиком.Вначале я поставил статор от Джег,как у меня на фото,с внешним датчиком.Скутер прекрасно работал,даже лучше чем до этого.Но генера тор выдавал всего 2 в,ни одна лампочка не светилась.Вместо регулятора у меня стояла обычная таблетка-диод.Сейчас я перемотал генератор(6-ти лучевой)Дляуспешнойработымотора - нужночтобыстоялироторот3KJ свнешнимвыступомдлядатчика...Еслимоторработает - видимороторстоитужеподходящий...



