Думаю нет смысла городить огород. Проще перемотать обмотки более тонким проводом с большим количеством витков.Кстати - если будете строить зажигание в котором нет места для выработки осветительных 12 вольт ( они и для приборов полезны ) - я подумал бы про установку маленького генератора с приводом от ветрянки - маленького пропеллера вращаемого воздушным потоком. Ну и соответственно - выпрямитель - регулятор и маленький аккумулятор от скутера. Генераторы с приводом от ветрянки стояли на многих самолетах до ВОВ. Никаких ремней - и все работало.
Дело в следующем - я писал про возможнлсть установки независимого небольшого генератора с ветрянкой для случая применения отечественного генератора - аналогичного Бурановскому ( есть моторы РМЗ 500 в такой комплектации ). Если на таком - по сути Бурановском генераторе заменить световую обмотку на вторую зажигательную для дублирования зажигания - взять осветительное напряжение 12 вольт будет категорически неоткуда. В таких случаях часто применяют либо дополнительный генератор с ременным приводом - либо питают приборы от аккумулятора подзаряжаемого на земле а фары отсутствуют как явление природы. ИМХО - генератор с приводом от маленького пропеллера - хорошая альтернатива генератору с ременным приводом. В ряде случаев дополнительный генератор делают из небольшого мотоциклетного - весом 1 - 2 кг.
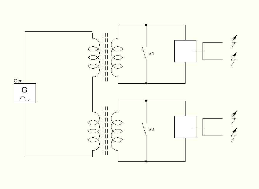
Генератор бурановского типа - где в случае переделки на дублированное зажигание 12 вольт взять не получится никак - на картинке по ссылке :
( на статоре две обмотки питающие 2 канала CDI и два датчика ).
https://img-fotki.yandex.ru/get/4131/30732269.85/0_6bb4c_8d4590af_-1-orig



