Follow along with the video below to see how to install our site as a web app on your home screen.
Примечание: This feature may not be available in some browsers.

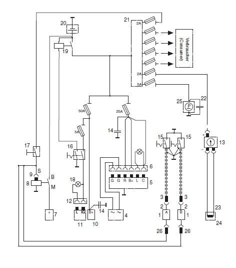
1. Потому что для данной схемы применения надо эти клеммы объеденить.1. почему на выпрямителе(5) три разных выхода - R, B, C на странице 6 мануала 24-00-00 установки подписаны по разному, а по схеме соединяются в один .
2. какой емкости нужен конденсатор(22) для электрического топливного насоса(25)
3. в примечаниях 80-00-00 стр4 по подключению реле стартера(8)(9) написано что реле должно быть изолировано от массы самолета, в тоже время оно само крепится на массу что за бред?
4. конденсатор(14) емкостью 22000 мкФ можно использовать любой из магазина радиодеталей или какой то особенный???
NWOATRICNEUNGThe starter relay must be isolated from the aircraftground
Никасил не любит серу в топливе. К свинцу равнодушен.Вроде как никасил не любит свинец в топливе, об этом много писали в начале 90ых когда еще у нас массово предлагался на автозаправках этилированный бензин
подскажите на 912 ротаксе.
покрытие цилиндров Никосил или Алюсил
Проверено на конкретном самолёте - на стопе 5100, на скорости 210 - 5400. Многое зависит от винта. И какая разница - на месте или в движении, если и там и там обороты и открытие дроссельной заслонки одинаковые и нагрузка на двигатель -тоже?? Поэтому в письме нет уточнения про "стоп".в письме нет разницы, но с точки зрения режимов- разница есть. Самолетам, у которых скорсть выше 150 и винт фиксированного шага придется несоблюдать рекомендацию. У них на стопе ниже 5000, иначе раскрутка будет в полете. Опять же все должно исходить из разумности и понимания физики ограничения.