Двигатель с внешним подводом теплоты

В ГТД ппоисходят одновременно все такты, просто они разнсены в пространстве,
Джон вы правы, есть много схем с рекуперацией. Да в начале ветки, я и говорил. что параметры и расположения модулей определяют цикл (причем как замкнутый. так и разомкнутый).
Но я сейчас рассматриваю самый совершенный цикл- а это цикл Стирлинга (Карно-это теория). Уже есть реализованные машины по этому циклу -поршневые с возвратно-поступательным движением РТ. Вы согласны. что это несовершенный вариант?
Вот и идет сравнение.
Но и прежняя схема (где однообразные роторные машины) тоже хреноватая. Я там (3 стр.) сделал анализ особенностей контура (при однонаправленном закольцованном движении РТ) , так и определил требования к модулям (я может и не прав, но никто и не опровергает).
А теперь поясняю почему. И речь про модуль расширения, и отличие его от Филипса, ну там такт в одном (а точнее части) цилиндре.
Ну и сравниваю эффективность.
 
Джон вы правы, есть много схем с рекуперацией. Да в начале ветки, я и говорил. что параметры и расположения модулей определяют цикл (причем как замкнутый. так и разомкнутый).
Но я сейчас рассматриваю самый совершенный цикл- а это цикл Стирлинга (Карно-это теория). Уже есть реализованные машины по этому циклу -поршневые с возвратно-поступательным движением РТ. Вы согласны. что это несовершенный вариант?
Вот и идет сравнение.
Но и прежняя схема (где однообразные роторные машины) тоже хреноватая. Я там (3 стр.) сделал анализ особенностей контура (при однонаправленном закольцованном движении РТ) , так и определил требования к модулям (я может и не прав, но никто и не опровергает).
А теперь поясняю почему. И речь про модуль расширения, и отличие его от Филипса, ну там такт в одном (а точнее части) цилиндре.
Ну и сравниваю эффективность.
Я вполне согласен, что есть много всяких схем(у меня у самого их есть). Я лишь высказался насчет возможности реализации "какбэ Стирлинга" в ГТД.
 
В 2013 занимался темой "домашней энергетики", только теорией и расчетами, эскизами. Идея была, твердотопливный отопительный котел (дрова, уголь, паллеты) с возможностью генерации электроэнергии.
Рассматривал варианты циклов: Ренкина с противодавлением, Ренкина на органике (orc), Брайтона с внешним сгоранием.
Показана схема Брайтона (ГТД) с внешним сгоранием, разомкнутая. Недостатки - низкая температура цикла, низкое давление. Преимущество - полная рециркуляция тепла (почти 100%), т.к. отработавший воздух поступает в топку как окислитель.
Кпд расчетный до 0.18
Схема черновик, довольно сырая, сейчас я бы сделал многое по другому.
 

Вложения

  • Мне нравится!
Reactions: RVD
Ещё ньюанс по внешнему подводу тепла. Пускай в Вашей схеме, тело нагрели потом сжали (наверное наоборот?), получили повышение температуры, например +400с (673к), как потом подводить тепло? По термодинамике получаются большие отходы тепла, минимум +400с, при идеальном теплообменнике.
 
В 2013 занимался темой "домашней энергетики", только теорией и расчетами, эскизами. Идея была, твердотопливный отопительный котел (дрова, уголь, паллеты) с возможностью генерации электроэнергии.
Рассматривал варианты циклов: Ренкина с противодавлением, Ренкина на органике (orc), Брайтона с внешним сгоранием.
Показана схема Брайтона (ГТД) с внешним сгоранием, разомкнутая. Недостатки - низкая температура цикла, низкое давление. Преимущество - полная рециркуляция тепла (почти 100%), т.к. отработавший воздух поступает в топку как окислитель.
Кпд расчетный до 0.18
Схема черновик, довольно сырая, сейчас я бы сделал многое по другому.
На мой взгляд есть пара недочетов:
Занижена мощность генератора. АвтоТКР выдают минимум вдвое больше.
Насос на прокачке отопления потребляет больше, чем вырабатывает генератор.
Занижен расход воздуха ТКР(13 литров/сек,серьезно?), ткр-5 выдает на порядок больше. На заявленном же расходе автоткр просто неработоспособен.
Теплообменники прямоточные, Кпд не выше 0,5. Поменять местами вход и выход подогреваемого тела и эффективность скакнет раза в полтора. И тд
Но такто интересно.
Имху
 
Схеме десять лет и она сырая.
По порядку:
Мощность турбины уходит на привод компрессора и полезную в соотношении 3:1. Этого практически не избежать при таких вводных.
Мощность генератора это обратное от тепловой мощности отопления дома, поэтому больше никак.
Мощность циркуляционного насоса 50вт, генератор до 2500вт.
В расходах воздуха, верно заметили, опечатка на чертеже, в расчетах и в программе расход верный 0.16кг/с.
Теплообменник в топке прямоточный коаксиальный, со встречным теплообменом. Вначале пламя поднимается вверх, потом снаружи цилиндра вниз (все по Шухову!).

При отоплении помещения, главный недостаток этой схемы перед Ренкиным с противодалением - это большой расход воздуха, поэтому потеря тепла. Температуру ниже 150с в дымовой трубе лучше не делать.
 
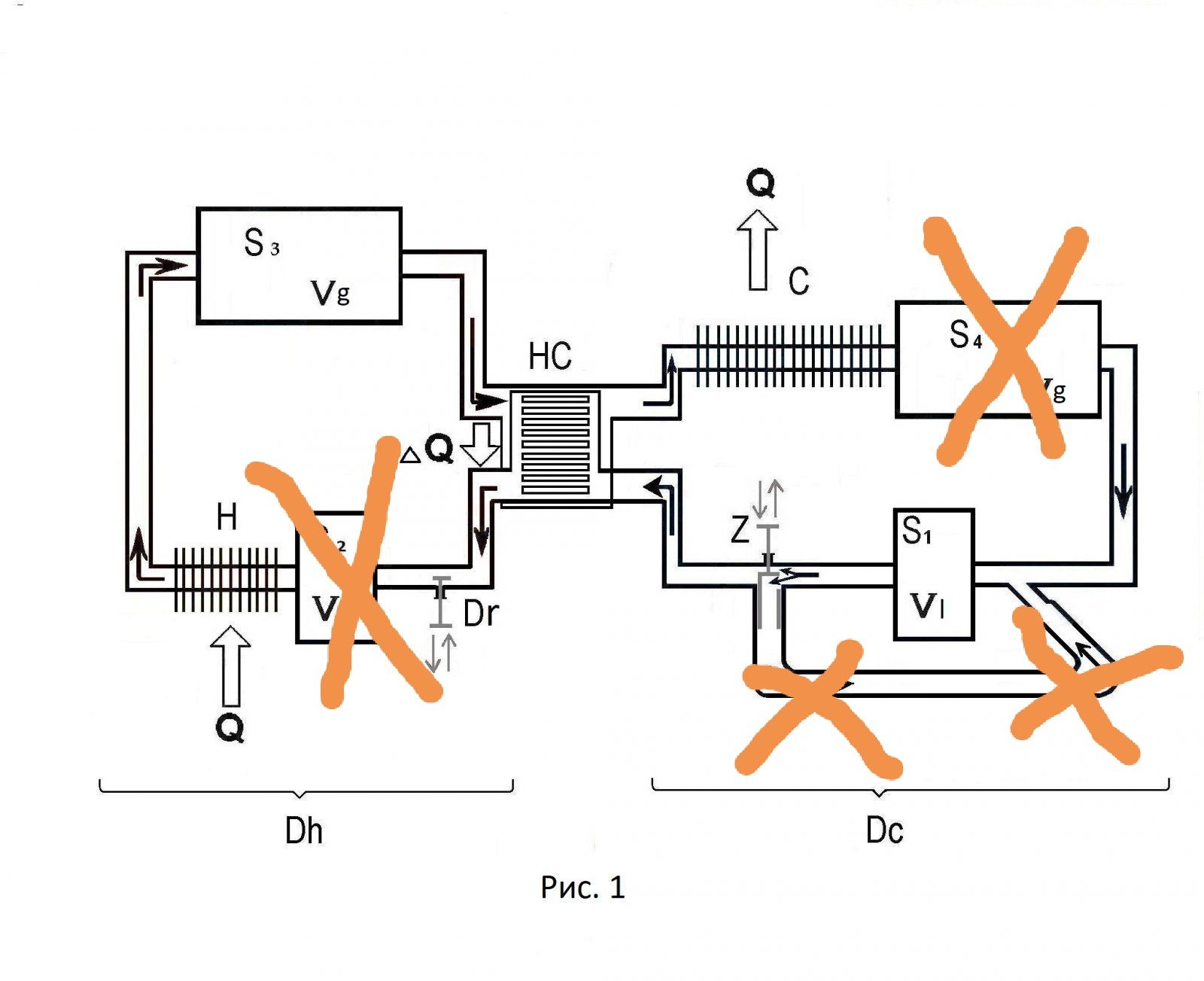
В этой схеме нагрев тела идёт перед сжатием? Я про блоки HC и S2.

Вы, что то ошиблись (невнимательность) НС -это рекуператор, дельта Q не нагрев , а теплообмен между противонаправленными потоками. Сжатие происходит в модуле S 1. А точнее между модулями S 4 и S 1. Тут нюанс- данная машина. соответствует машинам двойного действия. И каждый модуль участвует в двух смежных тактах, разделенных лопаткой (задняя грань в настоящем, передняя в последующим). А название модуля определяется по входу (по воздействию РТ на заднюю грань лопатки данного модуля). А я уж думал, что сам перепутал ( сменив нумерацию, осталась масса рисунков со старой).
Да, даже в этой схеме, нагреватель стоит только после S 2, а должен и перед ним (тут выбор расширения- изобара, изотерма или адиабата. Хотим большую работу. но меньшую экономичность-изобара, наоборот-адиабата, ну и варианты)
 
Я вообще не понимаю, наига там S1 и S2
Ну, это цикл Стирлинга Изохорный теплообмен и нагрев. Самый выгодный процесс, как бы. Кстати, ладно S 2, с потерей эффективности можно и без него, Но модуль сжатия убрать? Но тут, видно, что я, что то не знаю.
 
Вы, что то ошиблись (невнимательность) НС -это рекуператор, дельта Q не нагрев , а теплообмен между противонаправленными потоками.
Но ведь в этой схеме рекуператор HC нагревает тело перед сжатием в S2 ? В традиционной теплотехнике: сжал - нагрел - снял работу - охладил - сжал -
 
Ну, это цикл Стирлинга Изохорный теплообмен и нагрев. Самый выгодный процесс, как бы. Кстати, ладно S 2, с потерей эффективности можно и без него, Но модуль сжатия убрать? Но тут, видно, что я, что то не знаю.
S3 - расширительная машина с ее ввхода РТ идет в теплообменник, потрм в радиатор и затем в компресмор S4. С выхода компрессора РТ подается в теплообменник из него в перегреватель и затем на вход расшмрительной машины S3. По условию замкнутости тракта РТ через S3 и S4 одномоментно проходят раные количества РТ, тоже самое в радиаторе, теплообменниках. Для теплообмена это оптимум. Надобности в модулях S1 и S2 я не вижу.
Имху
 
S3 - расширительная машина с ее ввхода РТ идет в теплообменник, потрм в радиатор и затем в компресмор S4. С выхода компрессора РТ подается в теплообменник из него в перегреватель и затем на вход расшмрительной машины S3. По условию замкнутости тракта РТ через S3 и S4 одномоментно проходят раные количества РТ, тоже самое в радиаторе, теплообменниках. Для теплообмена это оптимум. Надобности в модулях S1 и S2 я не вижу.
Имху
Осталось только объемные машины заменить на динамические, и вот он старый знакомый - Брайтон.
Шутка, извиняюсь.
 
рекуператор HC нагревает тело перед сжатием в S2
и затем в компресмор S4. С выхода компрессора

Мужики. вы в какую схему смотрите?
Модуль S 4 это модуль вытеснения (по входу), а сжатие происходит между ним и S 1 (из большего объема загоняется в меньший) и все. S 1 и S2 равного объема (ну на схеме же видно). И между этими модулями происходит нагрев от рекуператора. а также и должен быть от нагревателя. Схема гибкая и позволяет переходить от адиабатического расширения до изобарного (это и при регулировании можно использовать). Для этого нагреватели должны быть, как перед модулем расширения S 1, так и перед модулем S 2, и в зависимости от обстановки, по разному их можно задействовать.
 
Мужики. вы в какую схему смотрите?
Модуль S 4 это модуль вытеснения (по входу), а сжатие происходит между ним и S 1 (из большего объема загоняется в меньший) и все. S 1 и S2 равного объема (ну на схеме же видно). И между этими модулями происходит нагрев от рекуператора. а также и должен быть от нагревателя. Схема гибкая и позволяет переходить от адиабатического расширения до изобарного (это и при регулировании можно использовать). Для этого нагреватели должны быть, как перед модулем расширения S 1, так и перед модулем S 2, и в зависимости от обстановки, по разному их можно задействовать.
Я смотрел на странице 3, сообщение 57 Где нужно смотреть?
 
Где нужно смотреть?

Ну, И? Там и видно, что сжатие произошло в модуле S 1 (разница в величине "ЯЩИКОВ" S1 и S 4) , Рекуператор НС стоит между модулями S 1 и S 2 , уже после сжатия. Вы по стрелке на магистралях смотрите в каком направлении идет процесс.
 
Мужики. вы в какую схему смотрите?
Модуль S 4 это модуль вытеснения (по входу), а сжатие происходит между ним и S 1 (из большего объема загоняется в меньший) и все. S 1 и S2 равного объема (ну на схеме же видно). И между этими модулями происходит нагрев от рекуператора. а также и должен быть от нагревателя. Схема гибкая и позволяет переходить от адиабатического расширения до изобарного (это и при регулировании можно использовать). Для этого нагреватели должны быть, как перед модулем расширения S 1, так и перед модулем S 2, и в зависимости от обстановки, по разному их можно задействовать.
Модуль вытеснения что вытесняет и откуда куда? В классическом стирлинге понятно, вытеснитель вытесняет(блин, пардон за слог) нагретый газ из горячей части для, совершения работы и охлаждения в расширительной, а потом обратно для очередного нагрева. Но тут то нет движения РТ туда-сюда! Тут то РТ движется однонаправленно. Мятое РТ попадает с выхода расширителя в радиатор и уже остывшее в этот вытеснитель. Зачем? После радиатора РТ холоднее уже не будет, а вот горячее вполне(за счет лишних телодвижений), так не логичнее ли сжимать РТ сразу за радиатором, затраты на сжатие меньше.
Имху
ЗЫ
IMG_20230326_120121.jpg
 
Последнее редактирование:
Тогда модуль S2:не учитываем.
Другой вопрос. Подразумевается высокоэффективная объемная машина расширения, после нее рабочее тело потеряет температуру. Максимальная темп в цикле ограничена условием внешнего подвода тепла. После сжатия в S1 температура тела повысится. Что будет регенерировать теплообменник?Дельта т остаётся маленькой.
 
Тогда модуль S2:не учитываем.
Другой вопрос. Подразумевается высокоэффективная объемная машина расширения, после нее рабочее тело потеряет температуру. Максимальная темп в цикле ограничена условием внешнего подвода тепла. После сжатия в S1 температура тела повысится. Что будет регенерировать теплообменник?Дельта т остаётся маленькой.
Ну, собственно изза этого в частности применение теплообменников в гтд ограниченно установками с невысокими сепенями повышения давления, порялка 10-12. Выше либо забивают болт, либо отдают тепло в парогенератор. Ео это изза внктреннего сгорания. А тут то внешний подвод теплоты. Те окислитель, условно, берется из окр. среды, с соответствующей температурой. Значит можно, если рекуператор по условиям рабочего процнсса не тягнт, тепло от радиатора отдать на подогрев воздуха/топлива в топке. При любой, в разумных пределах, температуре РТ на выходе из клмпрессора.
Имху
 
Назад
Вверх