• Вышел новый выпуск программы ФлайтТВ, посвященный современным российским ЮПШ (юношеским планерным школам).
    Видео на Youtube. Ссылки на другие платформы и обсуждение в теме на форуме.

«Горыныч»-лёгкий грузовик (постройка двухмоторного самолета)

Thread moderators: Любитель
Не могли бы фото сделать приспособления отбортовки отверстий облегчения.Да и сами отверстия интересно как вырезаются.Если конечно не сильно заняты.
 
Последнее редактирование:
Не могли бы фото сделать приспособления отбортовки отверстий облегчения.Да и сами отверстия интересно как вырезаются.Если конечно не сильно заняты.
Пока из того, что нашёл в телефоне. В понедельник сделаю фото более подробно.
179.jpg

180.jpg

181.jpg

182.jpg

Это как раз идея ваятеля планера. Я вначале думал, что на первое время обойдёмся "балеринкой", но как-то у нас не срослось, ещё и участник немного поранился. Нифига не быстро и уж тем более, не точно. В общем, потратили немного времени на выточку пресс-форм, но оно того стоило.
В целом стараюсь учитывать мнения и предложения коллектива, а они, слава богу, смышлёные парни. Но если совсем коротко, то дедовщины нет😁. Хотя и не все предложения принимаются.
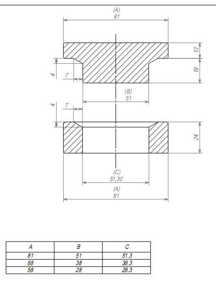
Касаемо отбортовки, всё в соответствии с ГОСТами.
Для примера размещу картинку (это только пример, без привязки к размерам). У нас реализовано несколько иначе. Присутствует еще и направляющий палец. Он везде один и тот же. Так, нам кажется, удобнее. Используется и при вырубке, и при штамповке.
183.jpg

Блин, не хочет прикрепляться. Забейте в поисковике "ЭЛЕМЕНТЫ ШТАМПУЕМЫХ ДЕТАЛЕЙ КОНСТРУКЦИЯ И РАЗМЕРЫ ГОСТ 17040-80".
 
Последнее редактирование:
Между тем, подготавливается новое помещение. Пора поднимать авиастроение с колен, ну или с пола😝😆. Шучу конечно, но помещение готовиться.
184.jpg

185.jpg

Попутно потихоньку обновляется и станочный парк.
186.jpg

187.jpg
 
Моторы конечно слабоваты для таких размеров, может где 180л.с. С наддувом до 210найдете, они не дорогие вроде по помойка поискать.


Похоже, тяговооруженность с вальтерами получится около 0,25 с максимальным весом. Маловато, да. Но летабельно с плотного грунта.
 
У ЩЕ-2 максимальный взлётный вес был 3600 кг. и два двигателя М-11 по 115 л.с. и ничего - летал. Нагрузка на мощность 15,65 кг/л.с. А у Олега будет всего-то 6,9 кг/л.с. Не парьтесь. Летать будет.
 
Похоже, тяговооруженность с вальтерами получится около 0,25 с максимальным весом. Маловато, да. Но летабельно с плотного грунта.
Да,бросьте: у того же Як-18Т при макс.мощности 360 л.с. макс.вес 1650 кГ - итого, удельная мощность 0.219 кГ/л.с: и мне не приходилось слышать о недостатке мощности.
 
Между тем, подготавливается новое помещение.
Тут главное проверить габариты, чтобы собранный агрегат можно было впоследствии вытащить через ворота, двери или окно.🙂
Касаемо отбортовки, всё в соответствии с ГОСТами.
Можно пользоваться ОСТ. Элементы штампуемых деталей Сборник стандартов

Верстак на колесах в подарок. Оказалось очень удобная и нужная вещь. Сделали четыре штуки. Когда нужно строим на них самолеты. Когда еще более нужно - легко перекатываем и соединяем в банкетный стол.😉
 
Последнее редактирование:
Пока из того, что нашёл в телефоне. В понедельник сделаю фото более подробно.
Посмотреть вложение 570262
Посмотреть вложение 570263
Посмотреть вложение 570264
Посмотреть вложение 570265
Это как раз идея ваятеля планера. Я вначале думал, что на первое время обойдёмся "балеринкой", но как-то у нас не срослось, ещё и участник немного поранился. Нифига не быстро и уж тем более, не точно. В общем, потратили немного времени на выточку пресс-форм, но оно того стоило.
В целом стараюсь учитывать мнения и предложения коллектива, а они, слава богу, смышлёные парни. Но если совсем коротко, то дедовщины нет😁. Хотя и не все предложения принимаются.
Касаемо отбортовки, всё в соответствии с ГОСТами.
Для примера размещу картинку (это только пример, без привязки к размерам). У нас реализовано несколько иначе. Присутствует еще и направляющий палец. Он везде один и тот же. Так, нам кажется, удобнее. Используется и при вырубке, и при штамповке.
Посмотреть вложение 570266
Блин, не хочет прикрепляться. Забейте в поисковике "ЭЛЕМЕНТЫ ШТАМПУЕМЫХ ДЕТАЛЕЙ КОНСТРУКЦИЯ И РАЗМЕРЫ ГОСТ 17040-80".
я так понимаю сразу рубится и отверстие и гнется отбортовка?
 
На очереди руль направления. Киль будет собираться, параллельно. Тем более, что он почти готов.
Будущий лонжерон Р.Н.
190.jpg

Так как столкнулись с полным отсутствием в городе (всё никак не привыкну, что это не Москва, с её разнообразным ассортиментом товаров) разного рода ШП, пришлось точить их из шарнирных головок, благо хоть они нашлись. Не смотря, что тоже под заказ, но быстрый. Потому пришлось на ходу менять кронштейны навески руля и немного намудрить.
189.jpg

191.jpg

Далее пошла примерка и подгонка кронштейнов...
194.jpg

195.jpg

196.jpg

197.jpg

Предсвадебная ночь, пока ещё не брачная 😆
198.jpg
 
Тут главное проверить габариты, чтобы собранный агрегат можно было впоследствии вытащить через ворота, двери или окно.🙂
Этот момент проверили первоочерёдно 🙂.
Верстак на колесах в подарок. Оказалось очень удобная и нужная вещь. Сделали четыре штуки. Когда нужно строим на них самолеты. Когда еще более нужно - легко перекатываем и соединяем в банкетный стол.😉
Спасибо, обязательно изучу. Как раз время верстаков подходит 🙂. Только попрошу знакомых скачать файлы, а то дома выхожу в тырнет через телефон и загрузка/скачивание, занимают оочень много времени.
 
Не могли бы фото сделать приспособления отбортовки отверстий облегчения.Да и сами отверстия интересно как вырезаются.Если конечно не сильно заняты.
Каюсь. Сегодня вылетело из головы. Вспомнил только когда дома вечером зашёл на ветку. Завтра постараюсь не забыть и сфоткать.
я так понимаю сразу рубится и отверстие и гнется отбортовка?
Не, не, всё последовательно. Разные пресс-формы, но с общим основанием и направляйкой. После вырубки, отверстия тщательно зачищаются и полируются, чтобы в момент вытяжки ничего не треснуло. Если не зачистить, то порвёт обязательно.
Любые детали, обычно, стараемся делать максимально зачищенными и гладкими. Палец должен скользить по ним как по попке младенца😜😁. За зачистку всегда дрюкаю всех, хотя оно и так без надобности, парни стараются.
 
Этот момент проверили первоочерёдно
Смотрю вот (на рули и т.п.) - всё такое непривычно крупное, по меркам этого форума 🙂
Глазу непривычно 🙂
Обычно собираемые тут самоделки и несамоделки, гораздо мельче 🙂
Серьезная машина должна получиться!
 
На очереди руль направления. Киль будет собираться, параллельно. Тем более, что он почти готов.
Будущий лонжерон Р.Н.

Так как столкнулись с полным отсутствием в городе (всё никак не привыкну, что это не Москва, с её разнообразным ассортиментом товаров) разного рода ШП, пришлось точить их из шарнирных головок, благо хоть они нашлись. Не смотря, что тоже под заказ, но быстрый. Потому пришлось на ходу менять кронштейны навески руля и немного намудрить.
Посмотреть вложение 570385

Далее пошла примерка и подгонка кронштейнов...



Предсвадебная ночь, пока ещё не брачная 😆
Процесс радует! К "костям" прирастает "мясо" объект приобретает вид. Только наверно не ШП, а ШС , сферические.
 
Да, да, извиняюсь. Вы совершенно правы, ШС.
А клепаете общестроительными вытяжными, или авиационными разжились? Разница существенная. Мы , где надо, чуть не дотягивали стержень, не отрывали. Он оставался в теле пистона, на срез держал значительно сильнее. И при установке всегда окунали в АК 070.
 
Каюсь. Сегодня вылетело из головы. Вспомнил только когда дома вечером зашёл на ветку. Завтра постараюсь не забыть и сфоткать.

Не, не, всё последовательно. Разные пресс-формы, но с общим основанием и направляйкой. После вырубки, отверстия тщательно зачищаются и полируются, чтобы в момент вытяжки ничего не треснуло. Если не зачистить, то порвёт обязательно.
Любые детали, обычно, стараемся делать максимально зачищенными и гладкими. Палец должен скользить по ним как по попке младенца😜😁. За зачистку всегда дрюкаю всех, хотя оно и так без надобности, парни стараются.
Если сначала штамповать, а вырубать потом - трещать просто нечему; да и совместить операции легче.
 
Если сначала штамповать, а вырубать потом - трещать просто нечему; да и совместить операции легче.
Согласен. Был курсач похожий, лет так 53 назад, сначала формовка чашки, прижим, при дальнейшем ходе вырубка.
 
А клепаете общестроительными вытяжными, или авиационными разжились? Разница существенная. Мы , где надо, чуть не дотягивали стержень, не отрывали. Он оставался в теле пистона, на срез держал значительно сильнее. И при установке всегда окунали в АК 070.
Не вижу смысла, в любительских условиях использовать авиационную вытяжку. И даже не потому, что там конский ценник. Сортамент узкий, объемы огромные, а на выходе, их с диким переизбытком прочности относительно склёпываемых фрагментов, смысл пропадает.
Если и использовать авиационные заклёпки, то только ударные. Но тут уже и соответствующая конструкция должна быть. (Да и с ними тоже не всё так гладко. Когда искал для клёпки полок лонжеронов "ЗОлы", мне нужно было всего 7 номенклаторов. Не смог найти 2.). Забил, и заклепал, как и собирался до этого. И понял, что связываться с конторами работающими на государство, можно только через государство.
И не дай бог, частнику, связаться с ним.
Это хана. Не государству)).
 
А клепаете общестроительными вытяжными, или авиационными разжились? Разница существенная. Мы , где надо, чуть не дотягивали стержень, не отрывали. Он оставался в теле пистона, на срез держал значительно сильнее. И при установке всегда окунали в АК 070.
Да, и касаемо усиленных заклёпок работающих на срез. Которые вы не дотягивали.
У общестроительных, есть много вариантов применения и вариаций самих заклёпок, под разные задачи. Включая и усиленные. У них стержень обрывается именно там, где должен, и при стабильном равномерном притягивании. А не притягивании, почти на глазок и потом, скусывании и подшарошивании торчащих стержней.
На каждый тип заклёпок, есть своя спецификация с указанием ТТХ. Руководствуясь данными, можно склепать и на них, что угодно.
 
Если сначала штамповать, а вырубать потом - трещать просто нечему; да и совместить операции легче.
Владимир Павлович, мы пока до этого не доросли. Дайте время. Вы же видите в каких условиях и чем работаем
 
Назад
Вверх