• Вышел новый выпуск программы ФлайтТВ, посвященный современным российским ЮПШ (юношеским планерным школам).
    Видео на Youtube. Ссылки на другие платформы и обсуждение в теме на форуме.

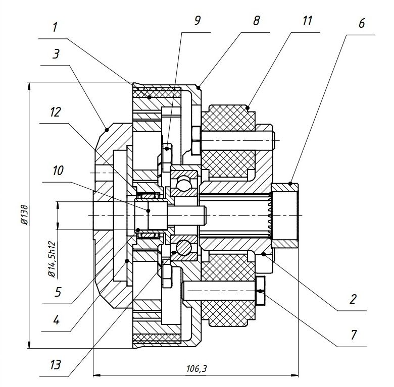
Конструкция редукторов, виды в разрезах и сечениях

Hitek сказал(а):
4-й винт на плите первичный вал не особо держит. А с него нагрузка передается как раз на плиту и винты. В остальном согласен.
Да, конечно. Я просто к тому, что вариант Газели более удобен для сравнения с представленным редуктором. Там и вал вторичный, т.е. тот, на котором момент больше чем на первичном, и стопорное кольцо держится исключительно в проточке алюминиевого картера без каких либо иных приспособлений и деталей.

Вотвторичный вал ГАЗ:
img014044.jpg


слева направо: шестерня спидометра, подшипник с канавкой под стопорное кольцо, шестерня 5-ой, затем задней, первой, второй и третьей.
Внутренним диаметром стопорное кольцо сидит в проточке подшипника, а наружным - в проточке картера КПП. При разжатии усиков кольцо утапливается полностью в проточку картера и освобождает подшипник для демонтажа вала.
 
Sai.D сказал(а):
Я просто к тому, что вариант Газели более удобен для сравнения с представленным редуктором.

   Зачем сравнивать и гадать - достаточно испытаний .
Прикрутить к мотору РЕД , установить пропеллер  и ВШТЫРИТЬ  6 000 об/мин и  Наблюдать за процессом .
  Автомобили на 6 000 об/мин  ездят только на  РАЛЛИ - коробки там умирают одними из первых агрегатов .
 
mzm сказал(а):
Sai.D сказал(а):
Я просто к тому, что вариант Газели более удобен для сравнения с представленным редуктором.

   Зачем сравнивать и гадать - достаточно испытаний .
Прикрутить к мотору РЕД , установить пропеллер  и ВШТЫРИТЬ  6 000 об/мин и  Наблюдать за процессом .
  Автомобили на 6 000 об/мин  ездят только на  РАЛЛИ - коробки там умирают одними из первых агрегатов . 
На ралли и моторы совсем другие, и при этом тоже умирают не реже коробок. Ну а прежде чем чего-то прикручивать и испытывать, почему-бы не изобретая очередной велосипед просто обратиться к опыту тех, кто давно уже все и прикрутил, и испытал, да еще и миллионными тиражами? Что в этом крамольного? Мне например не очень нравится вариант резьбовой пробки в алюминиевый корпус, хотя согласен, что стопорное кольцо - тоже не айс. Свой вариант я предлагал выше, но он потребует переделки отливки корпуса.
 
Sai.D сказал(а):
Свой вариант я предлагал выше, но он потребует переделки отливки корпуса.

Sai.D , вы есть большой писатель и ничего не понимать в религиозной коммерции .
  Если мастер легко впарил эту картину - с остальными тоже проблем никаких , с божьей помощью тож пристрояться . 

   
 
   
 

Вложения

  • KU-KU_DUPLO.JPG
    KU-KU_DUPLO.JPG
    114,2 КБ · Просмотры: 150
Sai.D сказал(а):
Развалился редуктор из-за этого косяка или чо там? Дык и не развалится - ни каких усилий подшипники вала паразитной шестерни в сторону рабочих валов не испытывают, а тоько в перпендикулярных направлениях.

    Sai.D , ты , что ветеринар ?   Тебе три раза большими буквами втемяшили ,[highlight] что подшипник на этой картине болтается в корпусе[/highlight] . БОЛТАЕТСЯ - входит сА свистом и так жА  выходит .
   
   
Дмитрий, он же их и так изучает в своем автосервисе, каждый день причем, и всё про них знает - про детали от машин.
Много пишет про детали от машин, от "жигули" и вообче много про "тАеты".
Хотя нет, судя по тому что он по 5 (примерно) постов в день катает, его выгнали с автосервиса. Безработный он сейчас, от того и мнёт клаву от души, пальцев не жалея.

P.S.
А то, что ты имел ввиду, он об этом даже не подозревает, что существует такая наука и предмет.
Это не единственный его высер. У него их много.
Где-то он тут п и з да н у л  про - "продукты износа от приработки шестеренок в коробке, и!!!!, необходимости ставить закрытые подшипники"
Суровый Кировский чувак не знает основ зубчатых зацеплений.

     Sai.D ,  эт тоже тебе отвечали ?
 
Sai.D сказал(а):
Про "болтается" и "со свистом" в твоем посту, где картинка - ничего нет.

  Sai.D , смотри картинку !  Большими буквами написано - с ЗАЗОРОМ и ЭЛЛИПСОМ .   
   Загугли  - хто есть зазор .
 
mzm сказал(а):
Большими буквами написано - с ЗАЗОРОМ и ЭЛЛИПСОМ .
Загугли- хто есть зазор . 
Саша, милый человек! Ну не ври уж так усердно! Нет там зазора. Это исправление твоих обычных подлостей. Почитай внимательно, что мной написано выше про твои модели "чебурашки" за которые ты с меня взял 1000$.
И специально сделал отверстия, что бы обычные подшипники не встали.
Первый редуктор когда начали набирать межцентровое показал, что придется их подбирать из того, что производят.
И этот элипс не влияет ни на что. Так как подшипник вставлен в отверстие на 70% которое, ты лукавый не хочешь показать. Вынь его от туда и снова покажи фото.
Читай учебники "звезда" редукторного дела. Что не полная посадка подшипника допустима.
И раз у тебя как ты написал три рредуктора такого производства. То будь добр покажи остальные.
У меня к тебе да же неприязни не осталось. Только жалость.
Я ведь тебя нормальным человеком считал.
И редуктора у Миши не сломались. Ему просто понимаете шум не понравился. Не спорю модуль 3.5 для дизеля будет давать повышенный шум. Но это не критично.
А когда их у меня покупали, то все всё знали. И я об этом предупреждал. Потом прошел год и когда оказалось, что редукция 2.0 мала для Л15 мотора, то придумали повод их вернуть. Но не сильно понятно, ты здесь каким местом?
 
Zlinov сказал(а):
Нет там зазора. [highlight]Это исправление твоих обычных подлостей.[/highlight] Почитай внимательно, что мной написано выше про твои модели
Zlinov сказал(а):
И специально сделал отверстия, что бы обычные подшипники не встали.

  Кулаг Иваныч , Втемяшиваю  тебе в очередной раз .
Ты гений коммерции и изготовил ТРИ комплекта  шестерней с редукцией 1,4 - под дизель .   Корпус табе  сделали    под редукцию  1.4  - [highlight] вошла ИДЕАЛЬНО , всё по центрам [/highlight].

  [highlight]Просто ты в вопросах механики полный  НОЛЬ[/highlight] , ты даже ща не понимаешь ,[highlight] что в 3-х вальный  корпус другую редукцию не впихнуть .[/highlight]
 
   
Zlinov сказал(а):
[highlight] Но не сильно понятно, ты здесь каким местом?
[/highlight]

  И мне было непонятно каким местом я к твоим авантюрам ?
  Только Миша плакался , что редукцию ты заявил как 2.4 , а оказалась 2,0 .
  Миша с Ченовым  видать выпили очень крепкий кофе и начали сначала звонить мне , а может вкурили и телефоны попутали ?

    Форум слегонца развеселили - можно отдыхать .
 
Саша, милый человек.
Опять полное лукавство, а что тебе остается. Всё, что ты умеешь это лгать и обливать грязью всех подряд.
Но я на тебя не в обиде. Мне такие люди как ты полностью безразличны. Ты Саша реально от злобы своей страдаешь.
Но давай ещё раз проясним ситуацию для Форума.
Ты взыл у меня 1000$ и обещал сделать модели.
При этом весь год, что я тебя приютил у себя. Ты хоть как то имел деньги, что бы существовать.
Потом ты взял ещё 200$ и обещал сделать с них 3 отливки.
Но по не понятной причине на 1 год исчез.
Мне оставил "чебурашки" по которым и лить то нельзя. Мой модельщик исправил их и Дима отлил 5 комплектов.
Но и тут ты преподнёс "подарок". Отверстия для подшипников я не проверял. А ты их сделал специально большего размера. И туда обычные подшипники, которые я закладывал, было уже не поставить.
В первом корпусе пришлось выкручиваться как получиться.
Но и там нашли решение. Иэтот редуктор год работал. Пока его не раскурочили по не понятным причинам.
Теперь о моих знаниях. Вот тут ты меня насмешил, а не Форум.
Деталировка с редукцией 1.5 лежит у меня на работе. Сегодня фото сделаю. Там кстати твои "умные художества" по форме заложены. Я тогда с тобой спорить не стал. Зато теперь можно будет посмеяться.
В  редукторах, что на твоих фото, стоит деталировка с редукцией 2.0 Их было сделано 10 шт. И межцентровое при расчете этой редукции наш специалист Леонид, старался максимально подогнать под межцентровое редукции 1.5
При этом и с модулем работал и с диаметрами колёс, которые по обводам корпуса твоей "чебурвшки" имели ограничения. При увеличении диаметра колеса, они уже не становились в корпус.
И Саша, милый человек, у него это нормально получилось.
Разница вышла не более 3 мм на все три оси. А точнее между первой и второй 1.2 и второй и трейтей 1.8 мм.
Но всё бы хорошо.
Если бы отверстия в литье были те, что закладывались. Но ты милый человек, видно плохо себя чувствуешь, если не сделаешь кому подлость.
Когда поставили первый корпус. И расточник сделал расточку верхнего подшипника. От него набиралась размерная линейка. И набрал размер для расточки среднего отверстия. То увы, из за заложенных милым человеком Сашей размеров в моделе. Это отверстие уже оказалось в размере по литью. Подшипник проваливался. Я не проверял модель до отливки. У меня и мысли в голове не возникало, что можно так гадить.
Пришлось сидеть и искать, какие можно ставить подшипники большего диаметра, но с той же посадкой на вал.
Нашли и смогли по месту исправить твою мелкую подлость.
По этой причине и получился в этом корпусе элипс.

А теперь, милый человек Саша, фото остальных предоставь.
И фото зубчатых пар предоставь, что бы было можно посчитать количество зубьевь на предмет определения редукции.
Ну очень хочется увидеть!

Лучше сделай Саша, пару добрых дел! Может тогда го..но которое в тебе булькает, выходить потихоньку начнёт. Произойдет у тебя асинизация в голове.
Несчастный ты Саша, человек. Мне искренне тебя жалко.
 
Zlinov сказал(а):
Опять полное лукавство, а что тебе остается. Всё, что ты умеешь это лгать и обливать грязью всех подряд.

  Кулаг Иваныч , капитан из советской армии - не парься !
   
  Модели Я никакие не делал - ты и здесь что-то напутал .

   Продолжай трудовой подвиг  и давай РЕДЫ  по  17 000 руб  России  .
 
Да, нет милый человек Саша. Вся моя фирма, а это 24 человека, видела тебя у меня на работе в течении года. И половина из них видела как и, что ты там делал.
У тебя и с памятью похоже проблемы наступают.
И к слову. Если бы технически я был дурак. Так ты преподносиш. Фирма моя (техническая) не существовала бы 17 лет. А в мае надеюсь с Божьей помощью, будет 18 лет.
И ещё там видели, как я тебе деньги передавал. И не один человек это подтвердит при необходимости.
Так, что тут ты милейший не отвертишся. Как бы ты этого не хотел.
И да же мой главбух помнит, как я тебе в своем офисе отдавал 8 лопастей (новых) А.Конотопа. Для продажи и получения тобой денег в зачёт второй модели 2-х осевого редуктора. За который я тебе так же отдал 8 этих лопастей по себистоимости
60$ за одну и 500$ наличными деньгами.
Но вот интересная ситуация. Ты всё это взял и на год пропал.
А теперь меня ещё и грязью обливаешь. Хотя прошло уже больше 2-х лет и второй модели я так и не увидел.
Саша, милый человек. Свидетелей твоей "бурной деятельности",которая при желании может быть квалифицированно как мошенничество, хватает. Поверь на слово.
Я просто не хочу давать этому официальный ход. Мне просто тебя жалко.
Ты ведь прекрастно знаешь, что до такого я не опущусь и делать этого не стану.
Деньги для меня вообще ничего не значат. Есть хорошо, нет не растраиваюсь особо.
А вот ты над своими поступками подумай. Может совесть проснётся.
 
   Кулаг Иваныч , [highlight]ты который обул Васю таракана из Канады , [/highlight]немножко  Сан Саныча  [highlight]и всю Россию  завалил ушатанными движками ? [/highlight]
   Ты намекаешь , что на этой Земле есть люди котырых даж у тебя обуть не получилось ?
   Потренируйся на китайцах , их там говорят полторЫ мильярду - непочатый край работы табе .

   Пиши коротко и честно , такие сочинения Я не читаю - отвлекают от работы .

          [highlight]Веселее , мы в ХОККЕЕ ![/highlight]
 
Знаю MZ как порядочного человека и толкового специалиста.
Его идея в основе муфты для БМВ.
Для нас он сделал несколько моделей плит и ни разу проблем с качеством не возникало.
Что-то вы товарищь капитан уходите в сторону от проблем своих картинок
 
mzm сказал(а):
Пиши коротко и честно , такие сочинения Я не читаю - отвлекают от работы 
Все ты прочитал, милый Саша.
Диспуты с тобой я прекращаю. Вижу, что всё это без толку.
Самое важное, это что есть на самом деле.
А, что именно ты милый человек прекрастно знаешь.
Мне искренне тебя жалко.
Удачи тебе!
 
Zlinov сказал(а):

  И тебе не стареть - и не терять коммерческую хватку .
Смотри и учись как творит Отец Наш Небесный !

   https://www.youtube.com/watch?v=sGPRA89B-Jo
 
Решил разместить редуктор для БМВ который сейчас начнем делать.
Эта модель для серии 1100 и 1150.
Форма корпуса понравилась от ХИРТ.
Сцепление(сам диск сцепления) взят от ТЭЙК-ОФ
Плита разработана под эти позиции.
Вес редуктора надеемся получить самый оптимальный.
Включение сцепления на 2200 об мин. Это уже проверено.
На сегодня данная муфта имеет наработку почти 200 часов.
Выкладываю с целью критики для доработки перед выпуском.
Прошу высказываться только по существу.
 

Вложения

Zlinov сказал(а):
Прошу высказываться только по существу.

  Первым сгорит игольчатый подшипник на верхнем валу .
 
  Копировать над  брендовые  модели !
Украсть идею тож над грамотно - эт на стажировку в церковь к попам .
      При промышленном шпионаже необходим опыт , знания и интуиция .
    [highlight]Кулаг Иваныч , вы подбрили  немецкий тупичок " ГИТЛАР КАПУТ "[/highlight]

Эта муфта сложнее чем стыковочный узел на советской станции САЛЮТ 7 . 
  Видать сам Леонардо НЕДОВинченный  творил чудо сие ?
 

Вложения

  • ____104.jpg
    ____104.jpg
    85,4 КБ · Просмотры: 154
Zlinov сказал(а):
Форма корпуса понравилась от ХИРТ.

Что толку от формы корпуса ХИРТ ?
У ХИРТА  межцентровое  расстояние  по валам [highlight]90 мм[/highlight] .

У этой китайской копии межцентровое [highlight]82 мм[/highlight] .

  [highlight]Зачем копировать  - с целью  ухудшать и ослаблять  ?[/highlight]
 
    Конкретный борщ получился - предлагаю назвать :

        [highlight]  HIRT - ГИТЛАР - ZLINOV[/highlight]
 

Вложения

  • ___________-_______001.jpg
    ___________-_______001.jpg
    60,4 КБ · Просмотры: 151
Zlinov сказал(а):
На сегодня данная муфта имеет наработку почти 200 часов.

  Часы наработки муфты это информация НИ О ЧЁМ .
Сколько раз включалась муфта за 200 часов  ?
Для муфты показатель количество включений - сколько раз ей удалось раскрутить пропеллер и не задымить  прокладками .
 
    [highlight]Кулаг  Иваныч   , инфа  просто рекламная .[/highlight]
   
 
Назад
Вверх