• Вышел новый выпуск программы ФлайтТВ, посвященный современным российским ЮПШ (юношеским планерным школам).
    Видео на Youtube. Ссылки на другие платформы и обсуждение в теме на форуме.

Конструкция редукторов, виды в разрезах и сечениях

Эти моторы создловал "Порше" а не какойнибудь дибильный двух тактный "Ротокс"-пукалка а не мотор!
 
  Редуктор аэроглиссера  , 
  airboat gear reduction   

http://www.google.com/search?q=airboat+gear+reduction&tbm=pts&tbo=1&hl=en&gs_sm=s&gs_upl=358637l360704l0l361799l1l1l0l0l0l0l346l346l3-1l1l0&oq=Airboat++gear&aq=0L&aqi=g-L1g-sL1g-L1g-vL4&aql=

Цепь + шестерни = соосник
http://www.google.com/patents?id=vZ4QAAAAEBAJ&pg=PA4&dq=airboat+gear+reduction&hl=en#v=onepage&q=airboat%20gear%20reduction&f=false
 
По моему если бы  max-audi поставил две цепи,вопросов в работоспособности его редуктора было меньше.А так всех терзают сомнения.
Вот попались такие варианты редукторов
 

Вложения

  • suzuki1_001.jpg
    suzuki1_001.jpg
    67,8 КБ · Просмотры: 287
  • suzuki2_003.jpg
    suzuki2_003.jpg
    43,3 КБ · Просмотры: 280
  • suzuki3_001.jpg
    suzuki3_001.jpg
    24,1 КБ · Просмотры: 283
Вот ссылку нашёл интересную...
Или до чего довёл "прогресс"
http://www.mastercity.ru/vforum/showthread.php?t=44128
В ней довольно интересная ссылка с фотографиями
 
   Редкая схема
http://www.google.pl/patents/US3035789?printsec=drawing#v=onepage&q&f=false
 

Вложения

  • CE.jpg
    CE.jpg
    153,7 КБ · Просмотры: 269
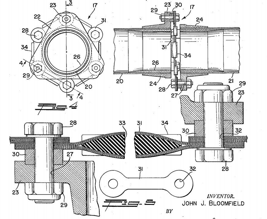
Редуктор  для аэролодки ,  поднимает ось винта
  airboat  propeller

http://www.google.com/patents?id=f5EUAAAAEBAJ&pg=PA16&dq=airboat++propeller&hl=en#v=onepage&q=airboat%20%20propeller&f=false
 
Редуктор  для аэролодки ,  поднимает ось винта
  airboat  propeller
- молодцы америкосы, такую элементарную "штуковину" - и сразу патентовать!!!???
А ведь просто применили два редуктора лодочных моторов.... .
 
    Демпфер + демпфер винта

http://www.google.com/patents/US2532755?printsec=drawing&dq=AIRCRAFT+PROPELLER+drive#v=onepage&q=AIRCRAFT%20PROPELLER%20drive&f=false
 

Вложения

  • dempfer_.jpg
    dempfer_.jpg
    145,4 КБ · Просмотры: 242
Сегодня получили редуктор, ГБЦ с карбюратором от Саши Кулаги, при вскрытии посылки обнаружился бонус в виде прокладок под головку и выхлопные патрубки !
Огромное спасибо Саше от Ильгиза Муратова за решение проблемы !
 
Сегодня получили редуктор, ГБЦ с карбюратором от Саши Кулаги, при вскрытии посылки обнаружился бонус в виде прокладок под головку и выхлопные патрубки !
Огромное спасибо Саше от Ильгиза Муратова за решение проблемы !

Вот , ЧТО  интернет ЖИВОТВОРЯЩИЙ  делает  !
 
@ Ledchik подскажите где найти такие гофры и насколько они устойчивы к вибрациям ? 

Эти гофры это трубы что-то наподобие вернее альтернатива метаполу. Называется вроде как "Камульсо" или как -то так. Сделаны из нержавейки, гнуться как угодно, стоят у нас на многих аппаратах проблем нет некоторые отходили уже не один сезон. Давление держат довольно высокое.
 
Ledchik можете показать фотокрепления моторамы к блоку двигателя со стороны глушителя ? 

Сейчас не могу. Все фото на домашнем компе. а в нем накрылась видюха. Как отремонтирую так скину.
В целом там такойже принцип как и со стороны фильтра.
 
Cпасибо, я так и думал, а гофры меня честно сказать обрадовали, уже давно хотел перейти на такие, да думал, что они неустойчивы к вибрациям.  :~)
 
Эти гофры это трубы что-то наподобие вернее альтернатива метаполу. Называется вроде как "Камульсо" или как -то так.

Пробовал найти в тырнете, не находит, а нельзя-ли подробнее про эти гофры ?
 
Назад
Вверх