Конструкция редукторов, виды в разрезах и сечениях

Чертежи реально работающих механизмов никто в интернете не выставляет .
Но Вы писали что муфта не работает, а только ломается. Вот я и хотел посмотреть, как не нужно делать муфты.
А если муфта работает, то понятное дело. Тогда и кипеш в интернете вокруг этой муфты легко объяснить коммерческими интересами участников кипеша.
 
Пришлите электронку в личку. поделюсь чертежами муфты.
Спасибо, не надо. Меня больше интересуют причины поломки если таковые были, чтобы знать, как можно уже не делать.
Как надо делать, я и сам придумаю.
 
как можно уже не делать.

-а наш Богдан уже много веков применяет свои центробежные муфты
с 6-ю резиновыми "башмаками" и .....НИЧЕГО ! (весит около килограма)

=однажды во время прогонки попал в неё антифриз,немного дыма,
после обработки наждачкой работает и впредь !

ЗЫ=эта муфта служит одновременно демпфером,щадит зубчики редукторов...
 
Посмотрел внимательно все фото.

Смотри ИЩО раз 10-ть и внимательно .
Пятно контакта - ВИДИШЬ ?
Выгоревшая цементация или МОЛЬ пожрал железо ?
Как у твоём редукторе с центробежной муфтой накрылись медным тазом шестерни ?
Смотри на пятна от контактов на зубьях - ты валы РАКОМ УПЁР в корпус !

Лекарства сегодня сам уже принял или опять скорая приезжала уколы делать
?



11 01.jpg


11 02.jpg


11 00.jpg
 
Последнее редактирование:
Но Вы писали что муфта не работает, а только ломается. Вот я и хотел посмотреть, как не нужно делать муфты.
А если муфта работает, то понятное дело. Тогда и кипеш в интернете вокруг этой муфты легко объяснить коммерческими интересами участников кипеша.

Муфта - эт центробежное сцепление которое работает за счёт трения и естественно с выделением тепла .
Количество включений и их частота - и тепла выделяется больше чем уходит .
физика - 6-й класс школы СССР .
 
=только при разгоне!
после захвата не греется...

Естественно после захвата не греется - если не буксует слегонца .
На самолёте один раз включил и полетел , а на лодке при волне ручкой газа работают в режиме отбойного молотка .
 
...и тепла выделяется больше чем уходит .
физика - 6-й класс школы СССР .
Это, простите, на какой странице такая фигня?
Я в том учебнике вообще не встречал описания взаимосвязи между процессами выделения тепла, и рассеивания его в окружающей среде. В других кстати тоже.
Может это вообще Вы сами придумали?
 
если не буксует слегонца .

=резновая центробежка Богдана не проскальзывает,поэтому и не изнашивается!
("башмаки" отлитые из протекторной резины)

=захват очень мягкий,можно без страха держать рукой,момент нарастает плавно...
 
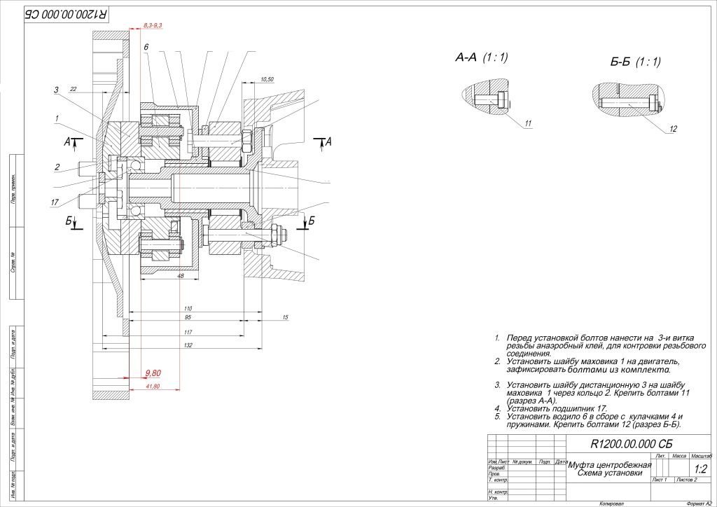
В понедельник дам чертежи муфты,которую ставим на БВМ 1100 и 1200.
Если дельталет или самолет используется для перелетов,то у муфты щадящие условия работы.Важным является один момент.Это масса разжимных механизмов.
Если эту муфту поставить на другой двигатель с бОльшим крутящим моменот и большим шагом винта,то работать она не будет.Чашка муфты может просто расплавиться.На стадии экспериментов с массами у нас чашку разогрело кулачками до красна и вывернуло наизнанку.
Получить проскальзывание на малых оборотах не сложно.Но в иной обстановке достаточно увеличить шаг или погодные условия иные и муфта уже не работает.Если ставить БМВ на аэроглисер,то о ресурсе надо говорить не муфты,а шестерен редуктора.Идеальным является вариант ставить муфту на выход между редуктором и винтом.
Как вариант-это использовать демпфирующую муфту по типу двухмассового маховика.
И самый важный момент!Муфта работает на зубъя шестерен.И добиться бОльшего ресурса можно только качеством шестерен.Один и тот же металл по разному обрабатывается!У знакомого крупное производство в металлобработке.Так вот на штампы он не покупает Российский металл.(без эмоций.Что есть)
Я не видел ресурса на БМВ свыше 400 часов без последствий для зубъев шестерен.Удары выкрашивают цементацию.Предполагаю,что перейдем на иные виды термообработки.
 
Это, простите, на какой странице такая фигня?
Я в том учебнике вообще не встречал описания взаимосвязи между процессами выделения тепла, и рассеивания его в окружающей среде. В других кстати тоже.
Может это вообще Вы сами придумали?

Возможно вы скурили учебник по физике ?
Теплоёмкость и задачи даже были сколько над затратить энергии на нагрев .
Мож учитель по ботанике у вас физику преподавал в школе ?
 
Завтра буду на работе и постараюсь не забыть взвесить все по отдельности.

-почему бы не поставить заместо резинового кольца отдельных "башмаков",
можно получить надёжную центробежную муфту заодно с демпфером...
 
-почему бы не поставить заместо резинового кольца отдельных "башмаков",
можно получить надёжную центробежную муфту заодно с демпфером...

Отдельным башмакам понадобиться и два отдельных корпуса или плиты для их крепления ?
 
Отдельным башмакам понадобиться и два отдельных корпуса или плиты для их крепления ?

-когда-то представлял снимок муфты Богдана,не могу найти...

=к маховику привинчено 6 башмаков (внешний радиус ок.10 см) 12-ю болтами М6 (кажется,в оргинальные
отверстия?)

=отбор момента с помощью люминевой "кастрюли",вращаемой на подшипничке
в центре маховика...
 
-когда-то представлял снимок муфты Богдана,не могу найти...

=к маховику привинчено 6 башмаков (внешний радиус ок.10 см) 12-ю болтами М6 (кажется,в оргинальные
отверстия?)

=отбор момента с помощью люминевой "кастрюли",вращаемой на подшипничке
в центре маховика...
О чем сей разговор?Муфта центробежная/демпфирующая/разжимная???
кастрюли,башмачки...
 
Назад
Вверх