Применение двигателей Subaru в авиации.

По датчику скорости - на некоторых компах субару можно подсунуть сигнал с датчика положения распредвала
Судя по мануалу на мой мозг период импульсов 250 мс.=4 имп/сек. Наверное это для скорости 20-25 км /ч, пусть обороты 1200 об/мин=20 об/сек. Итого 1 импульс на 5 оборотов. Это на первой передаче. Ну пусть на верхней грубо 1 имп. на оборот. Вопрос: где их взять без горотьбы микросхем делителей? По другим мануалам период около 45 мс.= 1-5 имп на оборот. Тогда со спиц распредшестерни датчиком Холла можно снять 2,5 импульса за оборот. Сигнал нужен 5 вольтовый. Вот и гадаю.
Если по международному стандарту 6000 имп. на км.пути, то на скорости 162 км/ч. имеем 270 имп/сек. Допустим это будет 6500 об/мин=108 об/сек. Тогда со спиц распредшестерни снимется 270 имп/сек. Все было бы красиво.
 
Например на своей субаре я использую все датчики атмосферные, а мозг от турбового ВРХ.
С этого места, пожалуйста, более подробно: какая модель двигателя, мозг какого года, какая прошивка, есть ли иммобилайзер, есть ли CAN-шина, какая дроссельная заслонка, какие возникли проблемы, и почему это делалось?
 
ууу... это долго писать.
у меня импреза 08 2,0 атмо.
главная проблема- мозг хитачи. не шьется.
каншина, электродроссель, авцс, иммобилайзер...
предлагаю сперва почитать здесь, много вопросов отпадет.
http://forum.club-subaru.com/viewtopic.php?t=36618
 
ну вообщето первая версия 2,0 вместе с коллектором и пр. была сделана за неделю.

вторая версия (2,5) была сделана так же з неделю с гильзовкой и допиловкой гбц.

а вот с мозгами я покорячился вкруговую около года...
самая главная проблема была с давлением масла. мотор дважды застучал на пробеге 350 км... ( как тока начал наваливать 7-8 тыс обмин, сразу мотор умирал.
мой приятель, столкнувшийся с той же проблемой намного раньше меня, поставил электроманометр и увидел, что после 7000 об давление масла падает вноль (!).
пришлось разобратся в маслоподаче и переделать маслонасос.
так что теперь у меня 3000 км пробега при регулярных отжигах и все ок.
 
  О боги, по доработке славных моторов от Субару. Снизойдите до простых пользователей и говорите на понятном языке.
Прочитал совет Mad Max в посте 62 и ничего не понял.



1. Маслонасос 10 мм,а не 7 ?
2. Портовка ГБЦ, замена направляющих втулок клапанов ( Что такое портовка?)
3. Замена поршней под большую степень сжатия (11,1-11,2 вместо 10,2) ? Как это понимать?
4. Блок расхонингован ( Что значит расхонинговать?) под зазор поршень-цилиндр 0,03 мм,вместо положеных 0,00.
5, Замена выпускных распредвалов . Что за выпускной распредвал ?
6.Замер стока. Где находится сток и как его замеряют?
7.Переделка выхлопа (удаление катов, установка резонатора) . Кто такой кат?
8. Установка пигги-бэка . Что такое пигги-бэк, для чего он
 
...возможно кому то очень пригодится  😉
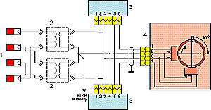
зажигание без распределителя
вариантов установки датчиков холла масса
первая схема с коммутаторами 0529.3734 реализована у нас на ЕА-81 - работает как часики
во втором случае применяется двухканальный коммутатор 6420.3734 например, при этом на вывод №6 сажается тахометр ваз2106, 07
в случае применения одно канальных коммутаторов необходима схемка согласования , см ниже...
 

Вложения

  • 1_015.gif
    1_015.gif
    13,5 КБ · Просмотры: 289
  • 2_547.jpg
    2_547.jpg
    8,1 КБ · Просмотры: 332
подключение тахометра в схему с двумя катушками
 

Вложения

  • 4_008.gif
    4_008.gif
    3,9 КБ · Просмотры: 270
  • 5_004.gif
    5_004.gif
    3 КБ · Просмотры: 293
  • 6_002.gif
    6_002.gif
    4,1 КБ · Просмотры: 279
...возможно кому то очень пригодится  😉
зажигание без распределителя
вариантов установки датчиков холла масса
первая схема реализована у нас на ЕА-81 - работает как часики

Без опережения что ли?
 
если применяешь стандартный трамблер - выкидываешь центробежник - вакуумник оставляешь
если развивать тему дальше - набери в гугле коммутатор АСТРО...
данный девайс работает в купе с датчиком детонации и имеет приличный диапазон регулировок угла опережения с ним в принципе можно и вакуумное опережение выкинуть на помойку
в любом случае перед выбором коммутатора советую сходить на сайт производителя
 
  О боги, по доработке славных моторов от Субару. Снизойдите до простых пользователей и говорите на понятном языке.
Прочитал совет Mad Max в посте 62 и ничего не понял.



1. Маслонасос 10 мм,а не 7 ?
2. Портовка ГБЦ, замена направляющих втулок клапанов ( Что такое портовка?)
3. Замена поршней под большую степень сжатия (11,1-11,2 вместо 10,2) ? Как это понимать?
4. Блок расхонингован ( Что значит расхонинговать?) под зазор поршень-цилиндр 0,03 мм,вместо положеных 0,00.
5, Замена выпускных распредвалов . Что за выпускной распредвал ?
6.Замер стока. Где находится сток и как его замеряют?
7.Переделка выхлопа (удаление катов, установка резонатора) . Кто такой кат?
8. Установка пигги-бэка . Что такое пигги-бэк, для чего он
1. стоял маслонасос с высотой шестерен 10мм, поставил МЕНЕЕ производительный, с высотой шестерен 7 мм.
2. портовка- обработка каналов гбц с целью придания им правильной формы и улучшения наполнения цилиндров топливно- воздушной смесью.
3. вот так, поставил поршни от Легаси 2,0 2007, они с вытеснителями, сж увеличивается до 11.
4. блок расхонингован жостким хоном. при этом поправлена сетка хона на поверхности цилиндров, заодно увеличен их диаметр, чтобы увеличить тепловой зазор.
5. на 4-х вальных моторах субару стоит 2 впускных распредвала и 2 выпускных.
6.есть сток- то что сделали на заводе, а есть не сток, т.е. тюниг.
7. кат- катализатор.
8. пиггибэк- электронный девайс, типа еще один мозг, который ставится в разрыв родных мозгов и изменяет входные сигналы( например расходомер) с тем, чтобы мозг думал что воздуха идет больше или меньше, и соответственно мы можем таким образом корректировать смесь. аналогично корректируется угол зажигания и др. параметры.
фух, перевод получился?
 
Все это интересно, конечно, очень много нового и необычного. А где про самолеты? Авиационный двигатель нужен... Оптимальный. Простой как парабеллум. Ну, не очень простой- но и не такой сложный как на гоночных машинах. Надежный, с большим ресурсом, с характеристикой под воздушный винт. Мне кажется, мы немного отвлеклись... Можно что нибудь такое придумать на доступном "Январе"?
 
[/quote]Без опережения что ли? [/quote]

по большому счету оно вам нафиг не нужно.
вот только ставить вакуум нельзя. а если и ставить, то только двойной- у которого 1-я камера работает на опережение, а 2-я на запаздывание.
та вот подключаем во впуск именно 2-ю камеру.
зачем?
уоз на хх должен быть 6-17 град. в зависимости от типа мотора. у субар 16-18.
при полной нагрузке и оборотах 5000-6000 уоз должен быть 25-30 град.
вакуум подключаемый в карб на хх ничего не делает, но при повышении оборотов он начинает добавлять угол и при 2500-3000 об это + 10-15 град.
при полной нагрузке разрежение в колекторе нулевое и вакуумник ничего не добавляет.
итак мы иммем нескладуху- либо на хх и средних оборотах уоз впорядке, но при макс нагрузке и высоких оборотах  у нас только 17 град. либо 30 град. при полной и на хх тоже.
а вот если нет центробежника и стоит обратный вакуум, то все ок.
на хх он вычитает 15 град. от 30-ти, и мы имеем 15град. на хх, а при полной нагрузке не работает, и мы имеем 30 град. и все типтоп.
 
вот вам и про самолеты.
ведь никого не заботят малые нагрузки и средние обороты... да и хх как бы тоже тока на прогреве. основной режим мотора это 65-100% нагрузки при 4000-6000 обмин.
ну и кстати в диапазоне 4800-6000 об. зажигание можно оставить статичным. ибо его изменение в этом диапазоне всего 3-4 град.
 
если применяешь стандартный трамблер - выкидываешь центробежник - вакуумник оставляешь
 
Странное решение, выкинуть надёжнейшее приспособление и вкарячить гемор на свою голову. С трамблёрами  есть 2 проблемы ,это его привод на безтрамблёрном моторе и найти сам трамблёр с центробежным регулятором.
Когда есть куда поставить трамблёр проблем не возникает вообще.
И зачем все эти схемы мудрить, у меня на Сузуки стоит трамблёр с встроенным комутатором на 81м Субарике у товарища то же самое.
Про опережение, как раз вакуум можно и не подключать (изменения практически не заметны), а вот центробежник обязателен.
Просто трамблёрных моторов практически нормальных не найти, особенно Субару вот и поинтересовался потому как  поглядываю на ЕЖ15й, а плясать с бубном с настройками всей этой электроники мне надоело в своё время, мне летать охота, а не этой хренью заниматься.
 
   Mad Max
    Огромное спасибо за перевод. А вот что можно сделать с обычным 2х литровым   по одному валику на голову атмосфериком 1994г. выпуска. ? Ну получить хотя бы лошадок 10 прибавки без глобальных как у вас переделок. В чип тюнинге мне уже отказали, мотивируя отказ тем, что мозги 94 г. выпуска не поддаются прошивке. 
  Есть советы придать правильную форму всасывающему и выхлопному тракту,  клапанной щели, однако не расшифровывается ( в смысле геометрических размерах), что значит правильная форма. Видимо, это связано с тем, что доводка формы это скорее всего чутье и опыт мастера, нежели конкретная , выраженная в цифрах информация.
 
Странное решение, выкинуть надёжнейшее приспособление и вкарячить гемор

надежнейшее приспособление образца конца восьмидесятых имеет кучу своего гемора : втулочки имеющие свойства разбиваться, подшипник, бегунок и прочую требуху

а то что вы назвали гемором - как раз вполне надежное решение
если ехать дальше - то датчик холла легко устанавливается непосредственно на блок а диск для него на вал мотора.... тем самым и привод трамблера то не нужен вообще

свой пост вообще то начинал для тех у кого в руках моторчик с убитым родным трамблером ...
у нас например именно такая ситуация и была
По поводу вакуумника - не вижу необходимости выкидывать его если он уже есть
 
zzz сказал(а):
А если уж не уследили

имеющий уши да услышит...


свой пост вообще то начинал для тех у кого в руках моторчик с убитым родным трамблером ...
у нас например именно такая ситуация и была


за ним ни кто не следил - он нам уже достался таким...
 
Назад
Вверх