Вентиляторные СУ, вентилятор в воздушном канале(ducted fan)

-на семь бед один ответ= "Удельная Тяга" ,

а точнее ="Коэф. Летучести" пропеллера/ротора ...

Я не видел никаких доказательств(практических) кроме ТЕОРИИ, что это действительно работает. Где данные(замеры) до установки этой "фигни" на вентилятор и после?
 
Этот Josh, вообще нашёл оригинальный подход к созданию копии сврхзвукового с-та с хорошими ЛТХ! 👍 С развёрнутым на малую стреловидность консолями и МиГ-23 может быть прототипом. 🙂

Ну да, как одновентиляторный вариант Миг-23/27 с фиксированным крылом.
 
такая трансмиссия может подойти и на наш самолёт.
=использование главного достоинства дифференциала =автоподстройка при несимметричных нагрузках=меньше потерь при маневрировании ...

-заодно пригоден для подбора передачи (заместо мультипликатора...)
 
до установки этой "фигни" на вентилятор и после?

-если "фигня" оказывается фиговой
то её снимают или стараются уменьшить её фиговость !

=в моей "ведёрной" модельке навар в статтяге был 10-20 %.
 
=использование главного достоинства дифференциала =автоподстройка при несимметричных нагрузках=меньше потерь при маневрировании ...

-заодно пригоден для подбора передачи (заместо мультипликатора...)

Опять Вы со своим дифференциальным соосным механизмом, а без него НИКАК НЕЛЬЗЯ?
Можно и без него, вот на вертолётах одиночный вентилятор прекрасно работает. Вот такой механизм взять за основу привода вентилятора и добавить
Т-образную трансмиссию(gearbox) с приводом через карданный вал, такого - же типа как и на вертолётах.
aae25318075953.562c3702473db.png


хвостовой-ротор-верто-ета-45272000.jpg

1551.jpg
 
Интересный вариант, я об этом тоже уже думал - такая трансмиссия может подойти и на наш самолёт. Один вопрос - кто сможет её здесь сделать?
В качестве доноров угловых редукторов можно рассмотреть автомобильные дифференциалы.
Имху
 
В качестве доноров угловых редукторов можно рассмотреть автомобильные дифференциалы.
Имху

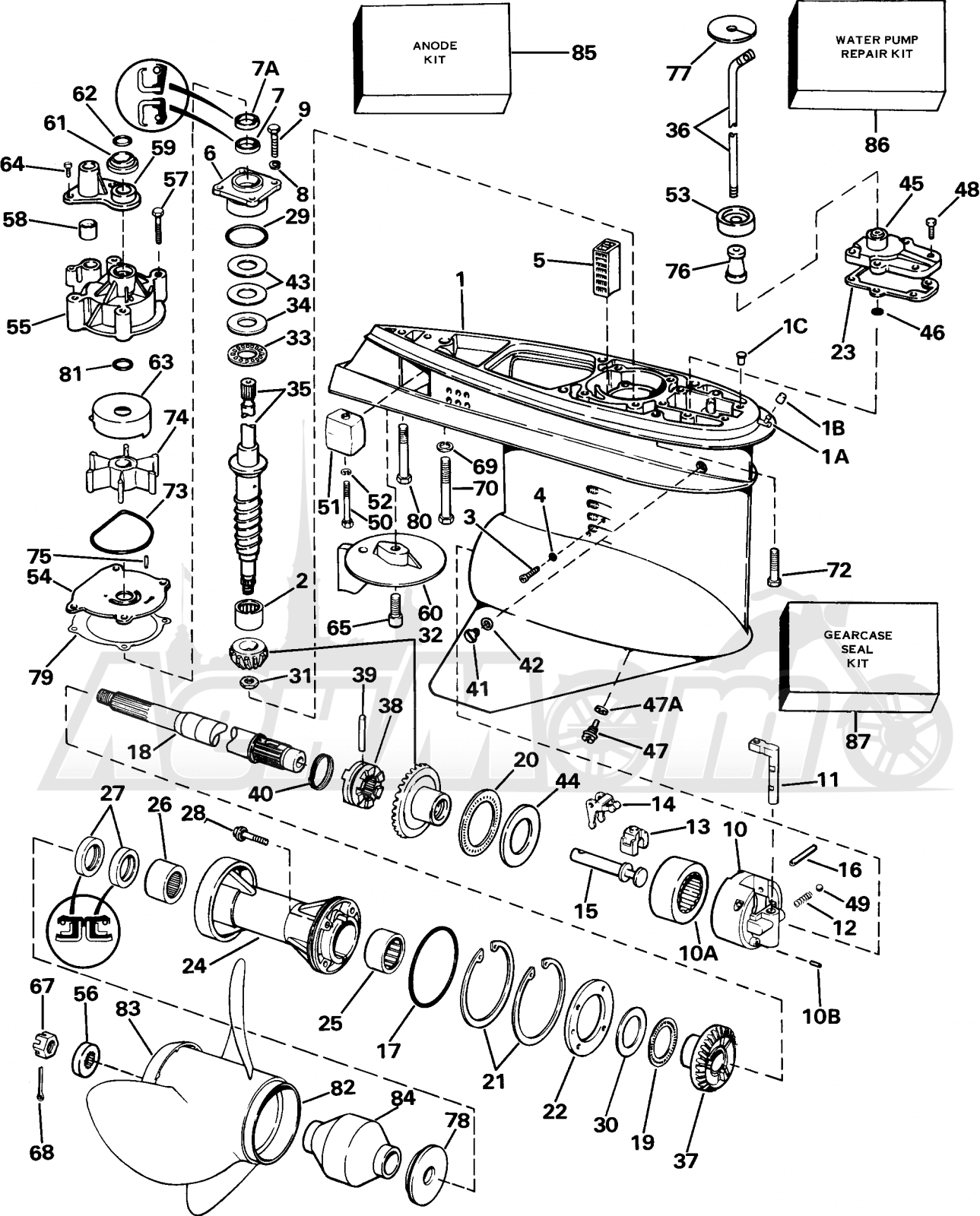
Возможно, но мне кажется они будут слишком габаритные и тяжёлые, а вот с лодочных "сапогов" шестерни будут в самый раз:

outboarddrive_2.jpg

485389.png
 
-если "фигня" оказывается фиговой
то её снимают или стараются уменьшить её фиговость !

=в моей "ведёрной" модельке навар в статтяге был 10-20 %.
Установка эжектора по сути равна установке винта/вентилятора аналогичного диаметра со всеми аытекающими:увеличение тяги со снижением скорости. Мощность привода то осталась той же. Можно считать кинетичесеую энергию потока в оюоих случаях одинаковой, тогда
0,5*m*V^2 = 0,5*i*m*j^2V^2, где i - коэффициент изменения массы потока, j - коэффициент изменения скорости потока. Получаем i*j^2 = 1
 
Опять Вы со своим дифференциальным соосным механизмом, а без него НИКАК НЕЛЬЗЯ?

=это Вы имеете ввиду привод винтов на ТУ-95 ?

-я писал выше про симметричный,"автомобильный" дифференциал...
 
Возможно, но мне кажется они будут слишком габаритные и тяжёлые, а вот с лодочных "сапогов" шестерни будут в самый раз:

Посмотреть вложение 524705
Просто у Вас двигатель автомобильный. Логично, что дифференуиал от того же авто будет расчитан на передачу его мощности. Даже с запасом. Ну, если по простому
 
Вентилятор в канале.
Наверное логично, в такой установке, двигатель устанавливать после вентилятора (или ступеней вентиляторов), в зоне повышенного давления. Сжатый воздух греть теплом системы охлаждения (например воздушное охлаждение), потом теплом отработавших газов. Только после этого воздух отправлять в ускоряющее сопло. Немного можно выиграть на КПД. Принцип ТРД "сжал-нагрел-совершил работу".
 
Вентилятор в канале.
Наверное логично, в такой установке, двигатель устанавливать после вентилятора (или ступеней вентиляторов), в зоне повышенного давления. Сжатый воздух греть теплом системы охлаждения (например воздушное охлаждение), потом теплом отработавших газов. Только после этого воздух отправлять в ускоряющее сопло. Немного можно выиграть на КПД. Принцип ТРД "сжал-нагрел-совершил работу".
В импеллере реально задействовать лишь выхлоп. Который можно сбрасывать за вентилятор. Ставить в поток радиатор это потеря скорости потока. Не окупится. Есть конечно разные решения, но все они усложняют конструкцию или расчеты. Это лишь для фанатов отжимки по максимуму.
Имху
 
=при условии,что включим его штатно ("Т").
Так об этом, как я понял, и речь.
2 вентилятора = 2 колеса. Отсюда примерно так: двигатель - вал - дифференциал - по валу/"полуоси" + угловой редуктор на основе автодифференциала дл меньшей мощности на каждый вентилятор.
 
+ угловой редуктор на основе автодифференциала дл меньшей мощности на каждый вентилятор.

=легче и меньше будет редуктор ступицы,без шестерни заднего хода...(1:2 !)

ЗЫ="Т" дифференциал задарма крутит обоими винтами в противоположную сторону ( тоже +)
 
=туда-же и горячий воздух от вентилятора охлаждения ... (свыше 25 +25 % тепловой мощности).
Все проще. Выхлопом эжектируется воздух от радиатора и эта смесь сбрасывается в канал ЗА вентилятором. Под углом к потоку рт импеллера, в "противоход" раскручивая его(СА не нужен). Такое решение позволяет сократить длину участка смешения чуть не на порядок.
Имху
 
=легче и меньше будет редуктор ступицы,без шестерни заднего хода...(1:2 !)
Я не автомобилист, у меня лишь самые общие сведения об устррйстве трансмиссии авто. 🙂
 
Назад
Вверх