Всем кто строит, или будет строить вертолёт

Не знаю кому как, но с моей колокольни - изготовление корпуса редуктора это "полный финиш", проще переплатить за что-то готовое типа того же ВРR..
 
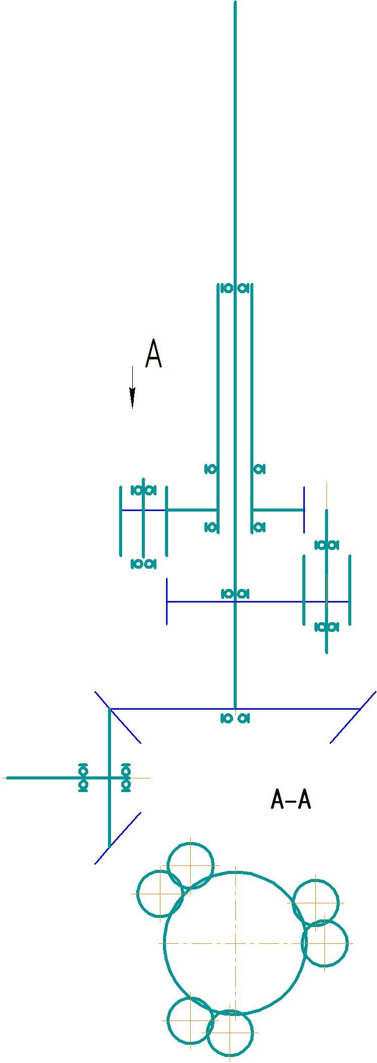
На Ка-56 в свое время вот такой схемы редуктор был. Первая ступень - коничка, вторая с перебором шести одинаковых сателлитов (попарно перевернуты)  на две цилиндрички валов.
 

Вложения

  • ka-56.jpg
    ka-56.jpg
    66,6 КБ · Просмотры: 306
Соосный с одинаковой частотой винтов можно сделать планетарным, как на Камовских вертолетах.
Только сателлиты должны быть двойными, т.н. "блочки".
Вот схема Р-26
Нет здесь планетарной передачи.
 
Вы имеете ввиду что здесь нет подвижных осей?
Так это, так сказать, частный случай - планетарная передача с остановленным водилом
 
Где то в ветках видел форумчанин выкладывал фотографию карбоновых "шкурок" для хвостовых лопастей - прошу автора отписать сюда подробности по ним (чтоб не лопатить все ветки).

Интересны размеры и весовые характеристики, и насколько одинаков вес полученных заготовок.
 
Пламенный привет всем ВСЕМ строителям (маленьких) вертолетов!! Как там поживает НАШ ведущий  вертолетостроитель КОЛЯ ДЕМИДОВ??  Николай ,отзовись!! Удели немного внимания СООБЩЕСТВУ вертикально взлетающих!!  А для меня  сделай фото кабины и остекления своего очередного аппарата ,будь любезен!!  Да я думаю ,что и коллегам будет интересно узнать и посмотреть!!
 
Всем здравствуйте! Всем любителям вертолетостроения успехов и удачи. Уважаемый, Александр Петрович, твою просьбу о фото кабины выложить не смог.
 
Всем здравствуйте! Всем любителям вертолетостроения успехов и удачи.

Приветствуем Вас! Спасибо за пожелания! Помню Ваш Горняк-4 (легенда СССР), где он, что с ним стало? Тут даже целую тему про него создали: http://www.reaa.ru/cgi-bin/yabb/YaBB.pl?num=1514224080/0
 
Здравствуйте! Вертолет Горняк-4  в 87 году уехал в город Бийск Алтайского края, больше ничего сказать не могу, может кто то что нибудь знает и добавит?
 
Скажите, две тяги внутри вала верхнего винта как конструктивно расположены???
Внутри вала например фторопластовая втулка... и в ней две тяги тоже в фторопластовых трубках ...
т.е как чем конструктивно компенсируется изгиб  тяг и уменьшается трение их друг о друге и о внутреннюю стенку вала винта???
 
[/quote]Обычно тяги закреплены на качалках сверху и снизу. Ходят с зазором от стенок вала. [/quote]

Это и так понятно, если тяги короткие...
а вот если они длинной 1.5  метра... вот в чём вопрос.
 
По "классике"  тяги  работают на растяжение ( лопасть на уменьшение угла атаки стремится), поэтому можно стальные трубки малого диаметра (20мм) использовать.
На Роторфлае длина тяг около 1300мм, диаметр 20мм, дюраль.
Нагрузки в тягах в крейсере  (16+-14кг, т.е. растяжение макс.=30 кг, мин.=2 кг)
 
Дело в том, что в такой схеме тяги - толкающие. А дополнительные качели вверху для того, чтобы они стали тянущими чревато ставить. Да и внутренний диаметр трубы 32 мм под  3 тяги...
 

Вложения

  • avt_perekos__1_.jpg
    avt_perekos__1_.jpg
    46,2 КБ · Просмотры: 288
Доброго вечера всем!
Мы, в конструкции Микрона1 и 2, поступили следующим образом: тяги  внутри вала поставили стальные, диаметром 10*1.5 мм, а опоры тяг выполнили из фторопласта запрессованных в вал с натягом 0,1 мм через три равных промежутка, отверстия под тяги в этих бужах выполнены с зазором 0,3....0,5 мм. Это позволило исключить касание стенок вала тягами при его вращении. Проверено, работает. Кроме того, такое расположение опор повысило усилие на потерю устойчивости тяг.
 
@ Хаус^тов Владимир

Схема в ответе 1996 как раз от Роторфлая, где тяги работают на растяжение. Но мне лично такая схема колонки с внутренними тягами не нравиться из-за большого количества шарниров, завышенного диаметра вала, что ведет к большему весу редуктора и АП, и большого объема съедаемого пространства под редуктором нижним АП.
Вписать в диаметр 32мм три тяги, 🙁 конечно, смелое решение! Тогда как у Микрона остается делать.
 
Поводок лопасти от аэродинамических сил нагружается вниз (на пикирование носика лопасти), соответственно внутривальная тяга через качалку  растягивается, что и подтверждается вышеуказанными замерами тензометрии. АП при отклонениях лишь уменьшает величину растяжения тяги, но до ее сжатия в полете не доходит. Так же и усилие на рычаге шаг-газа от лопастей всегда - вниз и его обычно компенсируют пружиной.
 
Доброго вечера всем!
Мы, в конструкции Микрона1 и 2, поступили следующим образом: тяги  внутри вала поставили стальные, диаметром 10*1.5 мм, а опоры тяг выполнили из фторопласта запрессованных в вал с натягом 0,1 мм через три равных промежутка, отверстия под тяги в этих бужах выполнены с зазором 0,3....0,5 мм. Это позволило исключить касание стенок вала тягами при его вращении. Проверено, работает. Кроме того, такое расположение опор повысило усилие на потерю устойчивости тяг.
А если внутри вала по всей длине  поставить 3  фторопластовые трубки, которые впритык там помещаются, зафиксировать их каким нибудь компаундом  и внутри них  тяги с небольшим зазором???
Такая конструкция не живая???
 
Доброго вечера всем.
По поводу трубок - а есть ли смысл так все усложнять? Гораздо проще воткнуть два люнета. С трубками и трение будет выше, и геморрой с их закреплением. Попробуйте наше решение, оно проверено и нормально работает.
 
Назад
Вверх