Всем кто строит, или будет строить вертолёт

Всем добрый вечер! Такая схема втулки используется на автомобильных прицепах вместо торсиона и работает достаточно хорошо, в больших нагрузках.
 
Думаю, что при такой конструкции возможно соударение элементов ведущей и ведомой части


Соударение конечно возможно, но нужно понимать, что произойдёт это лишь при существенном
превышении передаваемого момента, думаю раз этак в десять, а при максимальном рабочем моменте
в 3кг/ м это просто нереально. Кроме этого я указывал в описании муфты, что для повышения передаваемого
момента внутрь отверстий шланга можно вставить дюралевые штифты, или же использовать цельный резиновый
жгут подходящего диаметра, как пишет Петрович.
Вопрос по центровке муфты не понял, разьясните о чём идёт речь?
 
Всем Привет.Дима HAINOV наверно емел ввиду в середине кор
пуса муфты должно быть центрируещее  устройство которое
обеспечивает соосность двух половинок муфты.
  но я предполагаю .что резиновые вставки одинакового диа-
метра и с одинаковой резины при условии что обе половинки
были изготовлены на делительной головке .а не на сверлильном станке достаточно их центруют. И еще играет
роль балансировка самого участка вала от опоры до муфты.
        С уважением. А . Петрович.
 
Да всё верно, обе половинки самоцентрируются относительно друг друга.
Я перед изготовлением сначала прошлифовал резиновые вставки на заточном станке
одев их на стальной штифт, что бы они имели один размер и правильную геометрию.
 
ЗДРАВСТВУЙТЕ !!! Дмитрий что скажите, ваше мнение. Вал несущего винта крепится к фюзеляжу но двух подшипниках . Подшипники  WBF  самоцентрирующиеся в корпусах ,внутренняя обойма широкая в общем почти все как у вас . Думаю под верхним подшипникам поставить еще упорный шариковый . Получится сто  процентная уверенность и гарантия в осевой  нагрузке .
 
Дмитрий еще вопрос все думаю . Нижний ременной шкив на двигателе крепится к коленвалу с другой стороны подшипник к фюзеляжу .Шесть ремней тянут вверх . Как эта боковая нагрузка для двигателя на износ вкладышей .
 
Александр привет!
По поводу подшипникового узла не буду отговаривать, если есть возможность установить
грамотно ещё и чисто упорный подшипник, то хуже не будет.
А на вопрос по нагрузке коленвала двигателя от натяжения ремней так отвечу, механизм натяжения
тянет именно за шкив в котором установлены отдельные подшипники,  при этом нагрузка передаётся
лишь на эти подшипники в шкиве, поскольку сам двигатель не закреплён жёстко, он поворачивается в
опорах крепления и усилие от ремней на вал не передаётся.
Вал получается как бы всунут в шкив и следует за ним при натяжении.
 

Вложения

  • SHkiv_dvigatelja_s_mahovikom2.jpg
    SHkiv_dvigatelja_s_mahovikom2.jpg
    70,7 КБ · Просмотры: 186
Дмитрий  упорный подшипник устанавливается проста и красива, можно сделать самоцентрирующийся . Патом вылажу чертеж . Дмитрий еще простое и дополнительное закрепление вала несущего винта . Дюралевая трубка разрезается  на две половины и  накладывается на вал между подшипниками и стягивается двумя хомутами . Может не заметили в фильме "рождение вертолета", вам можно сделать так . Со шкивом вопрос , можно рассуждать по разному . Всю нагрузку подшипники не заберут . А может и ничего страшного ,спереди  двигателя ремни , цепи  тянут вбок и ничего .               
 
Александр о креплении вала несущего винта я знаю, только я бы не стал его называть дополнительным,
это основная и единственная фиксация вала в подшипниках, ни какой другой нет, ведь вал посажен
в подшипники по скользящей посадке с зазором в 0,01-0,02 мм. и без трубчатой муфты попросту выдернется
из них несущим винтом.
А за шкив двигателя не сомневайся, усилия на коленвал нет, если бы мы при натяжении перемещали сам двигатель,
тогда вал прижимался бы к блоку цилиндров, а в нашем случае мы тянем вал, а блок цилиндров просто следует за ним.
Так сконструированы натяжители Helicycle и Exec.
 

Вложения

  • FP31082011A00023.jpg
    FP31082011A00023.jpg
    35,3 КБ · Просмотры: 207
  • 18_vuedelapoulieprincipaleaveclacloche.JPG
    18_vuedelapoulieprincipaleaveclacloche.JPG
    84,8 КБ · Просмотры: 216
Дмитрий пусть не дополнительное но и не основное. В самом начале седьмой серии показаны ПРЕДОХРАНИТЕЛЬНЫЕ ПРОКЛАДКИ ГЛАВНОГО ВАЛА .  Ну со шкивом , может и ничего , ну если смотреть на фита то на первом шкив вроде к редуктору крепится , а на втором снизу могут и подшипники стаять .   ​
 
добрый день Дмитрий! Для чего кольцевая проточка у шаровой втулки? для облегчения или для смазки? Не могу пока разобраться и с общим шагом у тебя, если будешь на следующей конструкции переходить на 3-х тяговое управление. 
 
Александр у меня раньше была схема двигателя Exec из руководства по обслуживанию.
Там внутри шкива установлен небольшой корпус на носок коленчатого вала с двумя подшипниками.
Натяжное устройство прижато к этому корпусу подшипников полукруглой лопаткой с фрикционной накладкой внутри.
Только на снимке она почему то установлена в обратную сторону.
 

Вложения

  • 00224.jpg
    00224.jpg
    62,8 КБ · Просмотры: 228
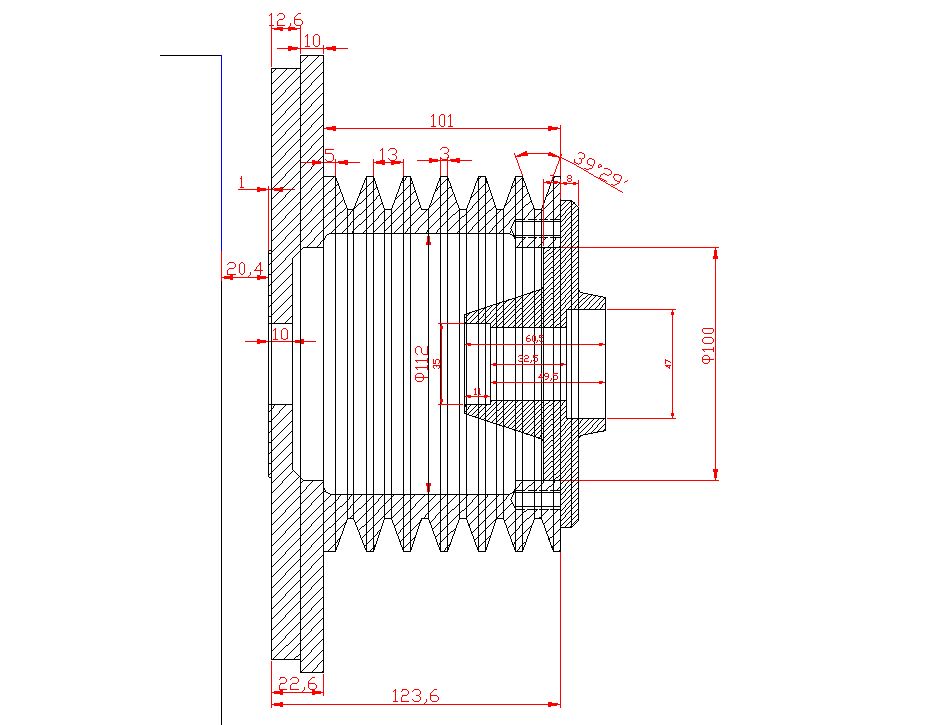
Добрый день Дмитрий! Для чего кольцевая проточка у шаровой втулки?


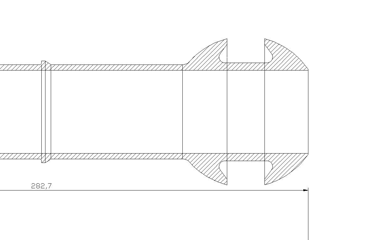
Проточка выполнена для облегчения, эта часть шара не работает и лишний материал
там держать ни к чему. Желательно даже выполнить в проточках поднутрения, как на схеме
для ещё большего уменьшения веса.
А  общий шаг в схеме на трёх тягах работает довольно просто, весь механизм изменения
циклического шага подвешен к рычагу изменения общего шага на скользящей втулке и при
поднятии ручки шаг-газ весь механизм перемещается вверх толкая через все три тяги автомат
перекоса по валу несущего винта.
 

Вложения

  • Vtulka_sharovaja_2.jpg
    Vtulka_sharovaja_2.jpg
    53,4 КБ · Просмотры: 231
  • Collective+Mixer.jpg
    Collective+Mixer.jpg
    67,7 КБ · Просмотры: 255
Спасибо Дмитрий за исчерпывающий ответ! Это с тобой говорит Александр из Инзы. Теперь я присоединился к вам на форуме.
 
Здравствуйте !!! Дмитрий. Вот этот вариант мне нравится , эта лопатка заходит глубоко  в шкив и берет на себя всю нагрузку . Спасибо буду думать дальше  .
 
Добрый день Дмитрий! Материал шкива двигателя Д16Т ? Он привернут к маховику двигателя вместо корзины сцепления ?  :-?
 
Александр у меня была возможность изготовить шкив с маховиком в виде цельной детали из Д16Т,
но наверное рациональнее и дешевле делать сам шкив и маховик с зубчатым венцом, как отдельные
детали скрепляя их с помощью болтов.
При этом сам маховик можно изготовить и стальным из листа, или даже из текстолита, его характеристики
удельной массы и прочности выше чем у многих сталей. Не возбраняется и вариант использования родного
маховика из чугуна, предварительно облегчив его, в любом случае всё решает сам конструктор.
На фото момент напрессовки зубчатого венца на обод маховика. Припуск под запрессовку 0,3 - 0,35 мм
температура нагрева зубчатого венца 270 - 280 градусов ( до прекращения изменения цветов побежалости)
При этой температуре зубчатый венец просто одевается на маховик и остывая плотно схватывается с ним
не требуя ни каких дополнительных креплений.
 

Вложения

  • PA2100.jpg
    PA2100.jpg
    89,4 КБ · Просмотры: 176
Спасибо Дмитрий! Наверное так я и буду делать: к облегченному родному маховику приверну дюралевый шкив. Так проще. Теперь вопрос по лопастям НВ: почему не хотите сделать лонжерон из стеклопластика, это же тот же самый текстолит, да и технологий достаточно, но и выигрышь в весе будет заметный ...
 
Еще вопрос Дмитрий! Я слышал, что якобы на вазе собирались сделать экспериментальный цех по изготовлению небольших вертолетов, штук 40 - 50 в год. Это правда? Если правда, то контактируете ли вы с ними?
 
Назад
Вверх