Макsим
Я хочу построить вертолет
- Откуда
- Краснодарский край
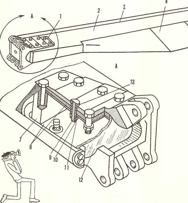
Я знаю. Буду двигать узлы крепления по комлям, сколько позволяют верхние лопасти. Миллиметров 250
Follow along with the video below to see how to install our site as a web app on your home screen.
Примечание: This feature may not be available in some browsers.

Устройства создают тягу, регулируя тягу- управляем аппаратом.19makc76 сказал(а):он не сможет поворачиваться вокруг вертикальной оси
19makc76 сказал(а):Я знаю. Буду двигать узлы крепления по комлям, сколько позволяют верхние лопасти. Миллиметров 250
требования по окраске вертолета?