Двигатель Rotax-912

Звонил в Авиагамму в тех. поддержку, посоветовали лить в мотор 98-100 автобензин, что бы уменьшить детонацию из-за низких оборотах на взлете...
 
Собственно, применимость бензина с тем или иным октановым числом, в зависимости от максимальных оборотов на взлетном режиме и показывает диаграмма из сервисного письма, приводимая чуть ранее в сообщениях.

Все, что ниже жёлтого пунктира - возможна детонация.
 
Собственно, применимость бензина с тем или иным октановым числом, в зависимости от максимальных оборотов на взлетном режиме и показывает диаграмма из сервисного письма, приводимая чуть ранее в сообщениях.

Все, что ниже жёлтого пунктира - возможна детонация.

Это этот график?!
Снимок экрана 2021-03-19 в 14.00.14.png
 
Много противоречивой информации, конечно....
Летаю на 95-м, обороты на взлёте 5000-5100. Взлёт занимает 15-20 сек, потом прибираю до 4700 (в одиночку на 4500 вообще взлетать можно).
Так эксплуатирую уже несколько сотен часов. Недавно менял кольца\уплотнители у корпусов толкателей клапанов и ещё по мелочи, заодно осматривал поршневую, цилиндры и кулачки р/вала, никаких проблем не обнаружил. Только рабочий износ.
Так же не раз слышал про 98-й и 100-й бензин, который советуют максиму подмешивать в 95-й, но никак не в "чистую" заправлять.
Трудно найти истину....
 
На мой взгляд, противоречий нет.
Противоречие возникает, когда производитель самолёта с конкретной винтомоторной установки, желая иметь максимально "презентабельные" характеристики по взлету и скороподьемности, устанавливает пропеллер на углы, позволяющие раскрутиться мотору ( 5200 + ) перед взлетом. Таким образом, получаем минимальную взлётную дистанцию и максимальную скороподьемность.

А затем, выставляет углы, позволяющие самолёту лететь в крейсерском режиме на максимально возможной скорости. При этом, на земле, в статике мотор раскручивается до существенно меньших оборотов.
В РЛЭ можно вписать обе полученные цифры: по взлетной дистанции и по крейсерской скорости...
Однако, если выставить пропеллер на углы компромиссного варианта ( не перегружать мотор на взлете но, иметь меньшую крейсерскую скорость ), то у самолётов оказываются не столь "выдающиеся" характеристики.

С другой стороны, зная эти диапазоны ( по дистанции, скороподьемности, крейсерской скорости от углов установки лопастей ) можно пользоваться этим приемом при надобности...

Кардинально решает все вопросы с оборотами только ВИШ. Хотя и добавляет свои проблемы ...
 
никаких проблем не обнаружил.
Речь идёт о том, что при эксплуатации например для ВФШ на на максимале при оборотах ниже 5200 появляется вероятность возникновения детонации. Для ВИШа вероятность возникновения детонации это выходы за рекомендуемые параметры наддува на определённых оборотах.
Те не обязательно она сразу возникнет, но Вы уже в группе риска.
Проще говоря не желательно на условно низких оборотах давать большую нагрузку на двигатель, может случиться кирдык.
В этом смысл.
 
Последнее редактирование:
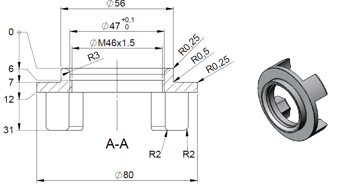
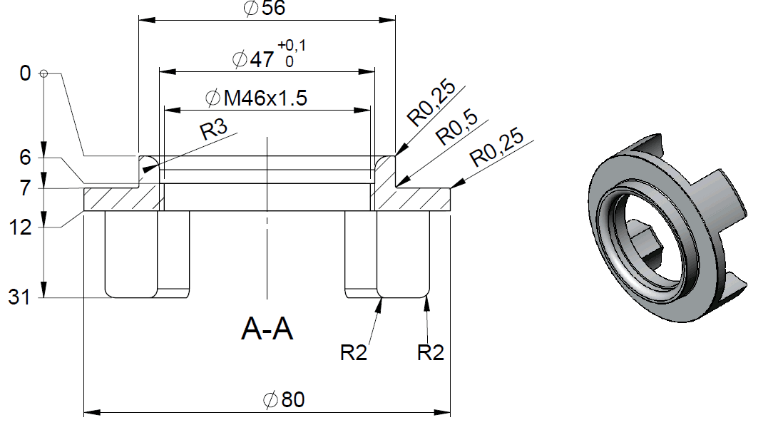
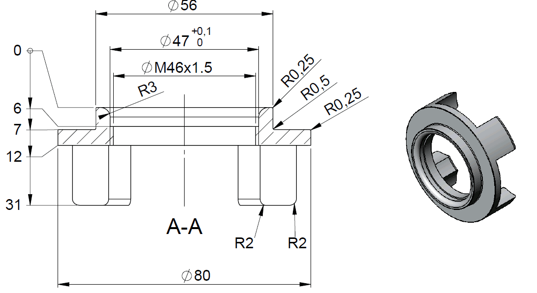
Доброго,господа! Кто поделится информацией о типе резьбы на маховике магнетогенератора. Там диаметр около 45,5,не удалось нормально измерить и она правая кажется?
 
В ссылках что вам дали 5ZF ниже по страницам есть таблички (или файлы ПДФ со спецификацией) Use with hose - использовать с таким то шлангом , цифры после тире обычно диаметр что означает в 1/16 долях- допустим - 8, умножаем на 0,625 получаем 5 - это 0,5 дюйма или 1/2. OD - outside diameter -внешний диаметр, ID - inside diameter - внутренний диаметр.
Смотрите номер на шлангах своих, или ищите в мануале, или замеряете заодно и длину - смотрите в табличку или файл и выбираете то что вам нужно.

Простите но никак не могу сообразить по этой таблице: EATON AEROQUIP FIRE SLEEVES | Aircraft Spruce

Замерил я свои шланги. Два типа шлангов внешние диаметры которых 12 мм и 14 мм, это шланги Gates внутренними диаметрами 6 и 8 мм соответственно.

Если ID внутренний диаметр то мне нужен шубка - AE102-8 у нее внутренний диаметр как раз 1/2 дюйма или наши 12,7 мм. Но Use With Hose у нее - 4 то есть умножаю 4 на 1/16 получаю 0,25 дюйма или 6,35 мм? Или у шлангов указан внутренний диаметр?
 
Если ID внутренний диаметр то мне нужен шубка - AE102-8 у нее внутренний диаметр как раз 1/2 дюйма или наши 12,7 мм. Но Use With Hose у нее - 4 то есть умножаю 4 на 1/16 получаю 0,25 дюйма или 6,35 мм? Или у шлангов указан внутренний диаметр?
Да, все так.
Есть нюансик... Если резиновый шланг будет не 14, а 15 мм то он лезет с трудом. Чтобы он легче проходил через стеклошубу, сбрызгивайте поверхность силиконовой смазкой.
 
Если ID внутренний диаметр то мне нужен шубка - AE102-8 у нее внутренний диаметр как раз 1/2 дюйма или наши 12,7 мм.

Все правильно, вам надо ориентироваться по указаному внутреннему диаметру (ID - inner diameter) и знать фактический наружный диаметр ваших шлангов.


Но Use With Hose у нее - 4 то есть умножаю 4 на 1/16 получаю 0,25 дюйма или 6,35 мм?

Эти цифры не я вляются коэфициентами и умножать на них не надо, это просто последняя цифра номера модели шлангов (part number) от
AEROQUIP, которые тоже продаются на Спрусе. Это шланги типов 303 и 601 и последняя цифра там определяет диаметр шланга:

 
Спасибо. Для шланга внешним диаметром 12 мм я беру шубу с ID - 1/2, а для шланга внешним диаметром 14 мм какую лучше взять с ID 9/16 или 5/8?
 
Простите но никак не могу сообразить по этой таблице: EATON AEROQUIP FIRE SLEEVES | Aircraft Spruce

Замерил я свои шланги. Два типа шлангов внешние диаметры которых 12 мм и 14 мм, это шланги Gates внутренними диаметрами 6 и 8 мм соответственно.

Если ID внутренний диаметр то мне нужен шубка - AE102-8 у нее внутренний диаметр как раз 1/2 дюйма или наши 12,7 мм. Но Use With Hose у нее - 4 то есть умножаю 4 на 1/16 получаю 0,25 дюйма или 6,35 мм? Или у шлангов указан внутренний диаметр?
Я написал как пример для понимания "философии" нумерации, но Там не всегда всё так однозначно , разные толщины материала, могут быть разные производители, в любом случае при заказе уточняйте у поставщика все данные.
- опять же для примера вырезки из "проверочной" (там же) таблицы и шланг типа 303 резиновый среднего давления-4 -соответствует внешнему диаметру -0,516 или 13мм. Шланг типа 309 - высокого давления -4 - уже соответствует почти 16 мм, а тефлоновый - уже -4 - соответствует 8 мм, и так далее.
В вашем случае скорее всего ( но я не утверждаю, т.е за заказ ответственность не беру), так и есть - 4 - это внешний диаметр 0,516 дюйма или 13 мм.
1616339153962.png

1616340249658.png

1616340358167.png


1616340299604.png
 
На Ф14 мм внешний диаметр резинового шланга 9/16 подходит отлично. Но Ф15 мм в 9/16 лезет с трудом и смазкой ( особливо при длине более 0,5 м ).
Я покупал в разное время резиновый бензостойкой "Гетс" и Ф14 и ф15 мм...
Если резиновый шланг уже есть, под его наружный Ф и берите термоизоляцию.
Ещё, на бензонасосе установлен штуцер Ф9 мм. Проверьте, налезает ли, имеющийся в наличии шланг, на него ( не потребуется ли покупать другой...). Бензошланг с номинальным внутренним Ф8 мм может быть меньше ф8 ( почти ф7,5 мм). Его капроновая армирующая оплётка может не позволять натягивать его на штуцер с номиналом ф9 мм.
 
тут как вариант тоже народ грешит на Mobil )))
Прошу рекомендации по маслу, что лучше использовать вместо Мобил1?
 
Последнее редактирование:
Прошу рекомендации по маслу, что лучше использовать вместо Мобил1?
В приложении сервис инструкция по использованию всех жидкостей на двигателе от Ротакс - от 2020 года- "свежайшая"
Ротакс - рекомендует - для двигателей - которые в основном эксплуатируются на неэтилированном бензине использовать масло aeroShell
1618746695710.png
 

Вложения

Назад
Вверх