• Вышел новый выпуск программы ФлайтТВ, посвященный современным российским ЮПШ (юношеским планерным школам).
    Видео на Youtube. Ссылки на другие платформы и обсуждение в теме на форуме.

Конвертопланы.

Вопрос:
Что это САХ?-(средная аеродинамическая хорда)
Как меняется Ц.Д. (центра давлениа )подемная сила при положителная и отрицателная стреловиднос крыла?
Почему на хвостовая балка вертолета есть гор.стабилизатор?
Почему кажды ЛА есть СОБСТВЕНАЯ центровычная характеристика?
Какое влияния указывает эта характеристека на ЛА?
PS-если кажды ответит ГРАМОТНО на этих вопросы, чертежи конвертоплана не будет праблемы.
 
Anatoliy. сказал(а):
В самом начале появления Андрея с его проектом на форуме я заинтересовался его проектом реактивного движителя
дайте ссылку, пожалуйста.
 
@ АнБо

если не секрет, где можно посмотреть про выше сказанный реактивный движитель. Заранее спасибо.
 
pkr сказал(а):
реактивный движитель.

http://www.reaa.ru/cgi-bin/yabb/YaBB.pl?num=1270473026

Можно здесь http://www.isobrel.ru/index.php?option=com_content&task=view&id=618&Itemid=2
или здесь http://www.fips.ru/cdfi/Fips2009.dll/CurrDoc?SessionKey=VY479K5SK6KHO9BFFPR0&GotoDoc=5&Query=1
 
pkr сказал(а):
где можно посмотреть про выше сказанный реактивный движитель.

Дополню информацию АнБо более общей - "первоисточниками":
http://www.reaa.ru/cgi-bin/yabbB/YaBB.pl?num=1289384732
http://allrusbook.ru/load/aviacija_kosmonavtika/bekhli_ju_g_kompressornaja_sistema_reaktivnogo_privoda_nesushhego_vinta_vertoleta/24-1-0-272
 
[smiley=thumbup.gif]
FS сказал(а):
В посте №671  EX-62 задавал вопросы! Я на них ответил в посте №695. Т.к. реакция народа равна нулю, то, значит, я на вопросы ответил правильно. Все согласны?


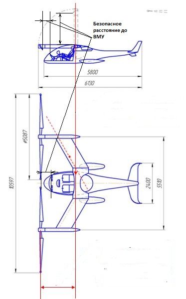
Смотрите чертеж конвертоплана, вид сверху,если Вы можна определить на глаз где ноходится САХ и фокус подемная сила крыла и поставит на продольная ось конвертоплана ,значит все ОК .
 
НВ вертолета создает пикирующий момент и вертолет начинает летит с спине вперед ,нада борится с это ,стабилизатор, наклон вал и дугие...
 
pkr сказал(а):
Что касается конвертопланов для частного использования, мне кажется надо идти по пути конвертации вертолета в автожир.

Обратите внимание на http://ru.wikipedia.org/wiki/Bell/Agusta_BA609

Первый в мире гражданский конвертоплан...........Уникальные характеристики AW609 Tiltrotor сочетают в себе преимущества вертолета и самолета в едином корпусе. Взлет и посадка может производиться как вертикально, так и по обычной, самолетной схеме (с помощью взлетно-посадочной полосы). Конвертоплан может перевозит с комфортом и удобством бизнес джета в самых суровых и неблагоприятных погодных условиях до девяти человек, в герметичной кабине. При этом характеристики в два раза превышает скорость и диапазон типичных вертолетов. AW609 представляет следующее поколение транспортных самолетов для гражданских (частных и коммерческих операторов), правительства, и спасательных служб. Этот многоцелевой самолет будет сертифицирован для полетов в условиях обледенения, и плохих метеоусловий. .........................К началу ноября 2006 года его общий налёт уже составляет 100 часов, конвертоплан поднимался на высоту до 7 620 метров и достигал скоростей до 304 узлов. Завершение сертификации конвертоплана запланировано на 2016 год.

а так же

AgustaWestland получила твердые заказы на 70 конвертопланов.

При заявленной стоимости 80 млн. долларов!
😎
 
Anatoliy. сказал(а):
И в подтверждение моих слов эти самые правительства своевременно ввели АП.,

Может ты на моём проекте "[highlight]попытаешься поучать [/highlight]" меня? 😎
Тогда приглядись к моему проекту, и безопасным зонам, да их расположению!!!
 

Вложения

  • ________________________________________________001.jpg
    ________________________________________________001.jpg
    25 КБ · Просмотры: 180
Для Константина (@ marcons)
Есть "[highlight]особая категория защиты[/highlight]"? :-? Или это только касается "[highlight]своих симпатий[/highlight]"? 😎
Как модератор беру эту ветку под особый контроль. Заболтать, отвлечь, увести в сторону от темы не дам, даже  не пытайтесь.  

А между тем, мой проект - строится, автожир до 115 - ещё не доведён до лётного состояния. Разница - не велика :IMHO
 
angebor сказал(а):
Может ты на моём проекте "попытаешься поучать " меня? Класс
Тогда приглядись к моему проекту, и безопасным зонам, да их расположению!!! 

Во первых, Андрей, речь шла о якобы гражданском конвертоплане ВА-609 у которого плоскость вращения несущих винтов в переходном режиме пересекает тела пилотов и некоторых пассажиров.
Именно это обстоятельство ставит под сильное сомнение, что этот конвертоплан когда либо станет пассажирским.
Думаю все согласятся с этим. Вы, лично можете промолчать.

А теперь о Вашем проекте.
Я думаю Вы вынесли информацию и эскиз своего проекта именно для обсуждения.
Вот и давайте в спокойных тонах начнем его обсуждать.

В своем посте №745 Вы воспользовались моей интерпретацией части Вашего эскиза обсуждаемого конвертоплана.
Вы там не заметили маленькую красную точечку на пунктирной линии?
Так вот как бы Вы не изголялись с перемещением ЦТ, все одно ничего путного не получится.
В вертолетном режиме ЦТ желательно расположить поближе к оси поворота консолей крыла, а в самолетном режиме этот ЦТ желательно вынести чуток вперед проекции той красной точечки на продольную ось конвертоплана.
Попытка исправить ситуацию за счет отклонения вектора тяги несущих винтов относительно их оси вращения скрутит консоли-крылья и они наверняка разрушатся. Уж слишком неразумно велик вынос плоскостей вращения этих воздушных винтов.
Вы бы подумали почему конструкторы конвертопланов этот вынос скрепя сердцем отодвинули на минимально возможное расстояние от оси поворотов (консолей, винтомоторных узлов или только поворачивающихся винтов)
Чтоб уменьшить эту разрушающую силу придется значительно уменьшить вынос плоскости вращения несущих винтов относительно оси поворота консолей как это делается на реально летающих конвертопланах.
И вот тут то Ваш конвертоплан превратится согласно действующих АП беспилотным летательным аппаратом опять таки по причине пересечения плоскости вращения винтов находящихся на борту живых существ.
😛 [smiley=vrolijk_26.gif] 😛
 
Anatoliy. сказал(а):
переходном режиме пересекает тела пилотов и некоторых пассажиров.
позвольте спросить
этот запрет, на сколько я понимаю, распространяется в условиях наиболее "частого"  положения плоскости ВВ? Пример плоскость ВВ часто наблюдается в области входных дверей люков, где конечно не сидят люди.
Но,
ведь в любом самолете, у которого есть ВВ  есть возникновения такой ситуации, когда плоскость ВВ будет пересекать чье-то тело. Например, летчик захочет пописать 🙂 и ему в любом случаи придется проходить эту плоскость.
Может быть так и с конвертопланом, что переходной режим не в счет это го запрета, иначе, чем он будет отличатся от того, что есть всегда возможность попасть в плоскость ВВ у любых других самолетов
 
pkr сказал(а):
позвольте спросить
этот запрет, на сколько я понимаю, распространяется в условиях наиболее "частого"положения плоскости ВВ?

А сами АП почитать не пробовали?

Запомните.
Всякие правила техники безопасности пишутся кровью.
 
pkr сказал(а):
Anatoliy. сказал(а):
А сами АП почитать не пробовали?
так может вследуйщий раз @ АнБо

сразу отправляйте читать АП...
или все таки дадите свои комментарии (по моему вопросу) 🙂 спасибо

Пожалуйста.

Авиационные правила
АП-23.
Нормы летной годности гражданских легких самолетов.
2000 год.
Размещение людей и грузов.
Пункт 23.771


Читайте.
 

Вложения

  • Razmeshhenie_ljudej_i_gruzov.jpg
    Razmeshhenie_ljudej_i_gruzov.jpg
    92,9 КБ · Просмотры: 157
Anatoliy. сказал(а):
Врете Вы все.
Вы не создавали эту ветку.
Эту ветку создавал летавший, как-то раз)))..., покинувший этот форум.
А Вы самозванец примазавшийся к славе того обиженного и не понятого автора конвертоплана с реактивным движителем на сжиженном газообразном топливе.
Стыдно батенька, стыдно воровать чужое.

Найди "12 отличий",
 

Вложения

  • Bezymjannyj_089.jpg
    Bezymjannyj_089.jpg
    60,3 КБ · Просмотры: 162
angebor сказал(а):
...НУ, И КТО ЭТО НА ФОТО?

Ну, это фото точно не
летавшего, как-то раз)))...
На фото безусловно АнБо.
Вы как две капли воды похожи на его аватарку.

А тот летавший, как-то раз)))... совсем другой был и аватарка у него другая была.

Нет, не похожи Вы на летавшего, как-то раз)))...
Скорее самозванец.  😀 😀 😀
 
Ага, судя по фото, стал крутить роторы в разные стороны! Или только на макете?
 
ri... сказал(а):
Ага, судя по фото, стал крутить роторы в разные стороны! Или только на макете?

Макет - макетом, и там можно крутить чего угодно и в какую угодно сторону.

Но реальность такова.
Обратимся к победным реляциям, и да будет у кого есть глаза и здравый рассудок увидит и рассудит.
Итак!

Akson сказал(а):
Не ту фотку выставил. [highlight]Вот полный комплект лопастей. [/highlight]
Анализируем фотографию (Смотри ниже)
Если это ПОЛНЫЙ комплект лопастей, то делаем вывод, что лопастей по 2 штуки на каждый несущий винт.
Смотрим на положение лопастей и на крутку.
Все лопасти имеют одну и ту же крутку. Следовательно оба несущих винта вращаются в одну сторону.
 

Вложения

  • Lopasti_Andreja.jpg
    Lopasti_Andreja.jpg
    37,1 КБ · Просмотры: 155
Назад
Вверх