• Вышел новый выпуск программы ФлайтТВ, посвященный современным российским ЮПШ (юношеским планерным школам).
    Видео на Youtube. Ссылки на другие платформы и обсуждение в теме на форуме.
руководство по эксплуатации не рекомендует использовать топливо с длительным сроком хранения и даже сливать топливо при перерыве более недели. с чем это связано? и относится ли к двигателям с раздельной смазкой? бензин лукойловский 95 масло синтетика
 
Бензин теряет актан число, присадки испаряются, из которых бензин доведён до 95го. Продержите бензин подольше будете иметь плохой бензин и детонацию движка, свежий лучше в 582й. У вас что машины нет? Сливайте старый в машину, не жалейте и не стесняйтесь покупать свежий, 582й ответит взаимностью.
А вообще, пройдите по ветке, всё есть, зачем почему, что и как лучше сделать. Познавательное путешествие получится.
Удачи!
 
Я  гдето  читал  что  при  применении  смеси  бензина  и  полусинтетического  масла  для 2 Т  моторов -  масло  через  некоторое  время  может  начать  разлагаться  при  воздействии  некоторых  компонентов  бензина...

Точных  данных  с  результатами  анализов - никогда  не  видел.
Но  рекомендации  не  использовать  смесь  бензина  с  полусинтетикой - при  сроке  хранения  смеси  более  недели  или  10  дней - встречал  многократно. Это  один  из  козырей  любителей  насосов  раздельной  смазки. Типа  бензин - хранится  дольше  и  сливать  в  автомобиль  остатки  бензина  без  масла - меньше  копоти  и  дыма  из  машины.  Уничтожать  просроченную  смесь - рука  мало  у  кого  поднимается.

Для  интереса - почитайте  аналогичную  тему  у  водномоторников :

http://fishing.org.ua/vb3/showthread.php?t=18779

( только  если  начнёте  читать - читайте  всё - там  всего  2  странички  форума. )

Парамоторщики  написали  меньше...
И  читать  их  менее  интересно  чем  лодочников...
Хотя  в  целом - рассуждения  примерно  теже.

https://paraplan.ru/forum/topic/48618

Привлекла  внимание  следующая  цитата :
VIKT писал :
Официальый сайт фирмы Тебоил, страница Вопрос - Ответ.
Там есть ответы на все интересующие вопросы которые на форуме поднимаются достаточно часто. В том числе и про смесь масла с бензином и сроки его хранения, на что специалисты ответили - срок хранения бензо - маслянной смеси ограничен сроками хранения бензина.
Подробней на сайте.
Форум http://teboil.ru/phorum/list.php?1
( К сожалению - крайняя ссылка  у  меня  не  работает... )
 
Извиняюсь сразу,если мои с Вашей точки зрения наивные вопросы,вызовут у некоторых "асов" высокомерную улыбку.И все же о проблеме "серой головы"-что надо и что "не надо" делать при эксплуатации 582 с серой головой???Только не надо сразу советовать что то менять на что то-можно ли вообще долго и счастливо летать на "сероголовике" и при этом хоть иногда отводить взгляд от прибора Т охл.жидкости и выхлопных газов?Из всего вышеперечисленного понял только,что при прогреве на нормальных оборотах примерно 3000 сидеть и ждать "кивка" Т охл,ж. и не торопиться выруливать пока ВСЯ охл.ж. не будет одинаково горячей!(если кивка не дождался-выходить ли из Л.А.-проверять рукой нагрев радиатора ;-что ,конечно, повергнет в шок пассажира)Или что при снижении нужно периодически "поддавать" газку для охлаждения О.Ж. в малом круге .И ,конечно, нужно ли считать двигатель "кандидатом в покойники" при однократном достижении Т.о.ж. 80 градусов цельсия?Хотелось бы конкретики-1,2,3 и тд...Заранее спасибо всем кто ответит!
 
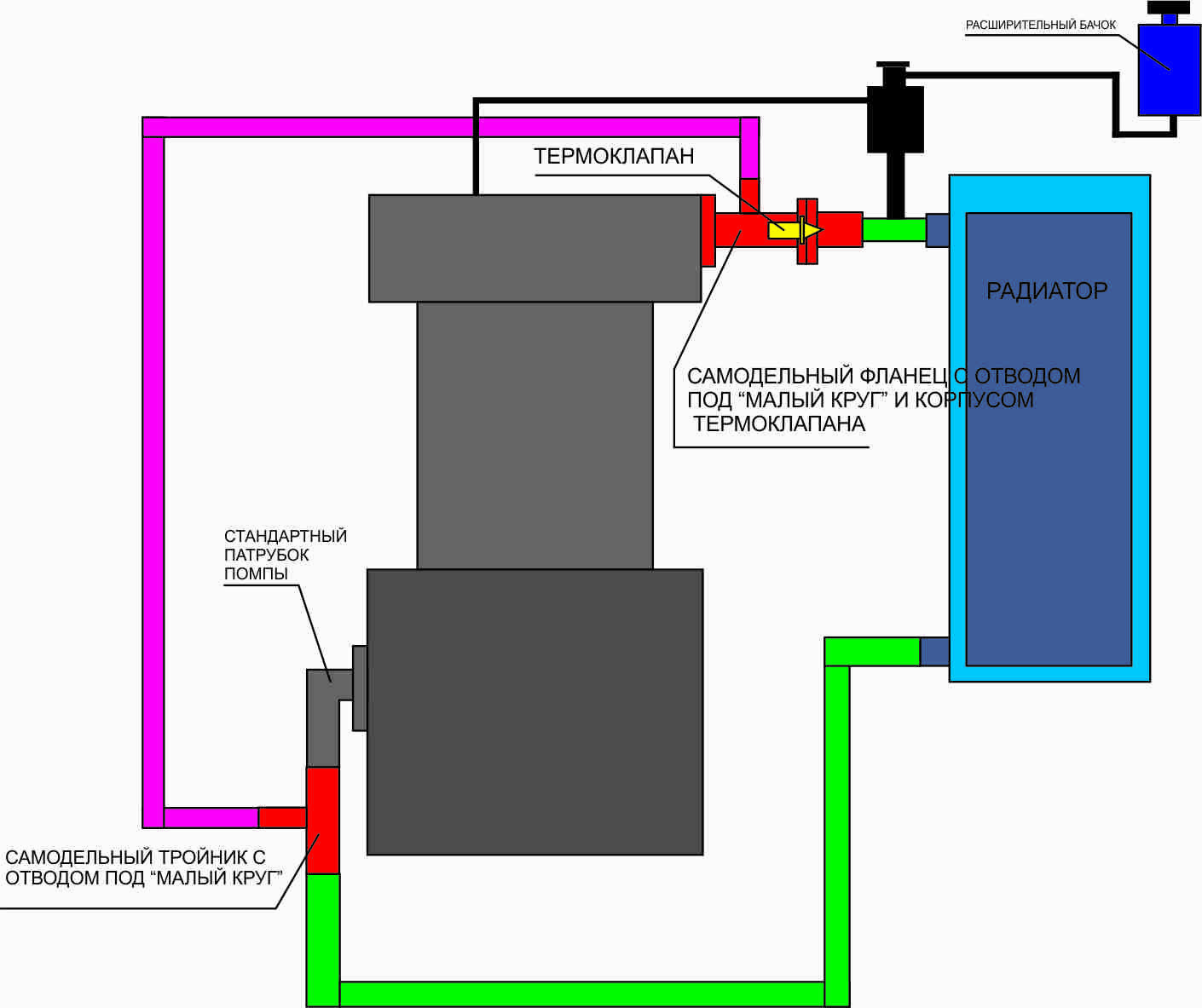
Я сейчас тоже занимаюсь установкой сероголового 582-го на свой аппарат.Зная, что данный двигатель имеет проблемы с охлаждением, решил переделать систему, организовав малый круг так, как это сделано на "синеголовом".У сероголового из головки блока выходит один патрубок, в корпусе которого стоит термоклапан.Я этот патрубок снял и сделал новый с отводом для малого круга охлаждения.Термоклапан перенес в новый корпус, за отводом.
  Внизу мотора, там где стоит помпа у сероголового один выход, у снеголового-два.Я в магистраль вставил тройник с отводом для организации малого круга.Схема получилась как у синеголового мотора.
  Мотор пока не заводил, работу не проверял, но думаю, что все будет в норме.
Ниже показана схема организации охлаждения и на фото самодельный фланец, устанавливающийся на головку двигателя
 

Вложения

  • SHEMA.jpg
    SHEMA.jpg
    114 КБ · Просмотры: 214
  • F_004.jpg
    F_004.jpg
    62,3 КБ · Просмотры: 180
  Мотор пока не заводил, работу не проверял, но думаю, что все будет в норме.
Сомневаюсь.
С чего Вы взяли что пустив часть (и не малую) охлаждающей жидкости по малому кругу Вы добьётесь лучшего режима охлаждения?
Единственно для чего в данном случае нужен малый круг это омывание термостата для своевременного его открытия (Вряд ли термостат ротакса при открывании перекрывает малый круг).  Вы сделали такое проходное сечение этого малого круга что половина (учитывая сопротивление радиаторов) охлаждающей жидкости будет циркулировать минуя радиаторы, а может даже и больше половины.

Совет, проходное сечение малого круга должно быть 5-6 мм не более.

А вообще можно и не мудрить с малым кругом.
Просто просверлить в пластине термостата отверстие 2-3 мм, этого будет достаточно и термостат будет открываться вовремя .
 
сергей!Из вышесказанного поясните-чем отличается термодроссель сероголового от термостата синеголового?Про движение ОЖ-полностью согласен-ОЖ будет направляться туда,где ей меньше сопротивление.!как же эта проблема решена у синеголового-хотя бы в теории?Не за счет разности принципов действия термостата и термодросселя-они же ,по моему одинаковы(принципы)?И еще-где конкретно сверлить и что это дает на практике -уже испытали или это теория?Спасибо за терпение читать бред дотошных "начинаюших".Кстати-может просто на самом деле сделать отвод под "малый" круг 5 мм и еще и отверстие в термостате(термодросселе)просверлить?
 
  Мотор пока не заводил, работу не проверял, но думаю, что все будет в норме.
Сомневаюсь.
С чего Вы взяли что пустив часть (и не малую) охлаждающей жидкости по малому кругу Вы добьётесь лучшего режима охлаждения?
Единственно для чего в данном случае нужен малый круг это омывание термостата для своевременного его открытия (Вряд ли термостат ротакса при открывании перекрывает малый круг).  Вы сделали такое проходное сечение этого малого круга что половина (учитывая сопротивление радиаторов) охлаждающей жидкости будет циркулировать минуя радиаторы, а может даже и больше половины.

Совет, проходное сечение малого круга должно быть 5-6 мм не более.

А вообще можно и не мудрить с малым кругом.
Просто просверлить в пластине термостата отверстие 2-3 мм, этого будет достаточно и термостат будет открываться вовремя .

я ничего не изобретал, я просто повторил доступными методами схему, которая сделана в синеголовом моторе
 
сергей!Из вышесказанного поясните-чем отличается термодроссель сероголового от термостата синеголового?Про движение ОЖ-полностью согласен-ОЖ будет направляться туда,где ей меньше сопротивление.!как же эта проблема решена у синеголового-хотя бы в теории?Не за счет разности принципов действия термостата и термодросселя-они же ,по моему одинаковы(принципы)?И еще-где конкретно сверлить и что это дает на практике -уже испытали или это теория?Спасибо за терпение читать бред дотошных "начинаюших".Кстати-может просто на самом деле сделать отвод под "малый" круг 5 мм и еще и отверстие в термостате(термодросселе)просверлить?

Чем отличаются не знаю.
Это просто взгляд со стороны и здравый смысл.
Проблема сероголового, мне видится, в том что антифриз не омывает термостат и он работает не стабильно, не вовремя открываясь и закрываясь.

По малому кругу.
В японских моторах тоже термостат без перекрывания малого круга при этом сечение штуцеров малого круга 14 мм. этого достаточно что бы мотор на взлётном режиме перегревался. Проблему решил вставкой в малый круг жиклёра проходным сечением 5 мм.

Сверление отверстия в самом термостате , по моему, тоже решит проблему своевременного открытия термостата, но мотор будет дольше прогреваться . И всёже с малым кругом система будет работать более стабильно.
 
я ничего не изобретал, я просто повторил доступными методами схему, которая сделана в синеголовом моторе
Я бы не рискнул утверждать что на синеголовом идеальная система охлаждения.

Всёже попробуйте вставить жиклёр в малый круг. Это же не трудно.
 
Все же идея "малого" круга скорее всего правильная-только надо в самодельном фланце-тройнике отвод на "малый круг" делать диаметром 5-6 мм-и пусть он постоянно с самого запуска двигателя подливает горячую ОЖ на термостат.А "дырочку" в термостате просверлить никогда не будет поздно.И еще-по теории термостат тоже должен иметь линейную зависимость срабатывания на открывание-те не открываться тогда,когда ОЖ в голове двигателя уже "кипит"-да тем более резко-он(термостат)должен постепенно открываться по мере прогрева ОЖ-а значит процесс движения ОЖ по "большому"кругу(через радиатор)должен практически постепенно начинаться почти с момента запуска двигателя?Еще раз спасибо за поддержание дискуссии.
 
Все же идея "малого" круга скорее всего правильная-только надо в самодельном фланце-тройнике отвод на "малый круг" делать диаметром 5-6 мм-и пусть он постоянно с самого запуска двигателя подливает горячую ОЖ на термостат.А "дырочку" в термостате просверлить никогда не будет поздно.И еще-по теории термостат тоже должен иметь линейную зависимость срабатывания на открывание-те не открываться тогда,когда ОЖ в голове двигателя уже "кипит"-да тем более резко-он(термостат)должен постепенно открываться по мере прогрева ОЖ-а значит процесс движения ОЖ по "большому"кругу(через радиатор)должен практически постепенно начинаться почти с момента запуска двигателя?Еще раз спасибо за поддержание дискуссии.

Не,не не надо дырочку. Это просто были мысли вслух одного из возможных вариантов.
При наличии правильного малого круга всё будет нормально работать.
 
Друзья, а не лучше ли спросить Дмитрия Петрова? Уж лучше него никто не расскажет что да как 😉. А то наворотить что угодно можно, без мотора потом остаться было бы жалко. Вы, уверен, побольше меня в моторах разбираетесь, но вот что я понял после возни со своим самолетом: не надо лезть в то, что нормально функционирует. Если же что-то работает не так, лучше обратиться к такому профессионалу, который точно в вопросе разбирается и чей опыт не вызывает сомнений. Мой опыт говорит о том, что оно так дешевле обойдется и результат будет существенно лучше, чем самому экспериментировать.
 
Вообще была мысль термостат поставить перед помпой, на входе в мотор а не на выходе.Так сделало на автомобиле "Москвич".Смысл простой - антифриз бегая по малому кругу нагревается и прогревает термостат на входе у помпы.Он открывается и пускает порцию холодного антифриза в малый круг и тут же же, охладившись, закроется.И такими порциями будет подмешивать холодную жидкость в малый круг.Вопрос - почему австрияки так не сделали?
 
не надо лезть в то, что нормально функционирует

в том-то и дело, что нормально не функционирует..сероголовый.Иначе бы и не появилась версия синеголового, который отличается только системой охлаждения
 
Ответ-а почему австрияки и в шатунах отверстия не сделали для смазки?-почитал про Ротакс-накопал много интересного-кто то написал,что такие(уже с отверстиями для смазки)продаются в Москве в магазине "Царь"(по моему Кесаян,если не ошибаюсь).Это существенно продлило бы ресурс.Да вообще много вопросов-да  и ответ готов-Ротакс по сути монополист на рынке малых авиадвигателей-ресурс в 300 часов-повод дополнительного заработка.Если бы такой ресурс был у Б-737 разорились бы все авиакомпании за пол дня...
 
в том-то и дело, что нормально не функционирует..сероголовый.Иначе бы и не появилась версия синеголового, который отличается только системой охлаждения
Я там дальше написал: спросить у Дмитрия Петрова, уж он-то наверняка не первый раз с этой проблемой сталкивается.
 
Назад
Вверх