• Вышел новый выпуск программы ФлайтТВ, посвященный современным российским ЮПШ (юношеским планерным школам).
    Видео на Youtube. Ссылки на другие платформы и обсуждение в теме на форуме.

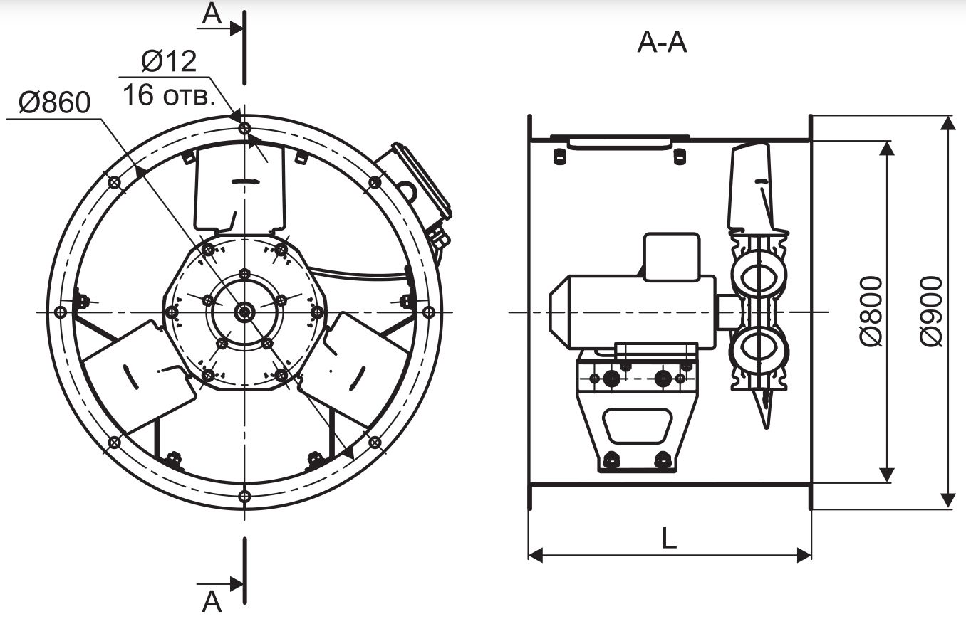
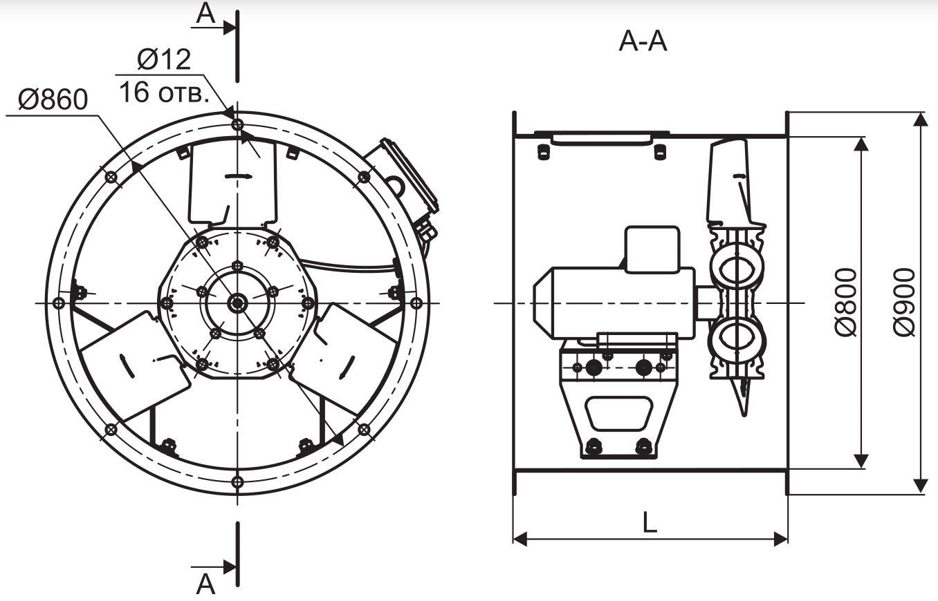
Вентиляторные СУ, вентилятор в воздушном канале(ducted fan)

Наслаждаясь просмотром роликов этого канала по физике, не смог удержаться, чтобы не поделиться с читателями ветки одним из многих:

Здесь, в середине ролика, просто и понятно показана связь расхода и скорости истечения и их влияние на создание тяги двигателя.
Это относится к любому типу "трубы с пропеллером внутри". 😉

 
Наслаждаясь просмотром роликов этого канала по физике, не смог удержаться, чтобы не поделиться с читателями ветки одним из многих:

Здесь, в середине ролика, просто и понятно показана связь расхода и скорости истечения и их влияние на создание тяги двигателя.
Это относится к любому типу "трубы с пропеллером внутри". 😉


Очень просто и доходчиво, мне понравился и я подписался на этот канал.
 
  • Мне нравится!
Reactions: ASI
=а не 600 кг у АЛЬБИ 2 ? (АЛЬБИ 475 кг...)

Я же написал UL-39 Albi II M. Взлётный вес 890кг:

UL-39 Albi II M.jpg
 
=как у гаражных ветряков (выше выкладывал видик...)
вы прикалываетесь? тогда чего Malish выпендривался с лопастями. нарезал бы из трубы и в путь. вам тут уже несколько страниц пытаются объяснить что тут не все просто. человек прошел долгий путь проб и ошибок и докопался да истины.
 
вы прикалываетесь?
=немножечко...

-наверно знаете способ крепления лопастей у винтов ИВОПРОП ? (два болта М8 /лопатку)...

почему бы не пойти по стопам этого Словенца ?=там и управление круткой !
 
Заинтересовался я тут вашей темой, а собственно приложением изготовить лопатки вентилятора из алюминиевой трубы.
Попроббувал на скору руку, вышло очень стабильно

IMG_20230220_084619.jpg


IMG_20230220_084612.jpg


IMG_20230220_084607.jpg
 
Заинтересовался я тут вашей темой, а собственно приложением изготовить лопатки вентилятора из алюминиевой трубы.
Попроббувал на скору руку, вышло очень стабильно

Посмотреть вложение 525750

Посмотреть вложение 525751

Посмотреть вложение 525752
Хорошо...
Осталось только определиться с технологией изготовления, рассчитать крепление заделки и прочность пера лопатки...
 
Заинтересовался я тут вашей темой, а собственно приложением изготовить лопатки вентилятора из алюминиевой трубы.
Попроббувал на скору руку, вышло очень стабильно

Посмотреть вложение 525750

Посмотреть вложение 525751

Посмотреть вложение 525752
Хорошо...
Осталось только определиться с технологией изготовления, рассчитать крепление заделки и прочность пера лопатки...

Ну и конечно качество поверхности желательно получше...
 
Ну и конечно качество поверхности желательно получше...

=если использовать два фрагмента труб разного диаметра
то можно после их сварки/склейки получить замкнутый профиль с гладкими поверхностями
и трапецевидной формы...

-клепке поддаются только мягкие,слабые сплавы...хотя за то они лучше выдерживают вибрации.

ЗЫ=чтобы вибрации мотора не передавались на вал вентилятора прикрепляю к маховику
резиновое центробежное сцепление !
 
При Клепке любой метал желательно греть там и прочные сплавы поддаются
 
=если использовать два фрагмента труб разного диаметра
то можно после их сварки/склейки получить замкнутый профиль с гладкими поверхностями
и трапецевидной формы...

-клепке поддаются только мягкие,слабые сплавы...хотя за то они лучше выдерживают вибрации.

ЗЫ=чтобы вибрации мотора не передавались на вал вентилятора прикрепляю к маховику
резиновое центробежное сцепление !
я об этом и писал,чуть ранее. из двух пластин АМГ 2мм. предварительно подформованных,сварить по торцам аргоном. шов зачистить и заполировать.вес выходит примерно 80гр.
 
я об этом и писал,чуть ранее. из двух пластин АМГ 2мм. предварительно подформованных,сварить по торцам аргоном. шов зачистить и заполировать.вес выходит примерно 80гр.

-тем более,что центробежные силы намного больше изгибных, металл может быть не сверхтвёрдым...

ЗЫ="Степной Ориол" смастерил свёртываемую лопасть для автожира из полиэтиленового мешка !
 
Благодарю за информацию! Как раз искал готовое решение самой сложной части вентилятора - его лопастей. Считаю, что самодельное изготовоение лопастей, когда их, например, штук восемь - дело неблагодарное. Нужно соблюсти и геометрию, и развесовку.
Просьба к влалеющим сакральными знаниями 🙂 оцените правильность расчёта, на основе данных по приведённой выше ссылке.
Например, для моих изысканий заинтересовал вентилятор диаметром 80 см., потребляющий 30 кВт при 2920 об/мин.
Screenshot_20230220-145319_EBookDroid.jpg

Кривая 9 - это его характеристика
Screenshot_20230220-202818_EBookDroid.jpg

Если правильно посчитал, то при использовании этого вентилятора, на старте имеем примерно 85 кг тяги и скорость воздуха в сопле около 90 км/ч. А на максимальной скорости воздух выходит со скоростью примерно 130...135 км/ч.
Верно ли посчитал?
Сколько можно прибавить к характеристикам, если всё "зализать" и профилировать?
 
Благодарю за информацию! Как раз искал готовое решение самой сложной части вентилятора - его лопастей. Считаю, что самодельное изготовоение лопастей, когда их, например, штук восемь - дело неблагодарное. Нужно соблюсти и геометрию, и развесовку.
Просьба к влалеющим сакральными знаниями 🙂 оцените правильность расчёта, на основе данных по приведённой выше ссылке.
Например, для моих изысканий заинтересовал вентилятор диаметром 80 см., потребляющий 30 кВт при 2920 об/мин.
Посмотреть вложение 525758
Кривая 9 - это его характеристика
Посмотреть вложение 525759
Если правильно посчитал, то при использовании этого вентилятора, на старте имеем примерно 85 кг тяги и скорость воздуха в сопле около 90 км/ч. А на максимальной скорости воздух выходит со скоростью примерно 130...135 км/ч.
Верно ли посчитал?
Сколько можно прибавить к характеристикам, если всё "зализать" и профилировать?
Если брать по кривой #9 и ее пересечение с нижней кривой расхода, то примерно получаем 65 000 м3/час, или секундный обьемный расход:
65000 / 3600 = 18,056 м3/сек.
Делим секундный обьемный расход на площадь сечения вентилятора получаем скорость потока:
18,056 / (0,25 * pi * 0,8^2) = 35,9 м/сек
Секундный обьемный расход помноженный на уд. плотность воздуха умножаем на скорость потока получаем тягу :
18,056 * 1,24 * 35,9 = 803,78 Ньютон или 82 кгс.
Максимальная скорость полета не превысит 129 км/ч, может чуть больше если сработать 800Па повышенного давления за счет сужения сопла. Но, скорее всего осетра будет нужно порезать. Больно оптимистично, на мой взляд всё выглядит.
 
=если использовать два фрагмента труб разного диаметра
то можно после их сварки/склейки получить замкнутый профиль с гладкими поверхностями
и трапецевидной формы...

-клепке поддаются только мягкие,слабые сплавы...хотя за то они лучше выдерживают вибрации.

ЗЫ=чтобы вибрации мотора не передавались на вал вентилятора прикрепляю к маховику
резиновое центробежное сцепление !
я об этом и писал,чуть ранее. из двух пластин АМГ 2мм. предварительно подформованных,сварить по торцам аргоном. шов зачистить и заполировать.вес выходит примерно 80гр.

Я вообще не понимаю к чему тему с металлическими лопатками подняли, что за проблема с композитными лопастями/лопатками? Сейчас наоборот все переходят на композитную конструкцию лопаток и лопастей, а тут один предложил и почему-то многие "подписались" двигаться в обратную сторону... В чём металлическая лопатка или лопасть лучше композитной? Проще в изготовлении? Легче? Прочнее? Не думаю...
 
Назад
Вверх