Конструкция редукторов, виды в разрезах и сечениях

Господа,Вы опять ссоритесь,хватит,вопрос был ,выдержат ли 2-а 206-х осевую от ВВ.

Осевую нагрузку должен держать один из подшипников. Как Вы собираетесь равномерно распределить ее между двумя подшипниками?

Вот это верно,но здесь единичное производство и решить это можно шайбами,ко всему надо учитывать долговечночть,а не расплывчатое "выдержит",а она зависит от многих факторов- типа подшипника,допустимой окружной скорости,коэф. трения при радиальной и осевой нагрузке.
Долговечность средней серии подшипника в 5 раз больше легкой серии.
Вам следует считать один подшипник в осевой нагрузке
Очень интересно, как шайбами можно распределить осевую нагрузку?!
 
Я прекрасно понимаю что радиально упорный,лучше радиального и дело не в цене,подшипниковый узел не бывает радиально-упорным ,но подкупает простотой конструкции и удобством,если забыли ,речь идет о редукторе для аэролодки с межосевым 700мм.
 
Может Вы мне ответите ,выдержат ли два 206 осевую равную тяге винта 250кг.Нашел только dynamic C=19,5kN ,static Co=11,2 у 206-го.
Даже один выдержит. У него 1120 кГ радиальной. Осевая, совсем просто, 30% - 340 кГ против Ваших 250кГс.  Повторяю, правильно надо считать по примерам, приведённым в справочниках по подбору подшипников. Или по Прикладной механике для ВУЗов. С учётом всех коэффициентов. А если у Вас стоит два и выбран зазор между наружными и внутренними обоймами, так это Вам в двойне счастье и спокойный сон. Это уже можно и на гусеничный квадрик, на ведущую звезду, ставить.
Я себе поставил 6207Z и запас и спокойно вал ВИШ проходит. 
 
подшипниковый узел не бывает радиально-упорным ,но подкупает простотой конструкции и удобством
Об этом чтоли речь?
pail.jpg
 
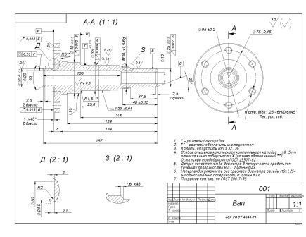
Это данные из справочника SKF ,почему радиальный,потому что это двухопорный подшипниковый узел,так удобнее,если статтяга ВМУ 250кг неужели двух 206 не хватит?
Конечно хватит. Проблем больше не в подшипниках. А в вале.
Он получается слишком слабым. Если делать внутри сквазное отверстие в 25.4 мм.
вот,молодец,можешь процитировать  правильную информацию из написанного.Только пойми,что отверстие в данном случае не ослабляет вал 30мм в диаметре.
Я согласен что в круглом сплошном прутке околоцентровые слои при нагружении не работают и их можно безболезненно удалять,но не при таком же соотношении-25.4 из 30. Или я вас не правильно понял?
Вал имеет сечение 30мм,его делаем полым в один диаметр или ступенью.
25,4-это центрирующий хвостовик для винта.Его можно и в 1мм стенкой сделать(лишь бы не сгорел при термообработке.
По выбору подшипников.Я поставил 6207 радиальный из соображений того,что он будет работать в осевом направлении в две стороны.Без ущерба подшипник держит 15-20 процентов радиальной нагрузки.
Комментарии злинова излишни
 

Вложения

  • val_006.jpg
    val_006.jpg
    27,1 КБ · Просмотры: 155
25,4-это центрирующий хвостовик для винта.
Я всегда практиковал стаканчик, высотой 8...10 мм. 3...5...мм в торце ступицы выборка. Туда стаканчик и вставляется. А остальное в ступицу ВВ. Буквально 3 мм достаточно. Слегка изменяется трудоёмкость изготовления всего вала. И, не дай Бог, уронил вал, замял фланчик.... и начинаются эксперименты 😱 А стаканчик всегда есть запасной в зипе. Деталюха маленькая и легко повторяемая.
 
Скажите пожалуйста, не у кого случайно нет чертежей на профиль зуба для ремней Гейтс серии GT2? GT3 с шагом 8? 
Там вся сложность ИМХО в том что на каждый диаметр шкива свой профиль,ведь если на плоской детали нарезать зуб то он совпадет ,а если потом эту деталь свернуть то уже не совпадет. Я убил на поиски специалиста способного выточить шкивы, два месяца,безрезультатно. Хотя у вас в городе все может быть.
 
Это данные из справочника SKF ,почему радиальный,потому что это двухопорный подшипниковый узел,так удобнее,если статтяга ВМУ 250кг неужели двух 206 не хватит?
Конечно хватит. Проблем больше не в подшипниках. А в вале.
Он получается слишком слабым. Если делать внутри сквазное отверстие в 25.4 мм.
вот,молодец,можешь процитировать  правильную информацию из написанного.Только пойми,что отверстие в данном случае не ослабляет вал 30мм в диаметре.
Я согласен что в круглом сплошном прутке околоцентровые слои при нагружении не работают и их можно безболезненно удалять,но не при таком же соотношении-25.4 из 30. Или я вас не правильно понял?
Вал имеет сечение 30мм,его делаем полым в один диаметр или ступенью.
25,4-это центрирующий хвостовик для винта.Его можно и в 1мм стенкой сделать(лишь бы не сгорел при термообработке.
По выбору подшипников.Я поставил 6207 радиальный из соображений того,что он будет работать в осевом направлении в две стороны.Без ущерба подшипник держит 15-20 процентов радиальной нагрузки.
Комментарии злинова излишни
Спасибо. Теперь понял.
 
Скажите пожалуйста, не у кого случайно нет чертежей на профиль зуба для ремней Гейтс серии GT2? GT3 с шагом 8? 
Там вся сложность ИМХО в том что на каждый диаметр шкива свой профиль,ведь если на плоской детали нарезать зуб то он совпадет ,а если потом эту деталь свернуть то уже не совпадет. Я убил на поиски специалиста способного выточить шкивы, два месяца,безрезультатно. Хотя у вас в городе все может быть.
Купить готовый шкив будет дешевле! Материал+черновая обработка+ТО+чистовая обработка ИМХО в 10.000 не уложиться!
 
Скажите пожалуйста, не у кого случайно нет чертежей на профиль зуба для ремней Гейтс серии GT2? GT3 с шагом 8? 
Там вся сложность ИМХО в том что на каждый диаметр шкива свой профиль,ведь если на плоской детали нарезать зуб то он совпадет ,а если потом эту деталь свернуть то уже не совпадет. Я убил на поиски специалиста способного выточить шкивы, два месяца,безрезультатно. Хотя у вас в городе все может быть.
Купить готовый шкив будет дешевле! Материал+черновая обработка+ТО+чистовая обработка ИМХО в 10.000 не уложиться!
По ценам прошу воздержаться, никаких черновых обработок не будет 😉
Лучше покажите чертежи профилей зуба 🙂
 
explorer сказал(а):
Лучше покажите чертежи профилей зуба 
Плотно не занимался этой темой, но предполагаю, что форма зуба в этом деле не самое интересное, а вот размерчик между соседними впадинами (шаг), это да , это интересно, думаю он должен меняться в зависимости от диаметра шкива... :-?
 
Скажите пожалуйста, не у кого случайно нет чертежей на профиль зуба для ремней Гейтс серии GT2? GT3 с шагом 8? 
Там вся сложность ИМХО в том что на каждый диаметр шкива свой профиль,ведь если на плоской детали нарезать зуб то он совпадет ,а если потом эту деталь свернуть то уже не совпадет. Я убил на поиски специалиста способного выточить шкивы, два месяца,безрезультатно. Хотя у вас в городе все может быть.
Купить готовый шкив будет дешевле! Материал+черновая обработка+ТО+чистовая обработка ИМХО в 10.000 не уложиться!
По ценам прошу воздержаться, никаких черновых обработок не будет 😉
Лучше покажите чертежи профилей зуба 🙂
😱 Что-то новенькое! Заготовку Вы как получите? Базы под нарезку зуба подготавливать не будете? По ценам-возможно, если сделают "по дружбе", но не вводите в заблуждение остальных, не у всех знакомые в металлообработке.
 
Назад
Вверх