Фото площадки отсутствует.
Больше интереса к фото коленвала.
Состояние шестерни привода дискового золотника. Там должны быть следы перегрева и наплавления латуни. Теоретически можно очистить и использовать данный коленвал, но будут ли работать сальники в этой полости?
Ржавчина на шатуне снаружи не так страшна, есть ли ржавчина внутри шатуна?
В итоге два варианта - ставить новый коленвал или ставить старый колевал и первое время постояной следить за уровнем масла в бачке дискового золотника и измерять люфты шатунной группы.
 
Не могу понять почему не крепится фото. Попробую еще раз..
 

Вложения

  • DSC_4068_1860x1241.jpg
    DSC_4068_1860x1241.jpg
    179,4 КБ · Просмотры: 244
Ржавчина только есть на снаруже шатуна. На шестерне размазано остатки латунного шестерни. Повреждение не чувствуется. После очистки, следов похоже не останется.
 

Вложения

  • DSC_4072_2385x1592.jpg
    DSC_4072_2385x1592.jpg
    131,9 КБ · Просмотры: 194
  • DSC_4076_2385x1592.jpg
    DSC_4076_2385x1592.jpg
    217,3 КБ · Просмотры: 196
Скажи уважаемый sid, где заказать запчасти и какие надо в моем случаее..
Что за трещины?? на плащадке
Про сальников не понял
Как надо измерять люфты шатунной группы. ??
 
запчасти можете заказать у нас
aviagamma.ru
по объему запчастей - я бы разбирал картер, чтобы как следует очистить шестерню и промыть полость от стружки. Но воплне возможно это сделать без разборки.
Однозначно менять шестерню, подшипники и сальники дискового золотника. Малый подшипник можно снять, без разборки картера, но с небольшими хитростями и следами на картере.
Про сальники - это я писал про сальники коленвала, которые стоят с двух сторон от шестерни. Под них также попадала латунная пыль и как они будут работать - вопрос.
Трещин на площадке не увидел. Та что прямая - это стык половинок картера. Та что сектором - это установочная риска, для установки дискового золотника.
Измерение люфта
http://aviagamma.ru/luft.html
 
Может кто подскажет.
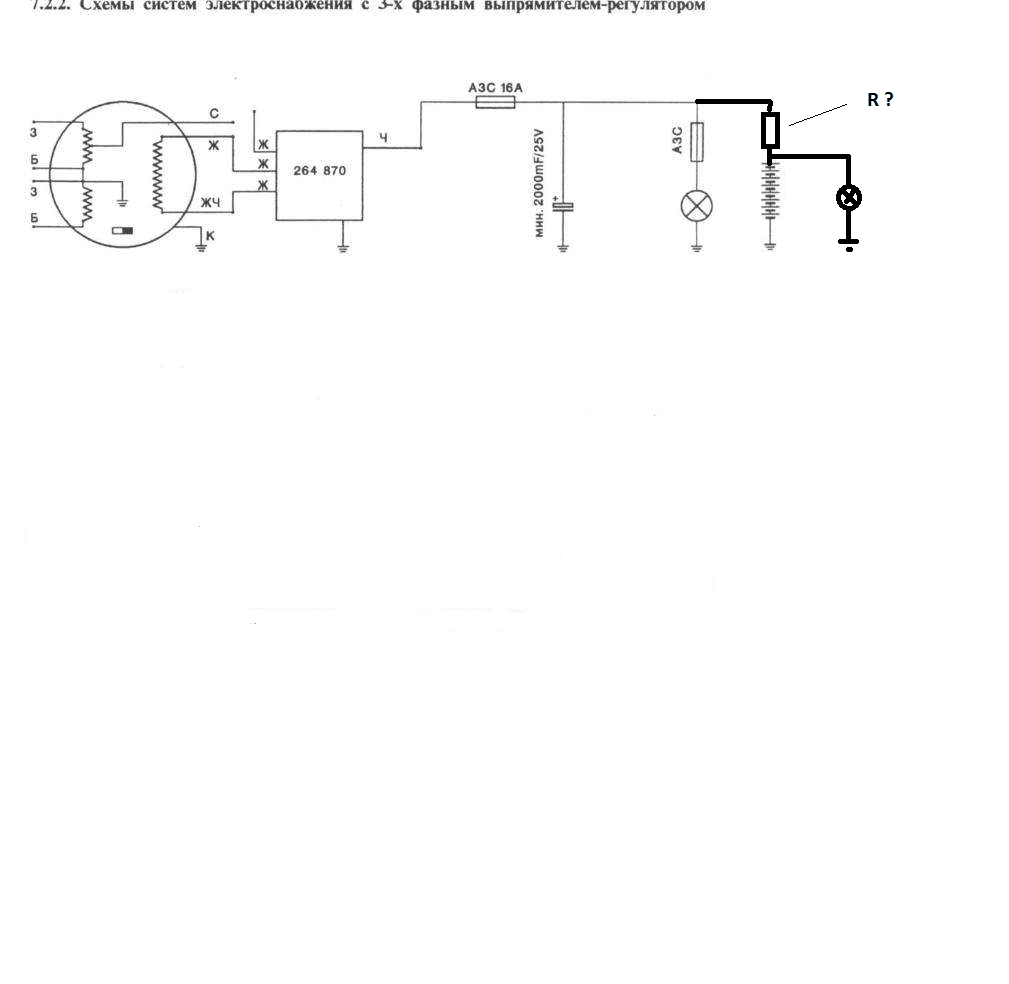
По схеме подключение потребителей согласно руководства как на первом рисунке. У меня подребители подключены по схеме "без аккамулятора"
Хочу к этой схеме добавить аккумулятор емкостью 1.3 А, чтобы питать элктронные приборы УС и высотомер, GPS  Примерно так как на втором рисунке А требуемый с емкостью не менее 9А не вижу смысла ставить.
Вопрос:
[highlight]как ограничить ток подзарядки ?[/highlight] 
 

Вложения

  • 1_012.png
    1_012.png
    54,5 КБ · Просмотры: 214
  • 2_012.png
    2_012.png
    28,8 КБ · Просмотры: 216
DiKey, верно. но при условии если  АБ имеет емкость не менее 9 А.ч. Я ставлю АБ с емкостью 1.3 А.ч для которой требует ток заряда  0.35 А, а подзарядки и того меньше.
 
Сделайте эксперимент: подайте напряжение на вашу АБ равное тому, что выдает РР и замерьте ток... И вы перестанете волноваться.
 
При  установке  АКБ  малой  ёмкости  в  комплекте  с  некоторыми  регуляторами -  не  учитывающими  напряжение  батареи - может  возникать  проблема  перезарядки  АКБ.

Бороться  с  этим  можно  либо  применяя  регуляторы  учитывающие  напряжение  АКБ  ( например  такой ) :

Схема не  шунтирующего  регулятора - выпрямителя  от  Ротакса  912 и  914 -  которую  расковыряли  из  интереса  французские  студенты...
Возможно  не  совсем  точная. ( Могут  быть  ошибки  в  номиналах  деталей ).


«Схема.»


«page_1.»

Оригинальный  документ  по  ссылке :

http://www.aero-hesbaye.be/ROTAX/pdf/CircuitsElectriquepourle912.pdf


«Ducati  Voltage Regulator  965-347  for  Rotax 912 -914.»

Судя  по  всей  имеющейся  информации  блок  однафазный.

Включает  в  себя   выпрямитель / регулятор  напряжения .  Имеется  возможность  подключения  сигнальной  лампы  отказа  генератора....

Поставить  на  503 или 582  мотор  -  мне  кажется  можно  без  вредных  последствий.  Также  не  вижу  противопоказаний  к  применению  на  РМЗ 500.

Единственный  минус  -  игрушка  не  дешовая.  А  с  точки  зрения  технической  -  я  ничего  плохого  про  такое  изделие  не  слышал.

При  применении  такого ( или  подобного ) регулятора -  АКБ  малой  ёмкости  не  должна  перезаряжаться.  Толькр  не  следует  ставить  на  ЛА  не  заряженную  батарею...
Перед  запуском  мотора - напряжение  АКБ  должно  быть  около  12  вольт...  Иначе  всёже  возможно  протекание  большого  зарядного  тока.

Второй  вариант - дешевле.  Но  требует  знания  электротехники.

В  ряде  случаев  применяют  схему  с  ограничением  зарядного  тока  маломощного  аккумулятора  при  помощи  дополнительного  резистора. Параметры  резистора  следует  подобрать  сообразно  данным  АКБ  и  прочих  элементов  электроустановки  транспортного  средства  или  ЛА.


«ogranichenie__toka.»
 
Сделайте эксперимент: подайте напряжение на вашу АБ равное тому, что выдает РР и замерьте ток... И вы перестанете волноваться
Замерил. Почти 2А. Не здоровский совет. :-?
Но требует знания электротехники
Спасибо. Именно то, что нужно. Собрать эту схему не состовляет труда. Для полного счастья знать бы параметры переменного резистора 😉 
 
Замерил. Почти 2А. Не здоровский совет.
"Не верю" (голосом Станиславского).
У вас
1. АКБ убита;
2. АКБ не свинцовая (вероятнее всего);
3. проблемы с источником питания.
Дайте фото вашей батареи, поскольку кислотную такой емкости я, например, не видел.
Единственно возможный способ полностью зарядить рассматриваемый тип АБ это зарядка "током" по определенному алгоритму. Применяемая повсеместно в силу простоты реализации зарядка "напряжением" приводит к неполному заряду АБ, однако, справедливости ради, следует сказать, что и убить здоровую батарею таким образом не получится.
Так вот по поводу добавочного сопротивления.
Падением напряжения на резисторе вы еще дополнительно уменьшаете разность потенциалов подаваемую на клеммы АКБ, соответственно уменьшая и емкость заряда.
 
Но требует знания электротехники
Спасибо. Именно то, что нужно. Собрать эту схему не состовляет труда. Для полного счастья знать бы параметры переменного резистора 😉 
 

Схема - популярная  у  мопедистов.
«ogranichenie__toka.»

В  ряде  случаев  ставят  маленький  аккумулятор - который  питает  светодиодные  габариты -  стоп  сигнал  и  поворотники - вне  зависимости  от  того - заведен  мотор  или  нет. Согласитесь - это  повышает  шансы - что  на  мопедиста  не  наедут  вечером  на  обочине  дороги - если  у  него  заглох  мотор.

переменный  резистор -  как  правило  применяют  зелёный  жаропрочный  остеклованный  регулируемый...  Типа  ПЭВР  на  мощность  10 - 20 Вт.  Чтоб  не  перегревался...  Привинчивают  длинным  болтом  с  шайбами  к  какой  либо  части  железной  рамы. Рабочей  должна  быть  не  менее  чем  половина - или  2/3  резистора.  Сопротивление - зависит  от  тока  который  нужно  ограничить  и  от  внутреннего  сопротивления  батареи.  Сопротивление  обычно  подбирают  экспериментально.  В  ряде  случаев - вместо  резистора  используют  лампочку  на  12  вольт  и  10 или  15  или  21  Вт...

Академически - данная  схема  может  подвергаться  разносторонней  критике...  Это  ведь  плохо - когда  не  применяется  программируемый  контроллер  заряда  батареи...  Какой  кощмар.

А  пока  мы  эту  схему  будем  критиковать -  не  мало  людей  катаетя  с  этой  схемой  на  мопедах ( вроде  ЗИД Пилот 2Т )  и  радуется яркой  работе габаритных  лампочек - вне  зависимости  от  оборотов  мотора.

Да - и  не  забудьте  про  необходимый  постоянный  потребитель  тока  -  в  общем  я  полагаю - постоянно  горящая  фара  или  габаритные  огни  - будут  совсем  не  лишними - с  любой  точки  зрения.  Лампочки  стоят  не  дорого.  А  когда  они  горят - это  повышает  безопасность -  нарядно -  и  облегчает  жизнь  регулятору  напряжения.  Он  меньше  греется. Так  что - да  будет  свет  🙂
 
Кто  не  видел  АКБ  12В-1.3Ач ?

Вас  в  поисковике  забанили ?

Я  поискал  за  Вас :

DJW12-1.3, Аккумулятор свинцовый 12В-1.3Ач 97x44x53
http://www.chipdip.ru/product/djw12-1.3/

Поисковик  выдаёт  ещё  10  страниц  конкурирующих  предложений...

У  нас - подобный  аккумулятор  стоял  на  дельталёте  для  питания  температурного  лагометра - и  бензомера  со  светодиодной  шкалой...  Но  мы  его  заряжали  на  земле -  по  мере  надобности. Если  летать  каждый  день - батареи  хватало  на  3 - 4  дня  полётов.  В  полевых  условиях - подзаряжали  приборную  батарею  от  АКБ  автомобиля - через  балластную  лампочку. Заряд  в  воздухе - делать  не  стали.  По  причине  лени  и  отсутствия  необходимости.  Приборы  жрут  мало.

( З.Ы.  - аккумулятор  мы  конечно  покупали  не  в  Чипе  и  Дипе  по  двойной  цене...  А  сперва  на  Митинском  рынке  в  Москве...  Потом - новый -  на  Юноне  в  Питере...  Где  было  ближе - в  зависимости  от  прибывания  на  тот  момент ).
 
Вас в поисковике забанили ?
Я поискал за Вас :
Спасибо, но, признаюсь, что мне было бы лень набирать столько знаков не относящихся к теме.

Академически - данная схема может подвергаться разносторонней критике... 
Ну а чтобы академически не было, пришлось "поскрести по сусекам" и выявить на свет божий 17Ач, 10 Ач и .. о чудо, упомянутый выше 1,3 Ач герметичные АБ. Сосотояние первого - новый, но заряжался неизвестно когда, второго - б\у, аналогично, третий, к сожалению, как оказалось, приказал долго жить. Начальный ток зарядки при напряжении 14.5В первого - 4А, второго - 3А, что соответствует 0.3-0,4С и является допустимым. Для справки: среднестатистический ток заряда автомобильного акк-ра после пуска (40-60 Ач) составляет 4-8 А.

Вернемся же к
Замерил. Почти 2А. Не здоровский совет.
Допустим, коллега 5vvv5 решил уменьшить ток последовательным добавлением в цепь второго точно такого-же ак-ра. Сопротивление цепи увеличилось, ток соответственно упал вдвое (хотя все равно остался неприемлимым для данной емкости). Падение напряжения на каждой из батарей составило 7.25В (при напряжении бортсети 14.5В). Так чтО заряжаем?
 
Подскажите что может быть? 582 синяя голова, при полностью нажатой педали газа выдает обороты 6000, немножко отпускаеш газ обороты 6400 тяга ощутимо возрастает, дальше отпускаеш газ обороты падают ровно. Вот и приходится  ловить момент когда 6400.
 
Назад
Вверх