Alekzanderr
Я люблю летать
- Откуда
- Самара
ТВГ вроде в норме..
обратил внимание на температуру в выпускном коллекторе, прибор показывал 1100К
1100К - 273 = 827 С - это на пределе, максимум 850 С
Follow along with the video below to see how to install our site as a web app on your home screen.
Примечание: This feature may not be available in some browsers.

ТВГ вроде в норме..
обратил внимание на температуру в выпускном коллекторе, прибор показывал 1100К
ТВГ вроде в норме..обратил внимание на температуру в выпускном коллекторе, прибор показывал 1100К
1100К - 273 = 827 С - это на пределе, максимум 850 С
Кстати, где-то прочитал, что термостат можно просто с него снять, и попробовать без него.
Наверх
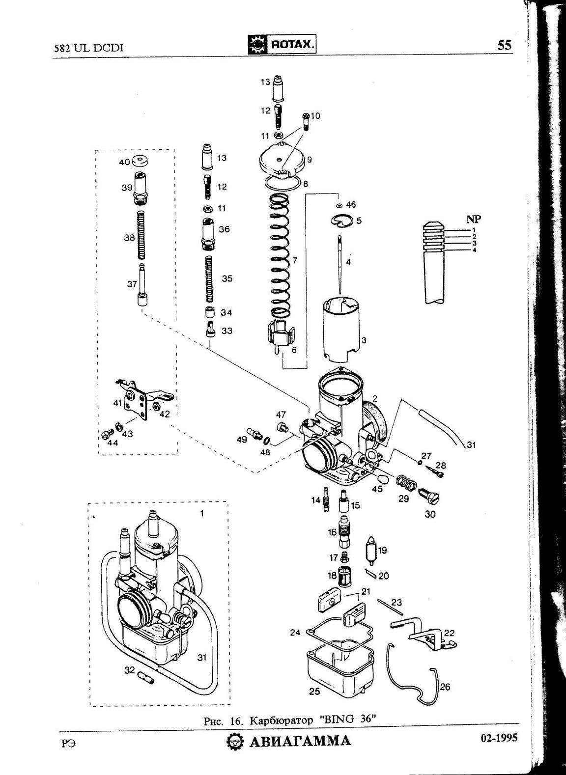
У меня эта тенденция наблюдалась при обеднении смеси На 582 (Птенец - 2).После пропитки воздушного фильтра маслом показалось, что карбюратор богатит (по цвету изолятора на свечах). Иглы карбюраторов опустил на одно деление и сделал пробный вылет. Двигатель не потерял мощности, работать, как я воспринял, стал мягче, но температура охлаждающей жидкости повысилась на 5 -7 градусов, изолятор свечей стал соломенного цвета. Вернулся к прежним настройкам.Тенденция к перегреву!
Иглы карбюраторов опустил на одно деление
Смотрите руководство по эксплуатации двигателя., но можно фото
На лето вторая позиция снизу. Иглу опускаем - смесь бедним, поднимаем - обогащаем. Но лучше сгоряча ничего не трогайте, как советовали найдите мануал, а еще лучше человека разбирающегося в этих тонкостях.Простите меня чайника, но можно фото где эти иглы и деления на них?
К сожалению не у всех он имеется....A manual polistat len?
К сожалению не у всех он имеется....
Ну вот и ладненько, а то я свой "букварь" уже до дыр затер. 🙂Tak grifa na nem "Sovershenno sekrento" kazhetsa ne bylo:
http://www.aviagamma.ru/582.html
По наитию, без утверждения. Поэтому сильно не пинайте.
Пункт 2. иглу вернуть, прочистить жиклёры и каналы в карбюраторе. И, может стоит обратить внимание на установку золотника. а вдруг сбился?