СПЭСА-115 (самолёт амфибия с электро В.Д.)

=винты скрещённые или соосные,с противовращением ?

(вид редуктора,или безредукторный ?)
Винты соосные,вращение противоположное , привод прямой от двух разных моторов. На прототипе скорее всего будет один,далее по ситуации. Если мотор будет один,можно будет попробовать Вашу соосную схему.
 
привод прямой от двух разных моторов.

-думаю,что это отличный вариант (можно продолжать полёт и на одном или втором моторе...!="дармовая " безопасность.

+ если их запитать дифференциально,можно значительно увеличить
Удельную Тягу (кГс/кВт).

CRFLIGHT -система позволяет ещё увеличить Тягу/Вес (кГс /кг).

и улучшить охлаждение статора !
 

Да уж - если Вы в одиночку хотите "настроить" двигатель Шкондина, то это займет несколько лет...

Задумка Шкондина была очень простая - "наш" человек не захочет тратить большие деньги на мудрёный контроллер, поэтому он заменил его на коммутатор со щетками, этого достаточно чтобы "показать" прототип в работе - но как только Вы захотите получить реально большую мощность, контакты начнут гореть как у Вас...
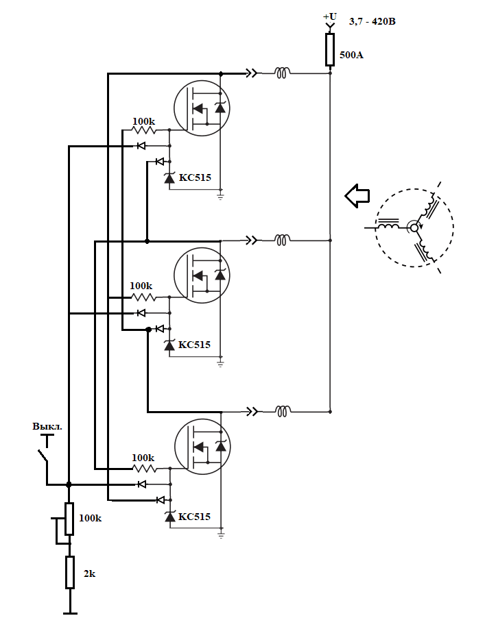
Лет 5 назад меня тоже "давила жаба" и я сделал простой автогенератор на любой 3 фазный двигатель:
generator 3Ф.png

Этот автогенератор раскручивает любой 3 фазный двигатель соединённый звездой (в том числе и ассинхронник) до максимальных оборотов и мощности...
Можно использовать любые N канальные (+ на стоке) КМОП или ИГБТ транзисторы (чем больше допустимый ток тем лучше)...
Транзисторы (и диоды) должны быть рассчитаны на двойное напряжение питания, предохранитель на их максимальный ток...
Если Вы в дальнейшем захотите регулировать мощность, то придётся использовать ШИМ, добавив одну микросхему типа 555
Резистор в схеме служит для настройки максимальных оборотов под нагрузкой (делайте это на пониженном напряжении) - лучше не пытаться уменьшать им мощность...
Удачи!

P.S. В этой схеме отлично работает автоматическая регенерация - нужно только следить, чтобы напряжение не превышало предельное - т.е. двигатель должен быть правильно рассчитан на напряжение питания...
 
Последнее редактирование:
Да уж - если Вы в одиночку хотите "настроить" двигатель Шкондина, то это займет несколько лет...

Задумка Шкондина была очень простая - "наш" человек не захочет тратить большие деньги на мудрёный контроллер, поэтому он заменил его на коммутатор со щетками, этого достаточно чтобы "показать" прототип в работе - но как только Вы захотите получить реально большую мощность, контакты начнут гореть как у Вас...
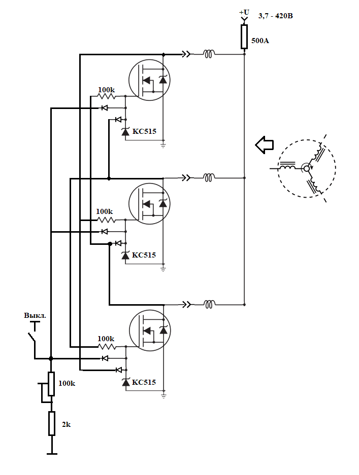
Лет 5 назад меня тоже "давила жаба" и я сделал простой автогенератор на любой 3 фазный двигатель:
Посмотреть вложение 502885
Этот автогенератор раскручивает любой 3 фазный двигатель соединённый звездой (в том числе и ассинхронник) до максимальных оборотов и мощности...
Можно использовать любые N канальные (+ на стоке) КМОП или ИГБТ транзисторы (чем больше допустимый ток тем лучше)...
Транзисторы (и диоды) должны быть рассчитаны на двойное напряжение питания, предохранитель на их максимальный ток...
Если Вы в дальнейшем захотите регулировать мощность, то придётся использовать ШИМ, добавив одну микросхему типа 555
Резистор в схеме служит для настройки максимальных оборотов под нагрузкой (делайте это на пониженном напряжении) - лучше не пытаться уменьшать им мощность...
Удачи!

P.S. В этой схеме отлично работает автоматическая регенерация - нужно только следить, чтобы напряжение не превышало предельное - т.е. двигатель должен быть правильно рассчитан на напряжение питания...
Потребление было не большое 1,47 Ампера. Щётки мощные выдержали. Ламели медные то же. А вот связующее горело от искры.Искрение происходит при не соответствии опережения зажигания. У меня коллектор подвижный и подключен к к регулировочному устройству на внешней стороне,что позволяло менять зажигание на ходу. При 2000 об/мин. опережение составляло около 9градусов. Как только нагружаю вал,обороты естественно падают ,зажигание не соответствует оборотам и появляется сильное искрение на щётках. Необходима автоматическая регулировка зажигания в зависимости от оборотов. Но у Шкондина нет такой системы регулировки,значит он нашёл более простой выход. Вот это мне и нужно определить. Судя по таблицам из исследования мотора Шкондина в Дрезденском университете максимальный КПД получен при определённых оборотах на 48 Вольтах. Для наземного транспорта этот мотор будет не эффективен. Мы не можем всё время ехать на максимальных оборотах. А вот для самолётов и вертолётов этот мотор очень даже подходит. Почему я и выбрал его для себя.
 
Генераторы можно сразу упразднить по двум причинам:
1 мотор-генератор, это вполне естественно.
2 энергия, которую потеряет планер при тормозе пропеллерами, запасет акумулятор, а потом повторно выдаст мотору, будет намного меньше той энергии, которую запасет планер при наборе скорости в пикировании.
Ну если только это не интерсепторы такие.
 
Искрение происходит при не соответствии опережения зажигания. У меня коллектор подвижный и подключен к к регулировочному устройству на внешней стороне,что позволяло менять зажигание на ходу. При 2000 об/мин. опережение составляло около 9градусов. Как только нагружаю вал,обороты естественно падают ,зажигание не соответствует оборотам и появляется сильное искрение на щётках. Необходима автоматическая регулировка зажигания в зависимости от оборотов. Но у Шкондина нет такой системы регулировки,значит он нашёл более простой выход. Вот это мне и нужно определить. Судя по таблицам из исследования мотора Шкондина в Дрезденском университете максимальный КПД получен при определённых оборотах на 48 Вольтах.
Когда через ххх лет перестанете верить в сказки, мы вместе позвоним в Дрезден... 🙂

P.P.P.S. могу подарить октан-корректор от Опеля - позволяет отлично "менять зажигание на ходу" (кстати - может бензин не тот?)... 🙂
 
Наверно эти ребята не знают номера телефона в СПОРТЛОТТО......... 🤣
 
Назад
Вверх