Вопросы новичка по постройке Piper Super Cub PA-18

Хотя, Алексей выше совершенно верно написал по поводу материала в состоянии "М". Может быть имеет смысл калить только силовые нервюры.
 
Хотя, Алексей выше совершенно верно написал по поводу материала в состоянии "М". Может быть имеет смысл калить только силовые нервюры.
А, скорее всего, ничего вообще калмть и старить не надо - и так все нагрузки выдержат. Места сосредоточенных нагрузок, при необходимости, можно усилить.
 
"Размышлять в слух" мы можем сколько угодно. В любом случаи все это надо считать.
 
"Размышлять в слух" мы можем сколько угодно. В любом случаи все это надо считать.


Судя по картинке нервюра не несущая совсем...

b2ee89f1dc5c5ae75a9d1063472b7679.jpg
 
Пытаемся разобраться в нюансах постройки самолета Piper Super Cub PA-18. Так как мы делаем это в первый раз, вопросы могут быть дилетантскими, заранее извиняюсь.
  1. Можно ли вместо стали 4130 использовать титан ВТ-1? Диаметр трубок и толщина стенок при этом максимально приближены к оригинальным размерам, но естественно не совпадают.
  2. Допустимо ли детали каркаса фюзеляжа сделать из нержавейки AISI-321?
  3. Стоит ли уйти от резинового шок-корда (демпфера) в передней стойке шасси в сторону амортизаторов или пружин?

Посмотреть вложение 513259Посмотреть вложение 513260Посмотреть вложение 513261

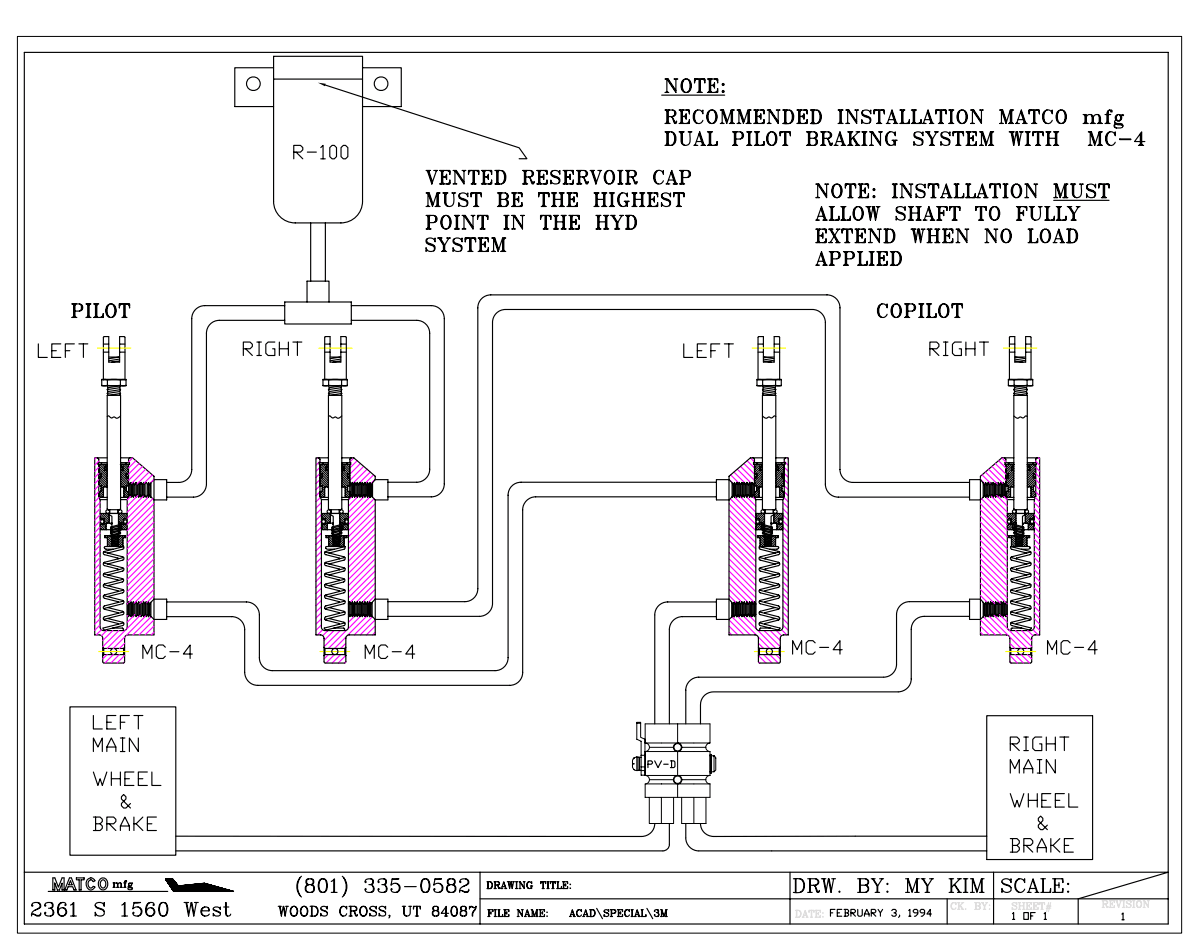
4. Передние колеса выбрали от Matco, модель WHLWI600XLT-1 (WHLWI600 Series W&B REV A)
В этом колесе используется 3 рабочих цилиндра. И появился вопрос выбора мастер-цилиндра. Мы хотим сделать все по такой схеме:
Посмотреть вложение 513265
Подскажите, педали первого и второго пилота всегда должны иметь механическую связь между собой, или достаточно гидравлически их связать между собой?
Из чего исходить при выборе главных тормозных цилиндров по отношению к уже выбранным передним колесам - объем цилиндра, диаметр поршня, ход штока?
аммортизаторы однозначно!!!!
 
"Размышлять в слух" мы можем сколько угодно. В любом случаи все это надо считать.
Если детально просчитывать все без разбору - времени и сил не хватит: надо научиться находить критические точки - и уж их анализировать.
 
Толщина 0.8 мм
Мы попали в ситуацию, что нервюры уже сделали и до нас дошло, что прочность они уже не наберут, тк делали отпуск перед штамповкой. Без термообработки они трещали в оснастке.
Теперь у нас комплект мягких нервюр. Хотя по ощущениям не такие уж они и мягкие.
Твердость померять не можем, тк есть только твердомер по Роквеллу. Если отгибать угол, то он гнется. А у необработанного Д16Т он ломается.
При закалке нервюры ведет. Думаем калить их и сразу ровнять. Но средняя часть нервюры больше 800 мм и не так то просто ее калить. Даже не знаю, что лучше - все переделать с радиусом скругления 2.4 мм, или закалить то, что уже сделано.
Какие есть простые способы определить прочность материала нервюр?





Вы если хотите получить конкретные ответы, условие задачи описывайте полностью, а не частями.
Какой металл был, при какой температуре отпуск делали, на возврат или полный отжиг?
Что там гнется у вас? Он и закаленный гнется, рессоры вон гнут.
По мне, так у вас телега впереди лошади едет. Вы зачем все это затеяли с термообработкой?
Я бы затеял только по одной причине, дюраль дорог, а мягкий стоит на 40% дешевле. 😊
Коробит после закалки, из за неравномерного охлаждения. Рихтуйте, сразу пока не постарел.
 
Если детально просчитывать все без разбору - времени и сил не хватит: надо научиться находить критические точки - и уж их анализировать.
Полностью с вами согласен.🙂 Это так же верно как и рекомендации минздрава -всегда мыть руки перед едой🙂
 
Полностью с вами согласен.🙂 Это так же верно как и рекомендации минздрава -всегда мыть руки перед едой🙂
Имелось в виду то, что на регулярных нервюрах нагрузки вполне небольшие: так нервюры Ан-2 представляют собой тоненькие уголочки по дужкам, кое-где перехваченные перекладинками. А хорда - 2.4 м.
 
чисто для справки - обычные современные кабовские нервюры 0.64мм толщиной (0.025 дюйма) из 2024 T3. старые я видел 0.032 дюйма - 0.8мм
 
подскажите по такому вопросу: после штамповки нервюры не получаются идеально ровными. Допускается ли проведение зиговки щипцами по плоскостям, которые будут прилегать к обшивке крыла? И может ли быть такое ограничение, что по верхней кромке можно, а по нижней нельзя делать зиговку?
 
подскажите по такому вопросу: после штамповки нервюры не получаются идеально ровными. Допускается ли проведение зиговки щипцами по плоскостям, которые будут прилегать к обшивке крыла? И может ли быть такое ограничение, что по верхней кромке можно, а по нижней нельзя делать зиговку?
Вообще-то, требования к верхней поверхности выше.
А править малку полок нервюр конечно, можно и нужно - доступными способами. Хотя, если из-за пружинения отклонение от теории составляет несколько градусов, зиговка представляется излишней. Разве, что при правке вылезет пузырь местный - его зиговкой можно убрать.
 
я бы отверстие в п образном профиле сделал и обварил снаружи, это силовое место ? Если силовое, то так делать не надо вот.
внутри не подлезть совсем.
Даже если силовое - в большинстве случаев, вырезанная стенка заместителя вверенной трубой.
 
Нужно использовать широкую «линзу» и выдвинуть электрод подальше. Естественно расход аргона нужно будет увеличить. Будет трудно присадку туда подавать.
 
Нужно использовать широкую «линзу» и выдвинуть электрод подальше. Естественно расход аргона нужно будет увеличить. Будет трудно присадку туда подавать.
Бросьте: проявлять героизм, компенсируя тупость при формировании узла - бессмысленно. Хреновое получится сварное соединение, и рассчитывать на взятие им реальной силы не приходится: проварите, максимум, половину периметра, а остальное будет лишь утешением - до расчетного случая.
 
Назад
Вверх