Двигатель Rotax-912

есть разница какую зарядную катушку к какому блоку зажигания подключать?

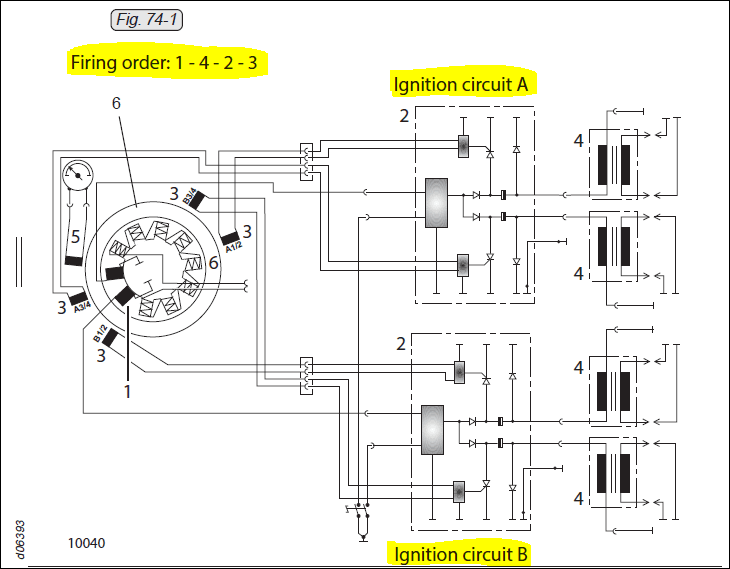
Вот схема, поясни что имеется ввиду - "какую катушку к какому блоку зажигания" ?
Понятно ведь, что каждая зарядная катушка (1) должна соответствовать "своему" блоку (2), другое дело можно ли блоки местами поменять - да можно , но "порядок" подключения должен сохраниться соглассно схеме.
1631784567147.png
 
Они стояли штатно на бекасе, я не стал их менять.
СОСЕДНЯЯ ВЕТКА - может там у Меглинского В. поспрашивать , а то так чтобы оба модуля сразу вышли из строя - как то мало представляется, при том что "масса" везде "прозванивается", у "Бекасов" редко, но бывали "чудеса", при том что в принципе "чудес" не бывает)))
Может двигатель (совсем из области фантастики) "дизелит" после выключения?
 
а то так чтобы оба модуля сразу вышли из строя - как то мало представляется

У меня такое было. Движок просто перестал заводиться. Отправлял модули к дилеру на диагоностику - оба сдохли. Купил новые и забрал старые назад (точно мои, метил их незаметно). С новыми все сразу заработало.

Но тут другие симптомы, причем странные какие-то.
 
Я имел ввиду катушки 1 на схеме, есть разница какую к блоку А а какую к блоку В?
В принципе, для зарядных катушек и блоков - безразлично в какой последовательности ( очерёдности ) они подключены.
Однако, для подключения разъёмов разница есть... Иначе бы не помечали разъёмы от катушек и соответствующий блок.

1631810208466.png


Видна марка "А" на жгуте с разъёмом от катушек. Второй жгут - марка "В".

Если все массы присутствуют, то просто закоротите контакты на выключателях зажигания. Если это не вызовет останов мотора, проверяйте проводку тестером от выключателей ( АЗС-ов ) до разъёмов проводов выключения зажигания на моторе. Не верится, что блоки могли так выйти из строя "ни с того- ни с сего"... ( Или есть предистория неисправности? То есть "ДО..." работало нормально, а "ПОСЛЕ..." перестало выключаться зажигание.)


Впрочем, мне здаётся, что дело может быть в обломанном ( внутри изоляции ) проводнике, на входе в корпус блока. При плохо отбортованных разъёмах, от вибрации случается, что провод переламывается внутри изоляции и внешне не заметно повреждение. Тем более, что он ещё и в кембрике от корпуса блока до разъёма. тестируется, ( когда все методы исчерпаны и проверены прочие провода ) вскрытием кембрика от блока и протыканием изоляции провода иголкой. К ней присоединяется тестер...

По поводу отбортовки разъёмов электронных блоков могу рекомендовать ознакомиться с этим материалом: ( с середины сообщения #331 )
 
Последнее редактирование:
Беда, товарищи. Выходит из строя второй стартер на Rotax 912 100л.с.
Зимой вышел из строя стартер, вскрытие показало крайний износ щеток (до проводов), расплавление ламелей якоря. Стартер был заменен на стартер б/у, купленный тут на форуме. Состояние проконтролировано, полный разбор и чистка перед установкой проводились. Состояние было "почти новый", без видимых изъянов. Сегодня, спустя 50 часов, замененный стартер тоже отказал. Разбор показал очень похожую на первый стартер картину - полный износ щеток, до основания, подгорание якоря с расплавлением 1-2 ламелей, равномерная механическая проточка(истирание) всех ламелей якоря, свидетельствующая об огромном пробеге. Внутри корпуса стартера было масло.
Руки в первый момент опустились, а потом я начал думать, в каком направлении копать. Все, что приходит в голову - залипание реле стартера, из-за которого стартер мог продолжать работать длительное время после запуска двигателя. Смущает то, что после остановки двигателя стартер не был ни разу замечен вращающимся. Еще вариант, который могу себе представить - какая-то хитрая неисправность обгонной муфты, из-за которой стартер мог приводиться от работающего двигателя, что привело к износу щеток, но не знаю, насколько такая неисправность возможна механически. После снятия стартера работа муфты проверена пальцем - никаких видимых нарушений нет, т.е. стабильное зацепление в одну сторону и совершенно свободное вращение в другую.
Может есть у кого какие мысли, и может кто-то знает, где взять очередной стартер для замены?
 
Замыкание контакта "СТАРТ" в замке зажигания (?)
Был заменен новым импортным при установке стартера весной. Щелчок "назад" настолько выраженный и явный, что прямо вот не должно быть. Но на будущее хоть лампу активности стартера ставь, блин, чтобы контролировать можно было
 
Был заменен новым импортным при установке стартера весной. Щелчок "назад" настолько выраженный и явный, что прямо вот не должно быть. Но на будущее хоть лампу активности стартера ставь, блин, чтобы контролировать можно было
Может залипать реле включения стартера, особенно после приключений с первым. Если первый стартер подгорел так как вы описываете, то, вполне возможно, через это реле шли большие и продолжительные токи. Ну а там разные варианты : 1,залипание реле после запуска двигателя. причем не обязательно каждый раз. 2. от внутреннего перегрева реле - потеря упругости возвратного контакта, например, и реле может произвольно включаться от вибрации.

Поставьте контрольную лампочку прямо на сам стартер, проверьте кнопку, проводку, реле стартера.
 
Я имел ввиду катушки 1 на схеме, есть разница какую к блоку А а какую к блоку В?

Очень похоже , что вышли из строя управляющие входы в блоках. Померьте напряжение на них при работающем двигателе, а лучше осциллограмму. такое может быть, если подать на эти входы напряжение, отличное от нуля. Например ошибка в подключении тумблеров ( вместо массы подали 12в) и тп. Или заводили мотор с отключенным колпачком свечи, или на мотор подали массу, а на панель приборов - нет. возникнет паразитное напряжение как раз на управляющем входе. Насколько я помню, напряжения на этих входах невысокое, и внутри диод стоит.
Вообще, по уму на тумблеры зажигания должна идти своя масса отдельным проводом, непосредственно с мотора . Это исключит выше перечисленные проблемы и снизит помехи по бортсети.
 
Вопрос следующий, запускается обороты не развивает, трусится как бешеный. На газ не как не реагирует, и только через некоторое время, секунд 10 всё проходит и работает ровно, потеря оборотов на контурах в норме. Суфлирующие трубки 120мм, где копать? Пару таких запусков и мотор вылетит....
 
Вопрос следующий, запускается обороты не развивает, трусится как бешеный. На газ не как не реагирует, и только через некоторое время, секунд 10 всё проходит и работает ровно, потеря оборотов на контурах в норме. Суфлирующие трубки 120мм, где копать? Пару таких запусков и мотор вылетит....
Похоже, что вам повезло и у вас блоки нового образца с функцией "мягкого" пуска, бережет бендикс.
Запускается на позднем зажигании и через 10-15 секунд переключается.
Убедитесь, что оба блока одного типа, или с "мягким" пуском или без. Попробуйте запуск только на одном первом контуре, а потом только на втором.
Убедитесь, что провод с реле стартера подключен к обоим блокам. Со стороны блока это провод фиолетового(розового) цвета в разъеме идущем на катушки.
 
Может залипать реле включения стартера, особенно после приключений с первым. Если первый стартер подгорел так как вы описываете, то, вполне возможно, через это реле шли большие и продолжительные токи. Ну а там разные варианты : 1,залипание реле после запуска двигателя. причем не обязательно каждый раз. 2. от внутреннего перегрева реле - потеря упругости возвратного контакта, например, и реле может произвольно включаться от вибрации.

Поставьте контрольную лампочку прямо на сам стартер, проверьте кнопку, проводку, реле стартера.
Ну вот залипание реле - самый вероятный кандидат. Прям зло берет - надо же так бездарно и на ровном месте хороший стартер упороть. И дорого очень, и ждать теперь долго, аж бесит.
Кстати, констатирую, что у нас полностью убито искусство ремонта электродвигателей и стартеров. Раньше, помню, можно было и якорь перебрать, и щетки изготовить, даже ламели меняли, а теперь ничего не делают, только кусками при наличии меняют
 
Какой прибор и датчик используется для измерения разряжения на впуске (manifold pressure) на 912 uls? Посмотрел в мануалах и учебной литературе на 912 , но на этот вопрос не нашел ответ. Нужен отдельный "будильник"
Нашел на спрусе вот такой прибор WESTACH MANIFOLD PRESSURE GAUGE 2A4-6 | Aircraft Spruce Вроде бы по измеряемому диапазону подходит. В описании написано что подключается вакуумным шлангом. Вопрос куда его правильно подключить на 912 без впускного ресивера?
 
Последнее редактирование:
Назад
Вверх