Follow along with the video below to see how to install our site as a web app on your home screen.
Примечание: This feature may not be available in some browsers.

Он добавляет момент в плоскости вращения лопастей на подшипники осевого шарнира, если все держит, можно без него.насколько критичен будет тот эксцентриситет?
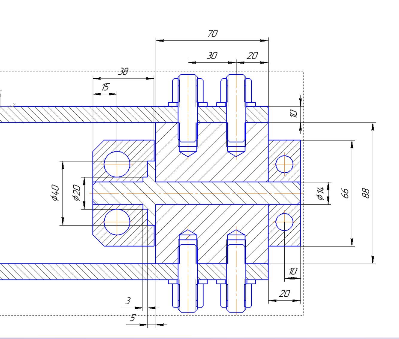
Андрей! Дай подробности оформления осевого шарнира. На том сечении что есть - непонятен конструктивВот теперь все стало ясно, спасибо
На данный момент вот так выглядит все это дело. Толщина проставки/распорки 30Дай подробности оформления осевого шарнира.
Подскажите, где искать, потому что я не нашелБывают.
Для вертолетов специально делают, для увеличения ресурса, в общепромышленном виде не встречал. Да делают свой сепаратор. Для самодельного вертолета можно обычные ставить, на какое то время хватит, потом менять.А упорные подшипники бывают в продаже сразу с повернутыми роликами? Или надо будет отдельно изготавливать сепаратор?
Там ведь придется менять только лишь упорное кольцо, сам подшипник остается?на какое то время хватит, потом менять.