Двигатель М-14П

Господа, доброго вечера.
подскажите пожалуйста, как подключить импортный генератор и реле-регулятор.
понятно, что угольный реле-регулятор выбрасывается, а вот нужно ли выбросить диф-реле, стаб.транс. и автомат защиты от перенапряжения?
как обеспечить включение табло отказ генератора и одновременное выключения обогрева Пито?

с уважением, начинающий самолетчик Василий.

зы: тему гуглил, ничего не нашел.
 
Добрый вечер.По аналогии с мотоциклетными ,снегоходными и прочими подобными реле,там на выходе просто плюс и минус, не видел Вашего реле,но на некоторых еще + после замка зажигания подается,для питания схемы стабилизации, если не подключить напряжение будет выдавать максимальное.Подключается  параллельно сети,без нагрузки включать нельзя ,диф. реле ,стаб.  транс и автомат защиты от перенапряжения работать не будут.Табло отказ генератора тоже.Можно вольтметр электронный поставить для контроля
 
Господа, доброго вечера.
подскажите пожалуйста, как подключить импортный генератор и реле-регулятор.
понятно, что угольный реле-регулятор выбрасывается, а вот нужно ли выбросить диф-реле, стаб.транс. и автомат защиты от перенапряжения?
как обеспечить включение табло отказ генератора и одновременное выключения обогрева Пито?

с уважением, начинающий самолетчик Василий.

зы: тему гуглил, ничего не нашел.
Какой у Вас генератор? B&C SK-10? Напишите тип! (Присоединяюсь к просьбе Фирката). Если такой, то у них на сайте есть несколько схем подключения на выбор. Также, дополнительно, я писал им на фирму напрямую с просьбой дать рекомендации по электросхеме моего самолёта (СП-55м) и получил кое-какие разъяснения
 
Уважаемые господа, доброго вам дня.
американский генератор уютнейшим образом расположился на моторе,
ради интереса, взвешу и сравню разницу масс.
 

Вложения

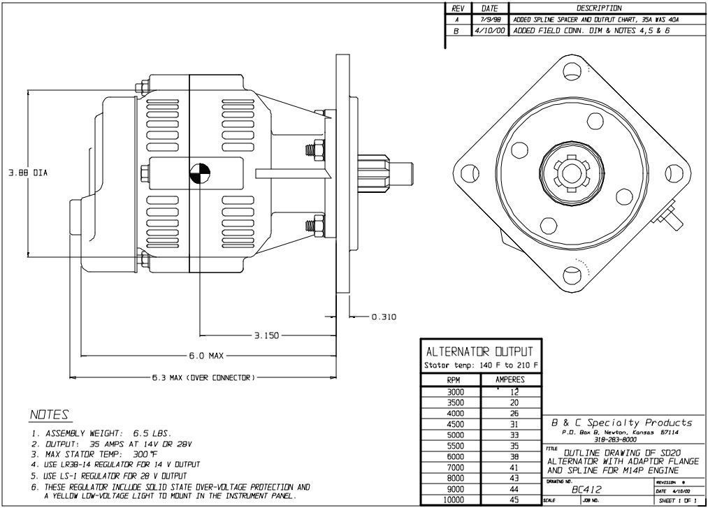
  • BC412__SK35_.jpg
    BC412__SK35_.jpg
    92,3 КБ · Просмотры: 266
  • LS-1A.jpg
    LS-1A.jpg
    66,8 КБ · Просмотры: 255
фото генератора, фото оригинальной Э3 разместить не могу, большой размер, форум не принимает.
 

Вложения

  • BC412_foto.jpg
    BC412_foto.jpg
    100,6 КБ · Просмотры: 317
Вот бесплатно можно скачать программу и уменьшать ВЕС фот  https://bd-sizer.en.softonic.com/?ex=BB-682.1
так это не Ваше фото?
Если Ваше, подскажите что за тип ВС?Похоже на что то пилотажное(суфлер)? Так?  Моторама за интересовала....
 
отправляю кусочек Э3.
Подскажите как подключать реле-регулятор,
максимально сохраняя штатную проводку?
наверное имеет смысл  соленоид реле "Отказ генератора" завести на второй вывод реле-регулятора и перепаять контакты реле с нормально замкнутых на нормально разомкнутые.
(это в сулчае включения аварийной лампы американского реле-регулятора в случае отказа/не вращения генератора)
Выбросить диф-реле, стаб.транс. и автомат защиты от перенапряжения
 

Вложения

  • JE3_1_SU29.jpg
    JE3_1_SU29.jpg
    117,6 КБ · Просмотры: 245
Для питания радио и транспондера планирую поставить LC фильт и сабилизатор напряжения типа КРЕНки.
 
господа, самолет не мой, у меня на такой денег не хватит.
что со схемой, как подключать американский реле-регулятор?
 
господа, самолет не мой, у меня на такой денег не хватит.
что со схемой, как подключать американский реле-регулятор?
Хм, просто этих самолётов в России оставалось до недавнего времени всего ДВА. Ваш, стало быть, третий? 😉
Коли уж Вы из Москвы, то, возможно, у Вас будет шанс взглянуть на установку такого генератора штатно (заводом) на Су-29. Напишите мне в личку Ваш телефон
 
Вот для справки схема электроснабжения СП-55м  с таким же генератором и регулятором как у Вас
 

Вложения

  • Power.jpg
    Power.jpg
    189,2 КБ · Просмотры: 254
доброго дня.
реле-регулятор установил, подключил, штатную провдку сторался сохранить, зловещего дыма не было.
электромагнит реле 4-Э1 подключил заместо контрольной лампочки и теперь, при включении питания оно противно щелкает, аки поворотник в жигулях.
мотор разобран, нет шлангов, никаких,
а испытать генератор планирую при помощи электродрели...
может есть иные соображения?

начинающий авиатехник, Василий.
 

Вложения

  • 29_11_18-2.jpg
    29_11_18-2.jpg
    100,6 КБ · Просмотры: 265
  • 29_11_18-1.jpg
    29_11_18-1.jpg
    69,7 КБ · Просмотры: 270
Дрелью - нормальная идея. А всё остальное установили? Не спешите если есть время. Когда необходимо закончить работы?
 
Чуть не забыл самое главное !  🙂 Межремонтный ресурс ПФ 100 или 150 часов кажется, не помню точно.
 
Предыдущее сообщение предназначалось Гурову С.В. Не освоил ещё форум, хотел личное отправить
 
Уважаемые авиастроители, доброго вам дня!
Генератор и регулятор подключил согласно схемам американским изготовителям.
Штатная проводка сохранена по максимуму.
Поступила новая задача, необходимо установить на М-14 новые шланги.
По совету господина PlantNr30 написал запрос в "РТИ КАУЧУК" с просьбой продажи
1. 2У10-15К 152
2. 2У4-15К 009
3. 2У16-15
Шланг пневмо-пуска пока не заказывал, т.к. нет родных наконечников.
Подскажите пожалуйста, есть ли европейские аналоги российским шлангам, как делать?
 
Назад
Вверх